首页 > 国家专业标准(ZB) > ZB Y 17028-1990 家用缝纫机 摆轴
ZB Y 17028-1990

基本信息

标准号: ZB Y 17028-1990

中文名称:家用缝纫机 摆轴

标准类别:国家专业标准(ZB)

标准状态:已作废

实施日期:1991-01-01

出版语种:简体中文

下载格式:.rar.pdf

下载大小:130692

相关标签: 家用 缝纫机

标准分类号

中标分类号:轻工、文化与生活用品>>钟表、自行车、缝纫机>>Y17缝纫机

关联标准

替代情况:转化为QB/T 3551-99

出版信息

标准价格:15.0 元

相关单位信息

标准简介

ZB Y 17028-1990 家用缝纫机 摆轴 ZBY17028-1990 标准下载解压密码:www.bzxz.net

标准图片预览

ZB Y 17028-1990 家用缝纫机 摆轴
ZB Y 17028-1990 家用缝纫机 摆轴
ZB Y 17028-1990 家用缝纫机 摆轴
ZB Y 17028-1990 家用缝纫机 摆轴
ZB Y 17028-1990 家用缝纫机 摆轴

标准内容

中华人民共和国专业标准
家用缝纫机
主题内容与适用范围
本标准规定了家用缝纫机摆轴的技术要求,试验方法和检验规期。本标适用于JA、IB型家用继纫机摆轴。2引用标准
QB625家用缝纫机电镀技术条件
ZBY17011缝纫机专用螺纹
3严品分类
3.1型式和尺寸(见图1)
15二春春
3.2分类
产品按抬牙凸轮的夹角(α)不同分为3个规格,依次划分。1号规格摆轴免费标准bzxz.net
中华人民共和国轻工业部1990-03-27批准ZB Y17028 --- 1990
1990-10-01实施
2号规格摆轴α=6°
3号规格摆轴α=11%
4技术要求
ZBY17028--1990
4.1螺孔轴线对$8两锥孔中心连线距离16.80.055mm。4.2
螺孔轴线对8两锥孔中心连线偏心距28.10mm。螺孔两端平面对$8两锥孔中心连线垂直度0.015mm。43
4.4叉口两平面对48两锥孔中心连线平行度0.008mm。4.5叉口两平面对8两锥孔中心连线对称度0.06mm。4.6凸轮外径等距误差不大于0.012mm。如图1示,表面粗糙度、。
4.8螺纹的公差按*缝纫机专业螺纹标准”2级精度。摆轴镀镍外表面应无发黄、锈点、表面粘砂等缺陷。4.9
5试验方法
螺孔轴线对8两锥孔中心连线距离16.80.055mm,按图2测量。100
用校对规校对高度,百分表校至零位值;螺纹量棒人摆轴螺孔并拧紧;
专用量具两顶针顶人摆轴两锥孔:按4.1条要求,其公差不大于士0.055mm,则按比例在A、B两点承值的公差即不大于土0.73mm。摆动摆轴,用百分表测量螺纹量棒规定长度上A、B两点,当同时满足下列两个条件时为合格:
IA≤0.73,|B/≤0. 73
5.2螺孔轴线对8两锥孔中心连线偏心距2%.10mm,按图3测量。a.
螺纹量摔拧人摆轴螺孔并拧紧;专用墅具两项针顶人摆轴两锥孔,叉口播定位棒,1)
(2)
ZBY17028-1990
按图示测A、B两点算术平均值;将摆轴换向,用上述同样方法,使其平均值差半在2二0.10以内。油阁
5.3螺孔两端平面对8两锥孔中心连线垂直度0.015mm,按图4测量,a。螺纹邀棒拧入摆轴螺孔并拧紧,b.按图示方向分别测得A、B两端示值,其A、B两端示值之差不大于0.12mm图4
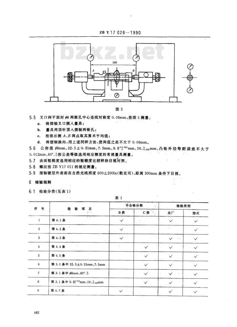
5.4叉口两平面对两锥孔公共轴线平行度0.008mm,按图5测量。将摆轴叉口插入量具;
量具两针人摆轴两罐孔,
按图示方向分别测A、B两端示值,其A、B两端示值之差不大于0.11mm。481
ZBY17028--1990
5.5叉口两平面对8两锥孔中心连线对称度0.06mm,按图5测量。将摆轴叉口插人量具,
董具两颠针预人摆轴两锥孔,
按图示测A、B两点取其算术平均值;将摆轴换向,用上述同样方法,使两值之差不大于0.06mm5.6公称值g8mm、32.5±0.31m.m、7.5mm、9.8+g015mm、168.01gmm、凸轮外径等距读差不大于0.012mm、60°-按公差等级选用相应精度的常规量具测量。5.7表面粗糙度选用相应的粗髓度比较样块目视对照。5.8螺纹按ZBY17011的规定测。
5.9摆轴镀层外表面在自然光线照度600士200lx(勒克司)、距离300mm条件下目视。6检验规则
检验分类(见表1)
第4.1条
第4.2条
第4.3条
第4.4条
第4.5条
第3.1条中32.5±0.31mm.7.5mm
第3.1袭中8m、60°g
第3.1条中9.8915mm,16.m8.018mm第4、?条
不合格分类
检验类
第4.8条
第4.9条
第4.10条
ZBY17028—1990
续表1
不合格分类
检验类别
收货方有权按本标准规定的检验项目进行验收检验,对检验批的组成和抽样方案及判定规则由供6.2
需双方协商决定。
加说明:
本标准由中国键纫机工业标准化质量检测中心站归口。本标准由上海市缝纫机研究所负资起草。本标准主要起擎人姚关龙、刘疆斑。483
小提示:此标准内容仅展示完整标准里的部分截取内容,若需要完整标准请到上方自行免费下载完整标准文档。