首页 > 轻工行业标准(QB) > QB/T 2212.23-1996 建筑工具(泥瓦类)缝扎子
QB/T 2212.23-1996

基本信息

标准号: QB/T 2212.23-1996

中文名称:建筑工具(泥瓦类)缝扎子

标准类别:轻工行业标准(QB)

英文名称: Construction tools (brick and tile) Seam tie

标准状态:现行

发布日期:1993-03-22

实施日期:1996-12-01

出版语种:简体中文

下载格式:.rar.pdf

下载大小:58598

相关标签: 建筑 工具 泥瓦

标准分类号

中标分类号:机械>>工艺装备>>J47手工工具

关联标准

替代情况:ZB J47001-85 ZB J47002-85 ZB J47003-85 ZB J47004-85

出版信息

出版社:中国轻工业出版社

页数:3页

标准价格:8.0 元

出版日期:1996-12-01

相关单位信息

起草人:程永丰、左振江、田丽敏、秦德林、王辰德

起草单位:上海市工具工业研究所、石家庄工农机械厂、大连房屋设备工具总厂、上海奉贤工具三厂

归口单位:全国工具五金标准化中心

提出单位:中国轻工总会质量标准部

发布部门:中国轻工总会

标准简介

本标准规定了缝扎子的产品分类、技术要求、试验方法、检验规则和包装、标志、运输、贮存。本标准适用于QB/T 2212. 1《建筑工具(泥瓦类) 术语》中规定的第403号缝扎子。 QB/T 2212.23-1996 建筑工具(泥瓦类)缝扎子 QB/T2212.23-1996 标准下载解压密码:www.bzxz.net

标准图片预览

QB/T 2212.23-1996 建筑工具(泥瓦类)缝扎子
QB/T 2212.23-1996 建筑工具(泥瓦类)缝扎子
QB/T 2212.23-1996 建筑工具(泥瓦类)缝扎子

标准内容

QB/T 2212.23—1996
本标准是在原轻工业部专业标准ZBJ47001--1985《建筑(泥瓦)工具术语》、ZBJ470021985《建筑(泥瓦)工具通用技术条件》、ZBJ47003--1985《建筑(泥瓦)工具检验规则、标志、包装与运输》的基础上进行修订的,并转化为轻工行业标准。在标准的总体结构上,保留了建筑工具术语、通用技术条件及其产品标准,取消了原ZBJ47003--1985《建筑(泥瓦)工具检验规则、标志、包装与运输》,将其部分有关条文并人通用技术条件。产品标准按术语中编号予以保留,并增加一《菱形铲》产品标准。本标准将原名称括号内(泥瓦)二字改为(泥瓦类),放在标准名称“建筑工具”的后面,使建筑作业用的手工工具更规范化,并在适用范围中作出明确的限定说明。本标准是配套使用的标准,术语与通用技术条件为基础性的,保留了原标准中经实践证明适合我国情况的技术内容。产品标准中的主要尺寸作了优化处理,增加几档规格,并注明极限偏差。本标准对某些质量指标作了修改和提高。
本标准自实施之日起,同时废止ZBJ47001~47003-1985。本标准由中国轻工总会质量标准部提出。本标准由全国工具五金标准化中心归口。本标准起草单位:上海市工具工业研究所、石家庄工农机械厂、大连房屋设备工具总厂、上海奉贤工具三等。
本标准主要起草人:程永丰、左振江、田丽敏、秦德林、王辰德。本标准委托全国工具五金标准化中心负责解释。650
中华人民共和国轻工行业标准
建筑工具(泥瓦类)
缝扎子
QB/T 2212. 23- 1996
本标准规定了缝扎子的产品分类、技术要求、试验方法、检验规则和包装、标志、运输、贮存。本标准适用于QB/T2212.1《建筑工具(泥瓦类)术语》中规定的第403号缝扎子。2引用标准
下列标准所包含的条文,通过在本标准中引用而构成为本标准的条文。本标准出版时,所示版本均为有效。所有标准都会被修订,使用本标准的各方应探讨使用下列标准最新版本的可能性。:建筑工具(泥瓦类)术语
QB/T2212.1--1996
QB/T2212.2—1996
建筑工具(泥瓦类)
3产品分类
3.1型式
缝扎子的型式如图1所示。
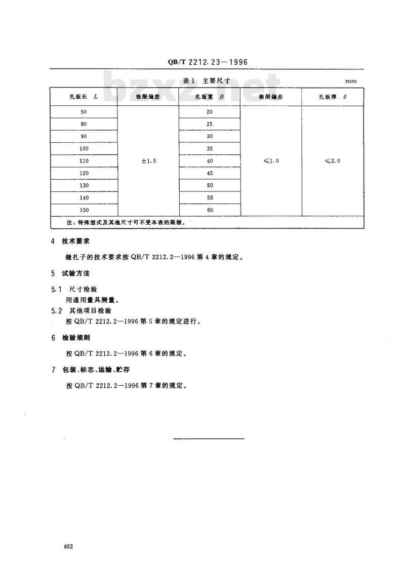
3.2主要尺寸
缝扎子的主要尺寸按表1的规定。中国轻工总会1996-03-22批准
通用技术条件
1996-12-01实施
KAONKAca-
扎板长 L
极限偏差
QB/T2212.23—-1996
主要尺寸
扎板宽B
注:特殊型式及其他尺寸可不受本表的限制。4技术要求
缝扎子的技术要求按QB/T2212.2一1996第4章的规定。5试验方法
5.1尺寸检验
用通用量具测量。
2其他项目检验
按QB/T2212.2—1996第5章的规定进行。6检验规则
按QB/T2212.2—1996第6章的规定。包装、标志、运输、贮存
按QB/T2212.2~1996第7章的规定。652
极限偏差Www.bzxZ.net
扎板厚
小提示:此标准内容仅展示完整标准里的部分截取内容,若需要完整标准请到上方自行免费下载完整标准文档。