首页 > 轻工行业标准(QB) > QB/T 2166-1995 铁饼
QB/T 2166-1995

基本信息

标准号: QB/T 2166-1995

中文名称:铁饼

标准类别:轻工行业标准(QB)

英文名称: Discus

标准状态:现行

发布日期:1995-10-24

实施日期:1996-06-01

出版语种:简体中文

下载格式:.rar.pdf

下载大小:85744

标准分类号

中标分类号:轻工、文化与生活用品>>文教、体育、娱乐用品>>Y56体育用品

关联标准

替代情况:SG 151-79

出版信息

出版社:中国轻工业出版社

页数:4页

标准价格:8.0 元

出版日期:1996-06-01

相关单位信息

起草人:肖建京、王柳生、郑文姗

起草单位:北京体育器械厂

归口单位:全国文体用品标准化中心

提出单位:中国轻工总会质量标准部

发布部门:中国轻工总会

标准简介

本标准规定了铁饼的产品分类、技术要求、试验方法、检验规则和标志、包装、运愉、贮存要求。本标准适用于竟赛练习使用的铁饼。 QB/T 2166-1995 铁饼 QB/T2166-1995 标准下载解压密码:www.bzxz.net

标准图片预览

QB/T 2166-1995 铁饼
QB/T 2166-1995 铁饼
QB/T 2166-1995 铁饼
QB/T 2166-1995 铁饼

标准内容

中华人民共和国轻工行业标准
主题内容与适用范围
QB/T2166-1995
本标准规定了铁饼的产品分类、技术要求、试验方法、检验规则和标志、包装、运输、贮存要求。本标准适用于竞赛、练习使用的铁饼。2引用标准
GB/T2828逐批检查计数抽样程序及抽样表(适用于连续批的检查)GB/T2829周期检查计数抽样程序及抽样表(适用于生产过程稳定性的检查)3产品分类
3.1按使用要求分为男子、女子、少年铁饼三类。3.2铁饼结构及各部位名称(见图1)。铁饼圈
3.3基本参数(见表1、表2)
总质量·8
全饼直径,mm
全饼厚度,mm
饼芯直径.mm
边缘6mm处厚度,mm
中国轻工总会1995-10-24批准
铁饼面
2005~2025
219~221
44~46
铁饼芯
竞赛铁饼
1005~1025
180~182
1505~1525
199~201
1996-06-01实施
总质量g
全饼直径,mm
全饼厚度,mm
饼芯直径,mm
边缘6mm处厚度,mm
4技术要求
QB/T2166-1995
练习铁饼
2000~2030
219~221
4.1铁饼基本参数应符合3.3条的规定。4.2铁饼圈,铁饼面及铁饼芯连接牢固。女子
1000~1030
180~182
1500~1530
199201
39~41
4.3铁饼边缘呈圆形,竞赛用的铁饼全饼直径,其最大最小值之差不超过平均直径的1%[平均直径一(最大直径十最小直径)/2]。
4.4铁饼两面的角度应对称,其不对称度竞赛用铁饼不得大于1°。4.5铁饼两饼面不平度不得超过0.3mm。4.6油漆光洁,无脱皮现象,饼圈、饼芯无锈痕。4.7主要原材料要求:
4.7.1铁饼圈采用金属材料制成。4.7.2铁饼面采用木材或其他材料制成。4.7.3铁饼芯采用金属材料制成。5试验方法
5.1总质量用感应量不大于0.5g的天平、台秤等仪器检测。5.2铁饼直径、厚度用示值误差为0.02mm的卡尺量。5.3铁饼的牢固性试验方法:将铁饼置于离地面5m高度自由落下,检测其综合性能指标能否达到4.2条的规定。
5.4铁饼不圆度用示值误差为0.02mm的卡尺或示值误差为0.01mm的百分表测量。5.5铁饼面的不对称度用万能角度尺测量。5.6铁饼面平度用钢板尺和塞规测量。5.7铁饼外观质量用目测。
6检验规则
6.1出厂检验
6.1.1出厂检验:每批产品出厂前由生产厂质量检验部门按本标准检验,检验合格的产品签发合格标志后方可出厂;
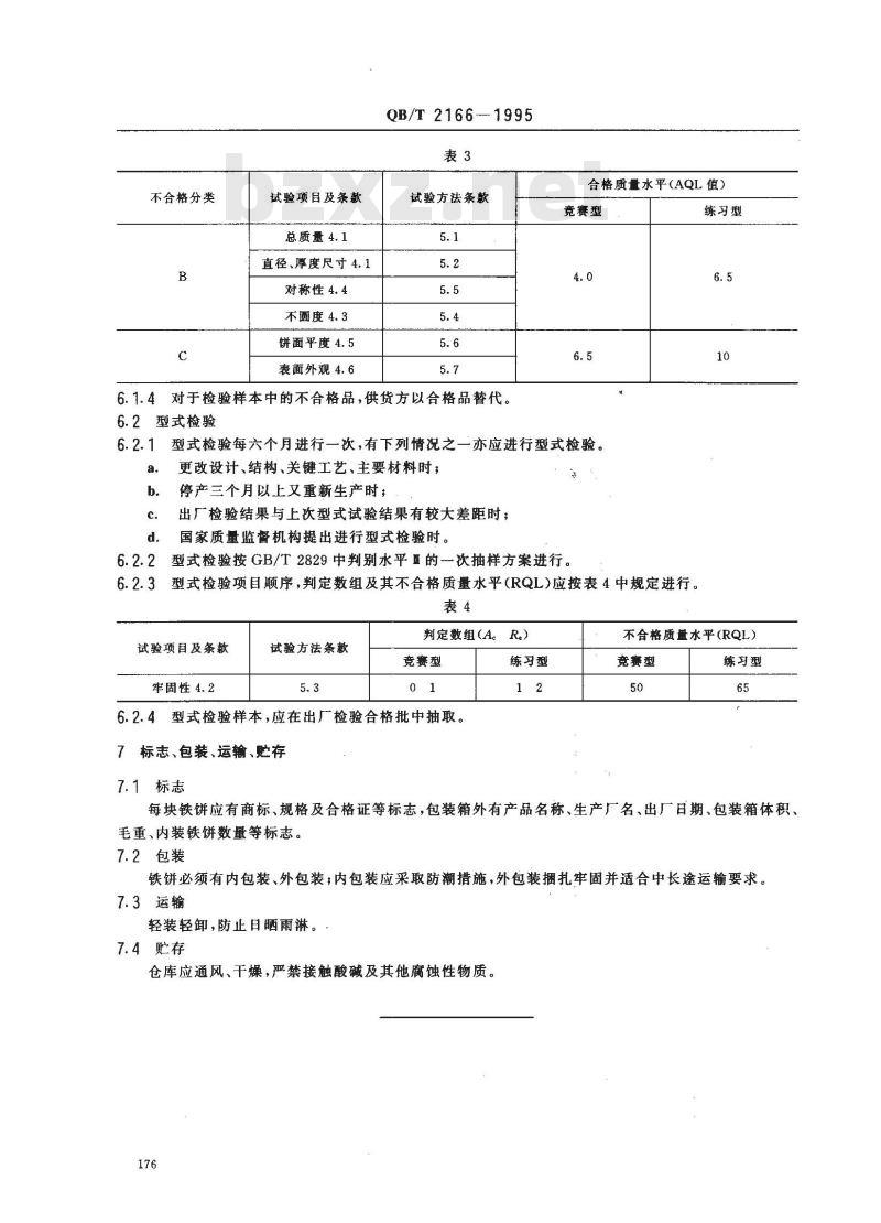
6.1.2出厂检验按GB/T2928中般检查水平的I一次正常检查抽样方案。6.1.3出厂检验顺序及合格质量水平(AQL值)应按表3中规定进行。175
不合格分类
试验项目及条款
总质量4.1
直径、厚度尺寸4.1
对称性4.4
不圆度4.3
饼面平度 4.5免费标准bzxz.net
表面外观4.6
QB/T2166-1995
试验方法条款
6.1.4对于检验样本中的不合格品,供货方以合格品替代。6.2型式检验
合格质量水平(AQL值)
竞赛型
型式检验每六个月进行一次,有下列情况之一亦应进行型式检验。6.2.1
更改设计、结构、关键工艺、主要材料时,停产三个月以上又重新生产时;出广检验结果与上次型式试验结果有较大差距时;国家质量监督机构提出进行型式检验时。型式检验按GB/T2829中判别水平画的-次抽样方案进行。型式检验项目顺序,判定数组及其不合格质量水平(RQL)应按表4中规定进行。6.2.3
试验项目及条款
牢固性4.2
试验方法条款
判定数组(A。R。)
竞赛型
6.2.4型式检验样本,应在出厂检验合格批中抽取。7标志、包装、运输、存
7.1标志
练习型
练习型
不合格质量水平(RQL)
竞赛型
练习型
每块铁饼应有商标、规格及合格证等标志,包装箱外有产品名称、生产厂名、出厂日期、包装箱体积毛重、内装铁饼数量等标志。
7.2包装
铁饼必须有内包装、外包装;内包装应采取防潮措施,外包装捆扎牢固并适合中长途运输要求。7.3运输
轻装轻卸,防止日晒雨淋。,
7.4贮存
仓库应通风、干燥,严禁接触酸碱及其他腐蚀性物质。176
附加说明:
QB/T2166—1995
本标准由中国轻工总会质量标准部提出。本标准由全国文体用品标准化中心归口。本标准由北京体育器械厂负责起草;北京文体用品研究所参加起草。本标准主要起草人肖建京、王柳生、郑文娜。本标准采用《国际田径联合会1991/92竞赛规则》。自本标准实施之日起,原轻工业部部标准SG151-1979《铁饼》作废。177
小提示:此标准内容仅展示完整标准里的部分截取内容,若需要完整标准请到上方自行免费下载完整标准文档。