首页 > 轻工行业标准(QB) > QB/T 1542-1992 钟用铅黄铜棒与线
QB/T 1542-1992

基本信息

标准号: QB/T 1542-1992

中文名称:钟用铅黄铜棒与线

标准类别:轻工行业标准(QB)

英文名称: Lead brass rods and wires for clocks

标准状态:已作废

实施日期:1993-03-01

出版语种:简体中文

下载格式:.rar.pdf

下载大小:114976

相关标签: 铅黄 铜棒

标准分类号

中标分类号:>>>>Y1 冶金>>有色金属及其合金产品>>H62重金属及其合金

关联标准

替代情况:QB 879-1983;被QB/T 1542-2005代替

出版信息

页数:5页

标准价格:8.0 元

相关单位信息

标准简介

QB/T 1542-1992 钟用铅黄铜棒与线 QB/T1542-1992 标准下载解压密码:www.bzxz.net

标准图片预览

QB/T 1542-1992 钟用铅黄铜棒与线
QB/T 1542-1992 钟用铅黄铜棒与线
QB/T 1542-1992 钟用铅黄铜棒与线
QB/T 1542-1992 钟用铅黄铜棒与线

标准内容

中华人民共和国轻工行业标准
钟用铅黄铜棒与线
1主题内容与适用范围
QB/T 1542-1992
本标准规定了直径为1.0~4.0mm范围铅黄铜棒与线材的产品分类、技术要求、试验方法、检验规则及包装、标志、运输、贮存。本标准适用于各种时钟及日用机械用断面为圆形、六角形及拉花的铅黄铜捧与线。2引用标准
GB/T228金属拉伸试验方法
GB/T 321
优先数和优先系数系
GB/T1958形状和位置公差检测规定GB/T5122黄铜化学分析方法
GB/T8888重有色金属加工产品的包装、标志、运输和贮存触针式仪器测量表面粗糙度的规则和方法GB/T 10610
YB732铜、镍及其合金管材和棒材断口检验法3术语
3.1圆度
在一个横截面上所测量的最大直径与最小直径之差值。3.2捧、线材
沿整个长度方向上具有均一的横截面的实心加工产品,以直状供应的为棒材,以卷状供应的为线材。
4产品分类
4.1合金牌号HPb59-1
4.2基本尺寸按表1规定,其拉花棒齿形见图,齿形参数见表2。表1
(花)
(花)
5.0(六角)5.5(六角)
14.06.0(花)
注:①本表规格尺寸选用GB/T321R*40系列,并插人部分中间规格尺寸。②特殊规格可经供需双方协商解决。③(花)指拉花棒、(六角)指六角棒。④六角捧直径系指内切圆直径,即两平行边间距离。中华人民共和国轻工业部1992-07-06批准252
棒材定尺1800、2000
2200.2400
不定尺1600~2500
线材≥4000
1993-03-01实施Www.bzxZ.net
直径D
QB/T1542—1992
拉花棒齿形图
节距t
基本尺寸
4.3摔、线材以拉制方法制造,供应状态为硬(Y)。4.4标记示例
齿高为
a。用HPb59-1制成的硬态、B级、直径为1.0mm的棒材。标记为:棒HPb59-1YB1.0QB/T1542,b.用HPb59-1制成的硬态、B级、直径为3.5mm的线材。标记为:线HPb59-1YB3.5QB/T1542。5技术要求
5.1棒、线材化学成分应符合表3规定。表3
主要成分
HPb59-1
极限偏差
杂质成分(不大于)
齿尖圆角「
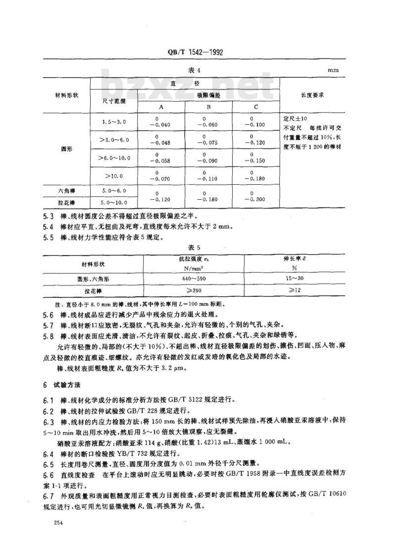
5.2棒、线材尺寸的质量等级按直径的极限偏差分为A、B、C三级,其尺寸范围和极限偏差见表4。253
材料形状
六角棒
拉花棒
尺寸范围
>3. 0~6. 0
>6. 0~10. 0
5. 0~~10. 0
QB/T1542—1992
极限偏差
棒,线材圆度公差不得超过直径极限偏差之半。5.3
5.4棒材应平直、无扭曲及死弯,直线度每米充许不大于2mm。5.5棒、线材力学性能应符合表5规定。表5
材料形状
圆形、六角形
拉花棒
抗拉强度品
440-590
≥390
注:直径小于8.0mm的棒、线材,其中伸长率用L=100 mm标距。5.6棒,线材成品应进行少产品中残余应力的退火处理。c
长度要求
定尺±10
不定尺每批许可交
付重量不超过10%,长
度不短于1200的摔材
伸长率
15~~30
5.7棒、线材断口应致密,无裂纹、气孔和夹杂,允许有轻徽的、个别的气孔,夹杂。5.8棒、线材表面应光滑、清洁,不充许有裂纹、起皮、折叠、拉痕、气孔、夹杂和绿锈等允许有轻微的、局部的(不大于10%)、不超出棒、线材直径极限偏差的划伤、擦伤、凹面、压人物、麻点及轻微的校直痕迹、细螺纹。亦允许有轻微的发红或发暗的氧化色及局部的水迹。棒、线材表面粗糙度R值为不大于3.2μm。6试验方法
6.1棒、线材化学成分的标推分析方法按GB/T5122规定进行。6.2摔、线材的拉伸试验按GB/T228规定进行。6.3棒、线材的内应力检验方法:将150mm长的摔、线材试样预先除油,再浸入硝酸亚汞溶液中,保持5~10min取出用水冲洗,然后用5~10倍放大镜观察,应无裂缝。硝酸亚汞溶液配方:硝酸亚汞114g、硝酸(比重1.42)13mL、蒸馏水 1000mL。6.4棒材的断口检验按YB/T732规定进行。6.5长度用卷尺测量,直径、圆度用分度值为0.01mm外径千分尺测量,6.6直线度检查在平台上滚动时应无明显跳动,必要时按GB/T1958附录一中直线度误差检测方案1-1项进行。
6.7外观质量和表面粗髓度用正常视力目测检查,必要时表面粗髓度用轮廊仪测试,按 GB/T10610规定进行,也可用光切显微镜测R.值,再换算为R值。254
7检验规则
QB/T1542—1992
7.1摔、线材应由供方质量检验部门检验,并保证产品质量符合本标准要求,需方验收期为到货后30天内。
7.2棒、线材以同牌号、同规格、同状态组批,每批不大于700kg。7.3化学成分检验:供方在熔炼过程中,每炉取一个试样进行检验,需方在每批产品中任取一个试样进行检验。
7.4拉伸试验、内应力、断口检验应从每批中各取二根制备试样。内应力、断口检验供方可不进行,但必须保证符合本标准规定。
7.5棒,线材应逐根(卷)进行外形尺寸测量及表面质量的检验。7.6重复试验:各项试验即使有一个试样的试验结果不合格,也应以该批中取双倍试样进行不合格项目的复检,复检结果仍有一个试样不合格,则整批报废或逐根(卷)检验,合格者单独编批验收。8包装、标志、运输、贮存
8.1包装
8.1.1棒、线材应用防潮纸、麻布包紧、捆扎牢固。8.1.2专用铁箱包装:棒材每10~20kg扎成捆,装入专用箱,箱底部放置木质托板,衬以防潮纸,棒材在箱内应排列整齐,每层应加一层防潮纸,棒材在箱内不得审动。8.1.3木箱包装:棒材每10~20kg扎成捆,装人衬有防潮纸的木箱内,应用防潮纸裹紧,摔材在箱内不得窜动。
8.2标志、运输及贮存按GB/T8888中第2、3、4章规定进行。附加说明:
本标准由轻工业部质量标准司提出。本标准由全国钟表标准化中心归口。本标准由南京钟表材料厂负责起草。本标准主要起草人郑宏武、黄富远、曹兴华、芮有景。自本标准实施之日起,原轻工业部部标准QB879-1983钟用铅黄铜棒与线》废止。255
小提示:此标准内容仅展示完整标准里的部分截取内容,若需要完整标准请到上方自行免费下载完整标准文档。