首页 > 轻工行业标准(QB) > QB/T 2420-1998 立式水力碎浆机
QB/T 2420-1998

基本信息

标准号: QB/T 2420-1998

中文名称:立式水力碎浆机

标准类别:轻工行业标准(QB)

英文名称: Vertical hydraulic pulper

标准状态:现行

发布日期:1998-11-25

实施日期:1999-06-01

出版语种:简体中文

下载格式:.rar.pdf

下载大小:140128

相关标签: 立式 水力

标准分类号

中标分类号:轻工、文化与生活用品>>轻工机械>>Y91造纸机械综合

关联标准

替代情况:ZB Y91015-89

出版信息

出版社:中国轻工业出版社

页数:5页

标准价格:12.0 元

出版日期:1999-06-01

相关单位信息

起草人:王利、郭庆立

起草单位:山东济宁轻工机械厂

归口单位:全国轻工机械标准化中心

提出单位:国家轻工业局行业管理司

发布部门:国家轻工业局

标准简介

本标准规定了立式水力碎浆机(以下简称“碎浆机”)的产品分类、技术要求、试验方法、检验规则及标志、包装、运输、贮存等。本标准适用于ZDSI~2及ZDS23-29型碎浆机。 QB/T 2420-1998 立式水力碎浆机 QB/T2420-1998 标准下载解压密码:www.bzxz.net

标准图片预览

QB/T 2420-1998 立式水力碎浆机
QB/T 2420-1998 立式水力碎浆机
QB/T 2420-1998 立式水力碎浆机
QB/T 2420-1998 立式水力碎浆机
QB/T 2420-1998 立式水力碎浆机

标准内容

QB/T 2420—1998
本标准系对ZBY91015—1989《ZDS1A~2A型水力碎浆机》产品标准的修订。随着我国造纸工业的快速发展,水力碎浆机产品规格日益扩大,制造技术明显提高;新型大规格立式水力碎浆机还没有行业标准,ZBY91015有些内容已经跟不上发展的要求,为适应我国标准的制定和贯彻的需要,本标准对产品型号表示进行统一,对其技术内容进行扩充,以确保产品的制造质量和性能水平。
本标准自实施之日起,同时代替原轻工业部发布的专业标准ZBY91015一1989。本标准由国家轻工业局行业管理司提出。本标准由全国轻工机械标准化中心归口。本标准起草单位:山东济宁轻工机械厂。本标准主要起草人:王利、郭庆立。317wwW.bzxz.Net
1范围
中华人民共和国轻工行业标准
立式水力碎浆机
QB/T 2420--1998
本标准规定了立式水力碎浆机(以下简称“碎浆机”)的产品分类、技术要求、试验方法、检验规则及标志、包装、运输、贮存等。
本标准适用于ZDS1~2及ZDS23~29型碎浆机。2引用标准
下列标准所包含的条文,通过在本标准中引用而构成为本标准的条文。本标准出版时,所示版本均为有效。所有标准都会被修订,使用本标准的各方应探讨使用下列标准最新版本的可能性。GB191--1990包装储运图示标志
GB/T1958—1980形状和位置公差检测规定GB/T14253--1993轻工机械通用技术条件GB/T16769—1997金属切削机床噪声声压级测量方法QB/T1588.4-—1993轻工机械涂漆通用技术条件3产品分类
3.1型式
本标准规定的碎浆机的结构型式,其转动轴为立式的,按使用方法可分为连续式和间歇式两种。3.2型号
碎浆机系列规格代号
碎浆机代号
打浆设备代号
造纸机械专业代号
3.3基本参数
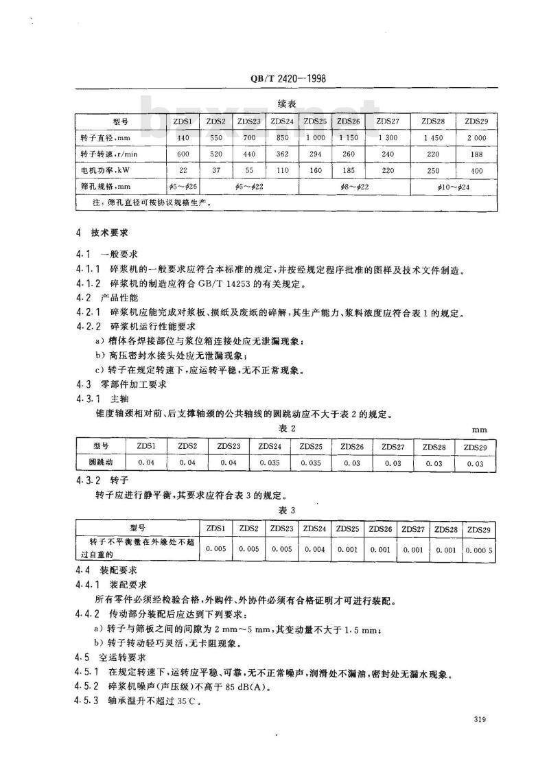
碎浆机基本参数见表1。
公称容积,m2
生产能力
浆料浓度
间歇式,t/d
连续式,t/d
间歇式,%
连续式,%
5~~8
国家轻工业局1998-11-25批准
30~6050~8070~100
90~120
110~~140
230~~300
1999~06-01实施
转子直径,mm
转子转速,r/min
电机功率,kW
筛孔规格,mm
注:筛孔直径可按协议规格生产。4技术要求
4.1一般要求
QB/T2420—1998
$5~22
10±24
4.1.1碎浆机的一般要求应符合本标准的规定,并按经规定程序批准的图样及技术文件制造。4.1.2碎浆机的制造应符合GB/T14253的有关规定。4.2产品性能
4.2.1碎浆机应能完成对浆板、损纸及废纸的碎解,其生产能力、浆料浓度应符合表1的规定。4.2.2碎浆机运行性能要求
a)槽体各焊接部位与浆位箱连接处应无泄漏现象;b)高压密封水接头处应无泄漏现象;c)转子在规定转速下,应运转平稳,无不正常现象。4.3零部件加工要求
4.3.1主轴
锥度轴颈相对前、后支撑轴颈的公共轴线的圆跳动应不大于表2的规定。表2
圆跳动
4.3.2转子
转子应进行静平衡,其要求应符合表3的规定。表3
转子不平衡量在外缘处不超
过自重的
4.4装配要求
4.4.1装配要求
所有零件必须经检验合格,外购件、外协件必须有合格证明才可进行装配。4.4.2传动部分装配后应达到下列要求:a)转子与筛板之间的间隙为2mm~~5mm,其变动量不大于1.5mm;b)转子转动轻巧灵活,无卡阻现象。4.5空运转要求
ZDS27/ZDS28
4.5.1在规定转速下,运转应平稳、可靠,无不正常噪声,润滑处不漏油,密封处无漏水现象。4.5.2碎浆机噪声(声压级)不高于85dBA)。4.5.3轴承温升不超过35℃。
4.6外观要求
QB/T2420-1998
4.6.1碎浆机外观不应有图样规定外的凸起、凹陷、粗糙不平和其他损伤等缺陷。4.6.2零部件装配结合面边沿应整齐一致,无明显错位。4.6.3碎浆机油漆层如用户无特殊要求时,应符合QB/T1588.4的有关规定。4.6.4产品标牌的字体应清晰耐久,排列整齐美观,安装位置正确、牢固。4.7电气系统要求
4.7.1电气装置和主机的金属外壳应有接地装置,接地端应位于接线的位置,并标有保护接地符号。4.7.2电气装置的金属壳体或可能带电的金属件与接地螺钉间,必须保证具有可靠的电气连接。其与接地螺钉间的连接电阻实测值,不得超过0.1Q。4.7.3在动力电路导线和保护接地电路间施加500Vd.c时测得的绝缘电阻应不小于1Mα。4.7.4电气绝缘应能承受1000V、50Hz交流正弦波、历时1s,而无击穿和闪络现象。5试验方法
5.1产品性能的交验在用户进行,按制浆造纸厂的检测规范进行。5.2圆跳动按GB/T1958有关规定测量。5.3转子校静平衡在导轨式静平衡架上进行。5.4转子与筛板之间的间隙用厚度规或塞尺测量。5.5空运转试验
5.5.1在规定转速下,连续运转时间不得少于1h。5.5.2噪声用精度1.0级的A声级计,按GB/T16769进行测量。5.5.3轴承温升用精度2.5级的测温仪在轴承表面测量。5.6电气系统的检测
采用目测及电工测量仪器、仪表(如微电阻测试仪、500V兆欧表、功率500VA以上耐压试验仪等,其精度应不低于0.5级)进行检测。6检验规则
6.1碎浆机须经制造厂检验部门检验合格,并附有产品合格证方能出广。在特殊情况下,按制造厂与用户协议书规定也可在用户厂进行。6.2碎浆机的检验分出厂检验和型式检验。6.3出厂检验
6.3.1每台碎浆机应在制造厂内进行。6.3.2出厂检验项目及要求
a)加工和装配质量检验,其试验方法按5.2~5.4进行,检验结果应符合4.3,4.4的规定,其加工质量允许检查记录;
b)空运转试验按5.5规定进行,其检验结果应符合4.5规定;c)外观质量检验采用目测或手感方法,检验结果应符合4.6规定;d)电气系统检验按5.6进行,检验结果应符合4.7规定。6.4型式检验
6.4.1碎浆机在下列情况之时应进行型式检验。a)新产品试制、定型鉴定时;
b)正式投产后,如结构、材料、工艺有较大改变,可能影响产品性能时;c)正式生产年后,应两年进行次检验;d)国家质量监督机构提出进行型式检验的要求时。320
QB/T2420—1998
6.4.2型式检验项目为本标准的全部技术要求。6.5抽样方法
型式检验按批量的5%抽样,但不少于两台。6.6判定规则
在型式检验规定有效期内,出厂检验项目均符合本标准要求,则为合格。7标志、包装、运输、贮存
7.1标志
7.1.1每台碎浆机应在适当、明显位置固定产品标牌,内容包括:a)产品名称、型号、采用标准号;b)主要技术参数;
c)制造日期、编号;
d)制造厂名。
7.1.2转子旋转方向的标记应用红色油漆涂示清楚。7.1.3包装标志应符合GB191的规定。7.2包装
7.2.1包装应符合GB/T14253的有关规定。7.2.2随机文件齐全,应包括产品合格证、产品使用说明书及装箱单各一份。7.3运输与贮存
包装后的产品在运输过程中应符合铁路、陆路、水路等交通部门的有关规定。对特殊要求的产品,应规定其运输要求。
产品贮存在干燥、通风、防雨的场所,并平稳放置,自装箱之日起六个月内产品不得发生锈蚀现象。321
小提示:此标准内容仅展示完整标准里的部分截取内容,若需要完整标准请到上方自行免费下载完整标准文档。