首页 > 轻工行业标准(QB) > QB/T 2273-1996 钟游丝
QB/T 2273-1996

基本信息

标准号: QB/T 2273-1996

中文名称:钟游丝

标准类别:轻工行业标准(QB)

标准状态:现行

出版语种:简体中文

下载格式:.zip .pdf

下载大小:126618

相关标签: 游丝

标准分类号

关联标准

出版信息

相关单位信息

标准简介

QB/T 2273-1996.
1范围
QB/T 2273规定了钟游丝的产品规格﹑技术要求.试验方法、检验规则、包装、栎志,运输和贮存。本标准适用于机械钟用游丝。
2引用标准
下列标准所包含的条文,通过在本标准中引用而构成为本标准的条文。本标准出版时﹐所示版本均为有效。所有标准都会被修订,使用本标准的各方应探讨使用下列标准最新版本的可能性。
GB/T 2828一1987逐批检查计数抽样程序及抽样表(适用于连续批的检查)
GB/T 2829--1987周期检查计数抽样程序及抽样表(适用于生产过程稳定性的检查)GB/T 1249—1991普通机械手表
3产品规格和尺寸
3.1︰游丝部件见图1。
5试验方法5.1游丝厚度
用刻度值为0. 001 mm,精度为1级的千分尺测量。游丝螺距偏差用50倍投影仪测量,其结果应符合4.1的规定。
5.2定长圈数偏差浏量
用标准摆轮在定长仪上定长,再用样板测量,其结果应符合4.1的规定。
5.3弹性拉长的检验
将内桩固定,用镊子钳钳住游丝外端,沿平行内桩平面及游丝缠绕方向拉长,拉长至表1中规定的长度后松开镊子钳,游丝复原后目测检查,其结果应符合4.2的规定。
5.4内桩高度.外径
用刻度值为0. 01 mm,精度为1级的千分尺测量;孔径用塞规或50倍投影仪测量,其结果应符合4.3的规定。
5.5游丝表面粗糙度
用于涉显微镜测量,每条游丝浏三点,取其平均值,其结果应符合4.4的规定。
5.6游丝材料的温度系数检验
按照QB/T 1249—1991中5.6进行,其结果应符合4.5的规定。
5.7游丝外观质量
在40W日光灯下距离被测件300 mm目测检查,其结果应符合4.6的规定。
6检验规则
6.1交收检验
6.1.1交收检验按GB/T 2828执行,其不合格类别、检验项目、检查水平及合格质量水平(AQL)见表3。

标准图片预览

QB/T 2273-1996 钟游丝
QB/T 2273-1996 钟游丝
QB/T 2273-1996 钟游丝
QB/T 2273-1996 钟游丝
QB/T 2273-1996 钟游丝

标准内容

QB/T2273—1996
本标准是根据原专业标准ZBY11009-1986&钟游丝》修订而成的。在修订过程中,主要技术内容无重大更改,只是对交收试验及型式试验做了增补。本标准与原ZBY11009—1986的主要差异为:编写格式及表述方法接GB/T1.1--1993标准化工作导则第1单元:标准的起草与表述规第1部分:标准编写的基本规定》执行-明确了交收试验中的AQL值:
-增加了型式试验的具体内容并将二次抽样改为一次抽样。本标准由中国轻工总会质量标准部提出。本标准由全国钟表标准化中心归口。本标准起草单位:上海钟表元件二厂。本标准主要起草人:钟顺之、沈洪萍。本标准自实施之日起,原轻工业部发布的专业标准ZBY11009—1986钟游丝》作废。429
中华人民共和国轻工行业标准
QB/T 2273--1996
本标准规定了钟游丝的产品规格、技术要求,试验方法、检验规则、包装、标志、运输和贮存本标准适用于机械钟用游丝。
2引用标准
下列标准所包含的条文,通过在本标准中引用而构成为本标准的条文。本标准出版时,所示版本均为有效。所有标准都会被修订,使用本标准的各方应探讨使用下列标准最新版本的可能性。逐批检查计数抽样程序及抽样表(适用于连续批的检查)GB/T 2828—1987
周期检查计数抽样程序及抽样表(适用于生产过程稳定性的检查)GB/T2829-1987
GB/T 1249—1991
普通机械手表
3产品规格和尺寸
3.1游丝部件见图1。
h--游丝厚度;D内桩外径+d—内桩孔径H—内桩高度图1游丝部件图
3.2游丝采用恒弹性材料制造,其规格及要求见表1。中国轻工总会1997-01~27批准
KAONKAca-
1997-09-01实施
游丝摩度
3.3内桩的尺寸参数见表2。
内桩孔径d
基本尺寸
4技术要求
极限偏差
—0. 032
QB/T2273--1996
表1游丝的规格及要求
螺距偏差
弹性拉长
表2内桩的尺寸参数
内桩外径D
基本尺寸
极限偏差
游丝的厚度、螺距及定长圈数偏差应符合表1中的规定游丝的弹性从最外端按表1规定的长度拉长、返回后应不变形。4.2
游丝内桩的孔径、外径及高度应符合表2的规定。4.3
游丝的表面粗髓度 R,平面应为 0. 8 μm,侧面应为 1. 6 μm。4.4
4.5游丝材料的温度系数应不大于2 s/d·℃。定长圈数偏差
内桩高度H
基本尺寸
极限偏差
4.6外观质量
4.6.1游丝外观为银白色,不允许有明显的变色现象。其内桩键层不允许有起泡、剥落现象。4.6.2游丝内图对内桩孔中心不允许有明显的偏移,游丝平面不允许有明显的凹凸不平和塔形:游丝平面对内桩平面不允许有明显的偏斜。4.7其他特殊要求,由供需双方商定。431www.bzxz.net
5试验方法
5.1游丝厚度
QB/T 2273-1996
用刻度值为0.001mm精度为1级的千分尺测量。游丝螺距偏差用50倍投影仪测量,其结果应符合4.1的规定。
5.2定长圈数偏差测量
用标准摆轮在定长仪上定长,再用样板测量其结果应符合4.1的规定。5.3弹性拉长的检验
将内桩固定,用子钳钳住游丝外端,沿平行内桩平面及游丝缠绕方向拉长,拉长至表1中规定的长度后松开镊子钳,游丝复原后目测检查,其结果应符合42的规定。5.4内桩高度、外径
用刻度值为0.01mm、精度为1级的干分尺测量;孔径用塞规或50倍投影仪测量,其结果应符合4.3的规定。
5.5游丝表面粗糙度
用于涉显微镜测量,每条游丝测三点,取其平均值,其结果应符合4.4的规定。5.6游丝材料的温度系数检验
按照QB/T1249—1991中5.6进行,其结果应符合4.5的规定。5.7游丝外观质量
在40W日光灯下距离被测件300mm目测检查,其结果应符合4.6的规定。6检验规则
6.1交收检验
6.1.1交收检验按GB/T2828执行,其不合格类别、检验项目、检查水平及合格质量水平(AQL)见表3。
不会格类别
检验项目
内桩孔径
螺距偏差
游丝定长图数偏差
外观质量
弹性拉长
内桩高度
外观质量
适用条款
4.3、5.4
4.6.2、5.7
4.2、5.3
4.6.1.5.7
6.1.2批的组成、批量和抽样方案类型由供需双方商定。检查水平
合格质量水平(AQL)
6.1.3检查严格度按GB/T2828--1987的4.6确定。6.1.4根据上述6.1.1~6.1.3确定的各项,按GB/T2828—1987中4.8的有关规定检索抽样方案,确定样本大小和判定数组。
6.1.5交收检验合格与不合格的判断按GB/T2828—1987的4.11规定进行。6.1.6交收检验后的处置按GB/T2828--1987的4.12规定进行。6.2型式检验
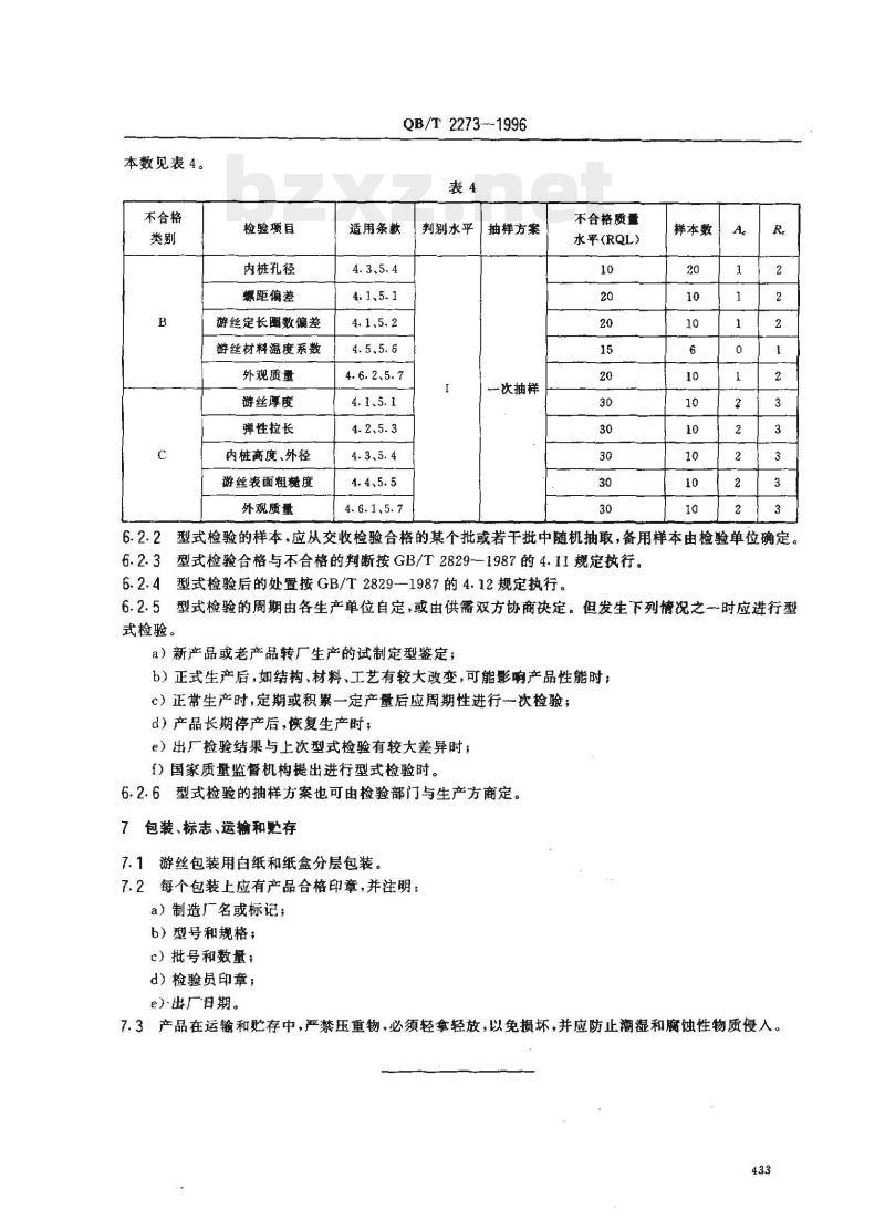
6.2.1型式检验按GB/T2829执行,其不合格类别、检验项目、抽样方案、不合格质量水平(RQI.)及样432
r KAoN KAca-
本数见表4。
不合格
检验项目
内桩孔径
螺距偏差
游丝定长圈数偏差
游丝材料温度系数
外观质量
游丝厚度
弹性拉长
内桩高度、外径
游丝表面粗糖度
外观质量
QB/T2273-1996
适用条款
4,1、5.1
4.1、5.2
4.6.2.5.7
4-2、5.3
4.4、5.5
4.6.1.5. 7
判别水乎
抽样方案
—次抽样
不合格质重
水平(RQL)
样本数
6.2.2型式检验的样本,应从交收检验合格的某个批或若干批中随机抽取,备用样本由检验单位确定。6.2.3型式检验合格与不合格的判断按GB/T2829-1987的4.11规定执行。6.2.4型式检验后的处置按GB/T2829—1987的4.12规定执行。6.2.5型式检验的周期由各生产单位自定,或由供需双方协商决定。但发生下列情况之一时应进行型式检验。
a)新产品或老产品转厂生产的试制定型鉴定;b)正式生产后,如结构、材料、工艺有较大改变,可能影响产品性能时;c)正常生产时,定期或积累一定产量后应周期性进行一次检验;d)产品长期停产后,恢复生产时;e)出厂捡验结果与上次型式检验有较大差异时:f)国家质量监督机构提出进行型式检验时。6.2.6型式检验的抽样方案也可由检验部门与生产方商定。7包装、标志、运输和贮存
7.1游丝包装用白纸和纸盒分层包装。7.2每个包装上应有产品合格印章,并注明:a)制造厂名或标记;
b)型号和规格:
c)批号和数量;
d)检验员印章;
e)出广日期。
7.3产品在运输和贮存中,严禁压重物,必须轻拿轻放,以免损坏,并应防止潮湿和脑蚀性物质侵人。433
小提示:此标准内容仅展示完整标准里的部分截取内容,若需要完整标准请到上方自行免费下载完整标准文档。