首页 > 轻工行业标准(QB) > QB/T 2258—1996 机械式响铃定时器
QB/T 2258—1996

基本信息

标准号: QB/T 2258—1996

中文名称:机械式响铃定时器

标准类别:轻工行业标准(QB)

标准状态:现行

出版语种:简体中文

下载格式:.zip .pdf

下载大小:140350

相关标签: 机械式 定时器

标准分类号

关联标准

出版信息

相关单位信息

标准简介

QB/T 2258—1996.
QB/T 2258适用于以发条为动力源,以铃声作预定时段结束信号的日常生活用机械式定时器。
2引用标准
下列标准所包含的条文,通过在本标准中引用而构成为本标准的条文。本标准出版时,所示版本均为有效。所有标准都会被修订,使用本标准的各方应探讨使用下列标准最新版本的可能性。
GB/T 2828—1987逐批检查计数抽样程序及抽样表(适用于连续批的检查)
GB/T 2829—1987周期检查计数抽样程序及抽样表(适用于生产过程稳定性的检查)QB/T 1538—1992计时仪器产品代号编写规定﹑表、钟、定时器代号表示方法
3技术要求
3-1分类,编号31.1按结构分类
定时器按其擒纵调速器的不同分为:有固有周期振动和无固有周期振动两种结构形式。
3.1.2编号
编号方法按QB/T 1538—1992中4.3条的规定。
32工作可靠性
定时器应工作可靠,在室温环境下不允许有停摆、不雨、上条功能失灵等现象。
33定时闹误差
将定时器上满发条,对准满刻度﹐在工作位置上让其运走至起闹,其实际运走时间T与满刻度标志时间T。之差应不大于:
对有固有周期振动系统的定时器﹐其定时闹误差为T。的士4%﹔对无固有周期振动系统的定时器,其定时雨误差为T。的士15%。
3.4闹时延续时间
按规定方向上满发条后,将旋钮返回到定时结束位置时,定时器应发出铃声,闹时延续时间应不小于2.5 s。
3.5闹声
闹声应响度适当。
3.6对零偏差
旋钮在原始位置时的对零偏差和响闹时旋钮标记的对零偏差均应不大于士6°。
3.7上条性能
旋钮上条及强制回零应平稳可靠,上条转角应不小于满刻度值,主轴操作力矩应不大于0.45 N · m。

标准图片预览

QB/T 2258—1996 机械式响铃定时器
QB/T 2258—1996 机械式响铃定时器
QB/T 2258—1996 机械式响铃定时器
QB/T 2258—1996 机械式响铃定时器
QB/T 2258—1996 机械式响铃定时器

标准内容

QB/T2258-1996
本标准非等效采用意大利标准IHV-14-C1-707IRE烘箱用定时器》。本标准由中国轻工总会质量标准部提出。本标准由全国钟表标准化中心归口。本标准负责起草单位:广州钟厂;参加起草单位:杭州定时器总厂。本标准主要起草人:潘瑞炜,丁惠群、周定伟、杨掌顺。381
1范围
中华人民共和国轻工行业标准
机械式响铃定时器
QB/T 2258-—1996下载标准就来标准下载网
本标准规定了日常生活用机械式响铃定时器(以下简称定时器”)的要求、试验方法、检验规则及其标志、标签和包装。
本标准适用于以发条为动力源,以铃声作预定时段结束信号的日常生活用机械式定时器。2引用标准
下列标准所包含的条文,通过在本标准中引用而构成为本标准的条文。本标准出版时,所示版本均为有效。所有标准都会被修订,使用本标准的各方应探讨使用下列标准最新版本的可能性。GB/T2828—1987逐批检查计数抽样程序及抽样表(适用于连续批的检查)GB/T2829—1987周期检查计数抽样程序及抽样表(适用于生产过程稳定性的检查)QB/T1538一1992计时仪器产品代号编写规定表、钟、定时器代号表示方法3技术要求
3.1分类、编号
3.1.1按结构分类
定时器按其摘纵调速器的不同分为:有固有周期振动和无固有周期振动两种结构形式。3.1.2编号
编号方法按QB/T1538--1992中4.3条的规定。3.2工作可靠性
定时器应工作可靠,在室温环境下不允许有停摆、不闹,上条功能失灵等现象。3.3定时闹误差
将定时器上满发条,对准满刻度,在工作位置上让其运走至起闹,其实际运走时间T,与满刻度标志时间T。之差应不大于:
对有固有周期振动系统的定时器,其定时闹误差为T。的士4%,对无固有周期振动系统的定时器,其定时闹误差为T。的士15%。3.4闹时延续时间
按规定方向上满发条后,将旋钮返回到定时结束位置时,定时器应发出铃声,闹时延续时间应不小于2.5s。
3.5闹声
闹声应响度适当。
3.6对零偏差
旋钮在原始位置时的对零偏差和响闹时旋钮标记的对零偏差均应不大于士6°。3.7上条性能
旋钮上条及强制回零应平稳可靠,上条转角应不小于满刻度值,主轴操作力矩应不大于0.45N·m。中国轻工总会1996-11-15批准
HTKAoNiKAca
1997-07-01实施
3.8外观
QB/T 2258—1996
3.8.1机心与壳体的装配应牢固,旋钮(或上壳体)与下壳体的配合应相适应。3.8.2时间刻度应清晰均勾,符号标记应完整,3.8.3塑料外观件表面应光滑,上下壳体色泽均勾,不允许有明显裂纹、起泡、变形、毛边,在主要表面上不允许有明显影响美观的杂点、伤痕、异色,凹陷和交接纹。3.8.4外观件表面涂层不允许有露底、脱皮,起泡,在主要表面上不允许有明显影响美观的伤痕,麻点、起皱,金属件的表面上不充许有锈斑。3.9特殊要求
对产品的特殊要求,由供需双方协商解决。4试验方法
4.1试验条件及使用仪器精度
4.1.1试验时,定时器应在工作位置进行,试验温度为室温。4.1.2定时闹误差试验用日差不大于士1min的钟表作为标准钟表比对测试,闹时延续时间试验用质量等级为一等精度的秒表测定,主轴操作力矩用量程为0.5N·m的力矩仪测量。4.2定时闹误差、对零偏差
首先检查定时器在原始位置时旋钮的对零偏差,然后上满发条,将旋钮对准满刻度,定时器开始运行,同时记录标准钟表时间,让其运走直至起闹,再记录标准钟表的时间,然后计算出定时闹误差,同时观察响闹时旋钮标记的对零偏差,检查结果应符合3.3和3.6条的规定。4.3闹时延续时间、闹声
上满发条,然后反转使其起闹。用秒表测定起闹到停闹的时段值,复测一次,取其算术平均值。同时检查铃声响度,检查结果应符合3.4和3.5条的规定。4.4上条性能
将定时器按上条和回零方向各转动两周,检查旋钮的转动平稳可靠及上条转角,然后从零开始,按上条方向转动测试操作力矩,检查结果应符合3.7条的规定。4.5工作可靠性
在进行4.2~4.4条的试验过程中,应符合3.2条的规定。对定时闹误差大于定时全程(满刻度)30%的定时器应按可靠性不合格处理。4.6外观检查
在进行4.2、4.3、4.4条试验的同时,检查机心与壳体装配的牢固和相适应的情况。检查结果应符合3.8.1条的规定。
外观件的表面质量是利用室内一般自然光线(阴暗天气使用室内40W日光灯照明),距离约0.4m,以正常视力目测检查,检查结果应符合3.8.2、3.8.3、3.8.4条的规定。5检验规则
5.1定时器成品常规检验(出厂检验或交收检验)应由制造厂技术监督部门进行5.2常规检验的样本在成品库中抽取。开箱数按式(1)确定:开箱数一
√成品总箱数
抽样时按入库批号分配。
(取整数)
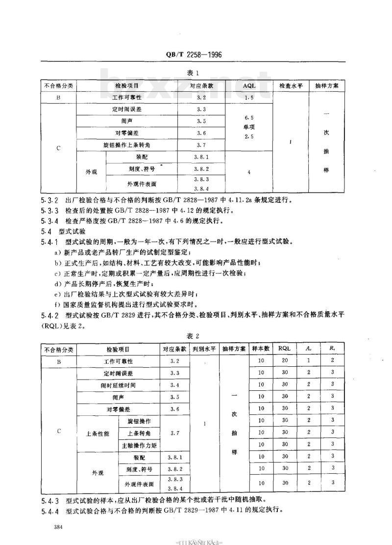
5.3出厂检验
5.3.1出厂检验按GB/T2828的规定进行。检验项目、不合格分类、抽样方案、合格质量水平(AQL)和检查水平(II.)见表1。
不合格分类
检验项目
工作可靠性
定时闹误差
对零偏差
旋钮操作上条转角
刻度、符号
外观件表面
QB/T 2258—1996
对应条款
检查水平
5.3.2出厂检验合格与不合格的判断按GB/T2828—1987中4.11.2a条规定进行。5.3.3检查后的处置按GB/T2828--1987中4.12的规定执行。5.3.4检查严格度按GB/T2828—1987中4.6的规定执行。5.4型式试验
5.4.1型式试验的周期,一般为一年一次,有下列情况之一时,一般应进行型式试验。a)新产品或老产品转厂生产的试制定型鉴定;b)正式生产后,如结构、材料、工艺有较大改变,可能影响产品性能时:c)正常生产时,定期或积累一定产量后,应周期性进行一次检验;d)产品长期停产后,恢复生产时;e)出厂检验结果与上次型式试验有较大差异时:f)国家质量监督机构提出进行型式试验要求时。抽样方案
5.4.2型式试验按GB/T2829进行,其不合格分类、检验项目、判别水平、抽样方案和不合格质量水平(RQL)见表2。
不合格分类
检验项目
工作可靠性
定时闹误差
闹时延续时间
对零偏差
旋钮操作
上条性能
上条转角
主轴操作力矩
刻度、符号
外观件表面
对应条款
判别水平
抽样方案
样本数
5.4.3型式试验的样本,应从出检验合格的某个批或若干批中随机抽取。RQL
5.4.4型式试验合格与不合格的判断按GB/T2829—1987中4.11的规定执行。384
TTiKAoNiKAca-
QB/T 2258—1996
5.4.5型式试验后的处置按GB/T2829—1987中4.12的规定执行。6标志、标签和包装
6.1标志
6.1.1出厂定时器的小包装上应标有:-产品名称;
生产厂名;
一商标;
产品型号:
一产品主要参数。
6.1.2在定时器的外包装箱上应标有:产品名称,
生产厂名;
一产品主要参数;
产品数量、重量、体积。
6.2标签
出厂的定时器必须有使用说明和检验合格证。使用说明的内容包括:产品名称、型号、商标;
一生产日期;
一制造单位:
一产品性能;
—使用方法,注意事项。
6.3包装
6.3.1每个定时器必须单个装人包装盒内,然后装入包装箱。包装箱应具有防潮、防震能力。6.3.2包装箱上应有擦不掉的“小心轻放”“怕湿”的标志或文字及有关规定的字样。包装件在运输过程中应小心轻放,避免雨淋、受潮和挤压。6.3.3包装件贮存时的仓库温度为~5-~40,相对湿度不高于75%。仓库应通风,干燥,防止雨雪、潮气和腐蚀性气体影响,不允许与腐蚀性物质和材料存放在一起。6.4其他
对标志、标签、包装有特殊要求的可由供需双方另行商定。385
小提示:此标准内容仅展示完整标准里的部分截取内容,若需要完整标准请到上方自行免费下载完整标准文档。