首页 > 轻工行业标准(QB) > QB/T 2194-1996 钢纸原纸
QB/T 2194-1996

基本信息

标准号: QB/T 2194-1996

中文名称:钢纸原纸

标准类别:轻工行业标准(QB)

标准状态:现行

出版语种:简体中文

下载格式:.zip .pdf

下载大小:105282

相关标签: 原纸

标准分类号

关联标准

出版信息

相关单位信息

标准简介

QB/T 2194-1996.
1范围
QB/T 2194规定了钢纸原纸的技术规范。
QB/T 2194适用于专供化学加工生产各种钢纸板及钢纸管的原纸。
2引用标准
下列标准所包含的条文,通过在本标准中引用面构成为本标准的条文。本标准出版时﹐所示版本均为有效。所有标准都会被修订,使用本标准的各方应探讨使用下列标准最新版本的可能性。
GB/T 450——1989纸和纸板试样的采取
GB/T 451.1——1989纸和纸板尺寸及偏斜度的测定法GB/T 451.2——1989
纸和纸板定量的测定法
GB/T 451.3---1989
纸和纸板厚度的测定法
GB/T 453——1989纸和纸板抗张强度的测定法(恒速加荷法)
GB/T 461.1—1989纸和纸板毛细吸液高度的测定法(克列姆法)GB/T 462——1989
纸和纸板水分的测定法
GB/T 463——1989
纸和纸板灰分的测定
GB/T 1541-1989
纸和纸板尘埃度的测定法
GB/T 2828—1987逐批检查计数抽样程序及抽样表(适用于连续批的检查)GB/T 10342——.1989纸张的包装和标志
GB/T 10739—1989纸浆﹑纸和纸板试样处理和试验的标准大气
3产品分类
3.1妳钢纸原纸按用途可分为Ⅰ、王、Ⅲ三种类型,Ⅰ型用于制造航空构件专用的硬钢纸板或软钢纸板;Ⅰ型用于生产钢纸管﹔Ⅲ型用于间歇或连续化钢纸机生产钢纸板、电气绝缘钢纸板、高强度钢纸板、厚钢纸板及棉条简钢纸板或卷简钢纸板。
3.2钢纸原纸为卷筒纸,卷简直径为600mm~800mm或按合同规定。
3.3卷筒宽度为Ⅰ型800mm , 1 500mm,1型800mm,Ⅲ型 1 450mm,1 500mm,1 600mm或按合同规定。幅宽偏差不超过士3mm。
4技术要求
4.1钢纸原纸的技术指标必须符合表l规定﹐或根据用户要求可生产其他吸水性或特殊要求的原纸。

标准图片预览

QB/T 2194-1996 钢纸原纸
QB/T 2194-1996 钢纸原纸
QB/T 2194-1996 钢纸原纸
QB/T 2194-1996 钢纸原纸

标准内容

QB/T 2194-1996
本标准非等效采用前苏联『OCT3436--1969《钢纸原纸》。本标准代替QB550-1981《钢纸原纸》,并将原标准五个品号根据用途分为1型、I型、Ⅱ型,增加了检验规则等部分内容。
本标准执行的是(50士2)%r.h。,(23士1)℃试验大气条件。本标由中国轻工总会食品造纸部提出。本标准由全国造纸标准化中心归口。本标准起草单位:牡丹江红旗造纸厂。本标准主要起草人:关生金、刘玉琴。自本标准实施之日起,原轻工业部部标准QB550—1981《钢纸原纸》作废。383
1范围
中华人民共和国轻工行业标准
钢纸原纸
本标准规定了钢纸原纸的技术规范。本标准适用于专供化学加工生产各种钢纸板及钢纸管的原纸。2引用标准
i KAoNi KAca-
QB/T 2194-—1996
下列标准所包含的条文,通过在本标准中引用而构成为本标准的条文。本标准出版时,所示版本均为有效。所有标准都会被修订,使用本标准的各方应探讨使用下列标准最新版本的可能性。GB/T450—1989纸和纸板试样的采取GB/T451.1—1989纸和纸板尺寸及偏斜度的测定法GB/T451.2—1989纸和纸板定量的测定法GB/T451.3-1989纸和纸板厚度的测定法GB/T453—1989纸和纸板抗张强度的测定法(恒速加荷法)纸和纸板毛细吸液高度的测定法(克列姆法)GB/T 461.1—1989
GB/T 462—1989
GB/T463-
GB/T 1541--1989
GB/T 2828—1987
纸和纸板水分的测定法
纸和纸板灰分的测定
纸和纸板尘埃度的测定法
逐批检查计数抽样程序及抽样表(适用于连续批的检查)GB/T 10342—1989
GB/T 10739—1989
3产品分类
纸张的包装和标志
纸浆、纸和纸板试样处理和试验的标准大气3.1钢纸原纸按用途可分为I、Ⅱ、Ⅱ三种类型,I型用于制造航空构件专用的硬钢纸板或软钢纸板;I型用于生产钢纸管;Ⅲ型用于间歇或连续化钢纸机生产钢纸板、电气绝缘钢纸板、高强度钢纸板、厚钢纸板及棉条筒钢纸板或卷筒钢纸板。3.2钢纸原纸为卷简纸,卷简直径为600mm~800mm或按合同规定。3.3卷筒宽度为1型800mm、1500mm,型800mm,Ⅱ型1450mm、1500mm、1600mm或按合同规定。幅宽偏差不超过士3mm。
4技术要求
4.1钢纸原纸的技术指标必须符合表1规定,或根据用户要求可生产其他吸水性或特殊要求的原纸。中国轻工总会1996-01-31批准
1996-09-01实施
横向定量差
裂断长
吸水性
指标名称
0.5mm2~2.0mm2不多于
12.0mm*~3. 0mm2不多于
3.0mm2以上
70g/m2
80g/m2
90g/m2
QB/T2194-1996此内容来自标准下载网
不大于
不大于
不小于
不小于
不大于
不大于
mm/10min
个/m2
生产非电气绝缘钢纸板的原纸灰分允许不超过2%。4. 1. 1
4.2钢纸原纸的外观质量应符合下列规定。型
45~55
不许有
35~45
4.2.1钢纸原纸为粉红色,根据定货合同可生产其他额色的原纸。4.2.2纸张应使用在氯化锌溶液中稳定的染料染色,纸张颜色应均一,同批纸张不许有明显的色泽不现象。
4.2.3纤维组织应均匀,不许有明显的云彩花,以订货时的标准纸样为准。4.2.4纸面应平整,不许有死折子、金属片、油污、破损、潮湿、纸边及其他影响使用的纸病。5试验方法
5.1定量按GB/T451.2的规定进行,用100mm×100mm样品测定横幅定量差。5.2紧度按GB/T451.3的规定进行。5.3裂断长按GB/T453的规定进行。5.4吸水性按GB/T461.1的规定进行。5.5灰分按GB/T463的规定进行。5.6水分按GB/T462的规定进行。5.7尘埃度按GB/T1541的规定进行测定。检验规则
6.1试样的采取及试验前处理按GB/T450和GB/T10739规定进行。6.2生产厂应保证所生产的纸张符合本标准的规定,以每次交货数量为一批。6.3用户有权按本标准检验产品是否符合要求,用户如对产品质量有异议,应在到货后三个月内向生产方提出,共同抽样复验或委托共同商定的检验部门进行复验,若不符合本标准规定,则判为批不合格。由生产厂方负责处理。
QB/T2194--1996
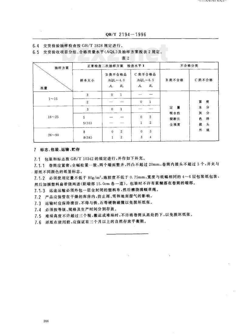
6.4交货检验抽样检查按GB/T2828规定进行。6.5交货验收项目分组、合格质量水平(AQL)及抽样方案按表2规定。表2
抽样方案
1~15
26~90
检查水平1
正常检查二次抽样方案
B类不合格品
样本大小
7标志、包装、运输、贮存
C类不合格品
iiKAoNiKAca-
不合格分类
B类不合格
吸水性
裂断长
尘埃度
C类不合格
7.1包装和标志按GB/T10342的规定进行,并作如下补充。7.1.1卷简应紧密,全幅松紧一致,两个端面整齐,凹凸不超过20mm,卷简内接头不超过3个,并夹与,原纸不同额色的纸签标志。
7.1.2必须使用定量不低于80g/m2,施胶度不低于0.75mm,宽度与纸幅相同的4~6层包装纸包装,然后加捆塑料扁带绕两道(距端部15.0cm各一道)。包装时不许有浆糊落在卷筒简的端部。7.1.3远途运输必须外包一层全封闭的塑料布,然后缠绕满幅草绳。7.2产品应保管在干燥的库房内,防止雨、雪和地面湿气的影响。7.3运输时应保持清洁,不得与铁、石等硬物碰撞以免损坏纸张。7.4必须按等级、规格及生产时间分别存放。7.5堆垛高度不许超过三个辊,搬运或堆垛时,不许将卷简从高处扔下,以免损坏纸张。7.6原纸在使用前,应保证有三个月以上的自然存放平衡期。386
小提示:此标准内容仅展示完整标准里的部分截取内容,若需要完整标准请到上方自行免费下载完整标准文档。