首页 > 轻工行业标准(QB) > QB/T 2205-1996 重氮盐正象晒图纸
QB/T 2205-1996

基本信息

标准号: QB/T 2205-1996

中文名称:重氮盐正象晒图纸

标准类别:轻工行业标准(QB)

标准状态:现行

出版语种:简体中文

下载格式:.zip .pdf

下载大小:129358

标准分类号

关联标准

出版信息

相关单位信息

标准简介

QB/T 2205-1996.
1范围
QB/T 2205规定了重氮盐正象晒图纸的技术规范。
QB/T 2205适用于以透明或半透明原稿进行接触复印并经过氨熏显影后直接得到正象的重氮盐感光纸。
2引用标准
下列标准所包含的条文,通过在本标准中引用而构成为本标准的条文。本标准出版时,所示版本均为有效。所有标准都会被修订,使用本标准的各方应探讨使用下列标准最新版本的可能性。
GB/T 450--1989纸和纸板试样的采取
GB/T 457---1989纸耐折度的测定法
GB/T 2828—1987逐批检查计数抽样程序及抽样表(适用于连续批的检查)GB/T 7974—-1987纸及纸板白度测定法(漫射/垂直法)
GB/T 8940.1——1988纸和纸板白度测定法45/0定向反射法GB/T 10342-—1989纸张的包装和标志
GB/T 10739一1989纸浆、纸和纸板试样处理和试验的标准大气QB/T 3506—1999晒图原纸
3产品分类
3.1晒图纸为卷筒纸。
4技术要求
4.1晒图纸应使用符合QB/T 3506规定的晒图原纸制成。
4.2卷筒晒图纸的规格为宽度930 mm,880 mm,630 mm或按合同规定生产。
4.3晒图纸的技术指标应符合表1规定。
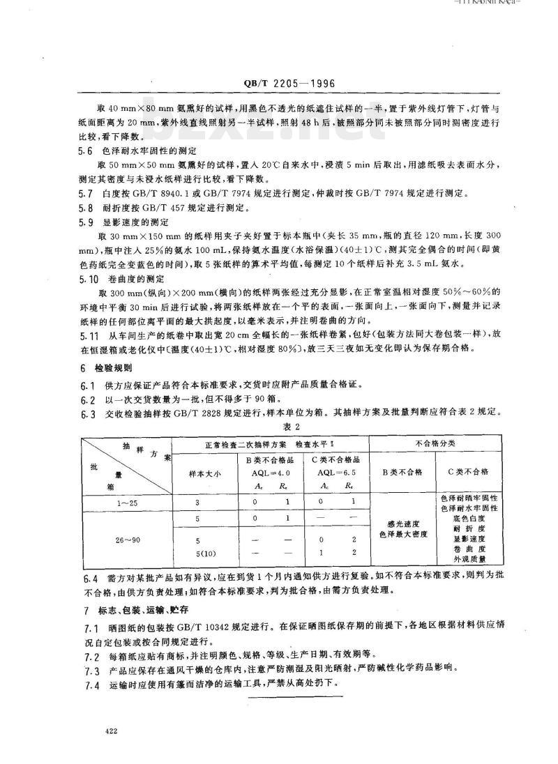
5.6色泽耐水牢固性的测定
取50 mm×50 mm氨熏好的试样﹐置入20℃自来水中,浸渍5 min后取出,用滤纸吸去表面水分,测定其密度与未浸水纸样进行比较,看下降数。
5.7白度按GB/T 8940.1或GB/T 7974规定进行测定﹐仲裁时按GB/T 7974规定进行测定。
5.8 耐折度按GB/T 457规定进行测定。
5.9显影速度的测定
取30 mm× 150 mm的纸样用夹子夹好置于标本瓶中(夹长 35 mm,瓶的直径120 mm,长度300mm),瓶中注入25%的氨水100 mL,保持氨水温度(水浴保温)(40士1)℃,测其完全偶合的时间(即黄色药纸完全变蓝色的时间),取5张纸样的算术平均值,每测定10个纸样后补充3.5 mL氨水。
5.10 卷曲度的测定
取300 mm(纵向)×200 mm(横向)的纸样两张经过充分显影,在正常室温相对湿度50%~60%的环境中平衡30 min后进行试验,将两张纸样放在一-个平的表面,一张面向上,一张面向下,测量并记录纸样的任何部位离平面的最大拱起度,以毫米表示,并注明卷曲的方向。
5.11从车间生产的纸卷中取出宽20 cm全幅长的一张纸样卷紧﹐包好(包装方法同大卷包装一样),放在恒湿箱或老化仪中(温度(40士1)℃,相对湿度80%),放三天三夜如无变化即认为保存期合格。
6检验规则
6.1供方应保证产品符合本标准要求,交货时应附产品质量合格证。
6.2以一次交货数量为一批,但不得多于90箱。
6.3交收检验抽样按GB/T2828规定进行,样本单位为箱。其抽样方案及批量判断应符合表2规定。

标准图片预览

QB/T 2205-1996 重氮盐正象晒图纸
QB/T 2205-1996 重氮盐正象晒图纸
QB/T 2205-1996 重氮盐正象晒图纸
QB/T 2205-1996 重氮盐正象晒图纸

标准内容

QB/T 2205—1996
本标准对QB738一1980《重氮盐正象晒图纸》进行了确认,其内容主要变动如下:根据GB/T1.1--1993《标准化工作导则第1单元:标准的起草与表述规则第1部分:标准
编写的基本规定》进行编写。
采用了23℃、50%相对湿度的大气条件。技术要求中对耐折度进行了相应调整。在检验规则中采用GB/T2828—1987《逐批检查计数抽样程序及抽样表(适用于连续批的检查)》规定进行。
本标准由中国轻工总会食品造纸部提出。本标准由全国造纸标准化中心归口。本标准起草单位:北京造纸一厂。本标准主要起草人:裘刚毅。
自本标准实施之日起,原轻工业部部标准QB738—1980《重氮盐正象晒图纸》作废。419
1范围
中华人民共和国轻工行业标准
重氮盐正象晒图纸
本标准规定了重氮盐正象晒图纸的技术规范,- KAoNi KAca-
QB/T 2205—1996
本标准适用于以透明或半透明原稿进行接触复印并经过氮熏显影后直接得到正象的重氮盐感光纸。
2引用标准
下列标准所包含的条文,通过在本标准中引用而构成为本标准的条文。本标准出版时,所示版本均为有效。所有标准都会被修订,使用本标准的各方应探讨使用下列标准最新版本的可能性。GB/T450-1989纸和纸板试样的采取GB/T 457.--1989
纸耐折度的测定法
GB/T 2828—1987
GB/T 7974—-1987
逐批检查计数抽样程序及抽样表(适用于连续批的检查)纸及纸板白度测定法(漫射/垂直法)GB/T 8940.1—1988
纸和纸板白度测定法
45/0定向反射法
GB/T 10342--1989
GB/T 10739—1989
QB/T 3506—1999
3产品分类
3.1晒图纸为卷筒纸。
4技术要求
纸张的包装和标志
纸浆、纸和纸板试样处理和试验的标准大气晒图原纸
晒图纸应使用符合QB/T3506规定的晒图原纸制成。4.1
4.2卷筒晒图纸的规格为宽度930mm、880mm、630mm或按合同规定生产。4.3晒图纸的技术指标应符合表1规定。表1
指标名称
感光速度
色泽最大密度
色泽耐晒牢固性
不小于
不小于
中国轻工总会1996-03-22批准
60~70
1996-12-01实施
指标名称
色泽耐水牢固性
底色白度
耐折度(往复次数)
显影速度
卷曲度
不小于
不小于
不小于
不大于
不大于
QB/T2205—1996
表1完)
4.4纸面应平整,纸的表面感光层涂布均勾,不许有白点、斑点、褶子、皱纹、药渍。4.5晒图纸复印时应具有清晰的线条(2mm2小字和0.1mm的线条肉眼观察清楚)。蓝线
4.6接头前后的纸幅长度不小于10m,每出现一个接头应在纸卷中补上1m,接头应整齐,并加标志。4.7晒图纸在显影前保存期应不少于6个月(应严格控制水分)。4.8有下列情况者可列为二等品,但不得同时超过两项。a)涂布不均匀,但曝光后底色仍清晰者;b)纸面上不大于1 cm2的白点,斑点(按最大长度测量)在1m2内有三个以内者,但每卷1 00m不多于50个;
c)纸面上深色条痕长度不大于15cm,宽度不大于3cm,每卷100m不多于3处;d)纸的一边有宽度在5mm以内的裂口及宽度在1cm以内的药溃;e)每卷纸接头数为两个以内者。5试验方法
5.1试样的采取按GB/T450规定进行。5.2试样的处理按GB/T10739规定进行。5.3感光速度的测定
5.3.1仪器
a)青光日光灯管(20W,照度25001x±1001x,温度35℃~40℃)10支;b)带有弹性的压纸架;
c)不透光板;
d)秒表;
e)氨熏筒。免费标准bzxz.net
5.3.2试验步骤
将晒图纸涂药面向下,用下面方法进行测定,光源与药物之间放一不透光板(如黑纸板、薄铁板等),每隔5s向外移动15cm左右,然后进行氨熏,确定感光速度多少秒。5.4色泽最大密度的测定
取两张(横幅对折)100mm×100mm完全未曦光经过充分显影的纸样,用密度计测其对角线上五个点的密度值,取其算术平均值为该纸的最大密度。5.5色泽耐晒牢固性的测定
5.5.1仪器
紫外灯管(30W、电压220V)1支,置于涂白色漆料的铁皮灯罩内。5.5.2试验步骤
QB/T2205—1996
ikAoNiKAca-
取40mm×80mm氨熏好的试样,用黑色不透光的纸遮住试样的-一半,置于紫外线灯管下,灯管与纸面距离为20mm,紫外线直线照射另一半试样,照射48h后,被照部分同未被照部分同时测密度进行比较,看下降数。
5.6色泽耐水牢固性的测定
取50mm×50mm氨熏好的试样,置入20℃自来水中,浸渍5min后取出,用滤纸吸去表面水分,测定其密度与未浸水纸样进行比较,看下降数。5.7白度按GB/T8940.1或GB/T7974规定进行测定,仲裁时按GB/T7974规定进行测定。5.8耐折度按GB/T457规定进行测定。5.9显影速度的测定
取30mm×150mm的纸样用夹子夹好置于标本瓶中(夹长35mm,瓶的直径120mm,长度300mm),瓶中注人25%的氮水100mL,保持氨水温度(水浴保温)(40士1)℃,测其完全偶合的时间(即黄色药纸完全变蓝色的时间),取5张纸样的算术平均值,每测定10个纸样后补充3.5mL氨水。5.10卷曲度的测定
取300mm(纵向)×200mm(横向)的纸样两张经过充分显影,在正常室温相对湿度50%~~60%的环境中平衡30min后进行试验,将两张纸样放在一个平的表面,一张面向上,一张面向下,测量并记录纸样的任何部位离平面的最大拱起度,以毫米表示,并注明卷曲的方向。5.11从车间生产的纸卷中取出宽20cm全幅长的一张纸样卷紧,包好(包装方法同大卷包装一样),放在恒湿箱或老化仪中温度(40士1)℃,相对湿度80%】,放三天三夜如无变化即认为保存期合格。6检验规则
6.1供方应保证产品符合本标准要求,交货时应附产品质量合格证。6.2以一次交货数量为一批,但不得多于90箱。6.3交收检验抽样按GB/T2828规定进行,样本单位为箱。其抽样方案及批量判断应符合表2规定。表2
1~25
正常检查二次抽样方案检查水平ⅡB类不合格品
样本大小
C 类不合格品
AQL = 6. 5
不合格分类
C类不合格
B类不合格
色泽耐晒牢固性
色泽耐水牢固性
感光速度
色泽最大密度
底色白度
耐折度
显影速度
卷曲度
外观质量
6.4需方对某批产品如有异议,应在到货1个月内通知供方进行复验。如不符合本标准要求,则判为批不合格,由供方负资处理;如符合本标准要求,判为批合格,由需方负责处理。7标志、包装、运输、贮存
7.1晒图纸的包装按GB/T10342规定进行。在保证晒图纸保存期的前提下,各地区根据材料供应情况自定包装或按合同规定进行。7.2每箱纸应贴有商标,并注明颜色、规格、等级、生产日期、有效期等。7.3产品应保存在通风干燥的仓库内,注意严防潮湿及阳光晒射,严防碱性化学药品影响。7.4运输时应使用有篷而洁净的运输工具,严禁从高处扔下。422
小提示:此标准内容仅展示完整标准里的部分截取内容,若需要完整标准请到上方自行免费下载完整标准文档。