首页 > 轻工行业标准(QB) > QB/T 2070-1994 造纸机用铸铁压榨辑设计规定
QB/T 2070-1994

基本信息

标准号: QB/T 2070-1994

中文名称:造纸机用铸铁压榨辑设计规定

标准类别:轻工行业标准(QB)

标准状态:现行

出版语种:简体中文

下载格式:.zip .pdf

下载大小:160013

相关标签: 造纸机 铸铁 压榨 设计 规定

标准分类号

关联标准

出版信息

相关单位信息

标准简介

QB/T 2070-1994.
1主题内容与遗用范圜
QB/T 2070规定了造纸用俦铁压榨棍和托辗设计的符号,代号、基本要求和设计计算方法。
QB/T 2070适用于直径小于或等于1 000 mm,幅宽小于6 200 mm,工作线压低于100 N/mm带有闷头的铸铁压榨辗和托棍。不带闷头的压榨辐、托辗亦应参照使用。
2引用标准
GB/T 699优质碳素结构钢技术条件GB 5799造纸机械辗简与烘缸动平衡GB/T 9439灰铸铁件
QB/T 1422.3造纸机械用普通铸铁辐技术条件
3符号及代号
3.1结构及说明
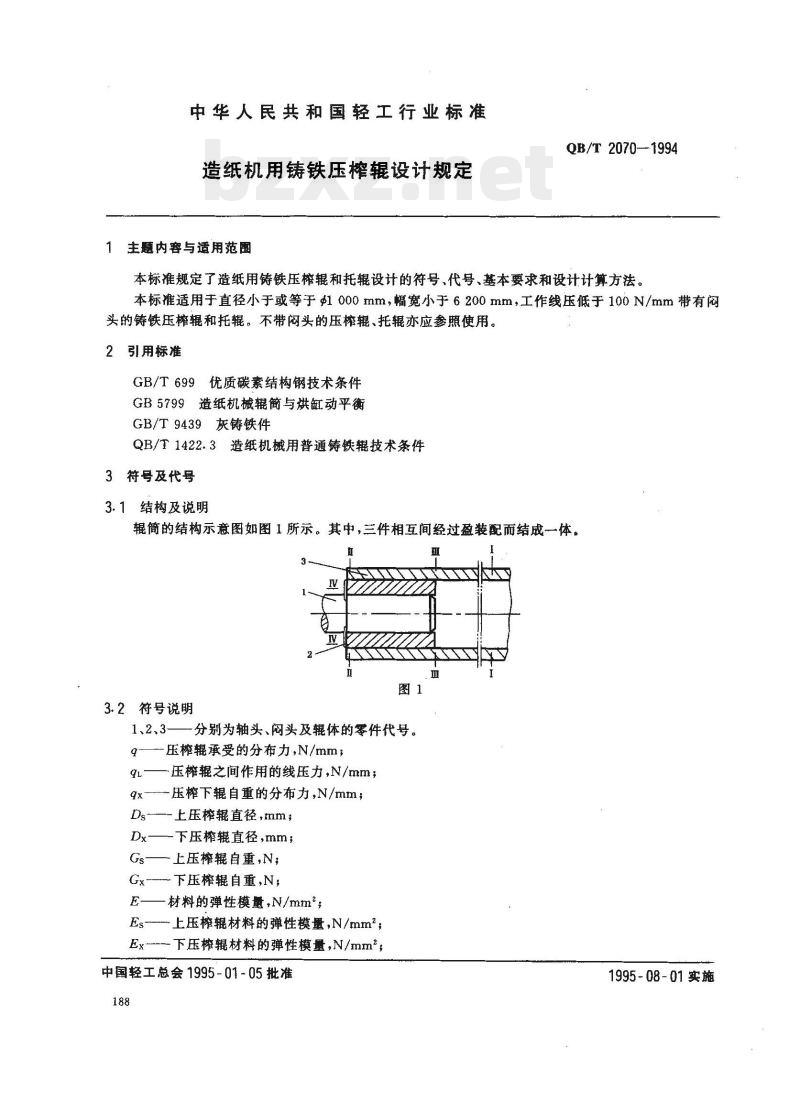
辑筒的结构示意图如图1所示。其中,三件相互间经过盈装配而结成一体。
K—-双棍压榨或复式压榨中,辑组的总中高度,mm;K,K;K—-一-复式压榨中各辑的中高度,mn;
Q—辗筒线压力的合力,N(Q=qL- b);
—---上、下压榨辑中心联线与垂线的夹角﹔D,——一辐体外直径,mm;
Df’一一辗体内直径,mm;
D—一闷头的外直径,mm(D,=D。');D'——闷头的内直径,mm;
d——轴头直径,mm(d=D:')﹔k--—闷头的内、外直径之比;——--辐体的内、外直径之比;
8,,e—--轴头与闷头间的直径过盈量,mm ;
2.3—---轴头-闷头组合体与辑体间的直径过盈量,mm ,6——在工作载荷下的弯曲正应力,MPa ;
t。——在工作载荷下的弯曲剪应力,MPa ,m——由过盈装配产生的弯曲正应力,MPa ;m-—-由过盈装配产生的弯曲剪应力,MPa ;
-1—--材料在对称循环下的持久极限(正应力),MPa ,t- :——--材料在对称循环下的持久极限(剪应力),MPa ,(a〕——-材料的许用(正)应力,MPa。
4甚本要求
4.1装配过盈量的要求
轴头与闷头装配、轴头-闷头组合体与辗体装配后,对包容件,应满足强度要求;在配合面之间,其接触压强数值,应传递足够的转矩,以保证压榨辐正常工作。
4.2对于辗体与闷头相配合的辗体的孔上和对于闷头与轴头相配合的闷头的孔上,由于加工误差产生的锥度,其孔径允许外端面小,内端面大,而不能反之。
4.3 配合面的表面粗糙度,其轮廓算术平均偏差R。应小于3.2 um。
4.4轴头非配合部分的直径d'应小于配合直径并以圆弧过渡,通常可取g≥1.05,圆弧半径可取r≥(0.05~~0. 1)d且不小于5 mm。

标准图片预览

QB/T 2070-1994 造纸机用铸铁压榨辑设计规定
QB/T 2070-1994 造纸机用铸铁压榨辑设计规定
QB/T 2070-1994 造纸机用铸铁压榨辑设计规定
QB/T 2070-1994 造纸机用铸铁压榨辑设计规定
QB/T 2070-1994 造纸机用铸铁压榨辑设计规定

标准内容

中华人民共和国轻工行业标准
造纸机用铸铁压榨辊设计规定
主题内容与适用范围
QB/T 2070—1994
本标规定了造纸用铸铁压榨辊和托辊设计的符号、代号、基本要求和设计计算方法。本标准适用于直径小于或等于1000mm,幅宽小于6200mm,工作线压低于100N/mm带有闷头的铸铁压榨辊和托辊。不带闷头的压榨辊、托辊亦应参照使用。2引用标准
GB/T699优质碳素结构钢技术条件GB5799造纸机械辊簡与烘缸动平衡GB/T9439灰铸铁件
QB/T1422.3造纸机械用普通铸铁辊技术条件3符号及代号
3.1结构及说明
辊筒的结构示意图如图1所示。其中,兰件相互间经过盈装配而结成一体。打
3.2符号说明
1.2、3—
分别为轴头、闷头及辊体的零件代号。q压榨辊承受的分布力,N/mm
一压榨辊之间作用的线压力,N/mm;qu
qx-—压榨下辊自重的分布力,N/mm;Ds--上压榨辊直径,mm;
Dx—下压榨辊直径,mm;
Gs—上压榨辊自重,N;
Gx下压榨辊自重,N;
E——材料的弹性模量,N/mm\;
Es---上压榨辊材料的弹性模量,N/mm\;Ex---下压檐辊材料的弹性模量,N/mm中国轻工总会1995-01-05批准
1995-08-01实施
一辑简横截面的轴惯性矩,mm;QB/T 20701994
一上压榨辊横截面的轴惯性矩,mm*;一下压榨辊横截面的轴惯性矩,mmt;辊轴承间距,mm;
辊工作面宽度,mm;
过盈配合中,包容件与被包容件的配合长度,mm;辊筒挠度,mm;
Ys-双辊压榨中,上辊的挠度,mm;Yx-双辊压榨中,下辊的挠度,mm;Yi、Y2、Y3—复式压榨(这里指三辊二压区)中各辊的挠度,mm,辊的相对挠曲率;
[们—-—辊的许用相对挠曲率;
K—双辊压榨或复式压榨中,辊组的总中高度,mm;K,、Kz、K复式压榨中各辊的中高度,mm,Q-—辊简线压力的合力,N(Q=qL·b);—上、下压榨辊中心联线与垂线的夹角;D:辊体外直径,mm;
D——辊体内直径,mm;
Dz—一闷头的外直径,mm(Dz一D:');D
-闷头的内直径,mm;
d—轴头直径,mm(d=Dz);
一头的内、外直径之比;
—辑体的内、外直径之比;
3,2—-轴头与闷头间的直径过盈量,mm,2. —--轴头-闷头组合体与辊体间的直径过盈量,mm;a.—一在工作载荷下的弯曲正应力,MPa;a
在工作载荷下的弯曲剪应力,MPa;一由过盈装配产生的弯曲正应力,MPa;d
由过盈装配产生的弯曲剪应力,MPa;材料在对称循环下的持久极限(正应力),MPa;t-1—-材料在对称循环下的持久极限(剪应力),MPas【]——-材料的许用(正)应力,MPa。4基本要求
4.1装配过盈量的要求
-i KAoNni KAca-
轴头与闷头装配、轴头-闷头组合体与辊体装配后,对包容件,应满足强度要求,在配合面之间,其接触压强数值,应传递足够的转矩,以保证压榨辊正常工作。4.2对于辊体与闷头相配合的辊体的孔上和对于闷头与轴头相配合的头的孔上,由于加工误差产生的锥度,其孔径允许外端面小,内端面大,而不能反之。4.3配合面的表面粗糙度,其轮廊算术平均偏差R。应小于3.2um。d.
4.4轴头非配合部分的直径d'应小于配合直径并以圆孤过渡,通常可取≥1.05,圆孤半径可取
r≥(0. 05~0. 1)d 且不小于 5 mm。189
4.5材质及热处理
QB/T 2070—1994
4.5.1辊体、阀头与平衡盘材质应符合QB/T1422.3的规定,辊体与闷头不低于HT200,工作线压大于80N/mm时,应选用HT300;平衡盘不低于HT150。轴头材料机械性能亦应符合QB/T1422.3的规定。钢号不低于45。4.5.2辊体铸造后应做消除铸造应力的处理。4.5.3轴头应调质或锻后正火。
4.6辊简平衡
转速大于100r/min或线速大于150m/min,进行动平衡,平衡品质不低于GB5799规定的G级。4.7辊簡在工作中应满足刚度要求,即相对挠曲率。(1)
384 ET(12 I - 76)
0:对毛毯洗涤压榨辑()取3 000~400.1
g取 000~000
4.8辊简的中凸度和中高度要求
4.8.1辊简外表面轮廓应符合中凸度(Convexity)要求。4.8.2辊简中高度(Crown)K的计算。4.8.2.1托辊辊简中高度的计算
K—2Y
双辊压榨的压榨辊辊簡中高度的计算K = 2(Ys + Yx)
(Q -- Gseay)62
(12 l - 7b)mm
384 EsIs
(Q + Gxtcr)b2
(12 1- 76)mm
384 ExIx
上辊的中高度分配计算:
K,= K Ds+Dx
下辊的中高度分配计算:
4.8.2.3复式压榨中,各中高度的计算及分配a.根据已知条件求得各辊的载荷和挠度(Yi、Y2、Y);.(2)
(4)
·(6)www.bzxz.net
·(8)
对于位于中间的辊简(称第2辊,一般为固定辊),计算出其挠度Y2后,将Y分解为沿两个压区邻辊中心线的两个分量,即分解为Y21和Y21。其中Y2.为第2辊在第1压区的两辊(1,2)中心联线方向的挠度;Y2为第2辊在第1压区的两辊(2,3辊)中心联线方向的挠度。b。先按线压较低的那个压区计算出相邻两辊的中高度(如为第I压区)并按辊直径成比例的原则来分配各辊的中高度;
第1辊的中高度:
第2辑的中高度:
K, = 2(YI + Yat) D +D,
( 10)
QB/T 2070--1994
K, == 2(Y + Y21)
c.第3辊的中高度K,由下式确定:D2
K,=2[(Y,±Y21)+(Y±Y21))2K,-K,式中:当Y,与Y的方向相同时,为减号,反之为加号,Y与Y2的关系,亦按此原确定。复式压榨结构辊组的总中高度:K=K, +2K2+K3
5铸铁压榨的设计计算
5.1压檐(下)辑的受力简图,如图2。VI
00711779
=Vqi+q+21cosy
5.2辊体(代号3)的设计计算
5.2. 1辊体壁厚 H 的确定。
D:+ D'
式中:D-—由工艺设计确定。
a.按危险截面1-I确定D3
D' = K,D3
式中:【a)
4qb(21 - b)
KAoNiKAca-
(11))
(13)
(14)
(15)
(16)
(17)
-辊体材料的许用应力。对铸铁HT200,取为20MPa,对铸铁HT300,取为25MPa。按危险截面I-1的强度条件:
H, DD
b。按危险截面直-I(辊体外端截面)确定内径D根据(19)式及图3查找K3:
≥550l
根据式(16)求出D;
按危险截面直-1的强度条件:
D- D's
(18)
(19)
(20)
如H,>H,则H取Hi,如H,5.2.2强度验算:对截面置-做强度验算。强度条件:
式中α---
取0.45b;
-取1.6;
4—取0.1;
—取2.5。
QB/T 20701994
n.a.K.omy.≥n
式中;M-在工作载荷下,且-亚截面的弯矩,N·mm,We-该截面的抗弯截面模量,mm\;Om——取 25 MPa。
计算出的n。若大于或等于规定的安全系数n,为满足强度要求。5.3头(代号2)壁厚的确定
强度条件:
根据图3,可查找K2。
5.4轴头(代号1)强度校核
1+≥600
D, = K,D(D= D')
对图2之N-N截面按(25)式进行强度校核:n,
式中:t-1
取0.6g-1,
——取0.01;
取8MPa;
—--取 294 MPa;
a-1—
—取8。
.......( 22 )
·(23)
(24)
(25)
式中:A—该截面的横截面面积。5.5直径过盈量的确定
QB/T 2070—1994
5.5.1由辊体与轴头-阀头组合体直径过盈量32.a的确定(以毫米为单位)。a,最小直径过盈量(22.3)的确定:(02.a)min (360×10*)
b,最大直径过盈量(32+3)的确定。Q
D,K.S(1- K)
D,K,to
(02.a)mx≤(2 × 10-5)
式中:【-—-取80 MPa(对铸铁HT 200);Co] ---取 120 MPa(对铸铁HT 300)。1+
5.5.2轴头与闪头装配时,直径过盈量(81.2)的确定(以毫米为单位)。a.最小直径过盈量(o12)min的确定:(350 × 10-*)QD,K,0.8(1 - K)(22.)minDKS(01,2)rain ≥
D,K,D,KS(1 - K)
b,最大直径过盈量(1.a)max的确定。(01.2)mx≤(2 ×10-5)
附加说明:
本标由中国轻工总会质量标准部提出。本标推由全国轻工机械标推化技术委员会归口。本标准由天津轻工业学院负责起草。本标准主要起草人舒同林、苗德华、张东竣、顾德全。-i KAoNi KAca-
+( 26)
(27)
·(28)
·(29)
(30)
小提示:此标准内容仅展示完整标准里的部分截取内容,若需要完整标准请到上方自行免费下载完整标准文档。