首页 > 轻工行业标准(QB) > QB/T 2779-2006 鞋面用聚氯乙烯人造革
QB/T 2779-2006

基本信息

标准号: QB/T 2779-2006

中文名称:鞋面用聚氯乙烯人造革

标准类别:轻工行业标准(QB)

标准状态:现行

出版语种:简体中文

下载格式:.zip .pdf

下载大小:221515

相关标签: 鞋面 聚氯乙烯 人造革

标准分类号

关联标准

出版信息

相关单位信息

标准简介

QB/T 2779-2006.
1范围
QB/T 2779规定了鞋面用聚氯乙烯人造革的分类、要求、试验方法、检验规则、标志和包装、运输、贮存。
QB/T 2779适用于非织造布、机织布和针织布为底基,以聚氯乙烯树脂为主要原料,加入增塑剂和其他添加剂经压延或涂覆等工艺方法而制成的鞋面用聚氯乙烯人造革。
2规范性引用文件
下列文件中的条款通过本标准的引用而成为本标准的条款。凡是注日期的引用文件,其随后所有的修改单(不包括勘误的内容)或修订版均不适用于本标准。然而,鼓励根据本标准达成协议的各方研究是否可使用这些文件的最新版本。凡是不注日期的引用文件,其最新版本适用于本标准。
GB/T 1539-1989纸板耐破度的测定法(eqv ISO 2759: 1983)
GB/T 2828.1一2003计数抽样检验程序第1部分:按接收质量限(AQL)检索的逐批检验抽样计划(ISO 2859-1 : 1999,IDT)
GB/T 2918-1998塑料试样状态调节和试验的标准环境(idt 1SO 291: 1997)
GB/T 3920—1997纺织品色牢度试验耐摩擦色牢度(eqv ISo 105-X12 :1993)GB/T 7565-1987纺织品色牢度试验棉和粘纤标准贴衬织物规格
GB/T 8808-1998软质复合塑料材料剥离试验方法
GB/T 8948—1994聚氯乙烯人造革Lneq JIS K6672-1976 ( 1984)1GB/T 13022-1991塑料薄膜拉伸性能试验方法(neq ISO 1184: 1983》HG/T 2-162---1965塑料低温冲击压缩试验方法
QB/T 2714-2005皮革物理和机械试验耐折牢度的测定
3分类
产品按布基编织方法分类,见表1。

标准图片预览

QB/T 2779-2006 鞋面用聚氯乙烯人造革
QB/T 2779-2006 鞋面用聚氯乙烯人造革
QB/T 2779-2006 鞋面用聚氯乙烯人造革
QB/T 2779-2006 鞋面用聚氯乙烯人造革
QB/T 2779-2006 鞋面用聚氯乙烯人造革

标准内容

ICS59.080.40
分类号:Y47
备案号:18401-2006
中华人民共和国轻工行业标准免费标准下载网bzxz
QB/T2779—2006
鞋面用聚氯乙烯人造革
Polyvinyl chloride artificial leather for shoe upper2006-08-19发布
中华人民共和国国家发展和改革委员会2006-12-01实施
KANrKAca=
QB/T2779-2006
请注意本标准的某些内容可能涉及专利。本标准发布机构不应承担识别这些专利的责任。本标准对应于日本工业标准JSK6772一1976(1989)《聚氯乙烯人造革》,本标准与JISK67721976(1989)的一致性程度为非等效。本标准与JISK6772—1976(1989)的差异如下:在JISK6772-1976(1989)中规定的产品没有发泡层,而本标准规定的产品有发泡层。在JSK6772一1976(1989)中未规定耐折牢度、破裂负荷和耐揉搓性的指标及试验方法。而本标准在物理力学性能中增加了耐折牢度、破裂负荷和耐揉搓性的指标及试验方法,其中破裂负荷和耐揉搓性作为附录(资料性附录)。本标准的附录A、附录B为资料性附录。本标准由中国轻工业联合会提出。本标准由全国塑料制品标准化技术委员会归口。本标准主要起草单位:温州五洲人造革有限公司。本标准参与起草单位:温州隆兴人造革有限公司、浙江龙跃科技有限公司、佛山塑料集团股份有限公司双龙分公司。
本标准主要起草人:陈仁通。
本标准首次发布。
1范围
鞋面用聚氯乙烯人造革
QB/T2779-2006
本标准规定了鞋面用聚氯乙烯人造革的分类、要求、试验方法、检验规则、标志和包装、运输、存。
本标准适用于非织造布、机织布和针织布为底基,以聚氯乙烯树脂为主要原料,加入增塑剂和其他添加剂经压延或涂覆等工艺方法而制成的鞋面用聚氯乙烯人造革。2规范性引用文件
下列文件中的条款通过本标准的引用而成为本标准的条款。凡是注日期的引用文件,其随后所有的修改单(不包括勘误的内容)或修订版均不适用于本标准。然而,鼓励根据本标准达成协议的各方研究是否可使用这些文件的最新版本。凡是不注日期的引用文件,其最新版本适用于本标准。GB/T1539-1989纸板耐破度的测定法(eqvISO2759:1983)GB/T2828.1-2003计数抽样检验程序第1部分:按接收质量限(AQL)检索的逐批检验抽样计划(ISO2859-1:1999,IDT)GB/T2918-1998
塑料试样状态调节和试验的标准环境(idtISO291:1997)纺织品色牢度试验耐摩擦色牢度(eqvISO105-X12:1993)GB/T3920-1997
GB/T7565-1987
纺织品色牢度试验棉和粘纤标准贴衬织物规格GB/T8808-1998车
软质复合塑料材料剥离试验方法聚氯Z烯人造革[negJISK6672-1976(1984)]GB/T8948—1994
GB/T13022—1991
HG/T2—162—1965
塑料薄膜拉伸性能试验方法(neqISO1184:1983)塑料低温冲击压缩试验方法
皮革物理和机械试验耐折牢度的测定QB/T2714-2005
3分类
产品按布基编织方法分类,见表1。表1分类
4要求
4.1规格
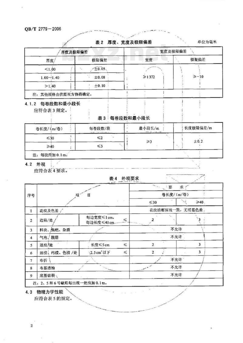
4.1.1厚度、宽度及极限偏差
应符合表2规定。
布基品种
机织布、非织造布
针织布
QB/T2779-2006
/厚度及极限偏差
厚度/
1.00~1.40
厚度、宽度及极限偏差
极限偏差
注:其他规格由供需双方协商确定。4.1.2每卷段数和最小段长
应符合表3规定。
≥1372
表3每卷段数和最小段长
卷长度/(m/卷)
注:每段应加0.1m。
4.2外观
应符合表4要求。
花纹及色差
边陷/处,
料块、焦疱、杂质
气泡、脱层
道痕/处
油渍!污渍、色渍/处
布基透油
底基破裂
每卷段数/段
最小段长/m
表4外观要求
宽度及极限偏差
KAoNrKAca
单位为毫米
极限偏差
;长度极限偏差/m
卷长度/(m/卷)
花纹清晰深浅一致,无明显色差每边宽度≤1cm,
每边长度≤40cm
长度≤5cm
12.5cm以下
注:2、5和6号缺陷每出现一处应加0.1m。4.3物理力学性能
应符合表5的规定。
不允许
不允许
不允许
不允许
不充许
拉伸负荷/N
断裂伸长率/%
撕裂负荷/N
剥离负荷/N
表面颜色牢度/级
耐热木黏着性
耐寒性
老化性
耐折牢度
纬向、
23℃,3万次
-10℃,5000次
表5物理力学性能
1.00~1.40
厚度/mm
QB/T2779-2006
≥15或不可剥离
表面无异状
表面不裂
表面不裂
无裂口
无裂口
注:耐揉搓性和破裂负荷带由供需双方协商确定的,指标及试验方法参见附录A(资料性附录)和附录B(资料性附录)。
5试验方法
试样的裁取
从产品沿经向裁取1m以上作为样品。按图1在样品纬向两端各除去宽50mm后制备试样,试样的裁取尺寸及数量见表6。
表6试样裁取尺寸及数量
试样名
拉伸负荷及断裂伸长率
撕裂负荷
剥离负
试样尺寸(长×宽)/
(mmXmm)
200×30
200×30
150×30
150×30
150×30
数量/片
QB/T2779-2006
表面颜色牢度
耐热不黏着性
耐寒性试验
老化性试验
耐折牢度
耐揉搓试验
破裂负荷
试样名称
表6(续)
试样尺寸(长×宽)/
(mmXmm)
220×60
90×60
60×20
200×50
70×45
70×45
120×30
120×30
100×100
KAoNKAca-
数量/片
单位为毫米
5.2试样状态调节和试验的环境
QB/T2779-2006
按GB/T2918一1998规定的23/50标准环境与一般偏差范围进行,试样状态调节时间不少于4h,并在此条件下进行试验。
5.3规格
5.3.1厚度
5.3.1.1仪器
百分表测厚仪,应符合GB/T8948-1994中5.4.1的规定。5.3.1.2试验步骤
用百分表测厚仪沿产品宽度方向左、中、右三点测量,测量结果以算术平均值表示,精确至0.01mm。5.3.2长度
用精度为1mm的量具或仪表测量,结果精确至1cm。5.3.3宽度
用精度为1mm的钢卷尺或仪表沿长度方向任意测量3处,结果取最小值,精确至1mm。5.4外观检查
在自然光线下进行目测和用相应的量具测量。5.5拉伸负荷及断裂伸长率
按GB/T13022一1991的规定进行,标线间距离为100mm,试验速度为(200±10)mm/min。5.6撕裂负荷
按GB/T8948—1994中5.8的规定进行。5.7剥离负荷
按GB/T8808-1998的规定进行。
5.8表面颜色牢度
按GB/T3920-1997的规定进行,其中摩擦用标准贴衬织物应符合GB/T7565-1987的规定,试验结果分别以每组试样试验结果的最低级表示。5.9耐热不黏着性
按GB/T8948-1994中5.11的规定进行。5.10耐寒性
按HG/T2-162-1965的规定进行,试验温度为(-10±1)℃。5.11老化性
5.11.1仪器
热老化试验箱,带鼓风装置。
5.11.2试验步骤
将试样悬挂在温度为(100土2)℃的热老化试验箱中,在转动鼓风条件下保持24h后取出,在室温下冷却0.5h以上,然后从每个试样上裁取长60mm、宽20mm的试样一块,按5.10的方法,在(-5土1)℃的低温液中保持5min进行耐寒试验,结果判定同5.10的规定。5.12耐折牢度
按QB/T2714一2005的规定进行试验。6检验规则
6.1组批
产品应按批验收,同一原料、同一花纹、同一规格、同一工艺的产品为一批,每批数量不超过15000m。
QB/T2779-2006
6.2出厂检验
出厂检验项目为表2、表3和表4的全部项目及表5的1、2、3、4项。型式检验!
KAoNrKAca-
型式检验为表2、表3、表4、表5中的全部项目。有下列情况之一时,进行型式检验。a)
新产品或老产品转厂生产的试制鉴定;b)
正式生产后,结构、材料、工艺有较大改变时:正常生产六个月时;
停产六个月再生产;
出广检验结果与上次型式检验有较大差异时;f)
国家质量监督机构提出型式检验时。6.4抽样
规格及外观的检验采用GB/T2828.1-2003中规定的一般检验水平1I,二次抽样方案,AQL为6.5(见表7),物理力学性能为每交付批随机抽取1卷进行检验。表7抽样表
批量范围N
151~280
281~500
5011200
6.5判定规则
样本大小
累计样本大小
接收数 Ac
单位为卷
拒收数Re
6.5.1合格项的判定
规格、外观以卷为样本单位,分别按表2、表3及表4的规定进行,样本单位的检验结果若符合表7的规定,则判规格、外观合格。物理力学性能检验结果中若有不合格项,应在原批中重新双倍取样,对不合格项进行复验,复验结果若全部合格,则判物理力学性能合格。6.5.2合格批的判定
检验结果若全部项目合格,则判该批产品合格。若有不合格项,则判该批产品为不合格。6
7标志
7.1每卷产品包装应有下列标志:a)制造厂名称及地址;
产品名称及本标准编号:
产品规格(厚度、宽度、长度、颜色、花纹等):
生产日期及生产批号:
商标:
检验员代号:
g)防压、防潮等标志。
使用说明
使用说明应包括以下内容:
用途;
使用注意事项;
保质期或贮存期。
包装、运输、购存
8.1包装
产品一般用卷芯卷成整齐圆卷,用塑料薄膜或包装纸包装,8.2运输
产品运输中要轻装轻卸,不应重压,切勿日晒雨淋,保持包装完整。8.3存
QB/T2779-2006
产品应在通风、干燥防霉的仓库内贮存,防挤压、防震、远离热源。产品自生产之日起,贮存期为不超过18个月。
QB/T2779-2006
A.1试验仪器
附录A
(资料性附录)
耐揉搓性
揉搓试验机,应符合GB/T8948-1994中附录A的规定。A.2试验步骤
irrkAoNiKAca
将同一方向的二块试样布面相互重合,然后装入夹具间隔30mm的揉搓试验机夹具中,逐步缩小夹具的距离,使二块试样的布面轻轻接触后施加载荷,间距缩小到载荷为1kg为止。在频率为120次/min,行程为50mm的条件下,往复1000次,观察人造革表面有无裂纹、损伤或布基与涂层分离等现象。如果有一块试样有上述现象,则判该试样的耐探搓性不合格。B.1试验仪器
附录B
(资料性附录)
破裂负荷
破裂负荷试验机,应符合GB/T1539一1989中第5章的规定。B.2试验步骤
QB/T2779—2006
将试样涂层面朝下,用环形夹具夹紧,均勾加压至试样被顶破为止。破裂负荷用试样被顶破时的压力表示,应符合表B.1规定。试验结果取三块试样的算术平均值,精确至0.1MPa。表B.1
单位为兆帕
KAONKAca
中华人民共和国
轻工行业标准
鞋面用聚氯乙烯人造革
QB/T 2779-2006
中国轻工业出版社出版发行
地址:北京东长安街6号
邮政编码:100740
发行电话:(010)65241695
网址:http://chlip.com.cn/E-mail:club@chlip.com.cn
轻工业标准化编辑出版委员会编辑地址:北京市西城区月坛北小街6号邮政编码:100037
电话:(010)68049923
版权所有侵权必究
书号:155019-2920
小提示:此标准内容仅展示完整标准里的部分截取内容,若需要完整标准请到上方自行免费下载完整标准文档。