首页 > 其他行业标准 > FZ/T 94011.1-2013筘 第1部分:有梭织机用筘
FZ/T 94011.1-2013

基本信息

标准号: FZ/T 94011.1-2013

中文名称:筘 第1部分:有梭织机用筘

标准类别:其他行业标准

英文名称:Reeds—Part 1:Reeds for shuttle looms

标准状态:现行

发布日期:2013-10-17

实施日期:2014-03-01

出版语种:简体中文

下载格式:.pdf .zip

相关标签: 梭织机

标准分类号

标准ICS号:纺织和皮革技术>>纺织机械>>59.120.30织机、织造机器

中标分类号:纺织>>纺织机械与器具>>W94织部机械与器具

关联标准

替代情况:替代FZ/T 94012-1992

出版信息

出版社:中国标准出版社

页数:12页

标准价格:16.0

出版日期:2014-03-01

相关单位信息

起草人:秋黎凤、赵玉生、诸水夫、杜鹏、施越浩、倪克岗、余定雅、淡培霞、杨崇明、王可平

起草单位:绍兴市水富纺织器材有限公司、常州钢筘有限公司、绍兴县鼎丰纺织器材有限公司、重庆金猫纺织器材有限公司、陕西纺织器材研究所

归口单位:全国纺织机械与附件标准化技术委员会纺织器材分技术委员会(SAC/TC 215/SC 2)

提出单位:中国纺织工业联合会

发布部门:中华人民共和国工业和信息化部

主管部门:全国纺织机械与附件标准化技术委员会纺织器材分技术委员会(SAC/TC 215/SC 2)

标准简介

本部分规定了有梭织机用筘的术语和定义、标记、要求、试验方法、检验规则和包装、标志、储存。 本部分适用于有梭织机用胶粘线扎筘。
FZ/T94011《筘》分为以下5部分:
———第1部分:有梭织机用筘;
———第2部分:剑杆织机、片梭织机用筘;
———第3部分:喷水织机用筘;
———第4部分:整经机、浆纱机用筘;
———第5部分:喷气织机用异形筘筘片。
本部分为FZ/T94011的第1部分。
本部分按照GB/T1.1—2009给出的规则起草。
本部分由中国纺织工业联合会提出。
本部分由全国纺织机械与附件标准化技术委员会纺织器材分技术委员会(SAC/TC215/SC2)归口。
本部分起草单位:绍兴市水富纺织器材有限公司、常州钢筘有限公司、绍兴县鼎丰纺织器材有限公司、重庆金猫纺织器材有限公司、陕西纺织器材研究所。
本部分主要起草人:秋黎凤、赵玉生、诸水夫、杜鹏、施越浩、倪克岗、余定雅、淡培霞、杨崇明、王可平。
下列文件对于本文件的应用是必不可少的。凡是注日期的引用文件,仅注日期的版本适用于本文件。凡是不注日期的引用文件,其最新版本(包括所有的修改单)适用于本文件。
GB/T191 包装储运图示标志
GB/T2829 周期检验计数抽样程序及表(适用于对过程稳定性的检验)
GB/T4340.1 金属材料 维氏硬度试验 第1部分:试验方法
GB/T24348.1—2009 纺织机械与附件 筘 第1部分:胶粘线扎筘的尺寸和标记
GB/T25874.1—2010 纺织机械与附件 筘齿用钢片 第1部分:冷轧钢片

标准图片预览

FZ/T 94011.1-2013筘 第1部分:有梭织机用筘
FZ/T 94011.1-2013筘 第1部分:有梭织机用筘
FZ/T 94011.1-2013筘 第1部分:有梭织机用筘
FZ/T 94011.1-2013筘 第1部分:有梭织机用筘
FZ/T 94011.1-2013筘 第1部分:有梭织机用筘

标准内容

ICS59.120.30
中华人民共和国纺织行业标准
FZ/T94011.1—2013
第1部分:有梭织机用
ReedsPart1:Reedsforshuttlelooms2013-10-17发布
中华人民共和国工业和信息化部发布
2014-03-01实施
FZ/T94011《箍》分为以下5部分:第1部分:有梭织机用箱;
第2部分:剑杆织机、片梭织机用箱;第3部分:喷水织机用箍;
第4部分:整经机、浆纱机用箱;-第5部分:喷气织机用异形翁箍片。本部分为FZ/T94011的第1部分。本部分按照GB/T1.1—2009给出的规则起草。本部分由中国纺织工业联合会提出。FZ/T94011.1—2013
本部分由全国纺织机械与附件标准化技术委员会纺织器材分技术委员会(SAC/TC215/SC2)归口。
本部分起草单位:绍兴市水富纺织器材有限公司、常州钢翁有限公司、绍兴县鼎丰纺织器材有限公司、重庆金猫纺织器材有限公司、陕西纺织器材研究所。本部分主要起草人:秋黎凤、赵玉生、诸水夫、杜鹏、施越浩、倪克岗、余定雅、淡培霞、杨崇明、王可平。
1范围
箱第1部分:有梭织机用筑
FZ/T94011.1—2013
FZ/T94011的本部分规定了有梭织机用箍的术语和定义、标记、要求、试验方法、检验规则和包装、标志、储存。
本部分适用于有梭织机用胶粘线扎箱。2规范性引用文件
下列文件对于本文件的应用是必不可少的。凡是注日期的引用文件,仅注日期的版本适用于本文件。凡是不注日期的引用文件,其最新版本(包括所有的修改单)适用于本文件。GB/T191包装储运图示标志
GB/T2829周期检验计数抽样程序及表(适用于对过程稳定性的检验)GB/T4340.1金属材料维氏硬度试验第1部分:试验方法GB/T24348.1一2009纺织机械与附件箍第1部分:胶粘线扎箍的尺寸和标记GB/T25874.1—2010
纺织机械与附件筑齿用钢片第1部分:冷轧钢片3术语和定义
下列术语和定义适用于本文件。3.1
号reed count
10cm有效宽内的筑齿数。
注1:号用牯齿每10厘米表示。
注2:改写FZ/T94046—2009,定义3.5。4标记
有梭织机用胶粘线扎的标记方法应遵守GB/T24348.1一2009第3章的规定。5要求
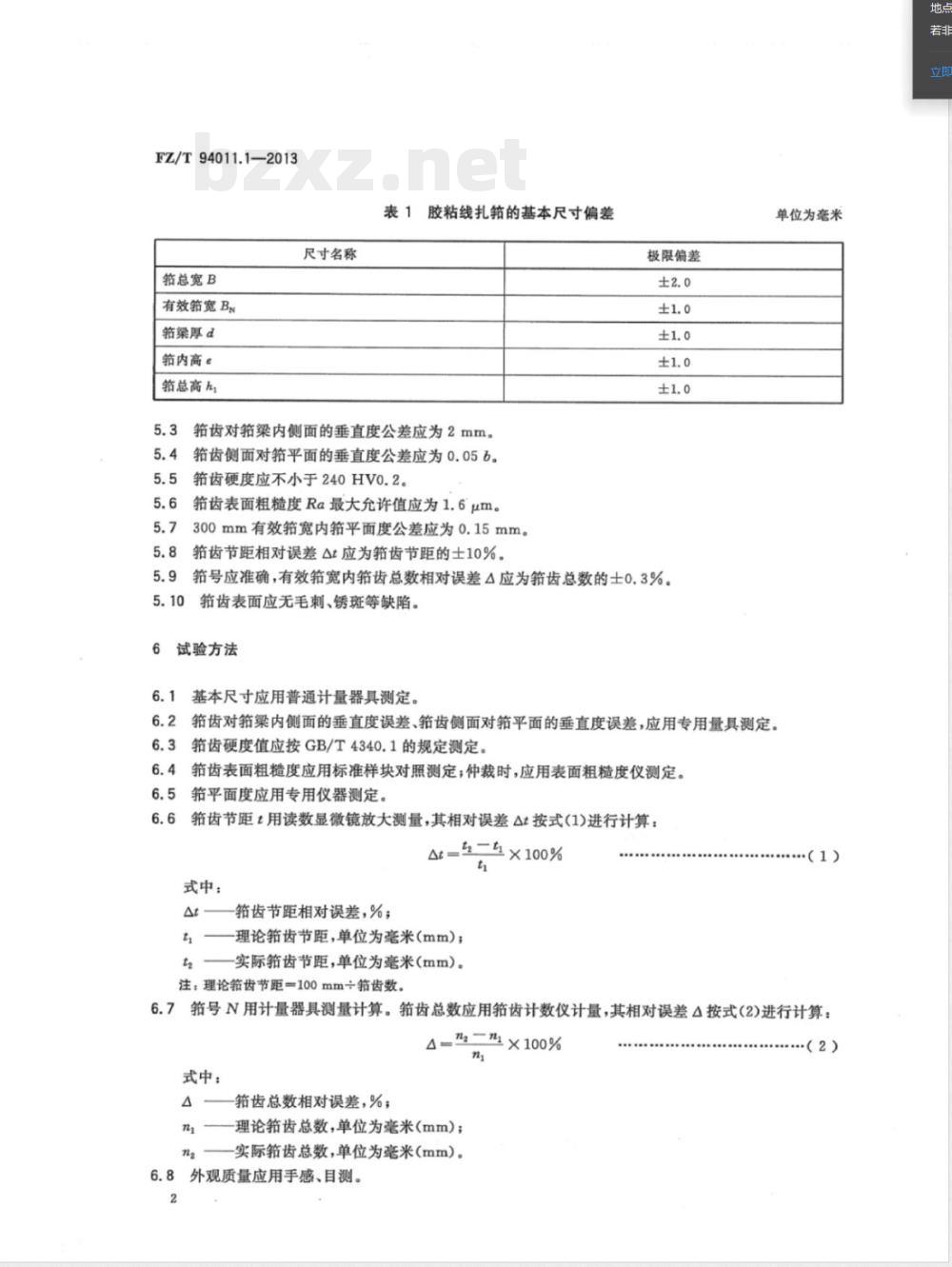
5.1胶粘线扎箍的基本尺寸应遵守GB/T24348.1一2009第2章规定。5.2胶粘线扎箍的基本尺寸偏差:a)箍齿宽b、箍齿厚s应符合GB/T25874.1—2010中表1规定;b)箍总宽B、有效箍宽Bn、箍梁厚d、内高e、筑总高h,应符合表1规定。1
FZ/T94011.1—2013
箱总宽B
有效箍宽Bn
牯巢厚d
箍内高。
尺寸名称
胶粘线扎箱的基本尺寸偏差
5.3箍齿对猎梁内侧面的垂直度公差应为2mm。5.4箍齿侧面对猎平面的垂直度公差应为0.05b。5.5箍齿硬度应不小于240HVo.2。5.6
箍齿表面粗糙度Ra最大允许值应为1.6μm。5.7
300mm有效箍宽内箍平面度公差应为0.15mm。5.8
箍齿节距相对误差△t应为箍齿节距的士10%。极限偏差
箍号应准确,有效宽内齿总数相对误差△应为齿总数的士0.3%。5.9
箍齿表面应无毛刺、锈斑等缺陷。试验方法
基本尺寸应用普通计量器具测定。单位为旁米
齿对箱梁内侧面的垂直度误差、齿侧面对箍平面的垂直度误差,应用专用量具测定。箱齿硬度值应按GB/T4340.1的规定测定。6.3
齿表面粗糙度应用标准样块对照测定;仲裁时,应用表面粗糙度仪测定。6.5
箱平面度应用专用仪器测定。
箍齿节距t用读数显微镜放大测量,其相对误差△z按式(1)进行计算:At=5二×100%
式中:
箍齿节距相对误差,%;
理论箱齿节距,单位为毫米(mm);实际翁齿节距,单位为毫米(mm)。注:理论箍齿节距=100mm一齿数。·(1)
6.7号N用计量器具测量计算。箍齿总数应用箍齿计数仪计量,其相对误差△按式(2)进行计算:4=n=n×100%
式中:
箍齿总数相对误差,%;
理论箱齿总数,单位为毫米(mm);实际齿总数,单位为毫米(mm)。6.8外观质量应用手感、目测。
(2)
检验规则
胶粘线扎箍应通过以下类别的检验:a)
型式检验;
出厂检验。
FZ/T94011.1—2013
7.1.2型式检验和出厂检验应由制造厂质量检验部门负责进行,订货方也可按本部分中的出厂检验规定在1个月内对购进的胶粘线扎箍进行验收;根据订货方要求,制造厂应提供出厂检验所在周期的型式检验报告。
7.1.3在型式检验或出厂检验中,被检验的样本单位若有不符合本部分表2、表3对检验项目的有关规定时,即为不合格;有一个或一个以上不合格,即为不合格品。7.2检验
型式检验
7.2.1.1连续生产的胶粘线扎筑应以生产稳定的时间为周期进行型式检验,在改进产品结构、主要制造工艺,或更换材料、中断生产后再恢复生产时,也应进行型式检验。2型式检验应按GB/T2829中判别水平Ⅱ的一次抽样方案,型式检验方案由表2给出。7.2.1.2
表2胶粘线扎的型式检验方案
检验项目名称
翁齿宽6
齿厚s
翁总宽B
有效箍宽Bn
内高e
总高h
梁厚d
齿对箍梁内侧面垂直度
齿侧面对箍平面垂直度
箍齿硬度
齿表面粗糙度Ra
箍平面度
齿节距相对误差t
箍齿总数相对误差△
外观质量
要求的章条号
试验方法的章条号Www.bzxZ.net
不合格质量水平
不合格分类
FZ/T94011.1—2013
出厂检验
每批胶粘线扎都应进行出厂检验,经型式检验合格后方可进行出厂检验。每批胶粘线扎应以片为样本单位逐片进行出厂检验,出厂检验项目由表3给出。表3胶粘线扎的出厂检验项目
检验项目名称
有效箍宽B%
箍内高e
猎齿对梁内侧面垂直度
箍平面度
箍号N
外观质量
包装、标志、储存
要求的章条号
试验方法的章条号
胶粘线扎箱应经检验合格并附有合格证,方可进行包装。胶粘线扎箱以片交货,每5片箍应用防潮纸包装,然后密封在塑料袋内。胶粘线扎箱外包装箱应采用木箱或双瓦楞纸箱。标志
产品标志
每片胶粘线扎箱上应有产品标志,其上标明:制造厂名或商标;
产品标记;
生产批号或生产日期。
包装标志
运输包装收发货标志
运输包装收发货标志上应标明:a)
制造厂名或商标;
产品标记;
数量;
毛重;
生产批号或生产日期;
体积(长×宽×高=m)。
不合格分类
8.2.2.2包装储运图示标志
“易碎物品”“怕雨”标志应按GB/T191规定。8.2.3储存
FZ/T94011.1—2013
胶粘线扎应包装完好地存放在通风干燥并无腐蚀性介质的环境中,的质量在1年内应符合FZ/T 94011的本部分。
FZ/T94011.1-2013
打印日期:2013年12月26日F009中华人民共和国纺织
行业标准
第1部分:有梭织机用箱
FZ/T94011.1—2013
中国标准出版社出版发行
北京市朝阳区和平里西街甲2号(100013)北京市西城区三里河北街16号(100045)网址www.spc.net.cn
总编室:(010)64275323发行中心:(010)51780235读者服务部:(010)68523946
中国标准出版社秦皇岛印刷厂印刷各地新华书店经销
开本880×12301/16
2013年12月第一版
印张0.75字数12千字
2013年12月第一次印刷
书号:155066·2-26241定价16.00元如有印装差错由本社发行中心调换版权专有侵权必究
举报电话:(010)68510107
小提示:此标准内容仅展示完整标准里的部分截取内容,若需要完整标准请到上方自行免费下载完整标准文档。