首页 > 其他行业标准 > FZ/T 64059-2016机织拉毛粘合衬
FZ/T 64059-2016

基本信息

标准号: FZ/T 64059-2016

中文名称:机织拉毛粘合衬

标准类别:其他行业标准

英文名称:Adhesive-bonded woven interlinings with napping

标准状态:现行

发布日期:2016-10-22

实施日期:2017-04-01

出版语种:简体中文

下载格式:.pdf .zip

相关标签: 机织 粘合衬

标准分类号

标准ICS号:纺织和皮革技术>>纺织产品>>59.080.30纺织物

中标分类号:纺织>>棉纺织>>W13棉坯布及制品

关联标准

出版信息

出版社:中国标准出版社

页数:12页

标准价格:16.0

相关单位信息

起草人:吴进、戴健、曹平、陈松梅、罗明、张宝庆、李桂梅、虞康伟、杨秀月

起草单位:如皋市五山漂染有限责任公司、南通海汇科技发展有限公司、江苏欣捷衬布有限公司、嘉兴晟合衬布有限公司、上海市纺织工业技术监督所、中国产业用纺织品行业协会、上海市服装研究所

归口单位:全国纺织品标准化技术委员会棉纺织品分技术委员会(SAC/TC 209/SC 10)

提出单位:中国纺织工业联合会

发布部门:中华人民共和国工业和信息化部

主管部门:全国纺织品标准化技术委员会棉纺织品分技术委员会(SAC/TC 209/SC 10)

标准简介

本标准规定了机织拉毛粘合衬的术语和定义、产品分类、技术要求、试验方法、检验规则、标志和包装。本标准适用于服装用的各类本白、漂白、有色机织拉毛粘合衬。


标准图片预览

FZ/T 64059-2016机织拉毛粘合衬
FZ/T 64059-2016机织拉毛粘合衬
FZ/T 64059-2016机织拉毛粘合衬
FZ/T 64059-2016机织拉毛粘合衬
FZ/T 64059-2016机织拉毛粘合衬

标准内容

ICS.59.080.30
中华人民共和国纺织行业标准
FZ/T64059—2016
机织拉毛粘合衬
Adhesive-bonded woven interlinings with napping2016-10-22 发布
中华人民共和国工业和信息化部2017-04-01实施
本标准按照GB/T1.1一2009给出的规则起草。本标准由中国纺织工业联合会提出。FZ/T64059-2016
本标准由全国纺织品标准化技术委员会棉纺织品分技术委员会(SAC/TC209/SC10)归口。本标准起草单位:如皋市五山漂染有限责任公司、南通海汇科技发展有限公司、江苏欣捷衬布有限公司、嘉兴晟合衬布有限公司、上海市纺织工业技术监督所、中国产业用纺织品行业协会、上海市服装研究所。
本标准主要起草人:吴进、戴健、曹平、陈松梅、罗明、张宝庆、李桂梅、虞康伟、杨秀月。1范围
机织拉毛粘合衬
FZ/T64059—2016
本标准规定了机织拉毛粘合衬的术语和定义、产品分类、技术要求、试验方法、检验规则、标志和包装。
本标准适用于服装用的各类本白、漂白、有色机织拉毛粘合衬。2规范性引用文件
下列文件对于本文件的应用是必不可少的。凡是注日期的引用文件,仅注日期的版本适用于本文件。凡是不注日期的引用文件,其最新版本(包括所有的修改单)适用于本文件。色牢度试验评定变色用灰色样卡GB/T250
纺织品1
GB/T3917.1
GB/T3923.1
GB/T4666
GB/T4669
GB/T6529
GB/T8170
纺织品织物撕破性能第1部分:冲击摆锤法撕破强力的测定纺织品织物拉伸性能第1部分:断裂强力和断裂伸长率的测定(条样法)纺织品
织物长度和幅宽的测定
纺织品
机织物单位长度质量和单位面积质量的测定纺织品
调湿和试验用标准大气
数值修约规则与极限数值的表示和判定GB/T8629—2001纺织品试验用家庭洗涤和干燥程序GB/T14801
GB18401
机织物与针织物纬斜和弓纬试验方法国家纺织产品基本安全技术规范GB/T28465
GB/T31902
GB/T31903
FZ/T01081
FZ/T01082
FZ/T01083
FZ/T01084
服装衬布检验规则
服装衬布外观疵点检验方法
服装衬布产品命名规则、标志和包装热熔粘合衬热熔胶涂布量和涂布均匀性试验方法热熔粘合衬干热尺寸变化试验方法热熔粘合衬干洗后的外观及尺寸变化试验方法热熔粘合衬水洗后的外观及尺寸变化试验方法热熔粘合衬剥离强力试验方法
FZ/T01085
FZ/T01110
FZ/T60034
3术语和定义
粘合衬粘合压烫后的渗胶试验方法粘合衬掉粉试验方法
下列术语和定义适用于本文件。3.1
fadhesive-bondedwoveninterliningswithnapping机织拉毛粘合衬
以棉或涤棉等短纤原料制成的机织物为基布,经机械拉毛、染整、涂层等加工而成的服装用粘合衬。1
FZ/T64059—2016
4产品分类
1机织拉毛粘合衬按基布材质可分为全棉衬、涤棉衬等。4.1
机织拉毛粘合衬按用途可分为衬衫衬、外衣衬。5技术要求
5.1分等规定
5.1.1产品的品等分为优等品、一等品、合格品,低于合格品的为不合格品。2产品的评等分为理化性能和外观质量两个方面。理化性能包括单位面积质量偏差率、剥离强5.1.2
力、纬向断裂强力、纬向撕破强力、水洗尺寸变化率、组合试样干热尺寸变化率、涂布量偏差率、组合试样洗涤后外观变化、组合试样热熔胶渗胶、安全性能。外观质量包括纬斜、布面疵点(局部性疵点和散布性疵点)、每卷允许段数和段长、拉毛条花和拉毛风格。5.1.3机织拉毛粘合衬的理化性能按批评等,以最低天一项评等;外观质量按卷评等,以严重一项评等;机织拉毛粘合衬的综合评等按理化性能和外观质量中最低的等级评定。5.2
理化性能
产品的安全性能应符合GB18401的规定。产品的理化性能分等规定按表1。表1
单位面积质量偏差率/%
衬衫衬
剥离强力/N
外衣衬
纬向断裂强力/N
纬向撕破强力/N
村衫衬
水洗尺寸变化
外衣衬
水洗前
水洗后
水洗前
水洗后
理化性能分等规定
优等品
80g/m2及以上~100g/m2
100g/m2及以上
80g/m2及以上~100g/m2
100g/m2及以上
80g/m2及以上~100g/m2
100g/m2及以上
80g/m2及以上~100g/m2
100g/m2及以上
全棉、涤棉
全棉、涤棉
-1.0~+0.5
一等品
-1.5~+0.5
-2.5~+0.5
合格品
-2.0~+0.5
2.0~+0.5
组合试样干热尺
寸变化率/%
涂布量偏差率/%
组合试样洗涤后外观变化*/级
组合试样热熔胶渗胶
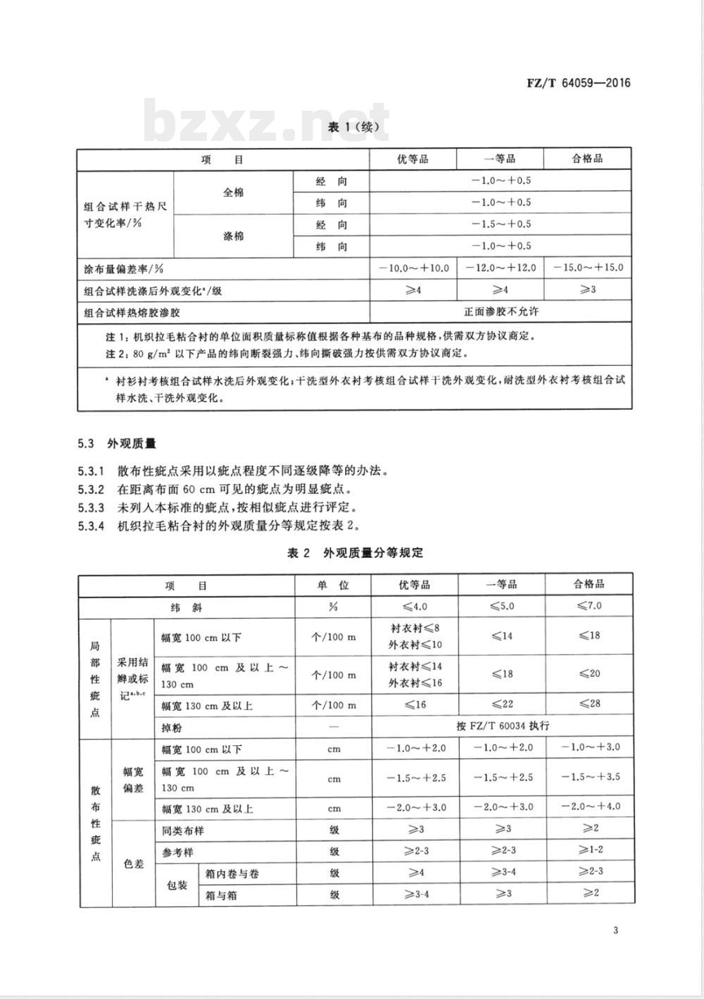
表1(续)
优等品
10.0~+10.0
一等品
FZ/T64059—2016
合格品
-1.0~+0.5
-1.0~+0.5
-1.5~+0.5
-1.0~+0.5
-12.0~+12.0
正面渗胶不允许
注1:机织拉毛粘合衬的单位面积质量标称值根据各种基布的品种规格,供需双方协议商定。注2:80g/m以下产品的纬向断裂强力、纬向撕破强力按供需双方协议商定。15.0~+15.0
衬衫衬考核组合试样水洗后外观变化;干洗型外衣衬考核组合试样干洗外观变化,耐洗型外衣衬考核组合试样水洗、干洗外观变化。
外观质量
散布性疵点采用以疵点程度不同逐级降等的办法。在距离布面60cm可见的疵点为明显疵点。未列入本标准的疵点,按相似疵点进行评定。机织拉毛粘合衬的外观质量分等规定按表2。表2外观质量分等规定
幅宽100cm以下
采用结
辫或标
幅宽100cm及以上
幅宽130cm及以上
幅宽100cm以下
幅宽100cm及以上~
幅宽130cm及以上
同类布样
参考样
箱内卷与卷
箱与箱
个/100m
个/100m
个/100m
优等品
衬衣衬≤8
外衣衬≤10
衬衣衬≤14
外衣衬≤16Www.bzxZ.net
-1.0~+2.0
-1.5~+2.5
-2.0~+3.0
≥>2-3
≥3-4
一等品
按FZ/T60034执行
-1.5~+2.5
-2.0~+3.0
≥2-3
合格品
-1.5~+3.5
-2.0~+4.0
≥1-2
FZ/T64059—2016
每卷允许段数、段长
拉毛条花
拉毛风格
注:色差评定以涂层面为准。
表2(续)
优等品
一剪二段
每段不低于10m
不影响外观
符合要求
。反面有明显透点或有明显通匹疵点时,需顺降一个等级。b优等品、一等品不允许存在影响布面平摊的松边、紧边、轧皱。一等品
二剪三段
每段不低于5m
不影响外观
符合要求
合格品
三剪四段
每段不低于5m
影响外观
符合要求
幅宽≤100cm,布边1.5cm及以内的疵点不结辨;幅宽>100cm,布边2.0cm及以内的疵点不结辫。6试验方法
6.1单位面积质量试验方法按GB/T4669执行,单位面积质量偏差率计算按式(1),计算结果按GB/T8170修约至小数点后一位。式中:
G——单位面积质量偏差率,%;
ml -mo× 100
单位面积质量实测值,单位为克每平方米(g/m2);单位面积质量标称值,单位为克每平方米(g/m2)。剥离强力试验方法按FZ/T01085执行。6.2
纬向断裂强力试验方法按GB/T3923.1执行。6.4
纬向撕破强力试验方法按GB/T3917.1执行。6.5
水洗尺寸变化率试验方法如下:(1)
距布边10cm,距布端1m以上剪取试样一块,尺寸为300mm×300mm。试样上不得有污渍、色渍、油渍、拆痕及漏粉、涂层不匀等影响粘合加工的外观疵点存在。将剪取的试样置于GB/T6529规定的标准状态下放置4h,用合适的打印装置,在试样未涂层的一面或膜面,沿经、纬向各打上三对250mm间距的标记。各组标记须离试样布边25mm左右,每组间隔约100mm士10mm,见示意图1。衬衣衬按GB/T8629—2001中程序2A洗涤一次,外衣衬按GB/T8629—2001中程序5A洗涤一次;干燥方法采用GB/T8629一2001程序A(悬挂晾干)或程序F(烘箱干燥)。出现争议时,以程序A(悬挂晾干)为准。并置于GB/T6529规定的标准大气中平衡4h。测量经、纬向每个方向上三组数据,测量精确至0.5mm,分别取平均值l1,单位为毫米。水洗尺寸变化率计算按式(2),计算结果按GB/T8170修约至小数点后一位。h-o× 100
式中:
一机织拉毛粘合衬的水洗尺寸变化率,%;,
-水洗后的平均距离,单位为毫米(mm);水洗前的平均距离,单位为毫米(mm)。......(2)
图1同向各组标记间隔示意图
组合试样干热尺寸变化率试验方法按FZ/T01082执行。涂布量偏差率试验方法按FZ/T01081执行。组合试样洗涤后外观变化试验方法按FZ/T01083、FZ/T01084执行。组合试样热熔胶渗胶试验方法按FZ/T01110执行。6.10
纬斜检验方法按GB/T14801执行。掉粉检验方法按FZ/T60034执行。幅宽检验方法按GB/T4666执行。色差检验方法按GB/T250执行。
外观质量检验方法按GB/T31902执行。拉毛风格检验:将生产样与客户来样或设计样风格对比评定。7
检验规则
产品检验规则按GB/T28465执行。8标志和包装
标志和包装按GB/T31903执行。
9其他
特殊品种或用户有特殊要求,由供需双方协议商定。FZ/T64059—2016
单位为毫米
小提示:此标准内容仅展示完整标准里的部分截取内容,若需要完整标准请到上方自行免费下载完整标准文档。