首页 > 其他行业标准 > FZ/T 64003-2021喷胶棉絮片
FZ/T 64003-2021

基本信息

标准号: FZ/T 64003-2021

中文名称:喷胶棉絮片

标准类别:其他行业标准

英文名称:Wadding of spray-bounded nonwovens

标准状态:现行

发布日期:2021-04-19

实施日期:2021-07-01

出版语种:简体中文

下载格式:.pdf .zip

相关标签: 絮片

标准分类号

标准ICS号:纺织和皮革技术>>纺织产品>>59.080.99其他纺织产品标准

中标分类号:纺织>>棉纺织>>W11棉半制品

关联标准

替代情况:替代FZ/T 64003-2011

出版信息

出版社:中国标准出版社

页数:12页

标准价格:16.0

出版日期:2021-05-01

相关单位信息

起草人:沈明荣、李涛、余敏、邵朝兵、董艳霞、左舒文、李桂梅、龚淑平

起草单位:浙江中超新材料股份有限公司、同高纺织化纤(深圳)有限公司、郑州豫力新材料科技有限公司、科德宝宝翎衬布(南通)有限公司、上海市纺织工业技术监督所、中国产业用纺织品行业协会

归口单位:浙江中超新材料股份有限公司、同高纺织化纤(深圳)有限公司、郑州豫力新材料科技有限公司、科德宝宝翎衬布(南通)有限公司、上海市纺织工业技术监督所、中国产业用纺织品行业协会

提出单位:中国纺织工业联合会

发布部门:中华人民共和国工业和信息化部

标准简介

本标准规定了喷胶棉絮片的术语和定义、产品分类、技术要求、试验和检验方法、检验规则、包装、标志、运输和贮存。 本标准适用于以涤纶短纤维为主要原料的喷胶棉絮片。


标准图片预览

FZ/T 64003-2021喷胶棉絮片
FZ/T 64003-2021喷胶棉絮片
FZ/T 64003-2021喷胶棉絮片
FZ/T 64003-2021喷胶棉絮片
FZ/T 64003-2021喷胶棉絮片

标准内容

ICS59.080.99
中华人民共和国纺织行业标准
FZ/T64003-2021
代替FZ/T64003—2011
喷胶棉絮片
Wadding of spray-bounded nonwovens2021-04-19发布
中华人民共和国工业和信息化部发布
2021-07-01实施
FZ/T64003—2021
本文件按照GB/T1.1一2020《标准化工作导则第1部分:标准化文件的结构和起草规则》的规定起草。
本文件代替FZ/T64003—2011《喷胶棉絮片》,与FZ/T64003—2011相比,主要技术变化以下:调整了文件范围;
一增加了露底、喷胶棉絮片的术语和定义(见3.6、3.7);分等规定调整为合格品与不合格品(见5.1.1);理化性能增加了热阻的考核项目,调整了单位面积质量偏差率、蓬松度、压缩回弹性能分等指标,耐水洗性增加了不露底的要求(见表1);调整了外观疵点考核要求(见表2);调整了洗涤程序与干燥程序(见6.7,2011年版的6.6)。请注意本文件的某些内容可能涉及专利。本文件的发布机构不承担识别专利的责任。本文件由中国纺织工业联合会提出。本文件由全国纺织品标准化技术委员会棉纺织品分技术委员会(SAC/TC209/SC10)归口。本文件起草单位:浙江中超新材料股份有限公司、同高纺织化纤(深圳)有限公司、郑州豫力新材料科技有限公司、科德宝宝翎衬布(南通)有限公司、上海市纺织工业技术监督所、中国产业用纺织品行业协会。
本文件主要起草人:沈明荣、李涛、余敏、邵朝兵、董艳霞、左舒文、李桂梅、龚淑平。本文件及其所代替文件的历次版本发布情况为:-FZ/T64003-1993、FZ/T64003-2011。I
1范围
喷胶棉絮片
FZ/T64003—2021
本文件规定了喷胶棉絮片的术语和定义、产品分类、技术要求、试验和检验方法、检验规则、标志、包装、运输和贮存。
本文件适用于以涤纶短纤维为主要原料的喷胶棉絮片。2规范性引用文件
下列文件中的内容通过文中的规范性引用而构成本文件必不可少的条款。其中,注日期的引用文件,仅该日期对应的版本适用于本文件;不注日期的引用文件,其最新版本(包括所有的修改单)适用于本文件。
GB/T2910(所有部分)纺织品定量化学分析GB/T4666纺织品织物长度和幅宽的测定GB/T5326精梳涤棉混纺印染布
GB/T6504一2017化学纤维含油率试验方法GB/T6529
GB/T8170
纺织品调湿和试验用标准大气
数值修约规则与极限数值的表示和判定GB/T8629—2017纺织品试验用家庭洗涤和干燥程序GB/T11048一2018纺织品生理舒适性稳态条件下热阻和湿阻的测定(蒸发热板法)GB18383絮用纤维制品通用技术要求GB18401国家纺织产品基本安全技术规范第1部分:单位面积质量的测定
GB/T24218.1纺织品非织造布试验方法GB/T29862纺织品纤维含量的标识GB31701婴幼儿及儿童纺织产品安全技术规范FZ/T01057(所有部分)纺织纤维鉴别试验方法3术语和定义
下列术语和定义适用于本文件。3.1
蓬松度fillpower
单位质量试样具有的表观体积(表观体积为试样的面积与表观厚度的乘积)。3.2
漏胶bindermissing
喷胶棉絮片表面缺少粘合剂而造成未粘结的现象。3.3
起毛outwardfibers
喷胶棉絮片受外力作用后,被拉出累片表面的纤维。1
FZ/T64003—2021
calendering
将喷胶棉絮片通过轧辊滚压而控制絮片平整度、厚度的一种工艺,3.5
烫光ironing
将喷胶棉絮片通过烫光机进行表面热处理,达到产品表面平整的一种工艺。3.6
露底iberpullingout
水洗后,喷胶棉局部变薄,表层纤维未覆盖底部纤维的现象。3.7
waddingof spray-boundednonwovens喷胶棉絮片
以短纤维为主要原料,经梳理成网,喷洒粘合剂,热处理制成的絮片。4产品分类
喷胶棉絮片按加工工艺,可分为轧光、烫光等喷胶棉絮片。5技术要求
5.1分等规定
5.1.1产品的评等分为合格品,低于合格品的为不合格品。5.1.2产品的评等分为理化性能和外观质量两个方面。理化性能包括纤维含量偏差、含油率、单位面积质量偏差率、蓬松度、压缩回弹性能、热阻、耐水洗性。外观质量包括外观疵点、幅宽偏差率和每卷允许段数和段长。
3喷胶棉絮片理化性能按批评等,外观质量按卷评等,综合评等以其中最低的等级评定。5.1.3
5.2理化性能
1产品的安全性能应符合GB18383、GB18401或GB31701的规定。5.2.2
2产品的理化性能应符合表1规定。表1理化性能要求
纤维含量偏差/%
含油率/%
单位面积质量偏差率/%
蓬松度/(cm2/g)
压缩回弹性能
<100g/m2
100g/m2~200g/m2
>200 g/m2
压缩率/%
回复率/%
按GB/T29862要求考核
-8.0~+8.0
-7.0~+7.0
-6.0~+6.0
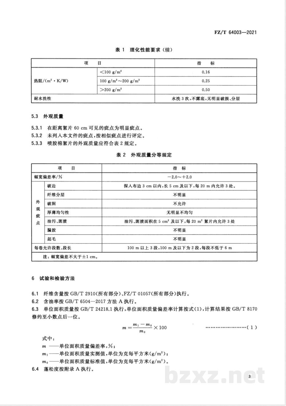
热阻/(m2·K/W)
耐水洗性
5.3外观质量
表1理化性能要求(续)
<100g/m2
100g/m2~200g/m2
>200g/m2
FZ/T64003—2021
水洗3次,不露底,无明显破损、分层在距离絮片60cm可见的疵点为明显疵点。未列入本文件的疵点,按相似疵点进行评定。喷胶棉絮片的外观质量应符合表2规定。表2
幅宽偏差率/%
纤维分层
厚薄均匀性
油污、斑渍
外观质量分等规定
—2.0~+2.0
深人布边3cm以内,长5cm及以下,每20m内允许3处。不明显
不允许
无明显不均匀
油污、斑渍面积在5cm2及以下,每20m2絮片内允许3处不明显
不明显
每卷允许段数、段长
注:幅宽偏差不大于士1cm。
6试验和检验方法
100m以上3段,100m及以下为2段,每段不低于6m纤维含量按GB/T2910(所有部分)、FZ/T01057(所有部分)执行。6.1
6.2含油率按GB/T6504—2017方法A执行。6.3单位面积质量按GB/T24218.1执行,单位面积质量偏差率计算按式(1),计算结果按GB/T8170修约至小数点后一位。
式中:
单位面积质量偏差率,%;
mi-m。
单位面积质量实测值,单位为克每平方米(g/m2);单位面积质量标准值,单位为克每平方米(g/m2)。蓬松度按附录A执行。
.(1)
FZ/T64003—2021
6.5压缩回弹性能按附录A执行。6.6热阻按GB/T11048—2018测定执行,选用A型仪器。6.7耐水洗性按GB/T8629一2017中4G程序执行。试验前,取300mmX300mm的试样3块,用尺寸略大于试样的标准面料(T/C65/35漂白或浅色平纹织物,13.1tex/13.1tex433.0(根/10cm)/299.0(根/10cm)90g/m2~95g/m2,符合GB/T5326一等品的要求)2块,覆盖在试样的两面,四周用包缝机将两层面料缝合后执行,干燥程序按GB/T8629一2017中F程序执行。6.8幅宽按GB/T4666执行,幅宽偏差率计算按式(2),计算结果按GB/T8170修约至小数点后一位。_L1_L × 100
式中:
L——幅宽偏差率,%;
L1—幅宽实测值,单位为米(m);L。幅宽标准值,单位为米(m)。L。
.....(2)
6.9外观疵点检验采用验布机或将喷胶棉絮片平摊在桌面上进行,灯光照度为4001x~6001x。7检验规则
分批、取样规定
7.1.1分批规定:每批产品必须是原料配比、工艺条件和规格相同连续生产的产品组成。7.1.2取样规定:每批产品随机抽取供理化性能指标检验的试样长3m,在离卷头1m以上剪取,样品上不能有影响试验结果的疵点。7.2检验、验收
7.2.1交货时,供货方根据产品评等检验结果,出具产品检验合格证。收货方应在15天内及时进行验收,并将验收结果及时通知供货方,如收货方不验收,应按供货方检验结果收货。7.2.2检验时,理化性能试验从该批产品中按交货量的10%随机取样,试样不得少于2卷,以各卷试验的平均值为最终结果,每块样品的检验结果均符合产品标准要求的作全批合格。外观质量检验抽取该批产品交货量的20%进行检验,不得少于5卷,逐卷检验,如不符合产品超过8%,则该批产品外观质量作降等处理。
7.2.3对产品质量有争议时,可提请仲裁检验机构进行复验,以复验结果为最终结果。8标志、包装、运输和贮存
8.1标志:产品应有标志,标明产品名称、规格、等级、卷重或卷长、产品执行标准、生产企业名称和地址、生产日期、检验责任章等。8.2包装:应使产品质量不受损坏,便于运输。8.3运输:防污、防潮、防火、防雨,严禁划伤,不可用带钩的工具搬运,不得受压过重。8.4贮存:贮存时应放于通风、干燥、清洁的仓库内,严禁火种,不允许超过6卷叠放。4
A.1原理
附录A
(规范性)
蓬松度、压缩回弹性能试验方法FZ/T64003—2021
A.1.1蓬松度:试样在一定时间、压强作用后,测量去掉负荷时试样的厚度值,计算测得试样体积与试样质量之比。
A.1.2压缩回弹性能:试样在一定时间、压强作用下,其厚度受压压缩,去掉负荷其厚度回弹恢复,测定其不同压强时的厚度值,以计算试样的压缩和回复的性能。A.2设备和工具
A.2.1工作台:用于放置试样,面积不小于200mm×200mm,工作面应平整、光洁,与调试压片工作面接触时吻合平行。
A.2.2测试压片:单位面积质量为0.5g/cm2的材质制成的200mm×200mm的正方形测试压片,其工作面应平整、光洁,无任何毛刺或伤痕。A.2.3码:码A,质量为2kg;码B,质量4kg。A.2.4天平:准确度为0.01g。
A.2.5直尺:准确度为士0.5mm。A.2.6计时秒表。
A.2.7裁剪刀。
A.3试样准备
A.3.1试样应在距边10cm以上,沿纵向剪取数块试样,每块尺寸为200mm×200mm,将剪取的试样置于GB/T6529规定的标准状态下放置4h。A.3.2将每块试样用天平称重,组成质量约为40g的一组试样,共测试3组。A.4操作程序
A.4.1将每组试样分别整齐叠放在工作台上。A.4.2在试样上压上测试压片,中间加上2kg码A,30s后取下磁码,静置30s,这样操作重复3次后,测定试样四角的高度(精确至0.5mm),取其平均值h。。A.4.3在试样上压上测试压片,中间加上4kg磁码B,30s时测定试样四角的高度(精确至0.5mm),取其平均值h1,除去4kg码B,3min时再测定试样四角的高度(精确至0.5mm),取其平均值h2。A.5结果计算
A.5.1试样的蓬松度计算按式(A.1),测试3组试样,以平均值表示测定结果,计算结果按GB/T8170修约至整数。
20h。
式中:
试样的蓬松度,单位为立方厘米每克(cm\/g);(A.1)
FZ/T64003—2021
h。一试样四角的高度平均值,单位为毫米(mm);W——试样的质量,单位为克(g)。A.5.2试样的压缩率、回复率计算分别按式(A.2)、式(A.3),测试3组试样,以平均值表示测定结果,计算结果按GB/T8170修约至整数。式中:
试样的压缩率,%;
试样的回复率,%;
h。-hi × 100
h。-hi
...(A.2)
..(A.3)www.bzxz.net
-加上2kg码A,30s后取下码,静置30s,重复3次后试样四角的高度平均值,单位为h。
毫米(mm);
加上4kg码B,30s时试样四角的高度平均值,单位为毫米(mm);h2
一除去4kg码B,3min时试样四角的高度平均值,单位为毫米(mm)。A.6试验报告
试验报告应包括以下内容:
试验依据本文件的编号(FZ/T64003-2020);a)
试样的详细描述,如品种规格、批号、生产日期等:试验时间、码质量;
试验蓬松度、压缩率和回复率原始数据,测定结果;任何偏离本文件的细节及试验中的异常现象;试验日期与试验者等。
小提示:此标准内容仅展示完整标准里的部分截取内容,若需要完整标准请到上方自行免费下载完整标准文档。