首页 > 其他行业标准 > FZ/T 12053-2016聚对苯二甲酸丙二醇酯/聚对苯二甲酸乙二醇酯(PTT/PET)复合纤维与棉混纺本色纱线
FZ/T 12053-2016

基本信息

标准号: FZ/T 12053-2016

中文名称:聚对苯二甲酸丙二醇酯/聚对苯二甲酸乙二醇酯(PTT/PET)复合纤维与棉混纺本色纱线

标准类别:其他行业标准

英文名称:Polytrimethylene terephthalate/Polydimethylene terephthalate(PTT/PET)composited fiber and cotton blended grey yarn

标准状态:现行

发布日期:2016-10-22

实施日期:2017-04-01

出版语种:简体中文

下载格式:.pdf .zip

相关标签: 丙二醇 乙二醇 复合 纤维 混纺 纱线

标准分类号

标准ICS号:纺织和皮革技术>>纺织产品>>59.080.20纱线

中标分类号:纺织>>棉纺织>>W12棉纱、线

关联标准

出版信息

出版社:中国标准出版社

页数:12页

标准价格:16.0

相关单位信息

起草人:张建祥、贾云辉、陈启升、王憬义、景慎全

起草单位:鲁泰纺织股份有限公司、山东联润新材料科技有限公司、上海市纺织工业技术监督所、中国棉纺织行业协会

归口单位:全国纺织品标准化技术委员会棉纺织品分技术委员会(SAC/TC 209/SC 10)

提出单位:中国纺织工业联合会

发布部门:中华人民共和国工业和信息化部

主管部门:全国纺织品标准化技术委员会棉纺织品分技术委员会(SAC/TC 209/SC 10)

标准简介

本标准规定了聚对苯二甲酸丙二醇酯/聚对苯二甲酸乙二醇酯(PTT/PET)复合纤维(简称PTT/PET复合纤维)与棉混纺本色纱线产品的分类、标记、要求、试验方法、检验规则和标志、包装。 本标准适用于环锭纺机制的棉纤维混用比例在50%以上的PTT /PET复合纤维与棉混纺本色纱线,不适用于特种用途PTT /PET复合纤维与棉混纺本色纱线。


标准图片预览

FZ/T 12053-2016聚对苯二甲酸丙二醇酯/聚对苯二甲酸乙二醇酯(PTT/PET)复合纤维与棉混纺本色纱线
FZ/T 12053-2016聚对苯二甲酸丙二醇酯/聚对苯二甲酸乙二醇酯(PTT/PET)复合纤维与棉混纺本色纱线
FZ/T 12053-2016聚对苯二甲酸丙二醇酯/聚对苯二甲酸乙二醇酯(PTT/PET)复合纤维与棉混纺本色纱线
FZ/T 12053-2016聚对苯二甲酸丙二醇酯/聚对苯二甲酸乙二醇酯(PTT/PET)复合纤维与棉混纺本色纱线
FZ/T 12053-2016聚对苯二甲酸丙二醇酯/聚对苯二甲酸乙二醇酯(PTT/PET)复合纤维与棉混纺本色纱线

标准内容

ICS. 59.080.20
中华人民共和国纺织行业标准
FZ/T12053—2016
聚对苯二甲酸丙二醇酯/聚对苯二甲酸乙二醇酯(PTT/PET)复合纤维
与棉混纺本色纱线
Polytrimethyleneterephthalate/Polydimethyleneterephthalate(PTT/PET)composited fiber and cotton blended grey yarn2016-10-22发布
中华人民共和国工业和信息化部发布
2017-04-01实施
本标准按照GB/T1.1一2009给出的规则起草。本标准由中国纺织工业联合会提出。FZ/T12053—2016免费标准下载网bzxz
本标准由全国纺织品标准化技术委员会棉纺织品分技术委员会(SAC/TC209/SC10)归口。本标准起草单位:鲁泰纺织股份有限公司、山东联润新材料科技有限公司、上海市纺织工业技术监督所、中国棉纺织行业协会。
本标准主要起草人:张建祥、贾云辉、陈启升、王憬义、景慎全。I
1范围
聚对苯二甲酸丙二醇酯/聚对苯二甲酸乙二醇酯(PTT/PET)复合纤维
与棉混纺本色纱线
FZ/T12053—2016
本标准规定了聚对苯二甲酸丙二醇酯/聚对苯二甲酸乙二醇酯(PTT/PET)复合纤维(以下简称“PTT/PET复合纤维”)与棉混纺本色纱线产品的分类、标记、要求、试验方法、检验规则和标志、包装。本标准适用于环锭纺机制的棉混用比例在50%以上的PTT/PET复合纤维与棉混纺本色纱线,不适用于特种用途PTT/PET复合纤维与棉混纺本色纱线。2规范性引用文件
下列文件对于本文件的应用是必不可少的。凡是注日期的引用文件,仅注日期的版本适用于本文件。凡是不注日期的引用文件,其最新版本(包括所有的修改单)适用于本文件。GB/T398-2008棉本色纱线
GB/T2910.1纺织品定量化学分析第1部分:试验通则GB/T2910.11纺织品定量化学分析第11部分:纤维素纤维与聚酯纤维的混合物(硫酸法)GB/T3292.1纺织品纱线条干不匀试验方法第1部分:电容法纺织品卷装纱单根纱线断裂强力和断裂伸长率的测定(CRE法)GB/T3916
GB/T4743一2009纺织品卷装纱绞纱法线密度的测定FZ/T01050
FZ/T10007
FZ/T10008
3产品分类、标记
纺织品纱线疵点的分析与检验方法电容式棉及化纤纯纺、混纺本色纱线检验规则棉及化纤纯纺、混纺本色纱线标志与包装3.11
PTT/PET复合纤维与棉混纺本色纱线产品以不同混纺比和线密度分类。棉纤维的代号为C、PTT/PET复合纤维的代号为PTT/PET,精梳代号为J。3.2
3.3在线密度前标明纱线的生产工艺过程代号、原料代号及混纺比。示例:线密度为18.5tex的PTT/PET复合纤维与精梳棉混纺本色纱,棉纤维含量80%,PTT/PET复合纤维含量20%,应写为:JC/(PTT/PET)80/2018.5tex。4要求
4.1项目
4.1.1PTT/PET复合纤维与精梳棉混纺本色纱技术要求包括线密度偏差率、线密度变异系数、单纱断裂强度、单纱断裂强力变异系数、条干均匀度变异系数、千米棉结、十万米纱疵、纤维含量偏差八项指标。4.1.2PTT/PET复合纤维与精梳棉混纺本色线技术要求包括线密度偏差率、线密度变异系数、单线断FZ/T12053—2016
裂强度、单线断裂强力变异系数、条干均匀度变异系数、纤维含量偏差六项指标。4.2分等规定
4.2.1同一规格、同一原料、同一工艺连续生产的产品作为一个或若干检验批。4.2.2PTT/PET复合纤维与精梳棉混纺本色纱线产品质量等级分为优等品、一等品、二等品,低于二等品为等外品。
3PTT/PET复合纤维与精梳棉混纺本色纱线质量等级根据产品规格以考核项目中最低一项进行4.2.3
评等。
4.3技术要求
1PTT/PET复合纤维与精梳棉混纺本色纱(棉含量在50%以上)的技术要求按表1规定。4.3.1
表1PTT/PET复合纤维与精梳棉混纺本色纱(棉含量在50%以上)的技术要求线密度
公称线密度
11.1~13.0
16.1~20.0
24.1~31.0
31.1及以上
线密度
偏差率
变异系数
单纱断裂
cN/tex
单纱断裂
强力变异
条干均匀度
变异系数
千米棉结
个/km
十万米纱症
个/105m
FZ/T12053—2016
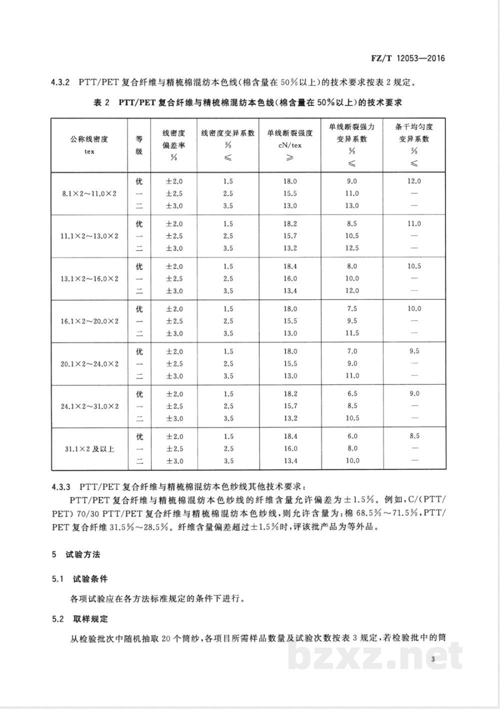
4.3.2PTT/PET复合纤维与精梳棉混纺本色线(棉含量在50%以上)的技术要求按表2规定。表2PTT/PET复合纤维与精梳棉混纺本色线(棉含量在50%以上)的技术要求线密度
公称线密度
8.1×2~11.0×2
11.1×2~13.0×2
13.1×2~16.0×2
16.1×2~20.0×2
20.1×2~24.0×2
24.1×231.0×2
31.1×2及以上
偏差率
线密度变异系数
单线断裂强度
cN/tex
4.3.3PTT/PET复合纤维与精梳棉混纺本色纱线其他技术要求:单线断裂强力
变异系数
条干均匀度
变异系数
PTT/PET复合纤维与精梳棉混纺本色纱线的纤维含量允许偏差为土1.5%。例如,C/(PTT/PET)70/30PTT/PET复合纤维与精梳棉混纺本色纱线,则允许含量为:棉68.5%~71.5%,PTT/PET复合纤维31.5%~28.5%。纤维含量偏差超过士1.5%时,评该批产品为等外品。5试验方法
5.1试验条件
各项试验应在各方法标准规定的条件下进行。5.2
取样规定
从检验批次中随机抽取20个筒纱,各项目所需样品数量及试验次数按表3规定,若检验批中的筒3
FZ/T12053—2016
纱数小于20个,则全部抽取作为样品。表3PTT/PET复合纤维与精梳棉混纺本色纱线各项目样品数量及试验次数的规定项目
线密度变异系数、线密度偏差率断裂强度、断裂强力变异系数
条干均匀度变异系数、千米棉结十万米纱症
筒子数
每筒试验次数
总次数
注:线密度变异系数、线密度偏差率、断裂强度、断裂强力变异系数、条干均匀度变异系数可进行在线产品取样,具体取样规定参见附录A。用户对产品质量有异议时,则以成品质量检验为准。5.3线密度变异系数、线密度偏差率试验摇取绞纱长度应按GB/T4743一2009规定执行,其中线密度变异系数采用程序1,线密度采用程序3。公称线密度的100m标准质量和标准干燥质量按附录B计算,线密度偏差率将烘干后的绞纱折算至100m质量,并按式(1)计算:D=m=md ×100
式中:
线密度偏差率,%;
“100m”试样实测干燥质量,单位为克(g);“100m”试样标准干燥质量,单位为克(g)。5.4单纱(线)断裂强度及单纱(线)断裂强力变异系数试验按GB/T3916规定执行。
5.5条干均匀度变异系数、千米棉结(+200%)试验按GB/T3292.1规定执行。
5.6十万米纱疵试验
按FZ/T01050规定执行,十万米纱疵结果用A3、B3、C3、D2以上九级症点之和。5.7纤维含量偏差试验
按GB/T2910.1、GB/T2910.11执行,纤维含量以公定质量比表示。5.8试验结果的表示
(1)
-批纱的各种试验结果是由该种试验的全部试验值的计算结果表示,各种试验结果的计算精确度,除已规定者外,按表4规定执行。项目
单纱(线)断裂强度/(cN/tex)单纱(线)断裂强力变异系数/%
线密度变异系数/%
线密度偏差率/%
条干均匀度变异系数/%
千米棉结/(个/km)
十万米纱疵/(个/105m)
百米质量(每批平均)/(g/100m)平均线密度/tex
折算质量用回潮率/%
检验规则
表4计算值的数值修约位数规定
保留小数位数
按FZ/T10007规定执行,其中成包净重验收按GB/T398—2008规定执行。标志、包装
按FZ/T10008规定执行。
用户对本标准有特殊要求的,供需双方可另订协议。FZ/T12053—2016
FZ/T12053—2016
A.1在线产品取样周期及卷装形式附录A
(资料性附录)
在线产品取样及计算
A.1.1一般两天取样试验一次,但周期一经确定,不得任意变更。十万米纱疵、纤维含量偏差试验周期可适当延长,但不得超过两周。A.1.2取样的卷装形式为管纱。
A.2在线产品取样数及试验次数
A.2.1各项试验应在各方法标准规定的条件下进行,如生产需要,可以在接近车间温湿度条件下进行但试验地点的温湿度应稳定,并不得故意偏离标准条件。A.2.2在线产品取样数见表A.1。表A.1
在线产品取样数
生产同一品种的开台数
每机台上采取管纱数
总管纱数
取样时不得均在车头或车尾取样,不得取同一锭带上的4个管纱。10
16~29
30及以上
A.2.3线密度变异系数、线密度偏差率试验,每份试样30个管纱,每管摇取1缕,总数为30次(开台数在5台及以下的产品,线密度变异系数、线密度偏差率试验可相应减少拔管数,拔取15个管纱,每管摇取2缕)。
A.2.4单纱(线)断裂强度及单纱(线)断裂强力变异系数试验,单纱每份试样30个管纱,每管测试2次,总数为60次(开台数在5台及以下者,可每份试样15个管纱,每管测试4次),若为股线,每份试样为15个管纱,每管测2次,总数为30次。采用全自动纱线强力试验仪的取样数,纱线均为20个管纱,每管测5次,总数为100次。A.2.5条干均匀度变异系数需在各机台随机抽取10个管纱,试验次数为10次。6
附录B
(规范性附录)
PTT/PET复合纤维与精梳棉混纺本色纱线百米质量的计算FZ/T12053—2016
B.1PTT/PET复合纤维与精梳棉混纺本色纱线的公定回潮率,按公定质量混纺比例计算,见式(B.1);也可按干重混纺比例计算,见式(B.2),计算结果修约至小数点后一位。其中棉公定回潮率为8.5%,PTT/PET复合纤维标准回潮率为0.4%。a)以公定质量混纺比例计算公定回潮率,以百分率表示:+BWt
·(B.1)
b)以干重混纺比例计算公定回潮率,以百分率表示:W
式中:
公定回潮率,%;
WcXAc+W-XAr
一棉、PTT/PET复合纤维公定回潮率,%;Wc、Wr
棉、PTT/PET复合纤维干燥质量混纺百分比例;Ac.A
Bc、BT-
-棉、PTT/PET复合纤维公定质量混纺百分比例。·(B.2)
B.2100m纱线在公定回潮率时的标准质量(g)按式(B.3)计算,计算结果修约至小数点后三位、Tt
式中:
-100m纱线在公定回潮率时的标准质量,单位为克(g);mg
纱线公称线密度,单位为特克斯(tex)。B.3100m纱线的标准干燥质量(g)按式(B.4)计算,计算结果修约至小数点后三位。ma
式中:
-100m纱线标准干燥质量,单位为克(g);-纱线公称线密度,单位为特克斯(tex);公定回潮率,%。
·(B.3)
.(B.4)
小提示:此标准内容仅展示完整标准里的部分截取内容,若需要完整标准请到上方自行免费下载完整标准文档。