首页 > 其他行业标准 > FZ/T 14029-2014棉磨毛印染布
FZ/T 14029-2014

基本信息

标准号: FZ/T 14029-2014

中文名称:棉磨毛印染布

标准类别:其他行业标准

英文名称:Printed and dyed sanded cotton fabric

标准状态:状态查询中

发布日期:2014-12-24

实施日期:2015-06-01

作废日期:2026-07-01

出版语种:简体中文

下载格式:.pdf .zip

相关标签: 印染布

标准分类号

标准ICS号:纺织和皮革技术>>纺织产品>>59.080.30纺织物

中标分类号:纺织>>印染制品>>W71棉与棉混纺织物印染品

关联标准

替代情况:被FZ/T 14029-2024代替

出版信息

出版社:中国标准出版社

页数:12页

标准价格:16.0

出版日期:2015-06-01

相关单位信息

起草人:靳云平、李春梅、章金芳、周玉梅、欧翠英、张战旗、任参、张怀东

起草单位:新乡市护神特种织物有限公司、新天龙集团有限公司、常州市武进丰盛针织有限公司、山东欧化印染家纺有限公司、鲁丰织染有限公司、上海市纺织工业技术监督所、中国印染行业协会

归口单位:全国纺织品标准化技术委员会棉纺织印染分技术委员会(SAC/TC209/SC02)

提出单位:中国纺织工业联合会

发布部门:中华人民共和国工业和信息化部

标准简介

本标准规定了棉磨毛印染布的术语和定义、分类、要求、试验和检验方法、检验规则及标志和包装。 本标准适用于服饰、家纺用,机织生产的各类漂白、染色和印花的棉磨毛印染布,不适用于提花织物。
本标准按照 GB/T1.1—2009给出的规则起草。
本标准由中国纺织工业联合会提出。
本标准由全国纺织品标准化技术委员会棉纺织印染分技术委员会(SAC/TC209/SC02)归口。
本标准起草单位:新乡市护神特种织物有限公司、新天龙集团有限公司、常州市武进丰盛针织有限公司、山东欧化印染家纺有限公司、鲁丰织染有限公司、上海市纺织工业技术监督所、中国印染行业协会。
本标准主要起草人:靳云平、李春梅、章金芳、周玉梅、欧翠英、张战旗、任参、张怀东。
下列文件对于本文件的应用是必不可少的。凡是注日期的引用文件,仅注日期的版本适用于本文件。凡是不注日期的引用文件,其最新版本(包括所有的修改单)适用于本文件。
GB/T250 纺织品 色牢度试验 评定变色用灰色样卡
GB/T251 纺织品 色牢度试验 评定沾色用灰色样卡
GB/T406—2008 棉本色布
GB/T411 棉印染布
GB/T3917.1 纺织品 织物撕破性能 第1部分:冲击摆锤法撕破强力的测定
GB/T3920 纺织品 色牢度试验 耐摩擦色牢度
GB/T3921—2008 纺织品 色牢度试验 耐皂洗色牢度
GB/T3923.1 纺织品 织物拉伸性能 第1部分:断裂强力和断裂伸长率的测定(条样法)
GB/T4666 纺织品 织物长度和幅宽的测定
GB/T4668 机织物密度的测定
GB5296.4 消费品使用说明 第4部分:纺织品和服装
GB/T6152—1997 纺织品 色牢度试验 耐热压色牢度
GB/T8170 数值修约规则与极限数值的表示和判定
GB/T8427—2008 纺织品 色牢度试验 耐人造光色牢度:氙弧
GB/T8628 纺织品 测定尺寸变化的试验中织物试样和服装的准备、标记及测量
GB/T8629—2001 纺织品 试验用家庭洗涤和干燥程序
GB/T8630 纺织品 洗涤和干燥后尺寸变化的测定
GB/T14801 机织物与针织物纬斜和弓纬试验方法
GB18401 国家纺织产品基本安全技术规范
FZ/T10005 棉及化纤纯纺、混纺印染布检验规则
FZ/T10010 棉及化纤纯纺、混纺印染布标志与包装

标准图片预览

FZ/T 14029-2014棉磨毛印染布
FZ/T 14029-2014棉磨毛印染布
FZ/T 14029-2014棉磨毛印染布
FZ/T 14029-2014棉磨毛印染布
FZ/T 14029-2014棉磨毛印染布

标准内容

ICS59.080.30
中华人民共和国纺织行业标准
FZ/T14029—2014
棉磨毛印染布
Printed and dyed sanded cotton fabric2014-12-24发布
中华人民共和国工业和信息化部发布
2015-06-01实施
本标准按照GB/T1.1一2009给出的规则起草。本标准由中国纺织工业联合会提出。FZ/T14029—2014
本标准由全国纺织品标准化技术委员会棉纺织印染分技术委员会(SAC/TC209/SC02)归口。本标准起草单位:新乡市护神特种织物有限公司、新天龙集团有限公司、常州市武进丰盛针织有限公司、山东欧化印染家纺有限公司、鲁丰织染有限公司、上海市纺织工业技术监督所、中国印染行业协会。
本标准主要起草人:靳云平、李春梅、章金芳、周玉梅、欧翠英、张战旗、任参、张怀东。1范围
棉磨毛印染布
FZ/T14029—2014
本标准规定了棉磨毛印染布的术语和定义、分类、要求、试验和检验方法、检验规则及标志和包装。本标准适用于服饰、家纺用,机织生产的各类漂白、染色和印花的棉磨毛印染布。本标准不适用于提花织物。
规范性引用文件
下列文件对于本文件的应用是必不可少的。凡是注日期的引用文件,仅注日期的版本适用于本文件。凡是不注日期的引用文件,其最新版本(包括所有的修改单)适用于本文件。GB/T250纺织品色牢度试验评定变色用灰色样卡纺织品色牢度试验评定沾色用灰色样卡GB/T251
GB/T406-2008棉本色布
GB/T411棉印染布
GB/T3917.1纺织品
织物撕破性能第1部分:冲击摆锤法撕破强力的测定GB/T3920
色牢度试验耐摩擦色牢度
纺织品
GB/T3921—2008纺织品色牢度试验耐皂洗色牢度GB/T3923.1
纺织品织物拉伸性能第1部分:断裂强力和断裂伸长率的测定(条样法)GB/T4666
GB/T4668
纺织品织物长度和幅宽的测定
机织物密度的测定
消费品使用说明第4部分:纺织品和服装GB/T6152—1997
纺织品色牢度试验耐热压色牢度GB/T8170
数值修约规则与极限数值的表示和判定GB/T8427-—20084
纺织品色牢度试验耐人造光色牢度:氙弧GB/T8628wwW.bzxz.Net
纺织品测定尺寸变化的试验中织物试样和服装的准备、标记及测量GB/T8629—2001
纺织品试验用家庭洗涤和干燥程序GB/T8630
GB/T14801
GB18401
纺织品洗涤和干燥后尺寸变化的测定机织物与针织物纬斜和弓纬试验方法国家纺织产品基本安全技术规范棉及化纤纯纺、混纺印染布检验规则FZ/T10005
FZ/T100102
棉及化纤纯纺、混纺印染布标志与包装3术语和定义
GB/T411界定的及以下术语和定义适用于本文件。3.1
棉磨毛印染布printedanddyedsandedcottonfabric通过机械的摩擦、染整加工,表面形成一层绒毛的全棉机织物。1
FZ/T14029—2014
棉磨毛印染布按品种、规格分类,各类产品的品种和规格根据客户合同或用户需要确定。棉磨毛印染布的加工系数按照附录A执行。5要求
5.1要求内容
棉磨毛印染布分为内在质量和外观质量两个方面。内在质量包括密度偏差率、断裂强力、撕破强力、水洗尺寸变化率、色牢度、安全性能六项;外观质量包括局部性疵点和散布性疵点两项。5.2分等规定
5.2.1产品的品等分为优等品、一等品、二等品,低于二等品的为等外品。5.2.2棉磨毛印染布的评等,内在质量按批评等,外观质量按匹(段)评等,以内在质量和外观质量中最低一项品等作为该匹(段)布的品等。5.2.3在同一匹(段)布内,局部性疵点采用有限度的每平方米允许评分的办法评定等级;散布性症点按严重一项评等。
5.3内在质量
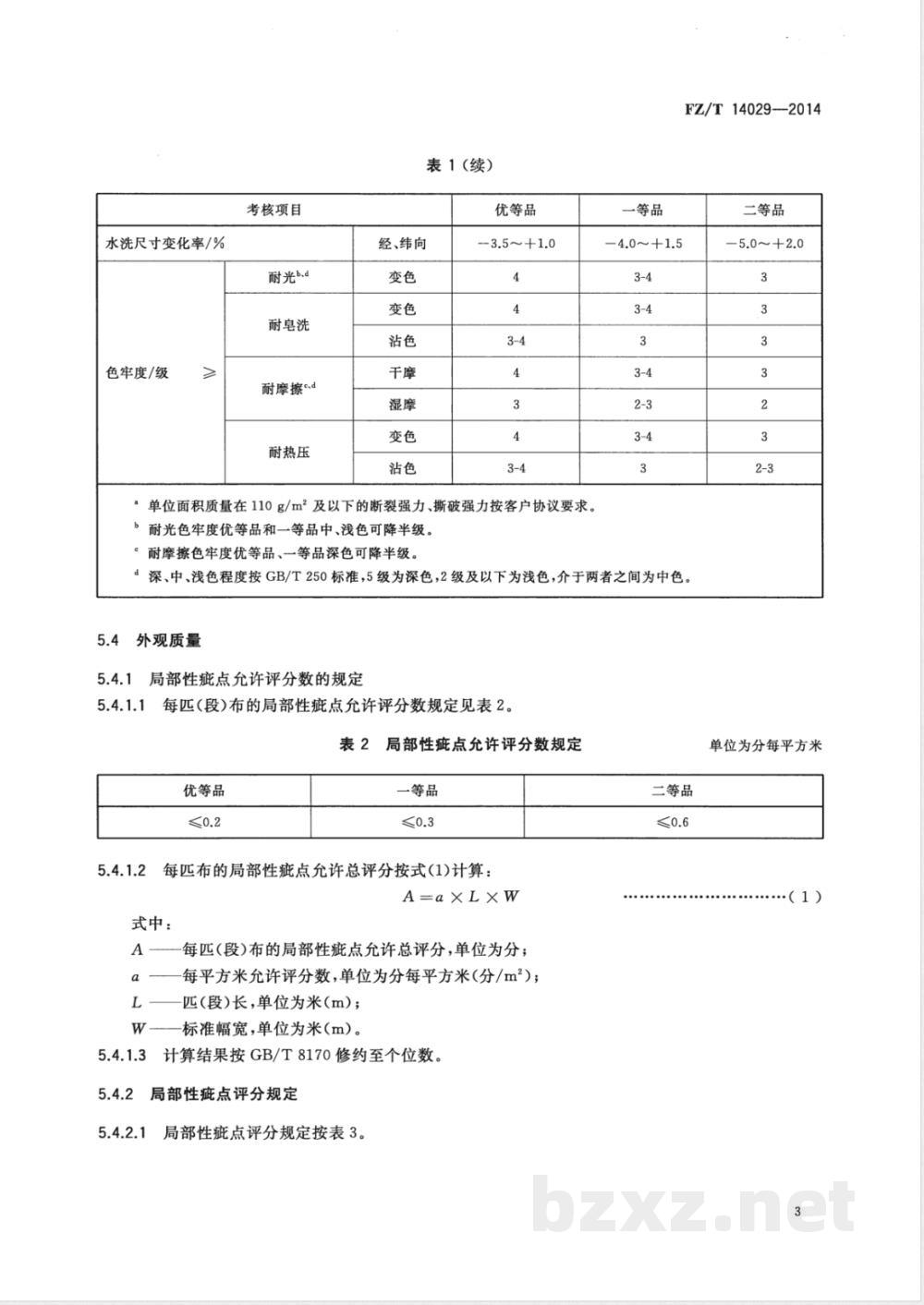
5.3.1产品的安全性能应符合GB18401的规定。5.3.2:内在质量评等规定见表1。表1内在质量评等规定
考核项目
密度偏差率/%
200g/m2以上
断裂强力*/N
撕破强力\/N
150g/m2以上~
200g/m2
110g/m2以上~
150g/m2
200g/m2以上
150g/m2以上~~
200g/m2
110g/m2以上~
150g/m2
优等品
一等品
二等品
水洗尺寸变化率/%
色牢度/级
考核项目
耐光b.d
耐皂洗
耐摩擦d
耐热压
表1(续)
经、纬向
优等品
-3.5~+1.0
。单位面积质量在110g/m2及以下的断裂强力、撕破强力按客户协议要求。b耐光色牢度优等品和一等品中、浅色可降半级。。耐摩擦色牢度优等品、一等品深色可降半级。一等品
FZ/T14029---2014
二等品
—5.0~+2.0
d深、中、浅色程度按GB/T250标准,5级为深色,2级及以下为浅色,介于两者之间为中色。5.4外观质量
5.4.1局部性疵点允许评分数的规定5.4.1.1
每匹(段)布的局部性疵点允许评分数规定见表2。表2局部性疵点允许评分数规定
优等品
一等品
每匹布的局部性疵点允许总评分按式(1)计算:A=a×L×W
式中:
每匹(段)布的局部性疵点允许总评分,单位为分;每平方米允许评分数,单位为分每平方米(分/m2);匹(段)长,单位为米(m);
W—标准幅宽,单位为米(m)。5.4.1.3
计算结果按GB/T8170修约至个位数。局部性疵点评分规定
局部性疵点评分规定按表3。
二等品
单位为分每平方米
(1)
FZ/T14029—2014
8.0cm及以下
症点长度
8.0cm以上至16.0cm及以下
16.0cm以上至24.0cm及以下
24.0cm以上
局部性疵点评分规定
注:布面疵点具体内容见GB/T406—2008附录B,疵点名称说明见GB/T406—2008附录C。1m评分不得超过4分。
距边2.0cm以上的所有破洞(断纱3根及以上,或者经纬各断1根且明显的、0.3cm以上的跳花)不论大小,均评4分;距边2.0cm及以内的破损性疵点评2分。5.4.3
局部性疵点评分说明
症点长度按经向或纬向的最大长度量计。除破损和边疵外,距边1.0cm及以内的其他疵点不评分。评定布面疵点时,均以布匹正面为准,反面有通匹、散布性的严重疵点时应降一个等级。散布性疵点允许程度规定
散布性症点允许程度规定见表4。4散布性点允许程度规定
疵点名称和类别
幅宽140cm及以下
幅宽偏差/cm
色差/级
歪斜/%
幅宽140cm~240cm
幅宽240cm以上
漂色布
左中右
同类布样
参考样
同类布样
参考样
漂色布
花斜或纬斜
条格花斜或纬斜
磨毛风格
花纹不符、染色不匀
棉结杂质、深浅细点
注1:歪斜以条格、花斜或纬斜中严重的一项考核。优等品
-1.0~+2.0
-1.5~+2.5
符合要求
不影响外观
不影响外观
不影响外观
注2:印花布的布面疵点应根据对总体效果的影响程度评定。4
一等品
—1.5~+2.5
-2.0~+3.0
-3.0~+4.0
符合要求
不影响外观
不影响外观
不影响外观
二等品
—2.0~+3.0
-2.5~+3.5
-3.5~+4.5
符合要求
影响外观
影响外观
影响外观
5.4.5优等品症点说明
优等品不允许有下列疵点:
-单独一处评4分的局部性疵点;破损性症点。
5.4.6一等品破损性疵点说明
一等品不允许有破损性疵点。
5.5假开剪和拼件的规定
5.5.1在优等品中不允许假开剪。FZ/T14029—2014
5.5.2假开剪的疵点应是评为4分的疵点或评为3分的严重疵点,假开剪后各段布都应是一等品。5.5.3凡用户允许假开剪或拼件的,可实行假开剪和拼件。距布端5m以内及长度在30m以下不允许假开剪,最低拼件长度不低于10m;假开剪按60m不允许超过2处,长度每增加30m,假开剪可相应增加1处。
5.5.4假开剪和拼件率合计不允许超过20%,其中拼件率不得超过10%。另有要求按双方协议执行。5.5.5假开剪布应作明显标记,附假开剪段长记录单。6试验和检验方法
6.1试验方法
6.1.1密度检验方法按GB/T4668执行,密度偏差率按式(2)计算,按GB/T8170修约至小数点后一位。
式中:
密度偏差率,%;
D1-D= × 100%
棉磨毛印染布标准(经、纬纱)密度,单位为根每十厘米(根/10cm);Dt
棉磨毛印染布实测(经、纬纱)密度,单位为根每十厘米(根/10cm)。6.1.2断裂强力试验方法按GB/T3923.1执行。6.1.3
3撕破强力试验方法按GB/T3917.1执行。(2)
6.1.4水洗尺寸变化率试验方法按GB/T8628、GB/T8629—2001(采用洗涤程序5A,干燥程序F)和GB/T8630执行。
6.1.5耐光色牢度试验方法按GB/T8427—2008中方法3执行。6.1.6
耐皂洗色牢度试验方法按GB/T3921一2008中C(3)单纤维贴衬执行。耐摩擦色牢度试验方法按GB/T3920执行。耐热压色牢度试验方法按GB/T6152—1997中潮压法,温度150℃士2℃执行。幅宽检验方法按GB/T4666执行。6.1.10
变色、色差按GB/T250、沾色按GB/T251评定。6.1.11
歪斜花斜、纬斜、条格斜)按GB/T14801执行。外观质量检验条件和方法
6.2.1采用灯光检验时,以40W加罩青光日光灯管3根~4根,照度不低于7501x,光源与布面距离为5
FZ/T14029—2014
1.0m~1.2m
6.2.2布匹的评等检验,按验布机上作出的疵点标记,评分评等。6.2.3布匹的复验、验收应将布平摊在验布台上,按纬向逐幅展开检验,检验人员的视线应正视布面,眼晴与布面的距离为55.0cm~60.0cm。6.2.4规定检验布的正面(盖梢印的一面为反面)。斜纹织物:纱织物以左斜“K”为正面;线织物以右斜“”为正面。
6.2.5磨毛风格检验:将棉磨毛印染布与客户来样或设计样风格对比评定。检验规则
检验规则按FZ/T10005执行。
标志和包装
标志和包装按FZ/T10010执行,内包装的标志按GB5296.4执行。9其他
特殊品种及用户对产品有特殊要求的,由供需双方另订协议。A.1
幅宽、密度的加工系数
加工系数见表A.1。
幅宽加工系数(6)
经密加工系数(c;)
纬密加工系数(cw)
A.2计算方法
附录A
(规范性附录)
棉磨毛印染布加工系数
表A.1加工系数
单位面积质量200g/m2以上
FZ/T14029—2014
单位面积质量200g/m2及以下
标准幅宽按式(A.1)计算,计算结果按GB/T8170修约至小数点后二位。W=Wi×b
式中:
棉磨毛印染布标准幅宽,单位为米(m);棉磨毛本色布标准幅宽,单位为米(m);棉磨毛印染布幅宽加工系数。
标准(经、纬纱)密度按式(A.2)计算,计算结果按GB/T8170修约至个位数。A.2.2
Dt,w=dt,wXc
式中:
棉磨毛印染布标准(经、纬纱)密度,单位为根每十厘米(根/10cm);棉磨毛本色布标准(经、纬纱)密度,单位为根每十厘米(根/10cm);棉磨毛印染布(经、纬纱)密度加工系数。.(A.1)
(A.2)
FZ/T14029-2014
打印日期:2015年5月4日F009A
中华人民共和国纺织
行业标准
棉磨毛印染布
FZ/T14029—2014
中国标准出版社出版发行
北京市朝阳区和平里西街甲2号(100029)北京市西城区三里河北街16号(100045)网址www.spc.net.cn
总编室:(010)68533533发行中心:(010)51780238读者服务部:(010)68523946
中国标准出版社秦皇岛印刷厂印刷各地新华书店经销
开本880×12301/16
印张0.75
5字数16千字
2015年3月第一版
2015年3月第一次印刷
书号:155066·2-28369定价
由本社发行中心调换
如有印装差错
版权专有侵权必究
举报电话:(010)68510107
小提示:此标准内容仅展示完整标准里的部分截取内容,若需要完整标准请到上方自行免费下载完整标准文档。