首页 > 其他行业标准 > FZ/T 14031-2016锦棉混纺印染布
FZ/T 14031-2016

基本信息

标准号: FZ/T 14031-2016

中文名称:锦棉混纺印染布

标准类别:其他行业标准

英文名称:Printed and dyed polyamide/cotton blended fabric

标准状态:现行

发布日期:2016-04-05

实施日期:2016-09-01

出版语种:简体中文

下载格式:.pdf .zip

相关标签: 混纺 印染布

标准分类号

标准ICS号:纺织和皮革技术>>纺织产品>>59.080.30纺织物

中标分类号:纺织>>印染制品>>W71棉与棉混纺织物印染品

关联标准

出版信息

出版社:中国标准出版社

页数:12页

标准价格:16.0

出版日期:2016-09-01

相关单位信息

起草人:邓小红、邱双林、是伟元、黄中权、张宝庆

起草单位:湖北际华新四五印染有限公司、无锡市远东纺织印染技术服务有限公司、中国印染行业协会、上海市纺织工业技术监督所

归口单位:全国纺织品标准化技术委员会印染制品分技术委员会(SAC/TC 209/SC 11)

提出单位:中国纺织工业联合会

发布部门:中华人民共和国工业和信息化部

主管部门:全国纺织品标准化技术委员会印染制品分技术委员会(SAC/TC 209/SC 11)

标准简介

本标准规定了锦棉混纺印染布的术语和定义、分类、要求、试验和检验方法、检验规则、标志和包装。 本标准适用于服饰用,机织生产的各类漂白、染色和印花的锦纶6或锦纶66与棉混纺印染布。


标准图片预览

FZ/T 14031-2016锦棉混纺印染布
FZ/T 14031-2016锦棉混纺印染布
FZ/T 14031-2016锦棉混纺印染布
FZ/T 14031-2016锦棉混纺印染布
FZ/T 14031-2016锦棉混纺印染布

标准内容

ICS_59.080.30
中华人民共和国纺织行业标准
FZ/T14031—2016
锦棉混纺印染布
Printed and dyed polyamide/cotton blended fabric2016-04-05发布
中华人民共和国工业和信息化部发布
2016-09-01实施
本标准按照GB/T1.1一2009给出的规则起草。本标准由中国纺织工业联合会提出。FZ/T14031-2016
本标准由全国纺织品标准化技术委员会印染制品分技术委员会(SAC/TC209/SC11)归口。本标准起草单位:湖北际华新四五印染有限公司、无锡市远东纺织印染技术服务有限公司、中国印染行业协会、上海市纺织工业技术监督所。本标准主要起草人:邓小红、邱双林、是伟元、黄中权、张宝庆。I
1范围
锦棉混纺印染布
FZ/T14031—2016
本标准规定了锦棉混纺印染布的术语和定义、分类、要求、试验和检验方法、检验规则、标志和包装。本标准适用于服饰用,机织生产的各类漂白、染色和印花的锦纶6或锦纶66与棉混纺印染布。2规范性引用文件
下列文件对于本文件的应用是必不可少的。凡是注日期的引用文件,仅注日期的版本适用于本文件。凡是不注日期的引用文件,其最新版本(包括所有的修改单)适用于本文件。GB/T250纺织品色牢度试验评定变色用灰色样卡GB/T251纺织品色牢度试验评定沾色用灰色样卡GB/T406—2008棉本色布
GB/T411棉印染布
GB/T2910.7
纺织品定量化学分析第7部分:聚酰胺纤维与某些其他纤维混合物(甲酸法)GB/T3917.1
纺织品织物撕破性能第1部分:冲击摆锤法撕破强力的测定GB/T3920
色牢度试验耐摩擦色牢度
纺织品
GB/T3921—2008纺织品色牢度试验耐皂洗色牢度GB/T3922一2013纺织品色牢度试验耐汗渍色牢度GB/T3923.1
纺织品织物拉伸性能第1部分:断裂强力和断裂伸长率的测定(条样法)纺织品织物长度和幅宽的测定
GB/T4666
机织物密度的测定
GB/T4668
GB/T4802.2一2008纺织品织物起毛起球性能的测定第2部分:改型马丁代尔法
消费品使用说明第4部分:纺织品和服装GB/T6152—1997
纺织品色牢度试验耐热压色牢度GB/T8170
数值修约规则与极限数值的表示和判定GB/T8427一2008纺织品色牢度试验耐人造光色牢度:氙弧GB/T8628
纺织品测定尺寸变化的试验中织物试样和服装的准备、标记及测量GB/T8629—2001
纺织品试验用家庭洗涤和干燥程序GB/T8630
纺织品洗涤和干燥后尺寸变化的测定GB/T14801机织物与针织物纬斜和弓纬试验方法1、国家纺织产品基本安全技术规范GB18401
GB/T21196.2纺织品马丁代尔法织物耐磨性的测定第2部分:试样破损的测定GB/T29862纺织品纤维含量的标识FZ/T01057(所有部分)纺织品纤维鉴别试验方法FZ/T10005棉及化纤纯纺、混纺印染布检验规则FZ/T10010
棉及化纤纯纺、混纺印染布标志与包装1
FZ/T14031—2016
3术语和定义
GB/T411中界定的以及下列术语和定义适用于本文件。3.1
锦棉混纺印染布printedanddyedpolyamide/cottonblendedfabric经、纬向均使用锦纶与棉混纺纱线织造,经染整加工的机织物。4分类
锦棉混纺印染布按品种、规格分类,各类产品的品种和规格根据客户合同或用户需要确定。锦棉混纺印染布加工系数按照附录A执行。5要求
5.1要求内容
锦棉混纺印染布的要求分为内在质量和外观质量两个方面。内在质量包括密度偏差率、纤维含量偏差、断裂强力、撕破强力、耐磨性、起毛起球、水洗尺寸变化率、色牢度、安全性能九项;外观质量包括局部性疵点和散布性疵点两项。
5.2分等规定
5.2.1产品的品等分为优等品、一等品、二等品,低于二等品的为等外品。5.2.2锦棉混纺印染布的评等,内在质量按批评等,外观质量按匹(段)评等,以内在质量和外观质量中最低一项品等作为该匹(段)布的品等。5.2.3在同一匹(段)布内,局部性疵点采用有限度的每百平方米允许评分的办法评定等级;散布性疵点按严重一项评等。
5.3内在质量
产品的安全性能应符合GB18401的规定。5.3.1元
内在质量评等规定按表1。
表1内在质量评等规定
考核项目
密度偏差率/%免费标准bzxz.net
纤维含量偏差/%
断裂强力/N
撕破强力*/N
耐磨性/次
优等品
一等品
按GB/T29862规定
二等品
起毛起球/级
水洗尺寸变化率/%
色牢度/级
考核项目
耐光b.d
耐皂洗
耐摩擦d
耐汗渍
耐热压
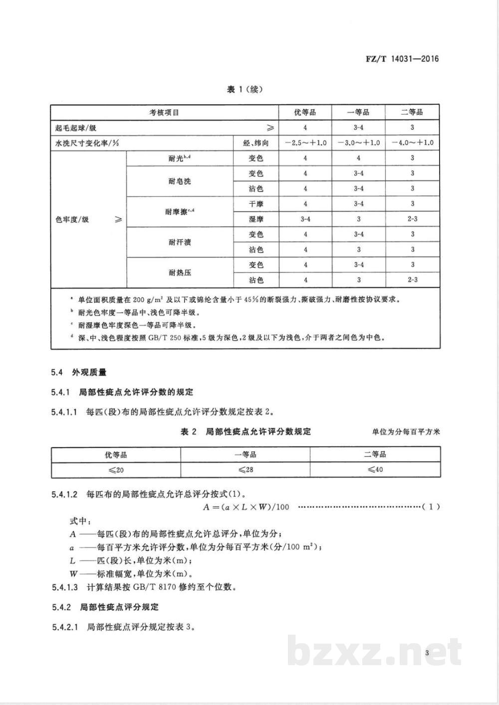
表1(续)
经、纬向
优等品
FZ/T14031—2016
一等品
二等品
-4.0~+1.0
单位面积质量在200g/m2及以下或锦纶含量小于45%的断裂强力、撕破强力、耐磨性按协议要求。b耐光色牢度一等品中、浅色可降半级耐湿摩色牢度深色一等品可降半级。d深、中、浅色程度按照GB/T250标准,5级为深色,2级及以下为浅色,介于两者之间色为中色。5.4外观质量
局部性疵点允许评分数的规定
每匹(段)布的局部性疵点允许评分数规定按表2。表2局部性疵点允许评分数规定
优等品
一等品
每匹布的局部性疵点允许总评分按式(1)。A=(aXLXW)/100
式中:
每匹(段)布的局部性疵点充许总评分,单位为分:每百平方米允许评分数,单位为分每百平方米(分/100m\);匹(段)长,单位为米(m);
标准幅宽,单位为米(m)。
计算结果按GB/T8170修约至个位数。局部性疵点评分规定
局部性疵点评分规定按表3。
单位为分每百平方米
二等品
(1)
FZ/T14031—2016
疵点在8.0cm及以下
症点长度
症点在8.0cm以上16.0cm及以下
疵点在16.0cm以上~24.0cm及以下症点在24.0cm以上
表3局部性疵点评分规定
注:布面疵点具体内容见GB/T406—2008附录B,疵点名称说明见GB/T406—2008附录C。1m评分不得超过4分。
距边2.0cm以上的所有破洞(断纱3根及以上、或者经纬各断1根且明显的、0.3cm以上的跳5.4.2.3
花)不论大小,均评4分;距边2.0cm及以内的破损性疵点评2分,5.4.2.4难以数清、不易量计的分散斑渍,根据其分散的最大长度和宽度,按照表3分别量计、累计评分。5.4.3
局部性疵点评分说明
疵点长度按经向或纬向的最大长度量计。5.4.3.2
除破损和边疵外,距边1.0cm及以内的其他疵点不评分评定布面疵点时,均以布匹正面为准,反面有通匹、散布性的严重疵点时须降一个等级。4散布性疵点允许程度规定
散布性疵点允许程度规定按表4。表4
散布性症点充许程度规定
疵点名称和类别
幅宽偏差/cm
色差/级
歪斜/%
幅宽145cm及以下
幅宽145cm以上
漂色布
左中右
花斜或纬斜
条格花斜或纬斜
花纹不符、染色不匀
棉结杂质、深浅细点
同类布样
参考样
同类布样
参考样
漂色布
注1:歪斜以花斜、纬斜或条格斜中严重的一项考核。注2:花纹不符按用户确认样为准。注3:印花布的布面疵点根据对总体效果的影响程度评定。4
优等品
-1.0~+2.0
-1.0~+2.0
符合要求
不影响外观
不影响外观
二等品
-1.0~+2.0
-1.5~+2.5
符合要求
不影响外观
不影响外观
二等品
-2.0~+3.0
符合要求
影响外观
影响外观
5优等品疵点说明
优等品不允许有下列疵点:
单独一处评4分的局部性疵点;
破损性疵点。
6一等品破损性疵点说明
一等品不允许有破损性疵点。
5.5假开剪和拼件的规定
5.5.1在优等品中不允许假开剪。FZ/T14031—2016
5.5.2假开剪的疵点应是评为4分的疵点或评为3分的严重疵点,假开剪后各段布都应是一等品。5.5.3凡用户允许假开剪或拼件的,可实行假开剪和拼件。距布端5m以内及长度在30m以下不允许假开剪,最低拼件长度不低于10m;假开剪按60m不允许超过2处,长度每增加30m,假开剪可相应增加1处。
5.5.4假开剪和拼件率合计不允许超过20%,其中拼件率不得超过10%。另有要求按双方协议执行。假开剪布应作明显标记,附假开剪段长记录单。5.5.5
6试验和检验方法
试验方法
6.1.1密度检验方法按GB/T4668执行,密度偏差率按式(2)计算,按GB/T8170修约至小数点后一位。
式中:
密度偏差率,%;
Di-D.×100
锦棉混纺印染布实测(经、纬纱)密度,单位为根每十厘米(根/10cm);锦棉混纺印染布标准(经、纬纱)密度,单位为根每十厘米(根/10cm)。纤维含量试验方法按GB/T2910.7、FZ/T01057(所有部分)执行。断裂强力试验方法按GB/T3923.1执行。撕破强力试验方法按GB/T3917.1执行。6.1.4
5耐磨性试验方法按GB/T21196.2执行。6.1.5
6起毛起球按GB/T4802.2—2008,摩擦次数2000次执行。6.1.6
...(2)
6.1.7水洗尺寸变化率试验方法按GB/T8628GB/T8629—2001(采用洗涤程序5A,干燥程序F)和GB/T8630执行。
6.1.8耐光色牢度试验方法按GB/T8427—2008中方法3执行,选用1至4级蓝色羊毛标样与试样一起曝晒,试验结果用曝晒后的试样对照曝晒后的蓝色羊毛标样相应级别评定。6.1.9耐皂洗色牢度试验方法按GB/T3921一2008中采用A(1)单纤维贴衬执行。6.1.10耐摩擦色牢度试验方法按GB/T3920执行。6.1.11耐汗渍色牢度试验方法按GB/T3922—2013中单纤维贴衬执行。2耐热压色牢度按GB/T6152—1997潮压法,温度为150℃士2℃执行。6.1.12
3幅宽检验方法按GB/T4666执行。6.1.13
FZ/T14031—2016
变色、色差按GB/T250评定,沾色按GB/T251评定。5歪斜(花斜、纬斜、条格斜)按GB/T14801执行。6.1.15
6.2外观质量检验条件和方法
6.2.1采用灯光检验时,以40W加罩青光日光灯管3根~4根,照度不低于7501x,光源与布面距离为1.0m~1.2m。
6.2.2验布机验布板角度为45,布行速度最高为40m/min。布匹的评等检验,按验布机上作出的疵点标记,评分评等。
6.2.3布匹的复验、验收应将布平摊在验布台上,按纬向逐幅展开检验,检验人员的视线应正视布面,眼睛与布面的距离为55.0cm~60.0cm。6.2.4规定检验布的正面(盖梢印的一面为反面)。斜纹织物:纱织物以左斜“K”为正面;线织物以右斜“习”为正面。
检验规则
检验规则按FZ/T10005执行。
8标志和包装
标志和包装按FZ/T10010执行,内包装的标志按GB5296.4执行。9其他
特殊品种及用户对产品有特殊要求的,由供需双方另订协议A.1
幅宽、密度的加工系数
加工系数按表A.1。
产品类别
计算方法
附录A
(规范性附录)
锦棉混纺印染布加工系数
加工系数
幅宽加工系数(b)
FZ/T14031—2016
密度加工系数(c)
标准幅宽按式(A.1)计算,计算结果按GB/T8170修约至小数点后两位。W=WiXb
式中:
锦棉混纺印染布标准幅宽,单位为米(m);锦棉混纺本色布标准幅宽,单位为米(m);锦棉混纺印染布幅宽加工系数。A.2.2标准(经、纬纱)密度按式(A.2)计算,计算结果按GB/T8170修约至个位数。Dt.w=dt.wXc
式中:
锦棉混纺印染布标准(经、纬纱)密度,单位为根每十厘米(根/10cm);锦棉混纺本色布标准(经、纬纱)密度,单位为根每十厘米(根/10cm);锦棉混纺印染布(经、纬纱)密度加工系数。(A.1)
......(A.2)
FZ/T14031-2016
打印日期:2016年6月27日F009B中华人民共和国纺织
行业标准
锦棉混纺印染布
FZ/T14031—2016
中国标准出版社出版发行
北京市朝阳区和平里西街甲2号(100029)北京市西城区三里河北街16号(100045)网址www.spc.net.cn
总编室:(010)68533533发行中心:(010)51780238读者服务部:(010)68523946
中国标准出版社秦皇岛印刷厂印刷各地新华书店经销
开本880×12301/16
印张0.75字数15千字
2016年6月第一版2016年6月第一次印刷*
书号:155066·2-30102定价16.00元如有印装差错由本社发行中心调换版权专有侵权必究
举报电话:(010)68510107
小提示:此标准内容仅展示完整标准里的部分截取内容,若需要完整标准请到上方自行免费下载完整标准文档。