首页 > 其他行业标准 > FZ/T 73016-2020针织保暖内衣 絮片型
FZ/T 73016-2020

基本信息

标准号: FZ/T 73016-2020

中文名称:针织保暖内衣 絮片型

标准类别:其他行业标准

英文名称:Knitted thermal underwear—Wadding category

标准状态:现行

发布日期:2020-12-09

实施日期:2021-04-01

出版语种:简体中文

下载格式:.pdf .zip

相关标签: 针织 内衣 絮片

标准分类号

标准ICS号:纺织和皮革技术>>纺织产品>>59.080.30纺织物

中标分类号:纺织>>针织>>W63针织品

关联标准

替代情况:替代FZ/T 73016-2013

出版信息

出版社:中国标准出版社

页数:16页

标准价格:18.0

出版日期:2021-01-01

相关单位信息

起草人:葛传兵、刘凤荣、樊蓉、何爱芳、杨树娟、何炳祥、林若文、张晓烽、朱向华、吴一鸣、徐瑞波、何俊文

起草单位:天纺标检测认证股份有限公司、福建凤竹纺织科技股份有限公司、恒源祥(集团)有限公司、宁波大千纺织品有限公司、广东奥丽侬内衣集团有限公司、金发拉比妇婴童用品股份有限公司等

归口单位:全国纺织品标准化技术委员会针织品分会(SAC/TC 209/SC 6)

提出单位:中国纺织工业联合会

发布部门:中华人民共和国工业和信息化部

标准简介

本标准规定了针织保暖内衣 絮片型产品号型、要求、试验方法、判定规则、产品使用说明、包装、运输和贮存。 本标准适用于保温率在45%及以上的絮片型针织保暖内衣产品。不适用于年龄在36个月及以下的婴幼儿服装。


标准图片预览

FZ/T 73016-2020针织保暖内衣 絮片型
FZ/T 73016-2020针织保暖内衣 絮片型
FZ/T 73016-2020针织保暖内衣 絮片型
FZ/T 73016-2020针织保暖内衣 絮片型
FZ/T 73016-2020针织保暖内衣 絮片型

标准内容

ICS59.080.30
中华人民共和国纺织行业标准
FZ/T73016—2020
代替FZ/T73016—2013
针织保暖内衣
絮片型
Knitted thermal underwear-Wadding category2020-12-09发布
中华人民共和国工业和信息化部发布
2021-04-01实施
本标准按照GB/T1.1一2009给出的规则起草。本部分代替FZ/T73016—2013《针织保暖内衣变化如下:
FZ/T73016—2020
絮片型》。与FZ/T73016—2013相比主要技术修改了标准适用范围(见第1章,2013年版的第1章);调整了规范性引用文件(见第2章,2013年版的第2章);增加了絮片型产品的定义(见第3章);增加了超范围号型的标注原则(见第4章);删除了顶破强力的考核指标(2013年版的4.3.1表1);修改了纤维含量的考核标准(见5.2.1表1,2013年版的4.3.1表1);调整水洗尺寸变化率考核指标(见5.2.1表1,2013年版的4.3.1表1);增加了洗后外观质量的考核指标(见5.2.1表1);增加了填充物品质的考核指标(见5.2.1表1);增加了本色及漂白产品色牢度的考核要求说明(见5.2.4);增加儿童产品考核要求说明(见5.2.5);增加了缝制疵点的考核要求(见5.3.1.1);修改了规格尺寸偏差指标的划分依据并调整了指标要求(见5.3.2表3,2013年版的4.4.5表3);增加了原材料规定(见5.3.5);修改了内在质量判定内容(见8.1.1,2013年版的6.2);增加了结果判定、单件判定和其他(8.1.3、8.2和8.3);修改了儿童产品使用说明引用规定(见9.1,2013年版的7.1)。本标准由中国纺织工业联合会提出。本标准由全国纺织品标准化技术委员会针织品分会(SAC/TC209/SC6)归口。本标准主要起草单位:天纺标检测认证股份有限公司、福建凤竹纺织科技股份有限公司、恒源祥(集团)有限公司、宁波大千纺织品有限公司、广东奥丽侬内衣集团有限公司、金发拉比妇婴童用品股份有限公司、浙江宝娜斯袜业有限公司、北极绒(上海)实业发展有限公司、天纺标(广东)检测科技有限公司、上海圣利斯服饰有限公司、天纺标(上海)检测科技有限公司、广东新怡内衣科技有限公司。本标准主要起草人:葛传兵、刘凤荣、樊蓉、何爱芳、杨树娟、何炳祥、林若文、张晓烽、朱向华、吴一鸣、徐瑞波、何俊文。
本标准所代替标准的历次版本发布情况为:-FZ/T73016—2000、FZ/T73016—2013。1
1范围
针织保暖内衣
絮片型
FZ/T73016—2020
本标准规定了絮片型针织保暖内衣的术语和定义、产品号型、要求、试验方法、判定规则、产品使用说明、包装、运输和贮存。
本标准适用于保温率在45%及以上的絮片型针织保暖内衣产品。不适用于年龄在36个月及以下的婴幼儿服装。2规范性引用文件
下列文件对于本文件的应用是必不可少的。凡是注日期的引用文件,仅注日期的版本适用于本文件。凡是不注日期的引用文件,其最新版本(包括所有的修改单)适用于本文件。GB/T1335(所有部分)
GB/T2910(所有部分)
GB/T2912.1
GB/T3920
纺织品
纺织品
GB/T3921—2008
GB/T3922
服装号型
纺织品
定量化学分析
甲醛的测定第1部分:游离和水解的甲醛(水萃取法)色牢度试验耐摩擦色牢度
纺织品色牢度试验耐皂洗色牢度纺织品
GB/T4802.1—2008
色牢度试验耐汗渍色牢度
纺织品
织物起毛起球性能的测定
第1部分:圆轨迹法
GB/T4856
针棉织品包装
GB/T5296.4
消费品使用说明
第4部分:纺织品和服装
GB/T5713
GB/T6411
GB/T6529
GB/T7573
色牢度试验耐水色牢度
纺织品
针织内衣规格尺寸系列
纺织品
纺织品
GB/T8629—2017
GB/T8878
调湿和试验用标准大气
水萃取液pH值的测定
纺织品
棉针织内衣
试验用家庭洗涤和干燥程序
织物透湿性试验方法
第1部分:吸湿法
GB/T12704.1—2009
纺织品
GB/T16988
GB/T17592
GB18401
特种动物纤维与绵羊毛混合物含量的测定禁用偶氮染料的测定
纺织品
国家纺织产品基本安全技术规范GB/T29862
GB31701
纤维含量的标识
纺织品
婴幼儿及儿童纺织产品安全技术规范GB/T38015
FZ/T01026
定量化学分析
纺织品
氨纶与某些其他纤维的混合物
纺织品
定量化学分析
多组分纤维混合物
FZ/T01057(所有部分)
FZ/T01101
GSB16-1523
GSB16-2159
纺织纤维鉴别试验方法
纺织品纤维含量的测定
物理法
针织物起毛起球样照
针织产品标准深度样卡(1/12)
FZ/T73016—2020
GSB16-2500
3术语和定义
针织物表面臧点彩色样照
下列术语和定义适用于本文件。3.1
絮片型针织保暖内衣
waddingknittedthermalunderdwear填充物为以散纤维为主要原料形成的具有一定结合力且厚度均勾的片状物的针织保暖内衣。产品号型
按GB/T6411或GB/T1335(所有部分)执行,超出标准范围的号型标注按标准规定的跳档原则依次递增或递减。
5要求
分等规定
5.1.1产品的质量等级分为优等品、一等品、合格品。5.1.2
内在质量按批(交货批)评等,外观质量按件评等,二者结合以最低等级定等。内在质量各项指标,以试验结果最低一项作为该批产品的评等依据。5.1.4在同一件产品上发现属于不同品等的外观质量问题时,按最低等疵点评定。在同一件产品上只允许有两个同等级的极限表面疵点存在,超过者应降低一个等级。5.2
内在质量要求
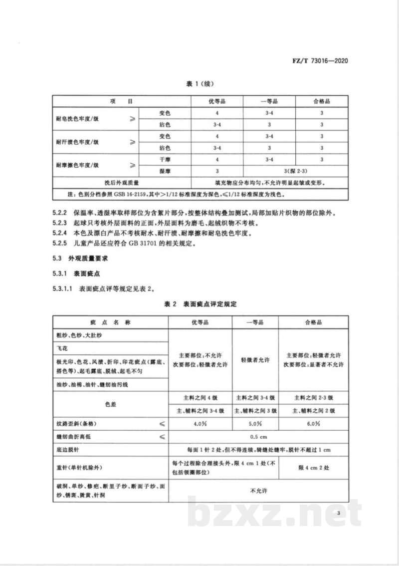
内在质量要求见表1。
纤维含量/%
甲醛含量/((mg/kg)
可分解致癌芳香胺染料/(mg/kg)保温率/%
起球/级
透湿率g/m2·24h)
水洗尺寸变化率/%
耐水色牢度/级
内在质量要求
优等品
-5.0~+1.0
-5.0~+1.0
一等品
按GB/T29862规定执行
按GB18401规定执行
-6.0~+2.0
-7.0~+2.0
合格品
-8.0~+2.0
-8.0~+2.0
耐皂洗色牢度/级
耐汗渍色牢度/级
耐摩擦色牢度/级
洗后外观质量
表1(续)
优等品
一等品
FZ/T73016—2020
合格品
3(深2-3)
填充物应分布均匀,不允许明显起皱或变形。注:色别分档参照GSB16-2159,其中>1/12标准深度为深色,≤1/12标准深度为浅色。5.2.2
保温率、透湿率取样部位为含絮片部分,按整体结构叠加测试,局部加贴片织物的部位除外起球只考核外层面料的正面,外层面料为磨毛、起绒织物不考核。本色及漂白产品不考核耐水、耐汗渍、耐摩擦和耐皂洗色牢度。儿童产品还应符合GB31701的相关规定。外观质量要求
表面疵点
表面疵点评等规定见表2。
表面疵点评定规定
疵点名称
粗纱、色纱、大肚纱
极光印、色花、风渍、折印、印花疵点(露底、搭色等)、起毛露底、脱绒、起毛不匀油纱、油棉、油针、缝纫油污线色差
纹路歪斜(条格)
缝纫曲折高低
底边脱针
重针(单针机除外)
破洞、单纱、修疤、断里子纱、断面子纱、面纱、锈斑、烫黄、针洞
优等品
主要部位不允许
次要部位:轻微者允许
主料之间4级
主、辅料之间3-4级
一等品
轻微者允许
主料之间3-4级
主、辅料之间3级
合格品
主要部位:轻微者允许
次要部位:显著者不允许
主料之间2-3级
主、辅料之间2级
每面1针2处,但不得连续,骑缝处缝牢,脱针不超过1cm每个过程除合理接头外,限4cm1处(不包括领圈部位)
不允许
限4cm2处
FZ/T73016—2020
缝制疵点
点名称免费标准bzxz.net
表面绗线不平服
上下线松紧不适宜
表面疵点程度按GSB16-2500执行。表2(续)
优等品
不允许
不允许
一等品
轻微者允许
注1:主要部位指上衣前身上部的三分之二(包括后领窝露面部位),裤类无主要部位。注2:疵点程度描述:
轻微:直观上不明显,通过仔细辨认才可看出。明显;不影响整体效果,但能感觉到症点的存在。显著:明显影响整体效果的疵点。5.3.1.2
凡遇条文未规定的表面疵点参照相似疵点处理。表面疵点长度及疵点数量均为最大极限值。规格尺寸偏差
见表3。
规格尺寸偏差
长度方向
(衣长、袖长、裤长、直档)
60及以上
60以下
宽度方向
(1/2胸围、1/2臀围、横档)
对称部位尺寸差异
见表4。
优等品
对称部位尺寸差异
缝制规定
优等品
缝纫应牢固,线迹要顺直、圆顺、松紧适宜。一等品
一等品
合格品
明显者主要部位不允许
次要部位不能超出2处
轻微者允许
单位为厘米
合格品
单位为厘米
合格品
2缝制产品时应用强力、缩率、色泽与面料相适宜的缝纫线(装饰线除外)。5.3.4.2
5.3.4.3产品领型端正、门襟平直,熨烫平整,线头修清。5.3.4.4全身铺填,厚薄一致(特殊设计除外)。5.3.4.5针迹密度根据产品薄厚情况自行规定。5.3.5原材料
所用里料、衬布的尺寸变化率应与成衣的最外层面料相适宜。所用内胆衬布宜使用透气、透湿的面料。5.3.5.2
试验方法
内在质量检验
6.1.1纤维含量
FZ/T73016—2020
按GB/T2910(所有部分)、GB/T16988、GB/T38015、FZ/T01026、FZ/T01057(所有部分)、FZ/T01101等规定执行。
2甲醛含量
按GB/T2912.1规定执行。
3pH值
按GB/T7573规定执行。
6.1.4异味
按GB18401规定执行。
5可分解致癌芳香胺染料
按GB/T17592规定执行。
6保温率
按附录A规定执行。
6.1.7起球
按GB/T4802.1—2008中E法规定执行,评级按GSB16-1523评定。8透湿率
按GB/T12704.1一2009规定执行,采用试验条件a)。6.1.9水洗尺寸变化率
按GB/T8878规定执行。洗涤程序按GB/T8629一2017中A型洗衣机4N程序的规定执行,标示“手洗”的产品按GB/T8629一2017中A型洗衣机4H程序执行,洗涤剂选用“标准洗涤剂3”,干燥程序为悬挂晾干。
FZ/T73016—2020
耐水色牢度
按GB/T5713规定执行。
耐皂洗色牢度
按GB/T3921—2008规定执行,试验条件按A(1)执行。6.1.12
耐汗渍色牢度
按GB/T3922规定执行。
3耐摩擦色牢度
按GB/T3920规定执行,只做直向。6.1.14洗后外观
按本标准水洗尺寸变化率试验方法的规定进行洗涤,并且按表1的要求进对洗后服装进行逐件评定。
6.2外观质量检验
检验条件
光为准。
一般采用灯光检验,在照度不低于6001x的光源下检验。如在室内利用自然光源,应以天然北检验时应将产品平摊在检验台上,台面铺一层白布,检验人员的视线应正视平摊产品的表面,6.2.1.2
目光与产品中间距离为35cm以上。测量部位及测量方法
上衣测量部位见图1。
说明:
衣长;
—1/2胸围;
袖长。
图1上衣测量部位
裤子测量部位见图2。
说明:
一裤长;
一直档;
横档;
7——1/2臀围。
各部位测量方法见表4。
抽样规则
1/2胸围
1/2臀围
裤子测量部位
5各部位测量方法
测量方法
由肩缝最高处量到底边
由挂肩缝与侧缝缝合处向下2cm水平横量FZ/T73016—2020
由肩缝与袖笼缝的交点到袖口边,插肩式由后领中间量到袖口处后腰宽的1/4处向下直量到裤口边裤身相对折,从腰边口向下斜量到档角处裤身相对折,从档角处横量
由腰边向下至档底2/3处横量
内在质量按批分品种、色别随机采样4件,不足时可增加抽样数量。外观质量按批分品种、色别随机采样1%~3%,但不得少于20件。判定规则
批量判定
内在质量
内在质量按5.2要求,有一项及以上不符合,则判定该批产品不合格。其中,色牢度项目不符合则按色别判定该批产品不合格。若产品明示保温率高于标准值,其检验结果按明示指标判定。洗后外观检验结果至少2件及以上均合格者判定该批产品合格,不合格者判定该批产品不合格。7
FZ/T73016-—2020
8.1.2外观质量
外观质量按品种、色别计算不符品等率。凡不符品等率在5%及以内者,判定该批产品合格;不符品等率在5%以上者,判定该批产品不合格。8.1.3结果判定
按8.1.1和8.1.2考核均合格,则判定该批产品合格。8.2单件判定
若产品检验件数低于批量判定的抽样件数时,内在质量和外观质量只对被检样品进行测定,并参照8.1规定进行判定,并在检验报告中注明。8.3其他
严重影响服用性能的缺陷不允许。8.4复验
任何一方对检验结果有异议时,均可要求复验。复验结果按8.1、8.2、8.3规定执行,判定以复检结果为准。8.4.2
9产品使用说明、包装、运输和贮存产品使用说明按GB/T5296.4规定执行,儿童产品按GB/T5296.4和GB31701规定执行。9.1
产品包装按GB/T4856规定执行或协议规定执行。9.2
产品的运输应防潮、防火、防污。9.3
产品宜放在阴凉、通风、干燥、清洁的库房内,防蛀、防霉。8
A.1原理
附录A
(规范性附录)
保温率试验方法
FZ/T73016—2020
将试样覆盖于测试板上,测试板及底板和周围的保护板均以电热控制,并能保持恒温,使测试板的热量只能通过试样的方向散发,测定测试板在一定时间内保持恒温所需要的加热时间,计算试样的保温率。
A.2设备
A.2.1热板
由测试板、保护板、底板组成热板组件(见图A.1),每块板加热后都能维持在恒定的(36士0.1)℃。测试板是热板的一部分,它的面积应至少为0.04m2(例如每边长至少为200mm的正方形),并且要放在热板组件上表面的正中央。测试板一般为铝或铜制金属板。保护板呈环状包围着测试板,其宽度b应至少为60mm,其厚度及构成与测试板相同并与测试板共面,两板之间用大约3mm宽的软木条或其他绝热材料相互隔热。保护板用于防止测试板横向热损失。
底板的厚度及构成与测试板和保护板相同,底板与测试板和保护板平行,并保持一定距离(例如25mm~75mm)使上下板之间形成气室。底板的作用是防止测试板和保护板向下的热量损失。2
说明:
测试板;
保护板;
底板;
一木质框架;
隔热层。
图A.1热板
A.2.2温度检测与控制器
测试板、保护板、底板应各自具有温度传感器和温度控制器。传感器探头安放在板的内部且尽可能地靠近板的外表面,用来测定各自表面的温度;温度控制器应保持各板温度恒定,精度达到士0.1℃。A.2.3仪器罩
置于热板上方,仪器罩与热板位置示意图见图A.2,罩内风速不超过0.1m/s。9
小提示:此标准内容仅展示完整标准里的部分截取内容,若需要完整标准请到上方自行免费下载完整标准文档。