首页 > 其他行业标准 > FZ/T 73022-2012针织保暖内衣
FZ/T 73022-2012

基本信息

标准号: FZ/T 73022-2012

中文名称:针织保暖内衣

标准类别:其他行业标准

英文名称:Knitted theraml underwear

标准状态:已作废

发布日期:2012-12-28

实施日期:2013-06-01

作废日期:2020-07-01

出版语种:简体中文

下载格式:.pdf .zip

相关标签: 针织 内衣

标准分类号

标准ICS号:ICS 纺织和皮革技术>>纺织产品>>59.080.30纺织物

中标分类号:纺织>>针织>>W63针织品

关联标准

替代情况:替代FZ/T 73022-2004;被FZ/T 73022-2019代替

出版信息

出版社:中国标准出版社

书号:155066·2-24640

页数:12页

标准价格:16.0

出版日期:2013-06-01

相关单位信息

起草人:王新丽、鲍进跃、方国平、王锡良、费海芬等

起草单位:国家针织产品质量监督检验中心、浙江浪莎内衣有限公司、上海帕兰朵高级服饰有限公司等

归口单位:全国纺织品标准化技术委员会针织品分会(SAC/TC 209/SC 6)

提出单位:中国纺织工业联合会

发布部门:中华人民共和国工业和信息化部

主管部门:全国纺织品标准化技术委员会针织品分会(SAC/TC 209/SC 6)

标准简介

本标准规定了针织保暖内衣产品号型、要求、试验方法、判定规则、产品使用说明和包装。 本标准适用于鉴定针织保暖内衣产品品质。本标准不适用于絮片类产品。
本标准按照GB/T1.1—2009给出的规则起草。
本部分代替FZ/T73022—2004《针织保暖内衣》。与FZ/T73022—2004相比主要技术变化如下:
———增加了耐水色牢度、可分解致癌芳香胺染料、异味、印花耐皂洗色牢度、印花耐摩擦色牢度考核项目和指标(见4.3.1);
———修改了一等品、合格品湿摩擦色牢度指标(见4.3.1,2004版4.2.1);
———修改了顶破强力指标(见4.3.1,2004版4.2.1);
———调整了保温率、透气率只考核产品主面料,局部加贴片层织物部位不考核(见4.3.4);
———增加了起球只考核成品正面,磨毛、起绒织物不考核(见4.3.5);
———增加了对于多层结构的产品,顶破强力叠加测试的规定(见5.4.1);
———修改了耐皂洗色牢度试验方法(见5.4.12,2004年版5.4.9);
———调整了规格尺寸偏差中个别指标(见4.4.5,2004年版4.4.3)。
本标准由中国纺织工业联合会提出。
本标准由全国纺织品标准化技术委员会针织品分会(SAC/TC209/SC6)归口。
本标准主要起草单位:国家针织产品质量监督检验中心、浙江浪莎内衣有限公司、上海帕兰朵高级服饰有限公司、江苏新雪竹国际服饰有限公司、上海波顺纺织品有限公司、深圳汇洁集团股份有限公司、上海三枪集团有限公司、江苏AB集团股份有限公司、郡产贸易(上海)有限公司、浙江顺时针服饰有限公司、安莉芳(中国)服装有限公司、广东奥丽侬内衣集团有限公司、红豆集团有限公司、青岛即发集团股份有限公司、青岛雪达集团有限公司、旭化成纺织贸易(上海)有限公司、武汉爱帝高级服饰有限公司、冠华针织厂有限公司、浙江嘉明染整有限公司、珠海兆天贸易有限公司。
本标准主要起草人:王新丽、鲍进跃、方国平、王锡良、费海芬、董小英、薛继凤、吴鸿烈、盛燕、龚益辉、曹海辉、何炳祥、葛东瑛、解珍香、王显旗、莫合领、胡萍、刘晓明、杨广权、奚斌。
本标准所代替标准的历次版本发布情况为:
———FZ/T73022—2004。
下列文件对于本文件的应用是必不可少的。凡是注日期的引用文件,仅注日期的版本适用于本文件。凡是不注日期的引用文件,其最新版本(包括所有的修改单)适用于本文件。
GB/T1335(所有部分) 服装号型
GB/T2910(所有部分) 纺织品 定量化学分析
GB/T2912.1 纺织品 甲醛的测定 第1部分:游离水解的甲醛(水萃取法)
GB/T3920 纺织品 色牢度试验 耐摩擦色牢度
GB/T3921—2008 纺织品 色牢度试验 耐皂洗色牢度
GB/T3922 纺织品耐汗渍色牢度试验方法
GB/T4802.1—2008 纺织品 织物起毛起球性能的测定 第1部分:圆轨迹法
GB/T4856 针棉织品包装
GB5296.4 消费品使用说明 纺织品和服装使用说明
GB/T5453 纺织品 织物透气性的测定
GB/T5713 纺织品 色牢度试验 耐水色牢度
GB/T6411 针织内衣规格尺寸系列
GB/T7573 纺织品 水萃取液pH 值的测定
GB/T8878—2009 棉针织内衣
GB/T11048—1989 纺织品保温性能试验方法
GB/T14801 机织物和针织物纬斜和弓纬的试验方法
GB/T17592 纺织品 禁用偶氮染料的测定
GB18401 国家纺织产品基本安全技术规范
GB/T19976—2005 纺织品 顶破强力的测定 钢球法
GB/T23344 纺织品 4-氨基偶氮苯的测定
FZ/T01026 纺织品 四组分纤维混纺产品定量化学分析方法
FZ/T01053 纺织品 纤维含量的标识
FZ/T01057(所有部分) 纺织纤维鉴别试验方法
FZ/T01095 纺织品 氨纶产品纤维含量的试验方法
FZ/T01101 纺织品 纤维含量的测定 物理法
GSB16-1523 针织物起毛起球样照
GSB16-2159 针织产品标准深度样卡(1/12)
GSB16-2500 针织物表面疵点彩色样照

标准图片预览

FZ/T 73022-2012针织保暖内衣
FZ/T 73022-2012针织保暖内衣
FZ/T 73022-2012针织保暖内衣
FZ/T 73022-2012针织保暖内衣
FZ/T 73022-2012针织保暖内衣

标准内容

ICS59.080.30
中华人民共和国纺织行业标准
FZ/T73022-2012
代替FZ/T73022--2004
针织保暖内衣
Knittedthermalunderwear
2012-12-28发布
中华人民共和国工业和信息化部发布
2013-06-01实施
中华人民共和国纺织
行业标准
针织保暖内衣
FZ/T73022—2012
中国标准出版社出版发行
北京市朝阳区和平里西街甲2号(100013)北京市西城区三里河北街16号(100045)网址www.spc.net.cn
总编室:(010)64275323发行中心:(010)51780235读者服务部:(010)68523946
中国标准出版社秦皇岛印刷厂印刷各地新华书店经销
开本880×12301/16
印张0.75
字数17千字
2013年3月第一次印刷
2013年3月第一版
书号:155066·2-24640
如有印装差错
由本社发行中心调换
版权专有侵权必究
举报电话:(010)68510107
本标准按照GB/T1.1一2009给出的规则起草。FZ/T73022—2012
本部分代替FZ/T73022—2004《针织保暖内衣》。与FZ/T73022—2004相比主要技术变化如下:增加了耐水色牢度、可分解致癌芳香胺染料、异味、印花耐皂洗色牢度、印花耐摩擦色牢度考核项目和指标(见4.3.1);
修改了一等品、合格品湿摩擦色牢度指标(见4,3.1,2004版4.2.1);修改了顶破强力指标(见4.3.1,2004版4.2.1);-调整了保温率、透气率只考核产品主面料,局部加贴片层织物部位不考核(见4.3.4);增加了起球只考核成品正面,磨毛、起绒织物不考核(见4.3.5);增加了对于多层结构的产品,顶破强力叠加测试的规定(见5.4.1);修改了耐皂洗色牢度试验方法(见5.4.12,2004年版5.4.9);调整了规格尺寸偏差中个别指标(见4.4.5,2004年版4.4.3)。本标准由中国纺织工业联合会提出。本标准由全国纺织品标准化技术委员会针织品分会(SAC/TC209/SC6)归口。本标准主要起草单位:国家针织产品质量监督检验中心、浙江浪莎内衣有限公司、上海帕兰朵高级服饰有限公司、江苏新雪竹国际服饰有限公司、上海波顺纺织品有限公司、深圳市汇洁集团股份有限公司、上海三枪集团有限公司、江苏AB集团股份有限公司、郡产贸易(上海)有限公司、浙江顺时针服饰有限公司、安莉芳(中国)服装有限公司、广东奥丽侬内衣集团有限公司、红豆集团有限公司、青岛即发集团股份有限公司、青岛雪达集团有限公司、旭化成纺织贸易(上海)有限公司、武汉爱帝高级服饰有限公司、冠华针织厂有限公司、浙江嘉明染整有限公司、珠海兆天贸易有限公司。本标准主要起草人:王新丽、鲍进跃、方国平、王锡良、费海芬、董小英、薛继凤、吴鸿烈、盛燕、龚益辉、曹海辉、何炳祥、葛东瑛、解珍香、王显旗、莫合领、胡萍、刘晓明、杨广权、奚斌。本标准所代替标准的历次版本发布情况为:FZ/T73022—2004。
1范围
针织保暖内衣
FZ/T73022—2012
本标准规定了针织保暖内衣产品号型、要求、试验方法、判定规则、产品使用说明和包装。本标准适用于鉴定针织保暖内衣产品品质。本标准不适用于絮片类产品。
2规范性引用文件
下列文件对于本文件的应用是必不可少的。凡是注日期的引用文件,仅注日期的版本适用于本文件。凡是不注日期的引用文件,其最新版本(包括所有的修改单)适用于本文件。GB/T1335(所有部分)服装号型GB/T2910(所有部分)纺织品定量化学分析GB/T2912.1纺织品甲醛的测定第1部分:游离水解的甲醛(水萃取法)GB/T3920
纺织品色牢度试验耐摩擦色牢度GB/T3921—2008纺织品色牢度试验耐皂洗色牢度GB/T3922
纺织品耐汗渍色牢度试验方法
GB/T4802.1—2008
纺织品
GB/T4856
GB/T5453
GB/T5713
GB/T6411
GB/T7573
针棉织品包装
织物起毛起球性能的测定
第1部分:圆轨迹法
消费品使用说明主
纺织品和服装使用说明
织物透气性的测定
纺织品
纺织品
色牢度试验耐水色牢度
针织内衣规格尺寸系列
纺织品水萃取液pH值的测定
GB/T8878—2009
棉针织内衣
GB/T11048—1989
GB/T14801
GB/T17592
GB18401
纺织品保温性能试验方法
机织物和针织物纬斜和弓纬的试验方法纺织品禁用偶氮染料的测定
国家纺织产品基本安全技术规范GB/T199762005纺织品顶破强力的测定钢球法GB/T23344
FZ/T01026
FZ/T01053
纺织品4-氨基偶氮苯的测定
纺织品
四组分纤维混纺产品定量化学分析方法纺织品
纤维含量的标识
FZ/T01057(所有部分)
纺织纤维鉴别试验方法
FZ/T01095
FZ/T01101
氨纶产品纤维含量的试验方法
纺织品
纺织品纤维含量的测定物理法
GSB16-15234
针织物起毛起球样照
GSB16-2159
针织产品标准深度样卡(1/12)
GSB16-2500
针织物表面疵点彩色样照
FZ/T73022—2012
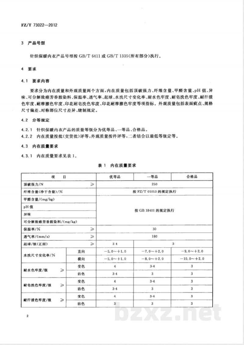
3产品号型
针织保暖内衣产品号型按GB/T6411或GB/T1335(所有部分)执行。4要求
4.1要求内容
要求分为内在质量和外观质量两个方面,内在质量包括顶破强力、纤维含量、甲醛含量、PH值、异味、可分解致癌芳香胺染料、保温率、透气率、起球、水洗尺寸变化率、耐水色牢度、耐皂洗色牢度、耐汗渍色牢度、耐摩擦色牢度、印花耐皂洗色牢度、印花耐摩擦色牢度等项指标。外观质量包括表面疵点、规格尺寸偏差、对称部位尺寸差异、缝制规定。4.2分等规定
4.2.1针织保暖内衣产品的质量等级分为优等品、一等品、合格品。4.2.2内在质量按批(交货批)评等,外观质量按件评等,二者结合以最低等级定等。4.3内在质量要求
内在质量要求见表1。
表1内在质量要求
顶破强力/N
纤维含量(净干含量)/%
甲醛含量/(mg/kg)
可分解致癌芳香胺染料/(mg/kg)保温率/%
透气率/(mm/s)
起球/级(正面)
水洗尺寸变化率/%
耐水色牢度/级
耐皂洗色牢度/级
耐汗渍色牢度/级
优等品
一等品
按FZ/T01053的规定执行
按GB18401的规定执行
-7.0~+2.0
合格品
-9.0~+2.0
-10.0~+2.0
耐摩擦色牢度/级
印花耐皂洗色牢度/级
印花耐摩擦色牢度/级≥
表1(续)
优等品
一等品
3(深2)
色别分档:按GSB16-2159,>1/12标准深度为深色,≤1/12标准深度为浅色。4.3.2
内在质量按各项指标试验结果中最低等级定等。3
FZ/T73022—2012
合格品
2-3(深2)
4.3.3弹力织物产品不考核横向水洗尺寸变化率(弹力织物指罗纹织物和含弹性纤维的织物)。4.3.4保温率、透气率只考核产品主面料,局部加贴片层织物部位不考核。4.3.5起球只考核成品正面,多层结构产品只考核最外层面料,磨毛、起绒织物不考核。4.4
外观质量要求
外观质量评等规定
4.4.1.1外观质量评等按表面疵点、规格尺寸偏差、对称部位尺寸差异、缝制规定的评等来决定。在同一件产品上发现不同品等的外观症点时,按最低品等疵点评定。4.4.1.2在同一件产品上只允许有两个相同等级的极限表面疵点存在,超过者应降低一个等级。4.4.2表面疵点
表面疵点按GB/T8878—2009中4.4.1.4.1的规定执行。表面疵点程度按GSB16-2500执行。4.4.3测量部位及规定
上衣测量部位见图1。
衣长;
—-1/2胸围;
袖长。
图1上衣测量部位
FZ/T73022--2012
4.4.3.2裤子测量部位见图2。
裤长;
5直档;
横档;
-1/2臀围。
成衣测量部位及规定见表2。
1/2胸围
1/2臀围
图2裤子测量部位
表2成衣测量部位及规定
测量方法
由肩缝最高处量到底边
由挂肩缝与侧缝缝合处向下2cm水平横量由肩缝与袖笼缝的交点到袖口边,插肩式由后领中间量到袖口处后腰宽的1/4处向下直量到裤口边裤身相对折,从腰边口向下斜量到档角处裤身相对折,从档角处横量
由腰边向下至档底2/3处横量
注:各部位测量值精确至0.1cm。4.4.5
规格尺寸偏差见表3。
表3规格尺寸偏差
1/2胸(臀)围
优等品
儿童中童
一等品
合格品
优等品
一等品
单位为厘米
合格品
4.4.6对称部位尺寸差异见表4。项
15cm~76cm
>76 cm
缝制规定(不分品等)
表4对称部位尺寸差异
优等品
4.4.7.1加固部位:合肩处、裤档叉子合缝处、缝迹边缘。一等品
FZ/T73022—2012
单位为厘米
合格品
4.4.7.2加固方法:采用四线或五线包缝机缝制、双针绷缝、打回针、打套结或加辅料。4.4.7.3三线包缝机缝边宽度不低于0.3cm,四线不低于0.4cm,五线不低于0.6cm。5试验方法
5.1抽样数量
5.1.1外观质量按批分品种、色别、规格尺寸随机采样1.0%~3.0%,但不得少于20件。5.1.2内在质量按批分品种、色别、规格尺寸随机采样5件,不足时可增加件数。5.2外观质量检验条件
一般采用灯光检验,用40W青光或白光日光灯一支,上面加灯罩,灯罩与检验台面中心垂直距离为(80士5)cm。
5.2.2如在室内利用自然光检验,光源射人方向为北向左(或右)上角,不能使阳光直射产品。5.2.3检验时应将产品平摊在检验台上,台面铺白布一层,检验人员的视线应正视产品的表面,双目与产品中间距离为35cm以上。
5.3试样准备和试验条件
5.3.1在产品的不同部位取样,所取的试样不应有影响试验的疵点。5.3.2在顶破强力、保温率、透气率、起球、水洗尺寸变化率试验前,需将试样在常温下展开平放20h,在试验室温度为(20士2)℃,相对湿度为(65士4)%条件下,调湿放置4h后再进行试验。5.4试验项目
5.4.1顶破强力试验
按GB/T19976一2005的规定执行。钢球直径采用(38士0.02)mm。对于多层结构产品,顶破强力叠加测试。
5.4.2纤维含量试验
按GB/T2910(所有部分)、FZ/T01057(所有部分)、FZ/T01095、FZ/T01026、FZ/T01101的规定执行。
FZ/T73022—2012
5.4.3甲醛含量试验
按GB/T2912.1的规定执行。
5.4.4pH值试验
按GB/T7573的规定执行。
5.4.5异味试验
按GB18401的规定执行。
5.4.6可分解致癌芳香胺染料试验按GB/T17592和GB/T23344的规定执行。一般先按GB/T17592检测,当检出苯胺和/或1,4苯二胺时,再按GB/T23344检测。保温率试验
按GB/T11048-—1989A法的规定执行。5.4.8透气率试验
按GB/T5453的规定执行,试样两侧压降为100Pa。5.4.9起球试验
按GB/T4802.1--2008中E法的规定执行,评级根据织物风格和起球形状按GSB16-1523针织物起毛起球样照评定。
5.4.10水洗尺寸变化率试验
按GB/T8878—2009中5.4.2的规定执行,试验件数3件。5.4.11耐水色牢度试验
按GB/T.5713的规定执行。
5.4.12耐皂洗色牢度、印花耐皂洗色牢试验按GB/T3921—2008的规定执行,试验条件按方法A(1)执行。5.4.13耐汗渍色牢度试验免费标准下载网bzxz
按GB/T3922的规定执行。
5.4.14耐摩擦色牢度、印花耐摩擦色牢度试验按GB/T3920的规定执行,只做直向。纹路歪斜试验
按GB/T14801的规定执行。
6判定规则
6.1外观质量
FZ/T73022—2012
外观质量按品种、色别、规格尺寸计算不符品等率。凡不符品等率在5.0%及以内者,判定该批产品合格,不符品等率在5.0%以上者,判定该批产品不合格。6.2内在质量
6.2.1纤维含量、甲醛含量、pH值、异味、可分解致瘤芳香胺染料、透气率、顶破强力、起球检验结果合格者,判定该批产品合格,有一项不合格者判定该批产品不合格。6.2.2保温率检验结果合格者判定该批产品合格,不合格者判定该批产品不合格。若产品明示保温率,其检验结果按明示指标判定。6.2:3水洗尺寸变化率以全部试样的算术平均值作为检验结果,平均合格为合格。若同时存在收缩与倒涨试验结果时,以收缩(或倒涨)的两件试样的算术平均值作为检验结果,合格者判定该批产品合格,不合格者判定该批产品不合格。6.2.4耐水色牢度、耐皂洗色牢度、耐汗渍色牢度、耐摩擦色牢度、印花耐皂洗色牢度、印花耐摩擦色牢度检验结果合格者,判定该批产品合格,不合格者分色别判定该批产品不合格。6.3复验
6.3.1任何-方对检验的结果有异议时,在规定期限内对所有异议的项目均可要求复验。6.3.2要求复验时,必须保留要求复验数量的全部。6.3.3复验时检验数量为初验时检验数量的2倍,复验结果按本标准6.1、6.2的规定执行,判定以复验结果为准。
7产品使用说明和包装
7.1产品使用说明
按GB5296.4、GB18401的规定执行。7.2产品包装
按GB/T4856的规定执行或企业自定。FZ/T73022—2012
附录A
(资料性附录)
热阻试验方法和要求
A.1热阻试验按照GB/T11048—2008《纺织品生理舒适性A.2
热阻指标参考值≥0.06m2·K/W。FZ/T73022-2012
稳定条件下热阻和湿阻的测定》执行。版权专有侵权必究
书号:155066·2-24640
小提示:此标准内容仅展示完整标准里的部分截取内容,若需要完整标准请到上方自行免费下载完整标准文档。