首页 > 其他行业标准 > FZ/T 12067-2020涤纶羊毛混纺本色纱
FZ/T 12067-2020

基本信息

标准号: FZ/T 12067-2020

中文名称:涤纶羊毛混纺本色纱

标准类别:其他行业标准

英文名称:Polyester and wool blended grey yarn

标准状态:现行

发布日期:2020-12-09

实施日期:2021-04-01

出版语种:简体中文

下载格式:.pdf .zip

相关标签: 涤纶 羊毛 混纺 色纱

标准分类号

标准ICS号:纺织和皮革技术>>纺织产品>>59.080.20纱线

中标分类号:纺织>>棉纺织>>W12棉纱、线

关联标准

出版信息

出版社:中国标准出版社

页数:12页

标准价格:16.0

出版日期:2021-01-29

相关单位信息

起草人:孔聪、陈启升、段丽慧、张永超、胡英杰、刘玉庆、蒋建清、施宋伟、杨晓慧

起草单位:山东联润新材料科技有限公司、上海市纺织工业技术监督所、安徽羚威羊绒制品有限公司、浙江华孚色纺有限公司、德州恒丰纺织有限公司、浙江春江轻纺集团有限责任公司、福州长源纺织有限公司、中国棉纺织行业协会

归口单位:全国纺织品标准化技术委员会棉纺织分技术委员会(SAC/TC 209/SC 10)

提出单位:中国纺织工业联合会

发布部门:中华人民共和国工业和信息化部

标准简介

本标准规定了涤纶(棉型纤维)羊毛混纺本色纱产品分类、标记、要求、试验方法、检验规则和标志、包装。 本标准适用于环锭纺生产的,羊毛含量在30%及以内的涤纶羊毛混纺本色纱。


标准图片预览

FZ/T 12067-2020涤纶羊毛混纺本色纱
FZ/T 12067-2020涤纶羊毛混纺本色纱
FZ/T 12067-2020涤纶羊毛混纺本色纱
FZ/T 12067-2020涤纶羊毛混纺本色纱
FZ/T 12067-2020涤纶羊毛混纺本色纱

标准内容

ICS 59.080.20
中华人民共和国纺织行业标准
FZ/T12067—2020
涤纶羊毛混纺本色纱
Polyester and wool blended greyyarn2020-12-09发布
中华人民共和国工业和信息化部发布免费标准下载网bzxz
2021-04-01实施
本标准按照GB/T1.1一2009给出的规则起草。本标准由中国纺织工业联合会提出。FZ/T12067—2020
本标准由全国纺织品标准化技术委员会棉纺织分技术委员会(SAC/TC209/SC10)归口。本标准起草单位:山东联润新材料科技有限公司、上海市纺织工业技术监督所、安徽羚威羊绒制品有限公司、浙江华孚色纺有限公司、德州恒丰纺织有限公司、浙江春江轻纺集团有限责任公司、福州长源纺织有限公司、中国棉纺织行业协会。本标准主要起草人:孔聪、陈启升、段丽慧、张永超、胡英杰、刘玉庆、蒋建清、施宋伟、杨晓慧。I
1范围
涤纶羊毛混纺本色纱
FZ/T12067—2020
本标准规定了涤纶(棉型纤维)羊毛混纺本色纱产品分类、标记、要求、试验方法、检验规则和标志、包装。
本标准适用于环锭纺生产的,羊毛含量在30%及以内的涤纶羊毛混纺本色纱。2规范性引用文件
下列文件对于本文件的应用是必不可少的。凡是注日期的引用文件,仅注日期的版本适用于本文件。凡是不注日期的引用文件,其最新版本(包括所有的修改单)适用于本文件。GB/T2910.44
纺织品定量化学分析第4部分:某些蛋白质纤维与某些其他纤维的混合物(次氯酸盐法)
GB/T3292.14
纺织品纱线条干不匀试验方法第1部分:电容法GB/T3916
纺织品卷装纱单根纱线断裂强力和断裂伸长率的测定(CRE法)GB/T4743一2009纺织品卷装纱绞纱法线密度的测定GB/T6529
9纺织品调湿和试验用标准大气
GB/T8170
FZ/T01050
FZ/T01086
FZ/T10007
FZ/T10008
数值修约规则与极限数值的表示和判定纺织品纱线疵点的分级与检验方法电容式纺织品纱线毛羽测定方法投影计数法棉及化纤纯纺、混纺本色纱线检验规则棉及化纤纯纺、混纺纱线标志与包装3产品分类、标记
3.1涤纶羊毛混纺本色纱产品以不同生产工艺、不同混纺比及线密度分类。3.2环锭纺纱的生产工艺过程包含传统环锭纺、赛络纺、紧密纺及赛络紧密纺。3.3涤纶羊毛混纺本色纱的生产工艺过程和原料代号用英文字母表示:赛络纺代号为AA,紧密纺代号为JM,赛络紧密纺代号为AAJM,传统环链纺生产工艺过程代号不作标识:涤纶代号为T,羊毛代号为W。
3.4产品混纺比以公定质量比表示,具体表示为:涤纶含量/羊毛含量。3.5涤纶羊毛混纺本色纱标记时,应在线密度前标明纱的生产工艺过程(或代号)、原料名称(或代号)及其混纺比,具体表示见示例:示例1:
传统环锭纺涤纶羊毛混纺本色纱线密度为18.5tex,涤纶含量为70%,羊毛含量为30%,可写为T/W70/3018.5tex
示例2:
赛络紧密纺涤纶羊毛混纺本色纱线密度为18.5tex,涤纶含量为70%,羊毛含量为30%,可写为AAJMT/W70/3018.5tex。
FZ/T12067—2020
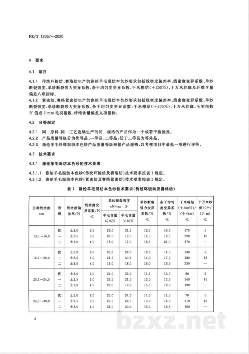
4要求
4.1项目
4.1.1传统环锭纺、赛络纺生产的涤纶羊毛混纺本色纱要求包括线密度偏差率、线密度变异系数、单纱断裂强度、单纱断裂强力变异系数、条干均匀度变异系数、千米棉结(十200%)、十万米纱疵及纤维含量偏差八项指标。
4.1.2紧密纺、赛络紧密纺生产的涤纶羊毛混纺本色纱要求包括线密度偏差率、线密度变异系数、单纱断裂强度、单纱断裂强力变异系数、条干均匀度变异系数、千米棉结(十200%)、十万米纱疵、毛羽指数H值或2mm毛羽指数、纤维含量偏差九项指标。4.2分等规定
4.2.1同一原料、同一工艺连续生产的同一规格的产品作为一个或若干检验批。4.2.2产品质量等级分为优等品、一等品、二等品,低于二等品为等外品。4.2.3
涤纶羊毛纤维混纺本色纱产品质量等级根据产品规格,以考核项目中最低一项进行评等。4.3技术要求
涤纶羊毛混纺本色纱的技术要求涤纶羊毛混纺本色纱(传统环锭纺及赛络纺)技术要求按表1规定。4.3.1.1
涤纶羊毛混纺本色纱(紧密纺及赛络紧密纺)技术要求按表2规定表1
涤纶羊毛混纺本色纱技术要求(传统环锭纺及赛络纺)线密度变
公称线密度
13.1~16.0
16.1~20.0
20.1~24.0
24.1~30.0
线密度偏
差率/%
异系数/%
单纱断裂强度
cN/tex ≥
羊毛含量
≤15%
羊毛含量
单纱断裂
强力变异
系数/%
条干均匀
度变异系
千米棉结
(+200%)/
(个/km)
十万米纱
疵/(个/
公称线密度
30.1~60.0
线密度偏
差率/%
线密度变
异系数/%
表1(续)
单纱断裂强度
cN/tex
羊毛含量
≤15%
注:针织用单纱断裂强度降低0.5cN/tex。羊毛含量
单纱断裂
强力变异
系数/%
条干均匀
度变异系
表2涤纶羊毛混纺本色纱技术要求(紧密纺及赛络紧密纺)线密度
公称线
线密度
偏差率/
变异系
单纱断裂强度
eN/tex
≤15%
注:针织用单纱断裂强度降低0.5cN/tex。羊毛
单纱断
裂强力
变异系
条干均
匀度变
异系数/
千米棉结
(+200%)/
(个/km)
FZ/T12067-—2020
千米棉结
(+200%)/
(个/km)
十万米
纱疵症/
(个/
十万米纱
斑/(个/
毛羽指数
(根/
FZ/T12067—2020
涤纶羊毛混纺本色纱其他技术要求涤纶羊毛混纺本色纱的纤维含量允许偏差为士1.5%。5试验方法
5.1线密度偏差率、线密度变异系数试验线密度偏差率按式(1)计算,计算结果保留小数点后一位,其中100m纱的实测干燥质量按GB/T4743一2009中程序2烘干后折算,100m纱的标准干燥质量按附录A中式(A.4)计算;线密度变异系数按GB/T4743一2009中程序1调湿平衡后,按式(2)计算,计算结果按GB/T8170修约至小数点后一位。
D=mm=md×100
式中:
式中:
线密度偏差率,%;
-100m纱的实测干燥质量,单位为克(g);100m纱的标准干燥质量,单位为克(g)。e-m)2
线密度变异系数,%:
每个试样的质量,单位为克(g);试样的平均质量,单位为克(g);试样的总个数。
5.2单纱断裂强度及单纱断裂强力变异系数试验按GB/T3916规定执行。
条干均匀度变异系数、千米棉结(+200%)试验5.3
按GB/T3292.1规定执行。
5.4十万米纱疵试验
按FZ/T01050规定执行,十万米纱疵结果用A3、B3、C3、D2以上九级疵点之和表示。5.5毛羽指数H值或2mm毛羽指数试验·(1)
·(2)
毛羽指数H值试验方法参照附录B规定执行,2mm毛羽指数试验方法按FZ/T01086规定执行。发生争议时,以2mm毛羽指数为准。5.6纤维含量试验
按GB/T2910.4规定执行,纤维含量以净干质量结合公定回潮率计算的公定质量百分率表示。4
检验规则
按FZ/T10007规定执行。
标志、包装
按FZ/T10008规定执行。
用户对产品有特殊要求者,供需双方可另订协议FZ/T12067-—2020
FZ/T12067—2020
附录A
(规范性附录)
涤纶羊毛混纺本色纱百米质量的计算A.1涤纶羊毛混纺本色纱的公定回潮率可按干重混纺比例计算,也可按公定质量混纺比例计算,见式(A.1)和式(A.2)(计算结果修约至小数点后一位,其中涤纶公定回潮率为0.4%,羊毛公定回潮率为16.0%):
以干重混纺比例计算公定回潮率,以百分率表示:a)
W=W+×Ar+Ww×Aw
b)以公定质量混纺比例计算公定回潮率,以百分率表示:BW++BwWw
式中:
公定回潮率,%;
W、Ww——涤纶、羊毛公定回潮率,%;AT、Aw——涤纶、羊毛干燥质量混纺百分比例;涤纶、羊毛公定质量混纺百分比例。BT、Bw
A.2100m纱在公定回潮率时的标准质量按式(A.3)计算,计算结果修约至小数点后三位。T,
式中:
-100m纱在公定回潮率的标准质量,单位为克(g);纱的公称线密度,单位为特克斯(tex)。A.3100m纱标准干燥质量ma按式(A.4)计算,计算结果修约至小数点后三位。Tx
10^100+W
式中:
-100m纱标准干燥质量,单位为克(g);混纺纱的公定回潮率,%。
.(A.1)
...A.2)
...(A.3)
(A.4)
B.1原理
附录B
(规范性附录)
毛羽指数H值试验方法
FZ/T12067—2020
光电式毛羽检测原理是连续运动的纱线在通过检测区时,突出纱体的毛羽对检测区域中的持续单色平行光进行散射,散射光被透镜系统积聚并被光电传感器检测到,检测器输出的电信号经过电路运算处理即可提供表示纱线毛羽特征的各种结果。B.2仪器
B.2.1纱架:使各种卷装的纱线能在一定张力下退绕,并使纱线不产生意外伸长或损伤。B.2.2检测器:光电式测量槽和能使纱线以一定速度经过测量槽的罗拉牵引装置等。B.2.3控制器:对测试过程进行控制、完成对纱线毛羽电信号的处理。并得出供显示或打印的各种试验结果(毛羽H值、sH值、毛羽波谱图、毛羽不匀率曲线图等)。取样数量及测试次数
B.3.1取样数量:10个卷装。
B.3.2测试次数:每个卷装各测1次。B.3.3可根据需要规定取样数量和测试次数。推荐取样长度为250m~2000m,常规测试为400m,产品验收仲裁试验为1000m。
B.4大气条件
B.4.1试样的调湿应按GB/T6529中的标准大气,即温度为(20.0士2.0)℃,相对湿度为(65.0士4.0)%的条件下平衡24h,对大而紧的样品卷装或对一个卷装需进行一次以上测试时应平衡48h。B.4.2试样应在吸湿状态下调湿平衡,必要时可以按照GB/T6529进行预调湿。B.4.3试验室若不具备上述条件时,可以在以下稳定的温湿度条件下,使试样达到平衡后进行试验。平衡及试验期间的平均温度为18℃~28℃,平均相对湿度为50%~75%,同时应保证温度的变化不超过上述范围内某平均温度士3.0℃,温度变化率不超过0.5℃/min;相对湿度的变化不超过上述范围内某平均相对湿度士3.0%。相对湿度的变化率不超过0.25%/min。注:试验前仪器应在上述稳定环境中至少放置5h。B.5操作程序
B.5.1试验条件:将试样按B.4的规定调湿,全部试验在上述规定的试验大气下进行。B.5.2仪器校验:按照仪器使用说明进行调整。B.5.3将试样按照正确的引纱路线装上仪器,启动仪器,试验至规定长度时记录或打印试验结果。B.5.4测试速度:推荐采用400m/min。B.5.5时间选择:1min、2.5min、5min。FZ/T12067—2020
结果的表示和计算
纱线毛羽的测试结果主要有以下几项指标:毛羽指数H值、毛羽标准差sH、毛羽波谱图、毛羽B.6.1
不匀率曲线图,毛羽柱状图、最大毛羽值Hmx、最小毛羽值Hmin、管间毛羽变异CVb。2毛羽指数H值的结果按GB/T8170修约至小数点后一位。B.6.2
试验报告
说明试验是按本标准进行的,并报告以下内容:a)
样品材料、规格和数量;
试验环境条件(温度、相对湿度);仪器型号;
纱线速度、取样长度等必要试验参数;毛羽H值、标准差sH,一批试样的平均值、必要时计算其标准差、最大值、最小值及变异系数;毛羽曲线图、波谱图等。
小提示:此标准内容仅展示完整标准里的部分截取内容,若需要完整标准请到上方自行免费下载完整标准文档。