首页 > 其他行业标准 > QX/T 485-2019气象观测站分类及命名规则
QX/T 485-2019

基本信息

标准号: QX/T 485-2019

中文名称:气象观测站分类及命名规则

标准类别:其他行业标准

英文名称:Classification and rules of nomenclature for meteorological observing stations

标准状态:现行

发布日期:2019-04-28

实施日期:2019-08-01

出版语种:简体中文

下载格式:.pdf .zip

相关标签: 气象观测 分类 规则

标准分类号

标准ICS号:数学、自然科学>>07.060地质学、气象学、水文学

中标分类号:综合>>基础学科>>A47气象学

关联标准

出版信息

出版社:气象出版社

书号:135029-6059

标准价格:15.0

出版日期:2019-06-01

相关单位信息

起草人:杨志彪、何菊、杨晓武、龚剑、查亚峰、郭建侠、谭鉴荣、李崇志、徐向明

起草单位:湖北省气象局、中国气象局综合观测司、中国气象局气象探测中心、上海市气象局、广东省气象局、江苏省气象局

归口单位:全国气象仪器与观测方法标准化技术委员会(SAC/TC 507)

提出单位:全国气象仪器与观测方法标准化技术委员会(SAC/TC 507)

发布部门:中国气象局

主管部门:全国气象仪器与观测方法标准化技术委员会(SAC/TC 507)

标准简介

本标准规定了气象观测站的分类、命名规则。 本标准适用于各类气象观测站。


标准图片预览

QX/T 485-2019气象观测站分类及命名规则
QX/T 485-2019气象观测站分类及命名规则
QX/T 485-2019气象观测站分类及命名规则
QX/T 485-2019气象观测站分类及命名规则
QX/T 485-2019气象观测站分类及命名规则

标准内容

ICS07.060
中华人民共和国气象行业标准
QX/T485—2019
气象观测站分类及命名规则
Classification and rules of nomenclature for meteorological observing stations2019-04-28发布
2019-08-01实施
规范性引用文件
术语和定义
4.1原则
4.2通用站名
5命名规则
综合观测站、观测站和观测试验基地命名5.2观测平台命名
6示例
......
附录A(资料性附录)
参考文献
气象观测站命名全称示例
QX/T485—2019
本标准按照GB/T1.1-2009给出的规则起草。QX/T485—2019
本标准由全国气象仪器与观测方法标准化技术委员会(SAC/TC507)提出并归口。本标准起草单位:湖北省气象局、中国气象局综合观测司、中国气象局气象探测中心、上海市气象局、广东省气象局、江苏省气象局。本标准主要起草人:杨志彪、何菊、杨晓武、龚剑、查亚峰、郭建侠、谭鉴荣、李崇志、徐向明。1范围
气象观测站分类及命名规则
本标准规定了气象观测站的分类、命名规则。本标准适用于各类气象观测站。规范性引用文件
QX/T485-2019
下列文件对于本文件的应用是必不可少的。凡是注日期的引用文件,仅注日期的版本适用于本文件。凡是不注日期的引用文件,其最新版本(包括所有的修改单)适用于本文件。QX/T205—2013中国气象卫星名词术语术语和定义
下列术语和定义适用于本文件。3.1
meteorologicalobservingstation气象观测站
为开展气象观测而设立的观测设施及场所的总称。3.2
地面气象观测站
surface meteorological observing statiu对近地面大气状况及其变化进行测量和判定而设立的气象观测站。3.3
观测试验基地
observationtestbed
为开展气象观测研究、试验、检验、测试和评估等而设立的气象观测场所的总称。3.4
观测平台
observingplatform
用于搭载气象仪器或载荷,作为气象观测基点的场所、设施或设备的总称。4分类
4.1原则
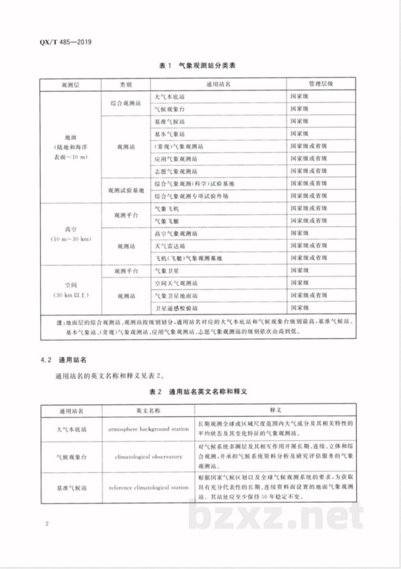
气象观测站的分类按观测层、类别、通用站名和管理层级进行划分,观测层分为3层,类别分为4类、通用站名分为18种,管理层级分2级,见表1。1
QX/T485-—2019
观测层
(陆地和海洋
表面~10m)
(10m~30km)
(30km以上)
综合观测站
观测站
观测试验基地
观测平台
观测站
观测平台
观测站
气象观测站分类表
通用站名
大气本底站
气候观象台
基准气候站
基本气象站
(常规)气象观测站
应用气象观测站
志愿气象观测站
综合气象观测(科学)试验基地
综合气象观测专项试验外场
气象飞机
气象飞艇
高空气象观测站
天气雷达站
飞机(飞艇)气象观测基地
气象卫星
空间天气观测站
气象卫星地面站
卫星遥感校验站
管理层级
国家级
国家级
国家级
国家级
国家级或省级
国家级或省级
国家级或省级
国家级或省级
国家级或省级
国家级或省级
国家级或省级
国家级
国家级或省级
国家级或省级
国家级
国家级
国家级或省级
国家级
注:地面层的综合观测站、观测站按级别划分,通用站名对应的大气本底站和气候观象台级别最高,基准气候站、基本气象站、(常规)气象观测站、应用气象观测站、志愿气象观测站的级别依次由高到低。4.2免费标准bzxz.net
通用站名
通用站名的英文名称和释义见表2。表2
通用站名
大气本底站
气候观象台
基准气候站
英文名称
通用站名英文名称和释义
atmosphere background stationclimatological observatory
reference climatological station长期观测全球或区域尺度范围内大气成分及其相关特性的平均状态及其变化特征的气象观测站。对气候系统多圈层及其相互作用开展长期、连续、立体和综合观测.并承担气候系统资料分析及研究评估服务的气象观测站。
根据国家气候区划以及全球气候观测系统的要求,为获取具有充分代表性的长期、连续资料而设置的地面气象观测站。其站址应至少保持50年稳定不变。
小提示:此标准内容仅展示完整标准里的部分截取内容,若需要完整标准请到上方自行免费下载完整标准文档。