首页 > 其他行业标准 > FZ/T 73013-2010针织泳装
FZ/T 73013-2010

基本信息

标准号: FZ/T 73013-2010

中文名称:针织泳装

标准类别:其他行业标准

英文名称:Knitted swimming suits

标准状态:已作废

发布日期:2010-08-16

实施日期:2010-12-01

作废日期:2018-04-01

出版语种:简体中文

下载格式:.pdf .zip

相关标签: 针织

标准分类号

标准ICS号:纺织和皮革技术>>纺织产品>>59.080.30纺织物

中标分类号:纺织>>针织>>W63针织品

关联标准

替代情况:替代FZ/T 73013-2004;被FZ/T 73013-2017代替

出版信息

出版社:中国标准出版社

页数:16页

标准价格:18.0

出版日期:2010-12-01

相关单位信息

起草人:曹海辉、邢志贵、林献玺、关春红、徐明明、刘瑞金、郝西泉、何炳祥、刘雪艳、王仙容

起草单位:安莉芳(中国)服装有限公司、国家针织产品质量监督检验中心等

归口单位:全国纺织品标准化技术委员会针织品分技术委员会(SAC/TC 209/SC 6)

提出单位:中国纺织工业协会

发布部门:中华人民共和国工业和信息化部

主管部门:全国纺织品标准化技术委员会针织品分技术委员会(SAC/TC 209/SC 6)

标准简介

本标准规定了针织泳装的产品分类和型号、要求、试验方法、判定规则及产品使用说明、包装、运输、贮存。 本标准适用于鉴定氨纶与锦纶交织而成的经编、纬编针织泳装产品的品质。其他纺织纤维制成的针织泳装可参照执行。
本标准代替FZ/T73013—2004《针织泳装》。
本标准与FZ/T73013—2004相比主要变化如下:
———增加了异味、可分解芳香胺染料、耐汗渍色牢度、耐摩擦色牢度、耐水色牢度、拼接互染程度的考核项目和拼接互染程度测试方法;
———修改了拉伸弹性伸长率、耐氯化水(游泳池水)拉伸弹性回复率、耐氯化水(游泳池水)色牢度指标要求;
———增加了氨纶纤维含量(净干含量)偏差的要求;
———调整了规格尺寸偏差的分类方法,分为:身高160cm 及以下和身高160cm 以上;
———修改了本身尺寸差异中肩带宽不一的考核指标;
———修改了拉伸弹性伸长率和耐氯化水(游泳池水)拉伸弹性回复率的试验的参数:拉伸力为15N,预加张力为0.1N,耐氯化水(游泳池水)拉伸弹性回复率的反复拉伸次数为3次。
本标准的附录A 为规范性附录。
本标准由中国纺织工业协会提出。
本标准由全国纺织品标准化技术委员会针织品分技术委员会(SAC/TC209/SC6)归口。
本标准起草单位:安莉芳(中国)服装有限公司、国家针织产品质量监督检验中心、浩沙实业(福建)有限公司、北京爱慕内衣有限公司、李宁(中国)体育用品有限公司、上海洲克运动服饰科技有限公司、劲霸(中国)经编有限公司、佛山市奥丽侬内衣有限公司、葫芦岛益丰(集团)运动服饰有限公司、晋江市天姿纺织实业有限公司。
本标准主要起草人:曹海辉、邢志贵、林献玺、关春红、徐明明、刘瑞金、郝西泉、何炳祥、刘雪艳、王仙容。
本标准所代替标准的历次版本发布情况为:
———FZ/T73013—1998、FZ/T73013—2004。
下列文件中的条款通过本标准的引用而成为本标准的条款。凡是注日期的引用文件,其随后所有的修改单(不包括勘误的内容)或修订版均不适用于本标准,然而,鼓励根据本标准达成协议的各方研究是否可使用这些文件的最新版本。凡是不注日期的引用文件,其最新版本适用于本标准。
GB/T250 纺织品 色牢度试验 评定变色用灰色样卡
GB/T251 纺织品 色牢度试验 评定沾色用灰色样卡
GB/T2910(所有部分) 纺织品 定量化学分析
GB/T2912.1 纺织品 甲醛的测定 第1部分:游离水解的甲醛
GB/T3920 纺织品 色牢度试验 耐摩擦色牢度
GB/T3921 纺织品 色牢度试验 耐皂洗色牢度
GB/T3922 纺织品耐汗渍色牢度试验方法
GB/T4856 针棉织品包装
GB/T5713 纺织品 色牢度试验 耐水色牢度
GB/T5714 纺织品 色牢度试验 耐海水色牢度
GB5296.4 消费品使用说明 纺织品和服装使用说明
GB/T7573 纺织品 水萃取液pH 值的测定
GB/T8427 纺织品 色牢度试验 耐人造光色牢度:氙弧
GB/T8433 纺织品 色牢度试验 耐氯化水色牢度(游泳池水)
GB/T8878 棉针织内衣
GB/T17592 纺织品 禁用偶氮染料的测定
GB18401 国家纺织品基本安全技术规范
GB/T18886 纺织品 色牢度试验 耐唾液色牢度
FZ/T01053 纺织品 纤维含量的标识
FZ/T01057(所有部分) 纺织纤维鉴别试验方法
FZ/T01095 纺织品 氨纶产品纤维含量的试验方法
FZ/T70006 针织物拉伸弹性回复率试验方法
FZ/T73012 文胸
GSB16-2159 针织产品标准深度样卡(1/12)
GSB16-2500 针织物表面疵点彩色样照

标准图片预览

FZ/T 73013-2010针织泳装
FZ/T 73013-2010针织泳装
FZ/T 73013-2010针织泳装
FZ/T 73013-2010针织泳装
FZ/T 73013-2010针织泳装

标准内容

ICS 59.080.30
中华人民共和国纺织行业标准
FZ/T73013--2010
代替FZ/T73013--2004
针织泳装
Knitted swimming suits
2010-08-16发布
中华人民共和国工业和信息化部2010-12-01实施
本标准代替FZ/T73013一2004《针织泳装》。本标准与FZ/T73013—2004相比主要变化如下:FZ/T73013—2010
增加了异味、可分解芳香胺染料、耐汗渍色牢度、耐摩擦色牢度、耐水色牢度、拼接互染程度的考核项目和拼接互染程度测试方法;修改了拉伸弹性伸长率、耐氯化水(游泳池水)拉伸弹性回复率、耐氯化水(游泳池水)色牵度指标要求;
-增加了氨纶纤维含量(净干含量)偏差的要求;调整了规格尺寸偏差的分类方法,分为:身高160cm及以下和身高160cm以上;修改了本身尺寸差异中肩带宽不一的考核指标:修改了拉伸弹性伸长率和耐氯化水(游泳池水)拉伸弹性回复率的试验的参数:拉伸力为15N,预加张力为0.1N,耐氯化水(游泳池水)拉伸弹性回复率的反复拉伸次数为3次。本标准的附录A为规范性附录。
本标准由中国纺织工业协会提出。本标准由全国纺织品标准化技术委员会针织品分技术委员会(SAC/TC209/SC6)归口。本标准起草单位:安莉芳(中国)服装有限公司、国家针织产品质量监督检验中心、浩沙实业(福建)有限公司、北京爱慕内衣有限公司、李宁(中国)体育用品有限公司、上海洲克运动服饰科技有限公司、劲霸(中国)经编有限公司、佛山市奥丽依内衣有限公司、葫芦岛益丰(集团)运动服饰有限公司、晋江市天姿纺织实业有限公司。
本标准主要起草人:曹海辉、邢志贵、林献玺、关春红、徐明明、刘瑞金、郝西泉、何炳祥、刘雪艳、王仙容。
本标准所代替标准的历次版本发布情况为:-FZ/T73013—1998、FZ/T73013--2004。a
1范围
针织泳装
FZ/T73013--2010
本标准规定了针织泳装的产品分类和型号、要求、试验方法、判定规则及产品使用说明、包装、运输、贮存。
本标准适用于鉴定氨纶与锦纶交织而成的经编、纬编针织泳装产品的品质。其他纺织纤维制成的针织泳装可参照执行。
2规范性引用文件
下列文件中的条款通过本标准的引用而成为本标准的条款。凡是注日期的引用文件,其随后所有的修改单(不包括勘误的内容)或修订版均不适用于本标准,然而,鼓励根据本标准达成协议的各方研究是否可使用这些文件的最新版本。凡是不注日期的引用文件,其最新版本适用于本标准。GB/T250纺织品色牢度试验评定变色用灰色样卡GB/T251纺织品色牢度试验评定沾色用灰色样卡GB/T2910(所有部分)纺织品定量化学分析GB/T2912.1
纺织品甲醛的测定第1部分:游离水解的甲醛GB/T3920
GB/T3921
GB/T3922
GB/T4856
GB/T5713
GB/T5714
GB/T7573
GB/T8427
GB/T8433
GB/T8878
纺织品色牢度试验耐摩擦色牢度纺织品色牢度试验耐皂洗色牢度纺织品耐汗渍色牢度试验方法
针棉织品包装
纺织品色牢度试验
耐水色牢度
纺织品色牢度试验
耐海水色牢度
消费品使用说明
纺织品和服装使用说明
纺织品
水萃取液pH值的测定
纺织品色牢度试验耐人造光色牢度:氙弧纺织品色牢度试验
耐氯化水色牢度(游泳池水)
棉针织内衣
GB/T17592
GB18401
纺织品禁用偶氮染料的测定
国家纺织品基本安全技术规范
GB/T18886
FZ/T01053
纺织品色牢度试验耐唾液色牢度纺织品纤维含量的标识
FZ/T01057(所有部分)纺织纤维鉴别试验方法FZ/T01095
FZ/T70006
纺织品氨纶产品纤维含量的试验方法针织物拉伸弹性回复率试验方法FZ/T73012文胸
GSB16-2159
GSB16-2500
针织产品标准深度样卡(1/12)针织物表面疵点彩色样照
FZ/T73013—2010
3产品分类和型号
3.1针织泳装分为连体式泳装、分体式泳装和泳裤三种类型。3.2连体式泳装型号:以厘米为单位标注适穿的净身高及净胸围。3.3分体式泳装以厘米为单位标注适穿的净身高及净胸、臀围。其中,分体式含罩杯的泳装上衣按FZ/T73012规定。
3.4泳裤以厘米为单位标注适穿的净身高及臀围。4要求
要求分为内在质量和外观质量两个方面。内在质量包括纤维含量、甲醛含量、pH值、异味、可分解芳香胺染料、拉伸弹性伸长率、耐氯化水(游泳池水)拉伸弹性回复率、耐皂洗色牢度、耐汗渍色牢度、耐水色牢度、耐海水色牢度、耐摩擦色牢度、耐唾液色牢度、耐氯化水(游泳池水)色牢度、耐光色牢度、拼接互染程度等指标。外观质量包括表面疵点、规格尺寸偏差、本身尺寸差异、缝制规定等指标。
4.1分等规定
4.1.1针织泳装的质量等级分为优等品、一等品、合格品。4.1.2针织泳装的质量定等:内在质量按批(交货批)评等,外观质量按件评等,二者结合以最低等级定等。
4.2内在质量要求
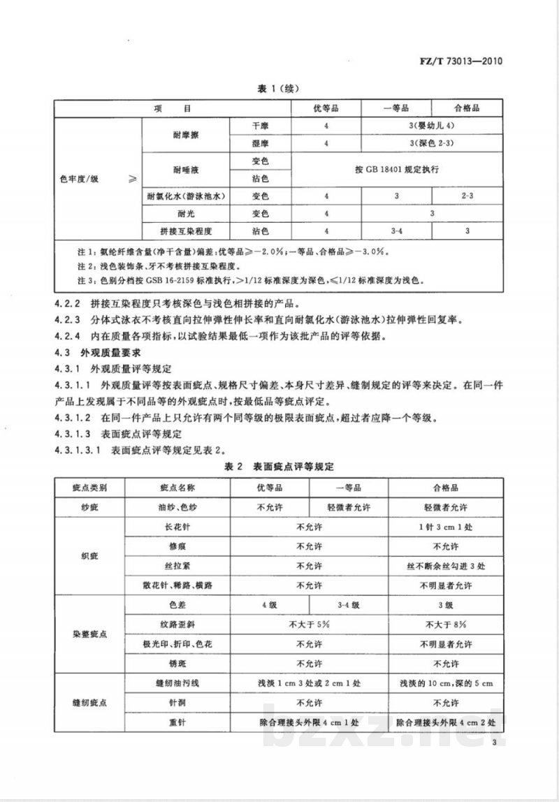
内在质量要求见表1。
表1内在质量要求
纤维含量(净干含量)/%
甲醛含量/(mg/kg)
可分解芳香胺染料/(mg/kg)
拉伸弹性伸长率/%
耐氯化水(游泳池水)拉伸弹性回复率/%》耐皂洗
耐汗渍
色牢度/级
耐海水
优等品
一等品
按FZ/T01053规定执行
按GB18401规定执行
合格品
3(深色2-3)
3(婴幼儿3-4))
3(婴幼儿3-4)
3(婴幼儿3-4)
3(婴幼儿3-4)
色牢度/级
耐摩擦
耐睡液
耐氯化水(游泳池水)
拼接互染程度
表1(续)
优等品
一等品
FZ/T73013—2010
合格品
3(婴幼儿4)
3(深色2-3)
按GB18401规定执行
注1:氨纶纤维含量(净干含量)偏差:优等品≥一2.0%;一等品、合格品≥一3.0%。注2:浅色装饰条、牙不考核拼接互染程度。注3:色别分档按GSB16-2159标准执行,>1/12标准深度为深色,≤1/12标准深度为浅色。4.2.2拼接互染程度只考核深色与浅色相拼接的产品。3
4.2.3分体式泳衣不考核直向拉伸弹性伸长率和直向耐氯化水(游泳池水)拉伸弹性回复率。4.2.4内在质量各项指标,以试验结果最低一项作为该批产品的评等依据。4.3外观质量要求
4.3.1外观质量评等规定
4.3.1.1外观质量评等按表面疵点、规格尺寸偏差、本身尺寸差异、缝制规定的评等来决定。在同一件产品上发现属于不同品等的外观疵点时,按最低品等疵点评定。4.3.1.2在同一件产品上只允许有两个同等级的极限表面疵点,超过者应降一个等级。4.3.1.3表面疵点评等规定
4.3.1.3.1
疵点类别
染整疵点
缝纫疵点
表面疵点评等规定见表2。
2表面症点评等规定
症点名称
油纱、色纱
长花针
丝拉紧
散花针、稀路、横路
纹路歪斜
极光印、折印、色花
缝纫油污线
优等品
不允许
不允许
不允许
不允许
不允许
一等品
轻微者允许
3-4级
不大于5%
不允许
不允许
浅淡1cm3处或2cm1处
不允许
除合理接头外限4cm1处
合格品
轻微者允许
1针3cm1处
不允许
丝不断余丝勾进3处
不明显者允许
不大于8%
不明显者允许
不允许
浅淡的10cm,深的5cm
不允许
除合理接头外限4cm2处
FZ/T73013—2010
疵点类别
疵点名称
沙眼、干版、露地、缺花
印花疵点
套版不正
阴花渗花
表2(续)
优等品
不允许
不允许
一等品
0.5cm5处
或不影响美观者
不允许
细线条不超1倍,粗线条0.2cm
4.3.1.3.2表面疵点程度按GSB16-2500针织物表面疵点彩色样照执行。4.3.1.3.3凡遇条文未规定的表面疵点参照相似疵点酌情处理。4.3.1.3.4色差按GB/T250评定。4.3.2涂料印花产品拉伸后,涂胶面断裂轻微者允许。4.3.3泳装测量部位及规定
4.3.3.1连体式泳衣测量部位示例见图1。1——衣长;
2—胸宽;
3-—臀宽;
4—档宽;
5——裤口宽。
图1连体式泳衣测量部位示例
4.3.3.2分体式泳装上衣测量部位示例见图2。H
1—衣长;
2——胸宽。
图2分体式泳装上衣测量部位示例4
合格品
不明显者允许
不严重者允许
不严重者允许
4.3.3.3泳裤测量部位示例见图3。3-
臀宽;
档宽;
裤口宽;
腰宽;
裤长。
测量部位规定见表3。
裤口宽
图3泳裤测量部位示例
表3测量部位规定
测量规定
由前肩带最高处量到最底边,肩带的由泳装前身最高处量到最底边由胸部最宽部位横量
由臀部最宽部位横量
由档底最窄部位横量
沿裤口边对折测量
由腰口处横量
由腰口边量到档底
注:根据款式不同其他部位供需双方按协议执行。4.3.4
规格尺寸偏差见表4。
表4规格尺寸偏差
胸(臀、腰)宽
裤口宽
优等品
身高160cm及以下
一等品
合格品
注:其他部位尺寸根据款式不同按供需双方协议而定。优等品
FZ/T73013—2010
单位为厘米
单位为厘米
身高160cm以上
一等品
合格品
FZ/T73013——2010
本身尺寸差异见表5。
侧身长不一
肩带宽不一
肩带长不一
裤侧长不一
裤口宽不一
缝制规定
优等品
表5本身尺寸差异
一等品
缝制须牢固,线迹要平直、圆顺,松紧适宜。4.3.6.2
合缝处应用四线及五线包缝或绷缝。4.3.6.3
平缝时针迹边口处应打回针加固。单位为厘米
合格品
下档部位应采用双档,胸部加衬布(或胸垫),根据产品要求选择辅料、衬布,色泽要协调一致。采用高弹力缝纫线缝制。
针迹密度规定见表6。
表6针迹密度规定
针迹数
不低于
平缝机
包缝机
测量针迹密度以一个缝纫过程的中间处计量。五线
包缝机缝边(刀门)宽度四线不低于0.4cm,五线不低于0.6cm。5试验方法
单位为针迹数每2厘米
绷缝机
抽样数量、外观质量检验条件、试样准备与试验条件按GB/T8878规定执行。5.1
5.2外观质量抽样数量不少于20件。5.3内在质量抽样不少于2件,不足时增加取样件数。5.4试验项目
5.4.1纤维含量试验
按GB/T2910(所有部分)、FZ/T01057(所有部分)、FZ/T01095规定执行。5.4.2甲醛含量试验
按GB/T2912.1规定执行。
5.4.3pH值试验
按GB/T7573规定执行。
5.4.4异味试验
按GB18401规定执行。
5.4.5可分解芳香胺染料试验
按GB/T17592规定执行。
5.4.6拉伸弹性伸长率试验
滚边机
按FZ/T70006中定力伸长率的测定”执行。其中速率采用300mm/min,定力为15N,预加张力6
FZ/T73013—2010
为0.1N。随机取样直、横向各三块试样,试样的有效工作尺寸为10cm×5cm。第一次拉伸为破坏织物表面整理剂,第二次拉伸到定力时的伸长率,即为测试值。试验只做面料。5.4.7耐氯化水(游泳池水)拉伸弹性回复率试验5.4.7.1试样的处理:随机取样直、横向各三块试样,试样的有效工作尺寸为10cm5cm。操作程序按GB/T8433执行,在容器中搅拌4h,其中有效氯浓度采用50mg/L。5.4.7.2耐氯化水(游泳池水)拉伸弹性回复率的测定:将处理后的试样按FZ/T70006中“定力反复拉伸时弹性回复率和塑性变形率的测定”执行,其中速率采用300mm/min,定力为15N,预加张力为0.1N,反复拉伸次数为3次。试验只做面料。5.4.8色牢度试验
5.4.8.1耐皂洗色牢度试验
按GB/T3921规定执行,试验条件按A(1)规定执行。5.4.8.2耐汗渍色牢度试验
按GB/T3922规定执行。
5.4.8.3耐水色牢度试验下载标准就来标准下载网
按GB/T5713规定执行。
5.4.8.4耐海水色牢度试验
按GB/T5714规定执行。
5.4.8.5耐摩擦色牢度试验
按GB/T3920规定执行,考核直向。5.4.8.6耐唾液色牢度试验
按GB/T18886规定执行。
5.4.8.7耐氯化水(游泳池水)色牢度试验按GB/T8433规定执行,其中有效氯浓度为50mg/L。5.4.8.8耐光色牢度试验
按GB/T8427方法3规定执行。
5.4.8.9拼接互染程度试验
按本标准附录A规定执行。
5.4.8.10色牢度评级
按GB/T250及GB/T251规定执行。6判定规则
6.1外观质量
6.1.1外观质量按品种、色别、规格尺寸计算不符品等率。凡不符品等率在5.0%及以内者,判该批产品合格;不符品等率在5.0%以上者,判该批产品不合格。6.1.2内包装标志差错按件计算不符品等率,不允许有外包装差错。6.2内在质量按4.2要求执行,全部合格者判该批产品合格,有一项不合者,则判该批产品不合格。6.3复验
6.3.1任何一方对所检验的结果有异议时,在规定期限内对所有异议的项目,均可要求复验。6.3.2提请复验时,应保留提请复验数量的全部。6.3.3复验时检验数量为初验时数量的2倍,复验的判定规则按本标准6.1、6.2规定执行,判定以复验结果为准。
FZ/T73013—2010
产品使用说明、包装、运输、购存7.1产品使用说明按GB5296.4规定执行。7.2
包装按GB/T4856或协议执行。
产品运输应防潮、防火、防污染。4产品应放在阴凉、通风、干燥、清洁库房内,并防蛀、防霉。7.4
A.1原理
附录A
(规范性附录)
拼接互染程度测试方法
FZ/T73013—2010
成衣中拼接的两种不同颜色的面料组合成试样,放于皂液中,在规定的时间和温度条件下,经机械搅拌,再经冲洗、干燥。用灰色样卡评定试样的沾色。A.2试验要求与准备
A.2.1在成衣上选取面料拼接部位,以拼接接缝为样本中心,取样尺寸为40mm×200mm,使试样的一半为拼接的一个颜色,另一半为另一个颜色。A.2.2成衣上无合适部位可直接取样的,可在成衣上或该批产品的同批面料上分别剪取拼接面料的40mm×100mm,再将两块试样沿短边缝合成组合试样。A.3试验操作程序
A.3.1按GB/T3921进行洗涤测试,试验条件按A(1)执行。A.3.2用GB/T251样卡评定试样中两种面料的沾色。9
小提示:此标准内容仅展示完整标准里的部分截取内容,若需要完整标准请到上方自行免费下载完整标准文档。