首页 > 其他行业标准 > FZ/T 73055-2016防脱散袜子
FZ/T 73055-2016

基本信息

标准号: FZ/T 73055-2016

中文名称:防脱散袜子

标准类别:其他行业标准

英文名称:Ladder-proof hosiery

标准状态:现行

发布日期:2016-10-22

实施日期:2017-04-01

出版语种:简体中文

下载格式:.pdf .zip

标准分类号

标准ICS号:纺织和皮革技术>>纺织产品>>59.080.30纺织物

中标分类号:纺织>>针织>>W63针织品

关联标准

出版信息

出版社:中国标准出版社

页数:16页

标准价格:18.0

相关单位信息

起草人:储国平、单丽娟、古涛、史吉刚、李万芳、王海燕、何爱芳、林若文、吴咪咪

起草单位:宜兴市艺蝶针织有限公司、天纺标检测科技有限公司、山东华润厚木尼龙有限公司、海宁耐尔袜业有限公司、广东都市丽人实业有限公司、浙江梦娜袜业股份有限公司、恒源祥(集团)有限公司、金发拉比妇婴童用品股份有限公司、漳州伟伊化纤有限公司

归口单位:全国纺织品标准化技术委员会针织品分技术委员会(SAC/TC 209/SC 6)

提出单位:中国纺织工业联合会

发布部门:中华人民共和国工业和信息化部

主管部门:全国纺织品标准化技术委员会针织品分技术委员会(SAC/TC 209/SC 6)

标准简介

本标准规定了防脱散袜子的术语和定义、产品分类、要求、试验方法、判定规则、产品使用说明、包装、运输、贮存。 本标准适用于经编、纬编防脱散袜子。 本标准不适用于年龄在36个月及以下的婴幼儿袜子。


标准图片预览

FZ/T 73055-2016防脱散袜子
FZ/T 73055-2016防脱散袜子
FZ/T 73055-2016防脱散袜子
FZ/T 73055-2016防脱散袜子
FZ/T 73055-2016防脱散袜子

标准内容

ICS59.080.30
中华人民共和国纺织行业标准
FZ/T73055-2016
防脱散袜子
Ladder-proof hosiery
2016-10-22发布
举星南动
中华人民共和国工业和信息化部发布
2017-04-01实施
本标准按照GB/T1.1一2009给出的规则起草。本标准由中国纺织工业联合会提出。FZ/T73055—-2016
本标准由全国纺织品标准化技术委员会针织品分技术委员会(SAC/TC209/SC6)归口。本标准主要起草单位:宜兴市艺蝶针织有限公司、天纺标检测科技有限公司、山东华润厚木尼龙有限公司、海宁耐尔袜业有限公司、广东都市丽人实业有限公司、浙江梦娜袜业股份有限公司、恒源祥(集团)有限公司、金发拉比妇婴童用品股份有限公司、漳州伟伊化纤有限公司。本标准主要起草人:储国平、单丽娟、古涛、史吉刚、李万芳、王海燕、何爱芳、林若文、吴咪咪。1范围
防脱散袜子
FZ/T73055—2016
本标准规定了防脱散袜子的术语和定义、产品分类、要求、试验方法、判定规则、产品使用说明、包装、运输、贮存。
本标准适用于经编、纬编防脱散袜子。本标准不适用于年龄在36个月及以下的婴幼儿袜子。2规范性引用文件
下列文件对于本文件的应用是必不可少的。凡是注日期的引用文件,仅注日期的版本适用于本文件。凡是不注日期的引用文件,其最新版本(包括所有的修改单)适用于本文件。GB/T2910(所有部分)纺织品定量化学分析GB/T2912.1纺织品甲醛的测定第1部分:游离和水解的甲醛(水萃取法)GB/T3920纺织品色牢度试验耐摩擦色牢度GB/T39212008纺织品色牢度试验耐皂洗色牢度GB/T3922纺织品色牢度试验耐汗渍色牢度GB/T4856针棉织品包装
GB5296.4消费品使用说明第4部分:纺织品和服装GB/T5453
GB/T5713
纺织品织物透气性的测定
纺织品色牢度试验耐水色牢度
纺织品水萃取液pH值的测定
GB/T7573
GB/T8170
数值修约规则与极限数值的表示和判定纺织品禁用偶氮染料的测定
GB/T17592
GB18401
国家纺织产品基本安全技术规范GB/T29862
纺织品纤维含量的标识
GB31701婴幼儿及儿童纺织产品安全技术规范FZ/T01026纺织品定量化学分析四组分纤维混合物FZ/T01057(所有部分)纺织纤维鉴别试验方法5纺织品氨纶产品纤维含量的试验方法FZ/T01095
FZ/T011014
纺织品纤维含量的测定物理法
FZ/T73001袜子
FZ/T73041经编袜
GSB16-2159
3术语和定义
针织产品标准深度样卡(1/12)下列术语和定义适用于本文件。1
FZ/T73055—2016
防脱散袜子Ladder-proofHosiery采用特殊的编织结构或者特殊的后整理工艺制成,在人体穿着过程中,受到外力作用引起破损后,破损部位不易散脱的袜子。
袜号hosierysize
以厘米为单位表示人体脚底的长度,是设计袜底长短的依据,3.3
不定型袜elastichosierywithoutsetting不经过定型处理的袜子。
4产品分类
防脱散袜子按款式分为短筒袜、中筒袜、长筒袜、连裤袜。5要求
5.1要求内容
要求分为外观质量要求和内在质量要求两个方面,外观质量包括规格尺寸、表面疵点、缝制规定等项指标。内在质量包括直向延伸值、横向延伸值、纤维含量、甲醛含量、pH值、异味、可分解致癌芳香胺染料、耐水色牢度、耐汗渍色牢度、耐摩擦色牢度、耐皂洗色牢度、透气率、脱散程度等项指标。5.2分等规定
5.2.1防脱散袜子的质量定等以双(条)为单位,分为一等品、合格品。5.2.2防脱散袜子内在质量按交货批评等、外观质量按双(条)评等,两者结合并按最低品等定等。5.3外观质量要求和分等规定
5.3.1规格尺寸
5.3.1.1防脱散袜子各部位名称规定见图1~图2。说明:
1——总长;
2—口高;
3——口宽;
4——袜尖。
图1防脱散短筒、中筒、长筒袜
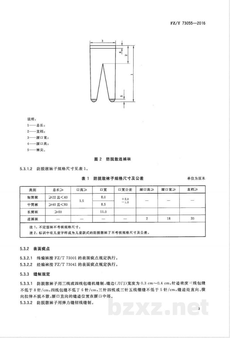
说明:
1——总长;
2——直档;
3——腰口宽;
4—腰口高;
5—袜尖。
防脱散袜子规格尺寸见表1。
图2防脱散连裤袜
表1防脱散袜子规格尺寸及公差
短筒袜
中筒袜
长简袜
连裤袜
总长≥
≥22且<40
≥40且<60
口高》
注1:不定型袜不考核规格尺寸。口宽
口宽公差
腰口高》
注2:标识中有儿童字样或为儿童款式的防脱散袜子不考核规格尺寸及公差。5.3.2表面疵点
5.3.2.1纬编袜按FZ/T73001的表面疵点规定执行。5.3.2.2经编袜按FZ/T73041的表面疵点规定执行。5.3.3缝制规定
FZ/T73055—2016
单位为厘米
腰口宽》
直档≥
5.3.3.1防脱散袜子用三线或四线包缝机缝制,缝边(刀门)宽度为0.3cm~0.4cm,针迹密度三线包缝不低于8针/cm,四线包缝不低于6针/cm,三针四线或三针五线绷缝不低于5针/cm,缝迹处直向、横向拉伸不脱不散,腰口直向的缝迹位置在腰口中部。5.3.3.2防脱散袜子用弹力缝纫线缝制。3
FZ/T73055-2016
内在质量要求和分等规定
内在质量要求
直、横向延伸值
直、横向延伸值见表2~表3。儿童袜不考核直、横向延伸值。表2
防脱散短筒、中简、长简袜横向延伸值类别
短筒袜
中简株
长筒简袜
连裤袜
腰口宽
横向延伸值≥Www.bzxZ.net
上袜筒
防脱散连裤袜直、横向延伸值
横向延伸值≥
上袜简
下袜筒
单位为厘米
下袜筒
单位为厘米
直向延伸值≥
注:对于无袜底和脚面的踩脚裤,腿长直向延伸值可减少20cm;定跟露趾袜、有跟露趾袜可参照执行5.4.1.2
5.4.1.2.1
其他内在质量要求
其他内在质量要求见表4。
纤维含量/%
甲醛含量/(mg/kg)
可分解致瘤芳香胺染料/(mg/kg)耐水色牢度/级
耐汗渍色牢度/级
耐摩擦色牢度/级
耐皂洗色牢度/级
透气率/(mm/s)
脱散程度
注1:不定型袜不考核透气率。
其他内在质量要求
一等品
合格品
按GB/T29862规定执行
按GB18401规定执行
变色、沾色
变色、沾色
变色、沾色
3(深色2-3)
连续脱散最长处5mm
连续脱散最长处3mm
连续脱散最长处8mm
连续脱散最长处5mm
注2:色别分档按GSB16-2159标准执行,>1/12标准深度为深色,≤1/12标准深度为浅色。4
5.4.1.2.2GB31701规定范围内的儿童袜品应符合强制性标准的相关要求。5.4.2内在质量延伸值分等规定
内在质量延伸值分等规定见表5。表5内在质量延伸值分等规定
横向延伸值
直向延伸值
6试验方法
6.1抽样数量
袜口、袜筒
腰口、臀宽
符合本标准规定
两只差异2.0内允许
符合本标准规定
符合本标准规定
符合本标准规定
6.1.1外观质量按交货批,分品种、色别随机抽样2%~3%,但不少于10双(条)。6.1.2内在质量按交货批,分品种、色别随机抽样不少于8双(条)。6.2外观质量检验条件
FZ/T73055-2016
单位为厘米
合格品
超出一等品标准一5.0
超出一等品标准—4.0
超出一等品标准一6.0
一般采用灯光照明检验。用40W白光日光灯一只,上面加灯罩,灯罩与检验台面中心垂直距离6.2.1
50cm士5cm或在D65光源下。
6.2.2如采用室内自然光,应光线适当,光线从北向左(或右)上角射人,不能使阳光直射产品。6.2.3检验时产品平摊在检验台上,检验人员应正视产品表面,如遇可疑疵点涉及到内在质量时,可仔细检查或反面检查,但评等以平铺直视为准,丝袜检验时须带手套。6.3试验准备与试验条件
6.3.1内在质量试样不得有影响试验准确性的疵点。6.3.2试样需在常温下展开平放20h,然后在试验室温度为(20士2)℃,相对湿度为(65土4)%的条件下放置4h后,再在相同大气条件下进行延伸值试验。6.4试验项目
6.4.1规格尺寸试验
6.4.1.1试验工具:钢直尺,其长度应大于试样长度,分度值为毫米(mm)。6.4.1.2试验操作:将防脱散袜子平放在光滑平面上,应在不受外界张力条件下,用量尺按相应部位进行测量,详见图1~图2所示。
6.4.2直向、横向延伸值试验
6.4.2.1试验仪器
试验仪器包括:
FZ/T73055—2016
电动横拉仪:标准拉力25N士0.5N,移动杠杆行进速度为40mm/s士2mm/s。a)
b)多功能拉伸仪:拉力0.1N~100N范围内可调,长度测量范围(25士1)cm~(300士1)cm,移动杠杆行进速度为40mm/s士2mm/s,标准拉力25N士0.5N。6.4.2.2
2试验部位
防脱散短筒、中筒、长筒袜试验部位:6.4.2.2.1
袜口横向延伸部位:袜口中部。a
b)上袜筒横向延伸部位:中筒袜在袜口下5cm,长筒袜在袜口下10cm。下袜筒横向延伸部位:无跟袜距袜尖10cm处;无跟露趾袜、踩脚裤距下口的下边缘10cm处;c)
有跟袜、有跟露趾袜距点上5cm处;定跟袜、定跟露趾袜距袜跟圆弧对折线的中点上5cm处。
6.4.2.2.2防脱散连裤袜试验部位:腰口横向延伸部位,腰口中部,a)
臀宽横向延伸部位:腰口下10cm处。b)
c)上袜筒横向延伸部位:直裆下10cm处。下袜筒横向延伸部位:无跟袜距袜尖10cm处;无跟露趾袜、踩脚裤距下口的下边缘10cm处;d)
有跟袜、有跟露趾袜距距点上5cm处;定跟袜、定跟露趾袜距袜跟圆弧对折线的中点上5cm处。
直档直向延伸部位:腰口中部至裆底延长线上1.5cm处。腿长直向延伸部位:由裆底延长线至距袜尖或下口的下边缘1.5cm处。f)
注:踩脚裤的腿长直向延伸部位:以镂空袜跟圆弧对折延伸线为底边至裆底延长线处;定跟露趾袜、有跟露趾袜参照执行。
试验操作
6.4.2.3.1
6.4.2.3.2
采用标准拉力25N士0.5N,测试5双(条)袜子。连裤袜的两个腿长要分别进行试验。连裤袜拉伸试验:先做横向部位拉伸,停放30min后再做直向部位拉伸。6.4.2.3.3
6.4.2.3.4
直档拉伸试验将腰口至档底左右相对折重合后再进行拉伸试验。试验时如遇到试样在拉钩上滑脱情况,应换样重做试验。6.4.2.3.5
合格率计算公式
按式(1)计算合格率,结果按GB/T8170修约至整数位。式中:
合格率,%;
测试合格总处数;
N—测试总处数。
6.4.3纤维含量试验
×100%
.(1)
按GB/T2910(所有部分)、FZ/T01057(所有部分)、FZ/T01095、FZ/T01026、FZ/T01101规定执行。试验部位:通常剪取袜底部位(袜尖、袜跟部位除外);对于无袜底的产品剪取袜简中间部位,并注明。
6.4.4甲醛含量试验
按GB/T2912.1规定执行。
6.4.5pH值试验
按GB/T7573规定执行。
6异味试验
按GB18401规定执行。
6.4.7可分解致癌芳香胺染料试验按GB/T17592规定执行。
6.4.8耐水色车度试验
按GB/T5713规定执行。
6.4.9耐汗渍色牢度试验
按GB/T3922规定执行,剪取袜底部位。6.4.10耐摩擦色牢度试验
按GB/T3920规定执行,剪取袜底部位,只做直向。6.4.11耐皂洗色牢度试验
按GB/T3921一2008规定执行,试验条件按A(1)执行。6.4.12透气率试验
FZ/T73055—2016
按GB/T5453规定执行,压降为100Pa,试验面积为20cm2,测试单层袜子,测试3双(条)。无跟袜距袜尖10cm处,无跟露趾袜、踩脚裤距下口的下边缘10cm处的部位为测试中心点;有跟袜、有跟露趾袜距距点上5cm的部位为测试中心点;定跟袜、定跟露趾袜距袜跟圆弧对折线的中点上5cm的部位为测试中心点。测试结果以两只袜子的算术平均值作为该双(条)袜子的透气率,取3双(条)袜子中透气率最小的1双(条)测试值作为最终测试结果,按GB/T8170修约至整数位。6.4.13脱散程度试验
按附录A规定执行。
7判定规则
7.1外观质量
交货批以双(条)为单位,凡不符合品等率超过5.0%以上或破洞、漏针在3.0%以上者,判定该批产品为不合格。
7.2内在质量
7.2.1直、横向延伸值以测试5双(条)袜子的合格率达80%及以上为合格。7.2.2纤维含量、甲醛含量、pH值、异味、可分解致癌芳香胺染料、透气率、脱散程度检验结果全部合格者,判定该批产品合格;有一项不合格者,判定该批产品不合格。7.2.3耐水色牢度、耐汗渍色牢度、耐摩擦色牢度、耐皂洗色牢度检验结果全部合格者,判定该批产品合格;有一项不合格者,分色别判定该批产品不合格。FZ/T73055-2016
7.3复验
任何一方对检验结果有异议时,均可要求复验。复验结果按7.1、7.2规定执行,判定以复检结果为准。7.3.2
8产品使用说明、包装、运输、贮存8.1产品使用说明按GB5296.4规定执行。儿童袜按GB5296.4和GB31701规定执行。8.1.1纤维含量通常标注袜底部位的含量(袜尖、袜跟部位除外);对于无袜底的产品标注袜筒中间部位的含量并注明。
规格标注:
防脱散短简、中简、长简袜以厘米(cm)为单位标明人体适穿的身高范围或袜号,例155~175、a)
145~155或23~24、22~24;
防脱散连裤袜以厘米(cm)为单位标明人体适穿的身高范围和臀围范围,例155~175/75~b)
105、145~155/70~90。
2包装按GB/T4856规定或协议规定执行。8.2
8.3产品装箱运输应防火、防潮、防污染。8.4产品应存放在阴凉、通风、干燥、清洁的库房内,并防霉、防蛀。8
A.1原理
附录A
(规范性附录)
脱散程度试验方法
FZ/T73055—2016
在单层袜筒的横向(纵向)部位剪开一个切口,延袜筒的纵向(横向)等速拉仲,拉力达到一定负荷值,测试被切口部位的脱散程度。A.2仪器和工具
A.2.1采用拉伸仪:标准拉力为25N士0.5N,移动杠杆行进速度40mm/S士2mm/S,强力示值最大误差不超过1%,夹距长度100mm士1mm。A.2.2取样剪刀。
A.2.3钢直尺,分度值为毫米。
试验准备与试验条件
A.3.1内在质量试样不得有影响试验准确性的疵点。A.3.2取样数量:按交货批,分品种、色别随机抽样3双(条)。A.3.3试验前,需在试验室温度为20℃士2℃,相对湿度为65%士4%的条件下至少放置20h后再进行试验。
试验部位的取样要求
短筒、中筒、长筒袜试验部位的取样要求A.4.1.1短筒袜试样
仅取横向切口试样。
横向切口试样
分别在3只袜筒上,延袜口下边缘,取横向宽度为7cm、直向长度为15cm的单层试样1块,共取3块试样,有效试验面积为7cm×10cm。然后在试样的中央部位,延横向方向剪开一个长度为1.1cm士0.1cm的切口。
A.4.1.3直向切口试样
分别在3只袜筒上,延袜口下边缘,取横向宽度为15cm、直向长度为7cm的单层试样1块,共取3块试样,有效试验面积为10cm×7cm。然后在试样的中央部位,延直向方向剪开一个长度为1.1cm士0.1cm的切口。
小提示:此标准内容仅展示完整标准里的部分截取内容,若需要完整标准请到上方自行免费下载完整标准文档。