首页 > 其他行业标准 > QB/T 4760-2014阔叶木碱性过氧化氢机械浆
QB/T 4760-2014

基本信息

标准号: QB/T 4760-2014

中文名称:阔叶木碱性过氧化氢机械浆

标准类别:其他行业标准

标准状态:现行

发布日期:2014-07-09

实施日期:2014-11-01

出版语种:简体中文

下载格式:.pdf .zip

相关标签: 碱性 过氧化氢 机械

标准分类号

标准ICS号:造纸技术>>85.040纸浆

中标分类号:轻工、文化与生活用品>>造纸>>Y31纸浆与纸板

关联标准

出版信息

出版社:中国轻工业出版社

页数:5页

标准价格:16.0

出版日期:2014-11-01

相关单位信息

起草人:应广东等

起草单位:山东太阳纸业股份有限公司等

归口单位:全国造纸工业标准化技术委员会

发布部门:中华人民共和国工业和信息化部

标准简介

本标准规定了阔叶木碱性过氧化氢机械浆的产品分类、要求、试验方法、检验规则和标志、包装、运输、贮存。 本标准适用于以阔叶木(80%以上)为主要原料的碱性过氧化氢机械浆。


标准图片预览

QB/T 4760-2014阔叶木碱性过氧化氢机械浆
QB/T 4760-2014阔叶木碱性过氧化氢机械浆
QB/T 4760-2014阔叶木碱性过氧化氢机械浆
QB/T 4760-2014阔叶木碱性过氧化氢机械浆
QB/T 4760-2014阔叶木碱性过氧化氢机械浆

标准内容

ICS85.040
分类号:Y31
备案号:46819-2014
中华人民共和国轻工行业标准
QB/T4760-2014
阔叶木碱性过氧化氢机械浆
Hardwood alkaline peroxide mechanical pulp2014-07-09发布
中华人民共和国工业和信息化部发布
2014-11-01实施
本标准按照GB/T1.1一2009给出的规则起草。本标准由中国轻工联合会提出。本标准由全国造纸工业标准化技术委员会(SAC/TC141)归口。QB/T4760-2014
本标准起草单位:山东太阳纸业股份有限公司、中冶纸业银河有限公司、中国制浆造纸研究院。本标准主要起草人:应广东、牛丽、王喜鸽、张义华、李树俭。1
1范围
阔叶木碱性过氧化氢机械浆
QB/T4760-2014
本标准规定了阔叶木碱性过氧化氢机械浆的产品分类、要求、试验方法、检验规则及标志、包装、运输、贮存。
本标准适用于以阔叶木(80%以上)为主要原料的碱性过氧化氢机械浆。2规范性引用文件
下列文件对于本文件的应用是必不可少的。凡是注日期的引用文件,仅注日期的版本适用于本文件。凡是不注日期的引用文件,其最新版本(包括所有的修改单)适用于本文件。GB/T462纸、纸板和纸浆分析试样水分的测定GB/T740纸浆试样的采取
GB/T2678.1纸浆筛分测定方法
GB/T2828.1计数抽样检验程序第1部分:按接收质量限(AQL)检索的逐批检验抽样计划GB/T7974纸、纸板和纸浆亮度(白度)的测定(漫射/垂直法)GB/T8940.2
GB/T10342
GB/T10740
GB/T12660
GB/T24323
GB/T24324
GB/T29285
GB/T29287
3产品分类
纸浆亮度(白度)试样的制备
纸张的包装和标志
纸浆尘埃和纤维束的测定
滤水性能的测定
“加拿大标准”游离度法
实验室纸页物理性能的测定方法实验室纸页的制备常规纸页成型器法实验室湿解离机械浆解离
实验室打浆PFI磨法
阔叶木碱性过氧化氢机械浆按质量水平分为优等品、合格品。4要求
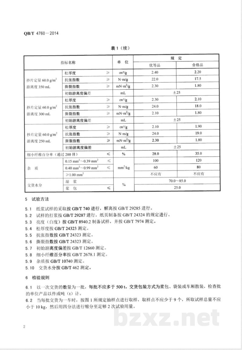
阔叶木碱性过氧化氢机械浆技术指标应符合表1或订货合同规定。表1
技术指标
指标名称
亮度(白度)
松厚度
抄片定量60.0g/m2
游离度400mL
抗张指数wwW.bzxz.Net
撕裂指数
初始游离度偏差
N·m/g
mN·m2/g
优等品
合格品
QB/T4760-2014
抄片定量60.0g/m2
游离度350mL
抄片定量60.0g/m2
游离度300mL
抄片定量60.0g/m2
游离度250mL
指标名称
松厚度
抗张指数
撕裂指数
初始游离度偏差
松厚度
抗张指数
撕裂指数
初始游离度偏差
松厚度
抗张指数
撕裂指数
初始游离度偏差
细小纤维百分率(通过200目)
0.15mm2~0.39mm2
交货水分
试验方法
0.40 mm2~0.99mm2
≥1.00mm2
表1(续)
N·m/g
mN·m2/g
N·m/g
mN·m2/g
mN·m2/g
mm2/kg
优等品
不应有
纸浆试样的采取按GB/T740进行,解离按GB/T29285进行。规定
70.0~85.0
试样的打浆按GB/T29287进行,纸页制备按GB/T24324的规定进行。5.2
亮度(白度)按GB/T8940.2制备试样,并按GB/T7974测定。5.3
松厚度按GB/T24323测定。
5.5抗张指数按GB/T24323测定。撕裂指数按GB/T24323测定。
初始游离度偏差按GB/T12660测定。细小纤维百分率按GB/T2678.1测定。5.8
杂质按GB/T10740测定。
交货水分按GB/T462测定。
检验规则
合格品
不应有
6.1以一次交货的数量为一批,每批不应多于500t。交货包装方式为浆包、袋装或车厢散装,检查批的单位产品以件或吨(t)计。
6.2当每批交货为一车时,按图1所规定抽样点进行取样,取样点不应少于9个,所取试样总量不应小于10kg,然后用四分法进行缩分至足够2次试验用量。2
图1抽样点
QB/T4760-2014
6.3当每批交货为多车时,以每车为一个取样单元,每个取样单元按6.2取样,总试样不应小于20kg然后用四分法进行缩分至足够2次试验用量。6.4散装浆取样时,车厢上、下、左、右、前、后各去掉20cm后,方可取样。6.5仲裁样取样时应迁移浆堆,在迁移过程中采样,采样方式同6.4。6.6浆包和袋装的计数抽样检验程序按GB/T2828.1规定进行。6.7接收质量限(AQL):亮度、松厚度、初始游离度偏差为4.0;细小纤维百分率、撕裂指数、抗张指数、杂质、交货水分为6.5。抽样方案采用正常检验二次抽样方案,检查水平为特殊检查水平S-2,见表2。
表2抽样方案
特殊检验水平S-2
正常检验二次抽样方案
批量/件(吨)
151~500
样本量
6.8可接收性的确定:第1次检验的样品量应等于该方案给出的第1样本量。如果第1样本中发现的不合格品数小于或等于第1接收数,应认为该批是可接收的;如果第1样本中发现的不合格品数大于或等于第1拒收数,应认为该批是不可接收的。如果第1样本中发现的不合格品数介于第1接收数与第1拒收数之间,应检验由方案给出样本量的第2样本并累计在第1样本和第2样本中发现的不合格品数。如果不合格品累计数小于或等于第2接收数,则判定该批是可接收的;如果不合格品累计数大于或等于第2拒收数,则判定该批是不可接收的。6.9需方有权检查该批产品的质量是否符合本标准的要求,若对产品质量有异议,浆包应在到货后1个月内通知供方;湿浆在到货后24h内通知供方,由供需双方共同取样进行复验,如不符合本标准规定,则判为批不可接收,由供方负责处理;若符合本标准的规定,则判为批可接收,由需方负责处理。7标志、包装、运输和购存
7.1浆包标志按GB/T10342的规定标出产品名称、批号、游离度、等级及商标。每批湿浆应附产品质量合格报告。
7.2运输浆包时应使用有篷而洁净的运输工具,也可用无篷车箱运输,但应用苦布盖好,以防雨、雪3
QB/T4760-2014
沾湿产品;运输湿浆时应使用洁净而封闭的运输工具,以防产品被污染。7.3
阔叶木碱性过氧化氢机械浆应妥善保管,以防雨、雪和地面湿气的影响。QB/T 4760-2014
中华人民共和国
轻工行业标准
阔叶木碱性过氧化氢机械浆
QB/T 4760-2014
中国轻工业出版社出版发行
地址:北京东长安街6号
邮政编码:100740
发行电话:(010)65241695
网址:http:://www.chlip.com.cnEmail:club@chlip.com.cn
轻工业标准化编辑出版委员会编辑地址:北京西城区下斜街29号
邮政编码:100053
电话:(010)68049923/24/25
版权所有
侵权必究
书号:155019·4382
印数:1-200册
定价:16.00元
小提示:此标准内容仅展示完整标准里的部分截取内容,若需要完整标准请到上方自行免费下载完整标准文档。