首页 > 其他行业标准 > FZ/T 12023-2021间位芳纶本色纱线
FZ/T 12023-2021

基本信息

标准号: FZ/T 12023-2021

中文名称:间位芳纶本色纱线

标准类别:其他行业标准

英文名称:Meta-aramid fiber grey yarn

标准状态:现行

发布日期:2021-04-19

实施日期:2021-07-01

出版语种:简体中文

下载格式:.pdf .zip

相关标签: 芳纶 纱线

标准分类号

标准ICS号:纺织和皮革技术>>纺织产品>>59.080.20纱线

中标分类号:纺织>>棉纺织>>W12棉纱、线

关联标准

替代情况:替代FZ/T 12023-2011

出版信息

出版社:中国标准出版社

页数:12页

标准价格:16.0

出版日期:2021-06-01

相关单位信息

起草人:李向东、王利军、景京、丁志新、周绪波、胡伟俊、王新华、张毅、张恒、宋娟、段丽慧、李继国

起草单位:德州华源生态科技有限公司、北京邦维普泰防护纺织有限公司、北京英特莱科技有限公司、烟台泰和新材料股份有限公司、浙江九舜纺织有限公司、常熟市宝沣特种纤维有限公司、安徽君翰纺织科技有限公司、安徽翰联色纺股份有限公司、安徽恒硕纺织品有限公司等

归口单位:全国纺织品标准化技术委员会棉纺织品分技术委员会(SAC/TC 209/SC 10)

提出单位:中国纺织工业联合会

发布部门:中华人民共和国工业和信息化部

标准简介

本标准规定了间位芳纶本色纱线的术语和定义、产品分类、标记、要求、试验方法、检验规则和标志、包装。 本标准适用于采用中长型间位芳纶短纤维生产的环锭纺本色纱线。


标准图片预览

FZ/T 12023-2021间位芳纶本色纱线
FZ/T 12023-2021间位芳纶本色纱线
FZ/T 12023-2021间位芳纶本色纱线
FZ/T 12023-2021间位芳纶本色纱线
FZ/T 12023-2021间位芳纶本色纱线

标准内容

ICS59.080.20
中华人民共和国纺织行业标准
FZ/T12023-2021
代替FZ/T12023—2011
间位芳纶本色纱线
Meta-aramid fibergreyyarn
2021-04-19发布
中华人民共和国工业和信息化部2021-07-01实施
FZ/T12023—2021
本文件按照GB/T1.1一2020《标准化工作导则第1部分:标准化文件的结构和起草规则》的规定起草。
本文件代替FZ/T12023—2011《芳纶1313本色纱线》,与FZ/T12023—2011相比,主要技术变化如下:
-文件名称调整为《间位芳纶本色纱线》;-增加了间位芳纶本色纱\6.0tex~6.9tex”、“7.0tex7.9tex”线密度范围考核指标(见表1);一单纱指标增加了“千米棉结(十200%)”考核项目,股线指标增加了“抢度变异系数”考核项目(见表1、表2,2011年版的表1、表2);调整了单纱线断裂强度、单纱线条干均匀度变异系数。(见表1、表2,2011年版的表1、表2);删除了芳纶1313纤维(棉型)本色纱线的技术要求(见2011年版的表3、表4);-删除了取样规定,试验数量及次数按照各试验方法要求执行(见2011年版的表5);删除了计算值的数值修约规定(见2011年版的表6);删除了原文件资料性附录A,原文件附录B调整为现文件附录A。请注意本文件的某些内容可能涉及专利。本文件的发布机构不承担识别专利的责任。本文件由中国纺织工业联合会提出。本文件由全国纺织品标准化技术委员会棉纺织品分技术委员会(SAC/TC209/SC10)归口。本文件起草单位:德州华源生态科技有限公司、北京邦维普泰防护纺织有限公司、北京英特莱科技有限公司、烟台泰和新材料股份有限公司、浙江九舜纺织有限公司、常熟市宝沣特种纤维有限公司、安徽君翰纺织科技有限公司、安徽翰联色纺股份有限公司、安徽恒硕纺织品有限公司、上海市纺织工业技术监督所、中国棉纺织行业协会。本文件主要起草人:李向东、王利军、景京、丁志新、周绪波、胡伟俊、王新华、张毅、张恒、宋娟、段丽慧、李继国。
本文件及其所代替文件的历次版本发布情况为:-FZ/T12023—2011。
1范围
间位芳纶本色纱线
FZ/T12023—2021
本文件规定了间位芳纶本色纱线的术语和定义、产品分类、标记、要求、试验方法、检验规则和标志、包装。
本文件适用于采用中长型间位芳纶短纤维生产的环锭纺本色纱线。2规范性引用文件
下列文件中的内容通过文中的规范性引用而构成本文件必不可少的条款。其中,注日期的引用文件,仅该日期对应的版本适用于本文件;不注日期的引用文件,其最新版本(包括所有的修改单)适用于本文件。
GB/T2543.1
纺织品纱线度的测定第1部分:直接计数法GB/T3292.1纺织品纱线条干不勾试验方法第1部分:电容法GB/T3916全
纺织品卷装纱单根纱线断裂强力和断裂伸长率的测定(CRE法)GB/T4743—2009纺织品卷装纱绞纱法线密度的测定GB/T8170
FZ/T01050
FZ/T10007
FZ/T10008
3术语和定义
数值修约规则与极限数值的表示和判定纺织品纱线疵点的分级与检验方法电容式棉及化纤纯纺、混纺本色纱线检验规则棉及化纤纯纺、混纺纱线标志与包装下列术语和定义适用于本文件。3.1
meta-aramidfiber
间位芳纶
聚间苯二甲酰间苯二甲胺纤维。芳纶1313
由酰胺基团相互连接间位苯环所构成的线性大分子,其中至少85%的酰胺键是直接连在两个苯环间位之间。
[来源:GB/T31889—2015,3.1]3.2
thermal stability
热稳定性
纱线在一定温度影响下形态的变化。4产品分类、标记
4.1间位芳纶本色纱线以不同线密度分类。4.2间位芳纶本色纱线的原料代号为FL1313。1
FZ/T12023-2021
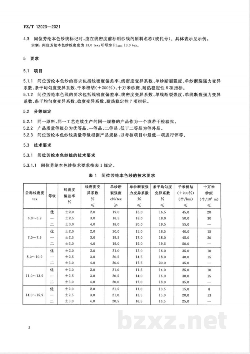
间位芳纶本色纱线标记时,应在线密度前标明纱线的原料名称(或代号)。具体表示见示例:示例:间位芳纶本色纱线密度为13.0tex,可写为FL131313.0tex。5要求
5.1项目
5.1.1间位芳纶本色纱的要求包括线密度偏差率、线密度变异系数、单纱断裂强度、单纱断裂强力变异系数、条干均匀度变异系数、千米棉结(十200%)、十万米纱疵、耐热稳定性8项指标。5.1.2间位芳纶本色线的要求包括线密度偏差率、线密度变异系数、单线断裂强度、单线断裂强力变异系数、条于均匀度变异系数、捻度变异系数、耐热稳定性7项指标。5.2
分等规定
同一原料、同一工艺连续生产的同一规格的产品作为一个或若干检验批。5.2.2产品质量等级分为优等品、一等品、二等品,低于二等品为等外品。5.2.3间位芳纶本色纱线质量等级根据产品规格,以考核项目中最低一项进行评等。3技术要求
间位芳纶本色纱线的技术要求
间位芳纶本色纱技术要求按表1规定。间位芳纶本色纱的技术要求
线密度
公称线密度
11.0~13.9
偏差率
线密度变
异系数
单纱断
裂强度
cN/tex
单纱断裂强
力变异系数
条干均匀度
变异系数
千米棉结
(+200%)
(个/km)
十万米
(个/105m)
公称线密度
16.0~20.9
21.0~24.9
25.0~31.9
32.0~60.9
61.0及以上
线密度
偏差率
表1间位芳纶本色纱的技术要求(续)线密度变
异系数
单纱断
裂强度
cN/tex
间位芳纶本色线技术要求按表2规定。表2
线密度偏
公称线密度
8.0×210.9×2
11.0×213.9×2
14.0×2~15.9×2
16.0×2~20.9×2bZxz.net
21.0×224.9×2
单纱断裂强
力变异系数
条干均匀度
变异系数
间位芳纶本色线的技术要求
线密度变异
单线断裂
cN/tex
单线断裂强
力变异系数
FZ/T12023-2021
千米棉结
(+200%)
(个/km)
条干均匀度
变异系数
十万米
(个/105m)
抢度变异
FZ/T12023—2021
公称线密度
25.0×2~31.9×2
32.0×2~60.9×2
61.0×2及以上
间位芳纶本色线的技术要求(续)线密度偏
线密度变异
间位芳纶本色纱线耐热稳定性技术要求单线断裂
cN/tex
单线断裂强
力变异系数
条干均匀度
变异系数
间位芳纶本色纱线耐热稳定性,按6.6规定试验时,不应出现熔融和烧焦现象。6试验方法
线密度偏差率、线密度变异系数试验6.1
抢度变异
线密度偏差率按式(1)计算,计算结果保留小数点后一位,其中100m纱线的实测干燥质量按GB/T4743一2009中程序2烘干后折算,100m纱线的标准干燥质量按附录A中式(A.2)计算;线密度变异系数按GB/T4743一2009中程序1调湿平衡后,按式(2)计算,计算结果按GB/T8170修约至小数点后一位。
_mnd -md × 100
式中:
式中:
线密度偏差率,%;
-100m纱线的实测干燥质量,单位为克(g);-100m纱线的标准干燥质量,单位为克(g)。(mei -m。)2
线密度变异系数,%;
每个试样的质量,单位为克(g);试样的平均质量,单位为克(g);试样的总个数。
(2)
单纱(线)断裂强度及单纱(线)断裂强力变异系数试验6.2
按GB/T3916规定执行。
3条干均匀度变异系数、千米棉结(+200%)试验按GB/T3292.1规定执行。
4十万米纱疵试验
FZ/T12023—2021
按FZ/T01050规定执行,十万米纱疵结果用A3、B3、C3、D2以上九级疵点之和表示。6.5
捻度试验
按GB/T2543.1规定执行。
耐热稳定性试验
按附录B规定执行。
检验规则
按FZ/T10007规定执行,其耐热稳定性能试验,一批产品试验一次(10个筒纱),如出现不合格纱样,加倍抽查,如仍不合格,此批为不合格。3标志、包装
按FZ/T10008规定执行。
9其他
用户对产品有特殊要求者,供需双方可另订协议。5
FZ/T12023—2021
附录A
(规范性)
间位芳纶本色纱线百米质量的计算1间位芳纶本色纱线的公定回潮率为5.0%。A.1
A.2100m纱线在公定回潮率时的标准质量mg按式(A.1)计算,计算结果按GB/T8170修约至小数点后三位。
式中:
-100m纱线在公定回潮率时的标准质量,单位为克(g);T,—纱线公称线密度,单位为特克斯(tex)。....(A.1)
3100m纱线的标准干燥质量ma按式(A.2)计算,计算结果按GB/T8170修约至小数点后三位。A.3
ma=×100+w
式中:
-100m纱线的标准干燥质量,单位为克(g);T,—纱线公称线密度,单位为特克斯(tex);W
公定回潮率,%。
..(A.2)
B.1原理
附录B
(规范性)
间位芳纶本色纱线耐热稳定性试验纱线在高温环境下保持一段时间以后,看纱线表面是否出现熔融和烧焦现象。B.2装置
FZ/T12023—2021
B.2.1恒温鼓风烘箱:温度可以控制在(260土3)℃,并有足够的容积使试验样品单独放置B.2.2
缕纱测长仪。
不锈钢托盘。
试验步骤
盘上。
每份样10个筒纱,每个筒纱上取10m,在缕纱测长仪上卷取,自然成绞,将样品平放到不锈钢托将恒温烘箱加热至260℃,迅速将放有样品的不锈钢托盘放在恒温烘箱中间位置,托盘不应与B.3.2
烘箱壁接触,关闭烘箱门并达到设定温度时,开始计时。B.3.3在260℃高温下处理5min后打开烘箱门,取出样品。注:在取放样品过程中,手要戴上专用隔热手套。B.4
试验结果
目测试验后的试样外观变化情况,以判定其是否出现熔融和烧焦现象,FZ/T12023-2021
码上扫一扫正版服务到
中华人民共和国纺织
行业标准
间位芳纶本色纱线
FZ/T12023—2021
中国标准出版社出版发行
北京市朝阳区和平里西街甲2号(100029)北京市西城区三里河北街16号(100045)网址www.spc.net.cn
总编室:(010)68533533发行中心:(010)51780238读者服务部:(010)68523946
中国标准出版社秦皇岛印刷厂印刷各地新华书店经销
开本880×12301/16
2021年6月第一版
印张0.75
字数18千字
2021年6月第一次印刷
书号:155066·2-35762
如有印装差错
由本社发行中心调换
版权专有
侵权必究
举报电话:(010)68510107
小提示:此标准内容仅展示完整标准里的部分截取内容,若需要完整标准请到上方自行免费下载完整标准文档。