首页 > 其他行业标准 > FZ/T 12040-2020涤纶(锦纶)长丝/氨纶包覆纱
FZ/T 12040-2020

基本信息

标准号: FZ/T 12040-2020

中文名称:涤纶(锦纶)长丝/氨纶包覆纱

标准类别:其他行业标准

英文名称:Polyester (polyamide) filament/spandex covered yarn

标准状态:现行

发布日期:2020-12-09

实施日期:2021-04-01

出版语种:简体中文

下载格式:.pdf .zip

相关标签: 涤纶 锦纶 氨纶 包覆

标准分类号

标准ICS号:纺织和皮革技术>>纺织产品>>59.080.20纱线

中标分类号:纺织>>棉纺织>>W12棉纱、线

关联标准

替代情况:替代FZ/T 12040-2013

出版信息

出版社:中国标准出版社

页数:12页

标准价格:16.0

出版日期:2021-01-01

相关单位信息

起草人:许金祥、孙燕琳、盛忠勤、张岚岚、叶葳、陈林茂、何文伟、骆晓军、李晓庆、应盛华、王晓珂、邓小红、刘艳丽、景慎全、段丽慧

起草单位:桐昆集团浙江恒盛化纤有限公司、张家港市翔美纺织有限公司、浙江亚特新材料股份有限公司、安徽华茂纺织股份有限公司、安徽省纤维检验局、四川润厚特种纤维有限公司、义乌市五洲新材科技有限公司、浙江华峰氨纶股份有限公司、浙江华孚色纺有限公司、江苏新光纺织有限公司等

归口单位:全国纺织品标准化技术委员会棉纺织品分技术委员会(SAC/TC 209/SC 10)

提出单位:中国纺织工业联合会

发布部门:中华人民共和国工业和信息化部

标准简介

本标准规定了涤纶(锦纶)长丝/氨纶包覆纱的术语和定义、产品分类、标识、要求、试验方法、检验规则、标志、包装、运输、贮存。 本标准适用于以本色涤纶(锦纶)长丝与氨纶为原料,通过加工组合而成的包覆纱。有色涤纶(锦纶)长丝与氨纶包覆纱可参照使用。


标准图片预览

FZ/T 12040-2020涤纶(锦纶)长丝/氨纶包覆纱
FZ/T 12040-2020涤纶(锦纶)长丝/氨纶包覆纱
FZ/T 12040-2020涤纶(锦纶)长丝/氨纶包覆纱
FZ/T 12040-2020涤纶(锦纶)长丝/氨纶包覆纱
FZ/T 12040-2020涤纶(锦纶)长丝/氨纶包覆纱

标准内容

ICS.59.080.20
中华人民共和国纺织行业标准
FZ/T12040—2020
代替FZ/T12040—2013
涤纶(锦纶)长丝/氨纶包覆纱
Polyester(polyamide)filament/spandexcoveredyarn2020-12-09发布
中华人民共和国工业和信息化部2021-04-01实施
本标准按照GB/T1.1一2009给出的规则起草。FZ/T12040—2020
本标准代替FZ/T12040—2013《涤纶(锦纶)/氨纶包覆丝线》。与FZ/T12040—2013相比主要技术变化如下:
标准名称调整为“涤纶(锦纶)长丝/氨纶包覆纱”调整了标准范围、术语和定义;分等规定增加了合格品等级;
涤纶(锦纶)长丝/氨纶加抢包覆纱增加了“染色均匀度、僵丝、缺(断)氨纶”考核项目,提升了断裂强力变异系数指标,调整了断裂伸长率指标,删除“接头、紧解线”指标,将“抢度偏差率”调整为“抢度”、“松圈”改为“圈丝”(见表1、表3,2013年版的表1、表2);涤纶(锦纶)长丝/氨纶空气包覆纱增加了“染色均匀度、僵丝、缺(断)氨纶”考核项目,提升了断裂强力变异系数、断裂伸长率变异系数考核要求,删除了“接头”指标,将“网络点”改成“网络度”、“松圈”改为“圈丝”(见表2、表3,2013年版的表1、表2);检验规则新增了“检验类型”和“检验项目”,并规定了涤纶(锦纶长丝/氨纶包覆纱的型式检验和出厂检测指标项目(见7.1、7.2)。本标准由中国纺织工业联合会提出。本标准由全国纺织品标准化技术委员会棉纺织品分技术委员会(SAC/TC209/SC10)归口。本标准起草单位:桐昆集团浙江恒盛化纤有限公司、张家港市翔美纺织有限公司、浙江亚特新材料股份有限公司、安徽华茂纺织股份有限公司、安徽省纤维检验局、四川润厚特种纤维有限公司、义乌市五洲新材科技有限公司、浙江华峰氨纶股份有限公司、浙江华孚色纺有限公司、江苏新光纺织有限公司、际华三五四二纺织有限公司、浙江恒创先进功能纤维创新中心有限公司、中国棉纺织行业协会、上海市纺织工业技术监督所。
本标准主要起草人:许金祥、孙燕琳、盛忠勤、张岚岚、叶葳、陈林茂、何文伟、骆晓军、李晓庆、应盛华、王晓珂、邓小红、刘艳丽、景慎全、段丽慧。本标准所代替标准的历次版本发布情况为:-FZ/T12040—2013。
1范围
涤纶(锦纶)长丝/氨纶包覆纱
FZ/T12040—2020
本标准规定了涤纶(锦纶)长丝/氨纶包覆纱的术语和定义、产品分类、标识、要求、试验方法、检验规则、标志、包装、运输、贮存。本标准适用于以本色涤纶(锦纶)长丝与氨纶为原料,通过加工组合而成的包覆纱。有色涤纶(锦纶)长丝与氨纶包覆纱可参照使用。2规范性引用文件
下列文件对本文件的应用是必不可少的。凡是注日期的引用文件,仅注日期的版本适用于本文件。凡是不注日期的引用文件,其最新版本适用于本文件。GB/T2543.1
GB/T3291.1
GB/T3291.3
纺织品纱线捻度的测定第1部分:直接计数法纺织纺织材料性能和试验术语第1部分:纤维和纱线纺织
纺织材料性能和试验术语第3部分:通用GB/T4146(所有部分)
GB/T6502
GB/T6508
GB/T8693
GB/T14343
GB/T14344
GB/T29862
FZ/T01095
化学纤维
纺织名词术语(化纤部分)
长丝取样方法
涤纶长丝染色均匀度试验方法
纺织品
纱线的标示
化学纤维长丝线密度试验方法
化学纤维
长丝拉伸性能试验方法
纤维含量的标识
纺织品
纺织品
氨纶产品纤维含量的试验方法
FZ/T50001-2016合成纤维长丝网络度试验方法FZ/T50008
3术语和定义
锦纶长丝染色均匀度试验方法
GB/T3291.1、GB/T3291.3和GB/T4146(所有部分)中界定的以及下列术语和定义适用于本文件,3.1
涤纶(锦纶)长丝/氨纶加捻包覆纱polyester(polyamide)filament/spandexcoretwistedyarn氨纶与涤纶(锦纶)长丝合并加抢而成的包覆纱。3.2
涤纶(锦纶)长丝/氨纶空气包覆纱polyester(polyamide)filament/spandexaircoveredyarn氨纶与涤纶(锦纶)长丝在压缩空气作用下,形成的相互缠绕而呈现固结点的包覆纱。4产品分类、标识
4.1产品分类
根据不同加工方式,涤纶(锦纶)长丝/氨纶包覆纱分为加抢包覆纱、空气包覆纱。1
FZ/T12040—2020
4.2产品标识
4.2.1线密度:以分特为单位,符号dtex4.2.2纱线组合:涤纶/氨纶,或者锦纶/氨纶表示。4.2.3加抢方向:按GB/T8693规定执行,符号用“S”、“Z”表示。4.2.4涤纶(锦纶)长丝/氨纶加捻包覆纱的标识排列顺序为:加工方式、外包原料名称(或代号)、线密度×根数(单根不用标识根数)、氨纶(或代号)线密度、加抢方向、名义线密度。示例:
加抢包覆涤纶DTY111dtex/96fX2/氨纶44dtexZ235dtex。其表示2根111dtex/96f涤纶DTY与1根44dtex氨纶丝合股,Z向加抢,名义线密度为235dtex。4.2.5涤纶(锦纶)长丝/氨纶空气包覆纱的标识排列顺序为:加工方式、外包原料名称(或代号)、线密度×根数(单根不用标识根数))、氨纶(或代号)线密度、名义线密度。示例:
空气包覆
涤纶DTY83dtex/72f/氨纶44dtex96dtex。其表示1根经过拉伸变形最终规格为83dtex/72f涤纶低弹丝与1根44dtex氨纶丝进行空气包覆,名义线密度为96dtex。5要求
5.1项目
5.1.1涤纶(锦纶)长丝/氨纶加抢包覆纱的要求包括线密度偏差率、断裂强度、断裂强力变异系数、断裂伸长率、断裂伸长率变异系数、抢度、染色均匀度、纤维含量偏差、外观质量九项指标。5.1.2涤纶(锦纶)长丝/氨纶空气包覆纱的要求包括线密度偏差率、断裂强度、断裂强力变异系数、断裂伸长率、断裂伸长率变异系数、网络度、染色均匀度、纤维含量偏差、外观质量九项指标。5.2分等规定
5.2.1同一原料、同一工艺连续生产的同一规格的产品作为一个或若干检验批。5.2.2涤纶(锦纶)长丝/氨纶包覆纱产品分为优等品、一等品和合格品。3涤纶(锦纶)长丝/氨纶包覆纱产品质量等级根据产品规格,以考核项目中最低一项进行评等。5.2.3
技术要求
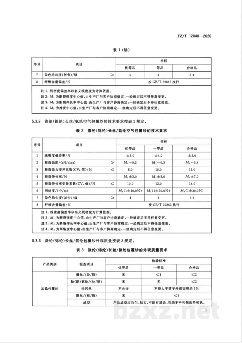
涤纶(锦纶)长丝/氨纶加抢包覆纱的技术要求按表1规定。表1涤纶(锦纶)长丝/氨纶加捻包覆纱的技术要求项目
线密度偏差率/%
断裂强度/(cN/dtex)
断裂强力变异系数(CV,值)/%
断裂伸长率/%
断裂伸长率变异系数(CV,值)/%抢度/(个/m)
优等品
Ms(1±8.0%)
一等品
M(1±10.0%)
合格品
M(1±12.0%)
染色均匀度(灰卡)/级
纤维含量偏差/%
表1(续)
优等品
注1:线密度偏差率以名义线密度为计算依据。4
一等品
FZ/T12040—2020
合格品
按GB/T29862执行
注2:M,为断裂强度中心值,由生产厂与客户协商确定,一经确定后不得任意变更。注3:M2为断裂伸长率中心值,由生产厂与客户协商确定,一经确定后不得任意变更。注4:M:为抢度中心值,由生产厂与客户协商确定,一经确定后不得任意变更。5.3.2
涤纶(锦纶)长丝/氨纶空气包覆纱的技术要求按表2规定。表2
线密度偏差率/%
断裂强度/(cN/dtex)
涤纶(锦纶)长丝/氨纶空气包覆纱的技术要求指标
优等品
断裂强力变异系数(CV值)/%Www.bzxZ.net
断裂伸长率/%
断裂伸长率变异系数(CV,值)/%网络度/(个/m)
染色均匀度(灰卡)/级
纤维含量偏差/%
注1:线密度偏差率以名义线密度为计算依据。M,-0.2
Ms(1±10.0%)
一等品
Ms(1±20.0%)
按GB/T29862执行
注2:M,为断裂强度中心值,由生产厂与客户协商确定,一经确定后不得任意变更。注3:M2为断裂伸长率中心值,由生产厂与客户协商确定,一经确定后不得任意变更,注4:M:为网络度中心值,由生产厂与客户协商确定,一经确定后不得任意变更5.3.3
涤纶(锦纶)长丝/氨纶包覆纱外观质量按表3规定。表3
涤纶(锦纶)长丝/氨纶包覆纱的外观质量要求产品类别
加抢包覆纱
检查项目
僵丝/(处/筒)
缺(断)氨纶/(处/筒)
油污丝
圈丝/(根/筒)
优等品
不允许
检验标准
一等品
合格品
Ms(1±30.0%)
合格品
不得大于筒子外观面积的2%
产品成型应均匀、结实,不能有塌边、卷绕不平和侧面阶梯状。3
FZ/T12040—2020
产品类别
空气包覆纱
试验方法
线密度试验
检查项目
僵丝/(处/筒)
缺(断)氨纶/(处/筒)
油污丝
圈丝/(根/筒)
毛丝(个/筒)
按GB/T14343规定执行。
断裂强力和断裂伸长试验
表3(续)
优等品
不允许
<5(且不能长于2mm)
检验标准
一等品
合格品
不得大于筒子外观面积的2%
≤20(且不能长于2mm)
产品成型应均匀、结实,不能有塌边、卷绕不平和侧面阶梯状按GB/T14344规定执行,预加张力0.2cN/dtex。染色均匀度试验
涤纶长丝/氨纶包覆纱按GB/T6508规定执行,锦纶长丝/氨纶包覆纱按FZ/T50008规定执行。6.4
抢度试验
按GB/T2543.1规定执行。
网络度试验
按FZ/T50001—2016方法A执行。纤维含量试验
按FZ/T01095规定执行,纤维含量结果以净干质量结合公定回潮率计算的公定质量百分率表示。6.7
外观检验
外观指标检验在分级台上逐筒进行,灯光采用D65标准光源或40W双管日光灯,要求照度大于4001x,观察距离为30cm。
分级时,操作者两手握住筒子两端的筒管,认定一处开始旋转,按表3要求对每只筒子的两个端面(或斜面)和圆柱面进行目测,观察成型,检查僵丝、缺(断)氨纶、油污丝、圈丝、毛丝疵点,进行定等。检测毛丝时,筒子表面高度应与视线平行。7
检验规则
检验类型
检验类型分为型式检验和出厂检验。在下列情况下须进行型式检验:规定的周期性检验时;
当生产设计、工艺、原料有变化,可能影响产品质量时;出厂检验的结果与上次型式检验有较大差异时。c)
检验项目
FZ/T12040—2020
技术要求项目中,序号1~8为型式检验项目,表1中序号1~7为出厂检验项目。7.2.2
外观检验项目按5.3.3规定。
7.3取样规定
各项指标检测样本均应从检验批中随机抽取。2检测样本按GB/T6502规定取样。7.3.2
检验结果评定
按5.3.3进行验收。外观质量允许不符品等率为5%及以内,超过5%时,按实际降等比例折算全批的降等量。
5复验
7.5.1如供需双方对检验结果或质量有异议时,在规定期限内,可由双方重新抽取相同数量的产品进行复验。申请复验时,为不影响产品试验的需要,对于产品质量指标的复验,最少应保留收货总数量的60%以上;申请复验成包产品净重等项目时,收货方则应保留全部收货数量。7.5.2复验结果的判定同7.4。
7.5.3复验以一次为准,凡判定合格的应作全批合格,判定不合格的应作全批不合格。标志、包装、运输、贮存
8.1标志
包装箱上应标明产品名称、规格、等级、批号、净重、毛重、卷装个数、包装日期、产品标准编号、商标、生产企业名称、详细地址等相关信息和防潮、小心轻放等警示标志。8.2包装
8.2.1每个卷装都必须套一个塑料袋后放人包装箱,包装的质量必须保证卷装不受损伤。8.2.2每个包装箱内的卷装要求大小均匀。不同品种、规格、批号、等级要分别装箱,严禁混装。8.2.3每批产品应附质量检验单。8.3运输
运输过程中禁止损坏包装箱和受潮。8.4购存
包装箱按批堆放,贮存在干燥、清洁、通风的场所。5
小提示:此标准内容仅展示完整标准里的部分截取内容,若需要完整标准请到上方自行免费下载完整标准文档。