首页 > 其他行业标准 > FZ/T 71007-2017粗梳牦牛绒针织绒线
FZ/T 71007-2017

基本信息

标准号: FZ/T 71007-2017

中文名称:粗梳牦牛绒针织绒线

标准类别:其他行业标准

英文名称:Wollen yak hair knitting yarn

标准状态:现行

发布日期:2017-11-07

实施日期:2018-04-01

出版语种:简体中文

下载格式:.pdf .zip

相关标签: 牦牛 针织 绒线

标准分类号

标准ICS号:纺织和皮革技术>>纺织产品>>59.080.20纱线

中标分类号:纺织>>针织>>W61针织用纱、线

关联标准

替代情况:替代FZ/T 71007-1999

出版信息

出版社:中国标准出版社

页数:8页

标准价格:14.0

出版日期:2018-01-01

相关单位信息

起草人:考宾、石勇、赵俊杰、陈东军、范晓琴、李雅芳

起草单位:北京毛纺织科学研究所检验中心、浙江博泰纺织有限公司、北京雪莲集团有限公司、深圳市计量质量检测研究院

归口单位:全国纺织品标准化技术委员会毛纺织品分会(SAC/TC 209/SC 3)

提出单位:中国纺织工业联合会

发布部门:中华人民共和国工业和信息化部

主管部门:全国纺织品标准化技术委员会毛纺织品分会(SAC/TC 209/SC 3)

标准简介

本标准规定了粗梳牦牛绒针织绒线的技术要求、试验方法、检验及验收规则、包装、标志。 本标准适用于鉴定粗梳牦牛绒针织绒线和含牦牛绒30%及以上的牦牛绒混纺针织绒线的品质。  


标准图片预览

FZ/T 71007-2017粗梳牦牛绒针织绒线
FZ/T 71007-2017粗梳牦牛绒针织绒线
FZ/T 71007-2017粗梳牦牛绒针织绒线
FZ/T 71007-2017粗梳牦牛绒针织绒线
FZ/T 71007-2017粗梳牦牛绒针织绒线

标准内容

ICS59.080.20
中华人民共和国纺织行业标准
FZ/T71007—2017
代替FZ/T71007—1999
粗梳耗牛绒针织绒线
Wollenyakhairknittingyarn
2017-11-07发布
中华人民共和国工业和信息化部发布
2018-04-01实施
本标准按照GB/T1.1一2009给出的规则起草,FZ/T71007—2017
本标准是对FZ/T71007一1999《粗梳耗牛绒针织绒线》的修订,与FZ/T71007一1999相比,主要技术变化如下:
-调整了规范性引用文件;
---增加了安全性要求应符合GB18401的规定;一分等改为优等品、一等品、合格品物理指标评等主要修改内容有:a)纤维含量改为按GB/T29862标准执行;将单根纱线平均断裂强力改为单根纱线平均断裂强度并列人表1;b)
增加了含油脂率合格品考核要求;d)删除了原表1中的注1。
染色牢度评等主要修改内容有:取消“优、一等品允许有一项低半级;凡有三项低于半级者或有一项低于一级、一项低于半a)
级者降为二等品;凡低于二等品者降为等外品”的规定;增加合格品指标要求;
增加耐汗渍(酸性)、耐干洗指标;c)
耐光深色产品一等品要求由3-4级改为4级;d)
耐洗、耐汗渍、耐水、耐干洗色泽变化、贴衬沾色修改为变色、沾色,并调整相应考核指标:耐干摩擦优等品由3-4级改4级、一等品由3级改为3-4(深色3级)。f)
试验方法主要修改内容有:
增加安全性要求检验方法;
耐汗渍试验改为使用两种方法(酸液、碱液);b)
c)物理指标抽样次数改为按FZ/T71002执行。-增加验收规则章节。
取消原附录A耗牛绒纤维含量的相关规定,色差改为不得低于4级,并将附录B内容放人附录A。
删除附录C。
本标准由中国纺织工业联合会提出。本标准由全国纺织品标准化技术委员会毛纺织品分会(SAC/TC209/SC3)归口。本标准起草单位:北京毛纺织科学研究所检验中心、浙江博泰纺织有限公司、北京雪莲集团有限公司、深圳市计量质量检测研究院。本标准主要起草人:考宾、石勇、赵俊杰、陈东军、范晓琴、李雅芳。本标准所代替标准的历次版本发布情况为:FZ/T71007—1999。
1范围
粗梳耗牛绒针织绒线
FZ/T71007—2017
本标准规定了粗梳耗牛绒针织绒线的技术要求、试验方法、检验及验收规则、包装、标志。本标准适用于鉴定粗梳耗牛绒针织绒线和含耗牛绒30%及以上的耗牛绒混纺针织绒线的品质。2规范性引用文件
下列文件对于本文件的应用是必不可少的。凡是注日期的引用文件,仅注日期的版本适用于本文件。凡是不注日期的引用文件,其最新版本(包括所有的修改单)适用于本文件。GB/T250纺织品色牢度试验评定变色用灰色样卡GB/T5711纺织品色牢度试验耐四氯乙烯干洗色牢度GB9994纺织材料公定回潮率
GB18401国家纺织产品基本安全技术规范GB/T29862
纺织品纤维含量的标识
FZ/T70001
针织和编结绒线试验方法
FZ/T71002—2015粗梳毛针织绒线3技术要求
3.1安全性要求
粗梳耗牛绒针织绒线的基本安全技术要求应符合GB18401的规定。3.2分等规定
粗梳耗牛绒针织绒线的品等以批为单位,按内在质量和外观质量的检验结果综合评定,并以其中最低一项定等,分为优等品、一等品、合格品。3.3内在质量的评等
3.3.1内在质量的评定等级以批为单位,按物理指标和染色牢度综合评定,并以其中最低一项定等。物理指标按表1规定评等。
表1物理指标评定规定
纤维含量
线密度偏差率
线密度变异系数CV
抢度偏差率
优等品
一等品
按GB/T29862执行
合格品
FZ/T71007—2017
格度变异系数CV
单根纱线断裂强度
强力变异系数
含油脂率
cN/tex
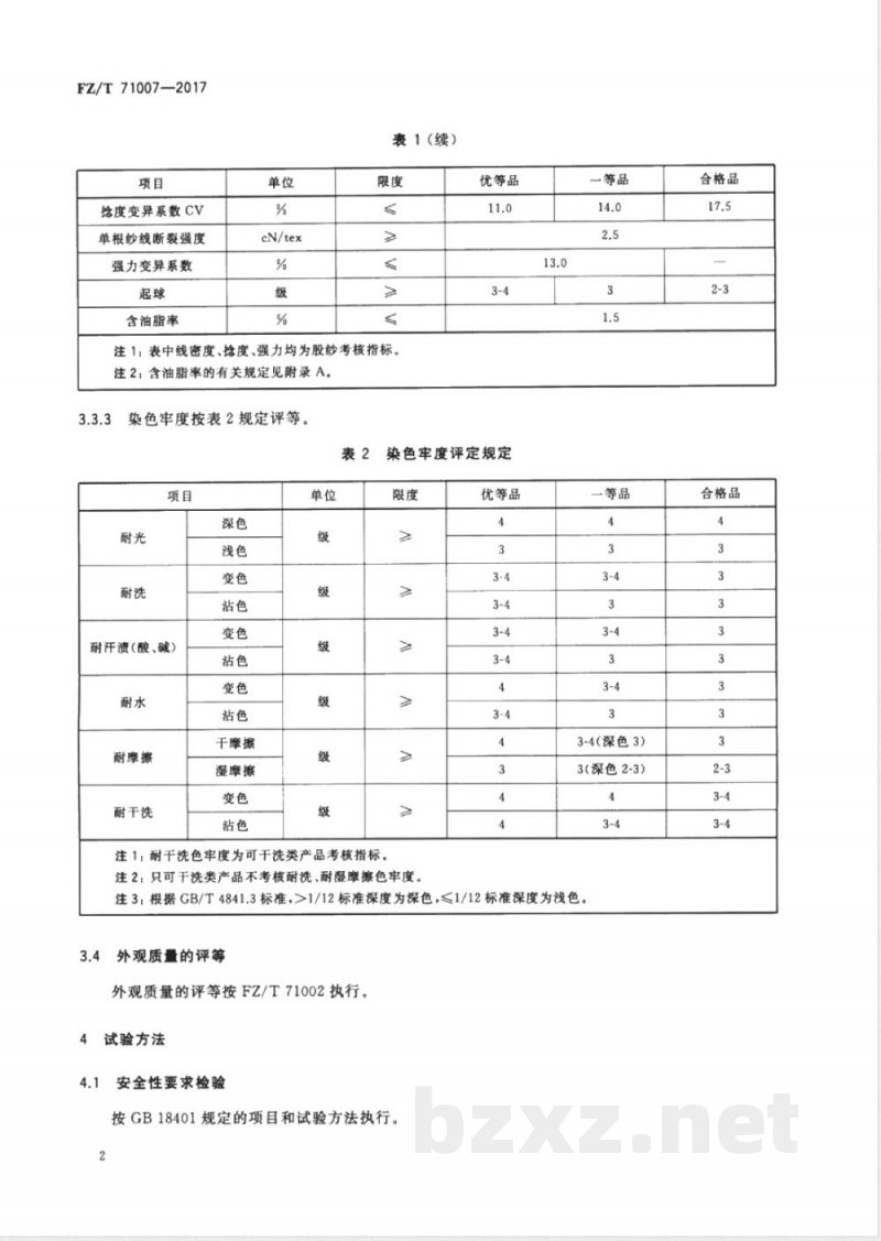
表1(续)
注1:表中线密度、拾度、强力均为股纱考核指标。注2:含油脂率的有关规定见附录A。3.3.3
染色牢度按表2规定评等。
耐汗渍(酸、碱)
耐摩擦
耐干洗
干摩擦
湿摩擦
优等品
染色牢度评定规定
注1:耐干洗色牢度为可干洗类产品考核指标。注2:只可干洗类产品不考核耐洗、耐湿摩擦色牢度。优等品
一等品
一等品
3-4(深色3)
3(深色2-3)
注3:根据GB/T4841.3标准,>1/12标准深度为深色,≤1/12标准深度为浅色。3.4
外观质量的评等
外观质量的评等按FZ/T71002执行。4试验方法
安全性要求检验
按GB18401规定的项目和试验方法执行。2
合格品
合格品
内在质量检验
各单项试验方法按FZ/T70001执行,其中耐干洗按GB/T5711执行。检验及验收规则
按FZ/T71002执行。
包装、标志
按FZ/T71002执行。
7其他
供需双方另有要求,可按合约规定执行。FZ/T71007—2017
FZ/T71007—2017
附录A
(规范性附录)
几项补充规定
色差按照GB/T250标准要求与封样进行对照评定,色差不得低于4级A.1
粗梳耗牛绒针织绒线考核洗后含油率,优等品、一等品和合格品考核指标为≤1.5%,当实际含油A.2
脂率超过规定含油脂率(3%)时,按式(A.1)折公量:m,×(1+R。)
×[1+a。-a,)]
式中:
公定质量,单位为千克(kg);实际质量,单位为千克(kg);公定回潮率,%;
实际回潮率,%;
规定含油脂率,%;
实际含油脂率,%。
纺织材料公定回潮率按GB9994执行。A.3wwW.bzxz.Net
外观疵点说明及量计方法按FZ/T710022-2015中的附录B执行。
.........( A.1 )
小提示:此标准内容仅展示完整标准里的部分截取内容,若需要完整标准请到上方自行免费下载完整标准文档。