首页 > 其他行业标准 > FZ/T 74001-2020纺织品 针织运动护具
FZ/T 74001-2020

基本信息

标准号: FZ/T 74001-2020

中文名称:纺织品 针织运动护具

标准类别:其他行业标准

英文名称:Textiles—knitted sports protectors

标准状态:现行

发布日期:2020-12-09

实施日期:2021-04-01

出版语种:简体中文

下载格式:.pdf .zip

相关标签: 纺织品 针织 运动

标准分类号

标准ICS号:纺织和皮革技术>>纺织产品>>59.080.30纺织物

中标分类号:纺织>>针织>>W63针织品

关联标准

替代情况:替代FZ/T 74001-2013

出版信息

出版社:中国标准出版社

页数:16页

标准价格:18.0

出版日期:2021-01-01

相关单位信息

起草人:胡浩、唐湘涛、徐明明、张宝春、孔令豪、张萍、仇瑾、万福生、嵇庆卫、何伟华、徐志龙、陈郭治、徐瑞波

起草单位:天纺标检测认证股份有限公司、李宁(中国)体育用品有限公司、特步(中国)有限公司、花法科技有限公司、中国检验认证集团天津有限公司、扬州奥力克斯体育用品有限公司等

提出单位:中国纺织工业联合会

发布部门:中华人民共和国工业和信息化部

标准简介

本标准规定了针织运动护具的术语和定义、产品分类、规格、要求、试验方法、抽样规则、判定规则和产品使用说明、包装、运输和贮存。 本标准适用于以纺织纤维为主要原料采用针织工艺织造成型的或采用针织布与聚氨酯泡沫材料贴合制作的针织运动护具,包括护踝、护腿、护膝、护腰、护腕、护臂、护肘、护肩及头带等产品。 本标准不适用于年龄在36个月及以下的婴幼儿针织运动护具。


标准图片预览

FZ/T 74001-2020纺织品 针织运动护具
FZ/T 74001-2020纺织品 针织运动护具
FZ/T 74001-2020纺织品 针织运动护具
FZ/T 74001-2020纺织品 针织运动护具
FZ/T 74001-2020纺织品 针织运动护具

标准内容

ICS59.080.30
中华人民共和国纺织行业标准
FZ/T74001-2020
代替FZ/T74001-2013
纺织品
针织运动护具
Textiles-knittedsportsprotectors2020-12-09发布
中华人民共和国工业和信息化部2021-04-01实施
本标准按照GB/T1.1一2009给出的规则起草。FZ/T74001—2020
本标准代替FZ/T74001—2013《纺织品针织运动护具》,与FZ/T74001一2013相比主要技术变化如下:
修改了标准的适用范围(见第1章,2013年版的第1章);补充并修改了规范性引用文件(见第2章,2013年版的第2章);增加了可萃取重金属指标考核(见表1,2013年版的表1);修改拉伸弹性回复率考核项目“横向”为“延伸向”(见表1,2013年版的表1);增加针对儿童产品的考核要求(见6.2.8);修改了拉伸弹性回复率试验方法(见7.1.12,2013年版的6.2.7);增加了可萃取重金属试验方法(见7.1.13);修改了N-亚硝基胺试验方法描述(见7.1.14,2013年版的6.2.12);修改了水洗后外观试验方法描述(见7.1.16,2013年版的6.2.14);修改补充了产品使用说明、包装、运输、贮存(见第10章,2013年版的第8章)。本标准由中国纺织工业联合会提出。本标准由全国体育用品标准化技术委员会运动服装分技术委员会(SAC/TC291/SC1)归口。本标准主要起草单位:天纺标检测认证股份有限公司、李宁(中国)体育用品有限公司、特步(中国)有限公司、花法科技有限公司、中国检验认证集团天津有限公司、扬州奥力克斯体育用品有限公司、扬州市强劲体育用品有限公司、扬州森斯伯特保健用品有限公司、扬州飞亚力体育用品有限公司、福州帝豪服饰有限公司、扬州市江都区市场监督管理局、上海圣利斯服饰有限公司、天纺标(广东)检测科技有限公司。
本标准主要起草人:胡浩、唐湘涛、徐明明、张宝春、孔令豪、张萍、仇瑾、万福生、嵇庆卫、何伟华、徐志龙、陈郭治、徐瑞波。
本标准所代替标准的历次版本发布情况为:FZ/T74001—2013。
1范围
纺织品
针织运动护具
FZ/T74001—2020
本标准规定了针织运动护具的术语和定义、产品分类、规格、要求、试验方法、抽样规则、判定规则和产品使用说明、包装、运输和贮存。本标准适用于以纺织纤维为主要原料采用针织工艺织造成型的或采用针织布与聚氨酯泡沫材料贴合制作的针织运动护具,包括护踝、护腿、护膝、护腰、护腕、护臂、护肘、护肩及头带等产品。本标准不适用于年龄在36个月及以下的婴幼儿针织运动护具。规范性引用文件
下列文件对于本文件的应用是必不可少的。凡是注日期的引用文件,仅注日期的版本适用于本文件。凡是不注日期的引用文件,其最新版本(包括所有的修改单)适用于本文件。GB/T250纺织品色牢度试验评定变色用灰色样卡GB/T2910(所有部分)纺织品定量化学分析GB/T2912.1
GB/T3920
纺织品甲醛的测定第1部分:游离和水解的甲醛(水萃取法)纺织品包
色牢度试验耐摩擦色牢度
GB/T3921—2008
纺织品色牢度试验耐皂洗色牢度GB/T3922
GB/T4856
色牢度试验耐汗渍色牢度
纺织品
针棉织品包装
GB/T5296.4
GB/T5713
GB/T7573
GB/T8170
消费品使用说明第4部分:纺织品和服装色牢度试验耐水色牢度
纺织品
纺织品
水萃取液pH值的测定
数值修约规则与极限数值的表示和判定GB/T8427—2019
GB/T8629—2017
GB/T14576
GB/T16988
GB/T17592
纺织品色牢度试验耐人造光色牢度:氙弧纺织品试验用家庭洗涤和干燥程序纺织品
色牢度试验耐光、汗复合色牢度特种动物纤维与绵羊毛混合物含量的测定纺织品禁用偶氮染料的测定
GB/T17593.1
GB/T17593.2
GB/T17593.4
GB18401
纺织品
纺织品
纺织品
重金属的测定
第1部分:原子吸收分光光度法
重金属的测定
第2部分:电感耦合等离子体原子发射光谱法第4部分:砷、汞原子荧光分光光度法重金属的测定
国家纺织产品基本安全技术规范粘扣带
GB/T23315
GB/T24121
GB/T24153
GB/T29862
断针类残留物的检测方法
纺织制品
橡胶及弹性体材料N-亚硝基胺的测定纺织品纤维含量标识
FZ/T74001-2020
GB31701
婴幼儿及儿童纺织产品安全技术规范FZ/T01026
纺织品定量化学分析多组分纤维混合物FZ/T01057(所有部分)纺织纤维鉴别试验方法FZ/T70006—2004针织物拉伸弹性回复率试验方法GSB16-2159
3术语和定义
针织产品标准深度样卡(1/12)筒式护具cylindricalprotectors由封闭的圆简形状组成的护具。3.2
调节式护具
adjustableprotectors
开放的、可根据人体部位调节尺寸的护具。4产品分类
按产品用途分为:护腕、护臂、护肘、护肩、护膝、护腿、护踝、护腰及头带等。4.1
按产品形状分为:筒式护具和调节式护具。4.2
5规格
1成品的规格:以厘米为单位标注其外形宽度和高度的最大尺寸(不包括粘扣带、橡筋绳等辅料外5.1
型)。
示例:
14.0×23.0(护膝)、8.2×20(护腕)等。5.2
成品的规格尺寸也可根据用途及市场需求由企业自行设置。6要求
6.1分等规定
质量等级分为优等品、一等品、合格品。2质量定等:外观质量按只评等,内在质量按批评等,两者结合按最低品等评等。6.1.2
3内在质量各项指标,以试验结果最低一项作为该批产品的评等依据。6.1.3
6.1.4在同一件产品上发现属于不同品等的外观质量问题时,按最低品等定等。在同一件产品上只允许有两个同等级的极限表面疵点存在,超过者应降低一个等级。6.2
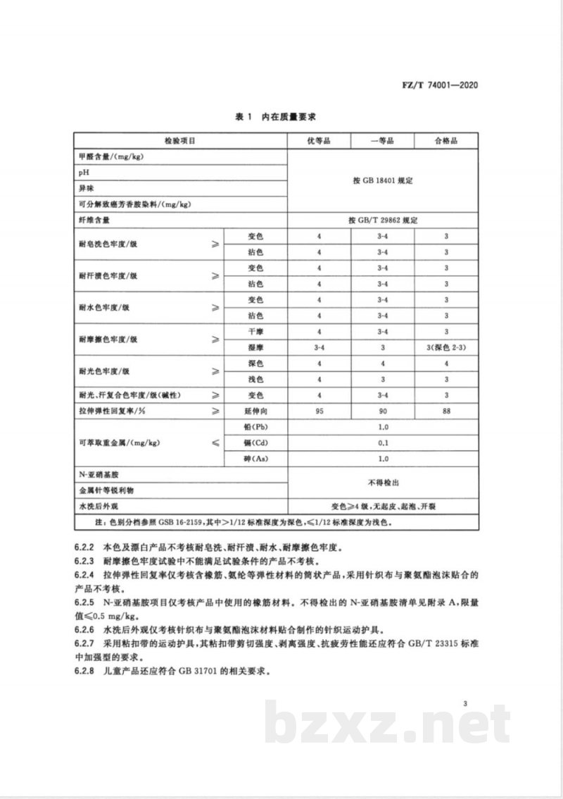
内在质量
针织运动护具的内在质量要求见表1。甲醛含量/(mg/kg)
检验项目
可分解致癌芳香胺染料/(mg/kg)纤维含量
耐皂洗色牢度/级免费标准下载网bzxz
耐汗渍色牢度/级
耐水色牢度/级
耐摩擦色牢度/级
耐光色牢度/级
耐光、汗复合色牢度/级(碱性)拉伸弹性回复率/%
可萃取重金属/(mg/kg)
N-亚硝基胺
金属针等锐利物
水洗后外观
内在质量要求
优等品
延伸向
铅(Pb)
镉(Cd)
砷(As)
一等品
FZ/T74001-2020
合格品
按GB18401规定
按GB/T29862规定
不得检出
3(深色2-3)
变色≥4级,无起皮、起泡、开裂注:色别分档参照GSB16-2159,其中>1/12标准深度为深色,≤1/12标准深度为浅色。本色及漂白产品不考核耐皂洗、耐汗渍、耐水、耐摩擦色牢度。6.2.2
耐摩擦色牢度试验中不能满足试验条件的产品不考核。拉伸弹性回复率仅考核含橡筋、氨纶等弹性材料的筒状产品,采用针织布与聚氨酯泡沫贴合的6.2.4
产品不考核。
6.2.5N-亚硝基胺项目仅考核产品中使用的橡筋材料。不得检出的N-亚硝基胺清单见附录A,限量值≤0.5mg/kg。
6.2.6水洗后外观仅考核针织布与聚氨酯泡沫材料贴合制作的针织运动护具。6.2.7
采用粘扣带的运动护具,其粘扣带剪切强度、剥离强度、抗疲劳性能还应符合GB/T23315标准中加强型的要求。
儿童产品还应符合GB31701的相关要求。6.2.8
FZ/T74001—2020
外观质量
成品的规格尺寸偏差
见表2。
标注规格
标注规格
成品的测量部位及规定
6.3.2.1筒式护膝测量部位见图1。说明:
宽度(横向);
2——高度(直向)。
调节式护腕测量部位见图2。
说明:
宽度(横向);
一高度(直向)。
规格尺寸偏差
优等品
一等品
图1筒式护膝测量部位
粘扣带
图2调节式护腕测量部位
6.3.2.3调节式护踝测量部位见图3。4
单位为厘米
合格品
橡筋绳
说明:
宽度(横向);
2—高度(直向)。
成品测量部位规定见表3。
筒式护具
调节式护具
表面疵点评等规定
见表4。
症点名称
缝口开线
断橡筋
优等品
不允许
不允许
图3调节式护踝测量部位
成品测量部位规定
粘扣带
测量规定
产品织物横向(筒宽)的最大值
产品织物直向(筒高)的最大值
FZ/T74001—2020
产品织物横向(包覆防护部位的方向)的最大值(不包括粘扣带、橡筋绳等辅料)
产品织物直向(垂直于宽度的方向)的最大值(不包括粘扣带、橡筋绳等辅料)
表面疵点评等规定
一等品
轻微的并且面积小于0.1cm
每只允许1处
轻微的痕迹小于0.5cm的每
只允许1处
不允许
不允许
不允许
本身不允许,成双产品之间≥4-5级合格品
轻微的并且面积小于0.1cm2
每只允许2处,明显的不允许
轻微的痕迹小于0.5cm的每只
允许2处,明显的不允许
本身不允许,成双产品之间≥4级5
FZ/T74001—2020
症点名称
针迹歪斜
印(绣)标变形或歪斜
丢工、错工或配件缺损
注1:轻微
明显-
优等品
不允许
表4(续)
一等品
明显的不允许
一直观上不明显,通过仔细辨认才可看出。不影响整体效果,但能感觉到疵点的存在。显著—明显影响整体效果的疵点。轻微的允许
不允许
注2:凡未列人本标准的外观疵点可参照本标准中的类似症点评定。注3:在同一个产品上只允许有2个同等级的极限疵点,超过者降一个等级。7试验方法
内在质量试验方法
甲醛含量试验
按GB/T2912.1规定执行。
pH试验
按GB/T7573规定执行。
异味试验
按GB18401规定执行。
可分解致瘤芳香胺染料试验
按GB/T17592规定执行。
纤维含量试验
合格品
显著的不允许
按GB/T2910(所有部分)、FZ/T01057(所有部分)、FZ/T01026、GB/T16988等规定执行。7.1.6耐皂洗色牢度试验
按GB/T3921-2008方法A(1)规定执行。耐汗渍色牢度试验
按GB/T3922规定执行。
7.1.8耐水色牢度试验
按GB/T5713规定执行。
7.1.9耐摩擦色牢度试验
按GB/T3920规定执行,一般考核直向。6
7.1.10耐光色牢度试验
按GB/T8427—2008方法3规定执行。7.1.11耐光、汗复合色牢度试验按GB/T14576规定执行。
7.1.12拉伸弹性回复率试验
FZ/T74001—2020
按FZ/T70006一2004中8.3.2.2规定执行。试验只做产品延伸向,一般为横向。不破坏产品,双层夹持。其中夹持器移动的恒定速度为拉伸300mm/min,回程速度为300mm/min,定力为35N,反复拉伸次数为3次。根据试样的大小,试验仪的隔距长度可选择50mm或100mm。如果产品的高度即夹住试样的宽度小于50mm,则按实际尺寸试验。带松紧口的产品,夹持松紧口部位;无松紧口的产品,可夹持任意部位。结果取3块试样的平均值,按GB/T8170修约至整数。7.1.13可萃取重金属试验
可萃取重金属铅(Pb)、(Cd)的试验按GB/T17593.1规定执行,重金属砷(As)的试验按GB/T17593.4规定执行。或按GB/T17593.2测重金属铅(Pb)、镉(Cd)、砷(As)。7.1.14N-亚硝基胺试验
按GB/T24153规定执行。采用气相色谱-质谱联用仪(GC-MS)测试N-亚硝基胺含量时,可能出现假阳性情况。若有,建议使用液相色谱-质谱联用仪(HPLC-MS/MS)或其他适宜方法进行结果确认。7.1.15金属针等锐利物
按GB/T24121规定执行,采用检测灵敏度(标准铁球测试卡):1.0mm。7.1.16水洗后外观
按GB/T8629一2017规定执行,试样3件,采用4N洗涤程序,标准洗涤剂3,添加一次洗涤剂,连续洗涤5次后平摊晾干,最后按表1要求逐件评价,其中变色按照GB/T250评定。7.1.17剪切强度、剥离强度、抗疲劳性能按GB/T23315相关规定执行。其中,抗疲劳性能测试3000次。7.2外观质量检验
7.2.1一般采用灯光检验,在照度不低于6001x的光源下检验。如在室内利用自然光源,应以天然北光为准。检验时应将产品平摊在检验台上,台面铺一层白布,检验人员的视线应正视平摊产品的表面,目光与产品中间距离为35cm以上。7.2.2色差按GB/T250规定执行。7.2.3成品规格测定采用米制钢卷尺。8抽样规则
8.1内在质量按批随机抽样4只,不足时可增加数量。8.2外观质量按批随机抽样1%~2%,但不得少于20只。7
FZ/T74001—2020
9判定规则
9.1批量判定
9.1.1内在质量
内在质量有一项不符合,则判定该批产品不合格。其中,色牢度项目不符合者,按色别判定该批产品不合格。水洗后外观检验结果至少2件及以上均合格者判定该批产品合格,不合格者判定该批产品不合格。
2外观质量
外观质量按品种、色别计算不符品等率。凡不符品等率在5.0%及以内者,判定该批产品合格;不符品等率超过5.0%以上者,判定该批产品不合格。9.1.3
3结果判定
按9.1.1、9.1.2判定均为合格,则该批产品合格。9.2
单件判定
若产品检验数量低于批量判定的抽样数量时,内在质量和外观质量只对被检样品进行测定,并参照9.1规定进行判定,并在检验报告中注明。9.3其他
严重影响使用性能的产品不允许。9.4复验
9.4.1任何一方对检验结果有异议时,均可要求复验,9.4.2
2复验结果按9.1、9.2、9.3规定执行,判定以复检结果为准。10产品使用说明、包装、运输和贮存10.1
产品使用说明按GB/T5296.4执行,儿童产品按GB/T5296.4和GB31701执行。包装按GB/T4856规定或按客户约定执行。10.21
10.3产品装箱运输应防潮、防火、防污染。10.4产品应存放在阴凉、通风、干燥、清洁的库房内,防蛀、防霉。8
(规范性附录)
不应检出的N-亚硝基胺类物质清单不应检出N-亚硝基胺类物质清单见表A.1。表A.1
N-亚硝基二甲胺
N-亚硝基二乙胺
N-亚硝基二丙基胺
N-亚硝基二丁基胺
N-亚硝基哌啶
N-亚硝基吡略烷
N-亚硝基吗啉
N-亚硝基-N-甲基-N-苯胺
N-亚硝基-N-乙基-N-苯胺
不应检出 N-亚硝基胺的种类
英文名称
N-nitrosodimethylamine(NDMA)N-nitrosodiethylamine(NDEA)
N-nitrosodipropylamine(NDPA)N-nitrosodibutylamine(NDBA)
N-nitrosopiperidine(NPIP)
N-nitrosopyrrolidine(NPYR)
N-nitrosomorpholine(NMOR)
N-nitroso N-methyl N-phenylamine(NMPhA)N-nitroso N-phenylamine(NEPhA)FZ/T74001—2020
化学文摘号(CAS No)
62-75-9
55-18-5
621-64-7
924-16-3
100-75-4
930-55-2
59-89-2
614-00-6
612-64-6
小提示:此标准内容仅展示完整标准里的部分截取内容,若需要完整标准请到上方自行免费下载完整标准文档。