首页 > 其他行业标准 > FZ/T 92019-2012棉纺环锭细纱机牵伸下罗拉
FZ/T 92019-2012

基本信息

标准号: FZ/T 92019-2012

中文名称:棉纺环锭细纱机牵伸下罗拉

标准类别:其他行业标准

英文名称:Bottom rollers for drafting systems of cotton ring spinning machines

标准状态:已作废

发布日期:2012-12-28

实施日期:2013-06-01

作废日期:2022-04-01

出版语种:简体中文

下载格式:.pdf .zip

相关标签: 棉纺 环锭 细纱机 牵伸 罗拉

标准分类号

标准ICS号:纺织和皮革技术>>纺织机械>>59.120.10纺纱、加捻和卷曲变形机械

中标分类号:纺织>>纺织机械与器具>>W93纺部机械与器具

关联标准

替代情况:被FZ/T 92019-2021代替;替代FZ/T 92019-2004

出版信息

出版社:中国标准出版社

书号:155066·2-24829

页数:12页

标准价格:16.0

出版日期:2013-06-01

相关单位信息

起草人:李瑞芬、崔桂生、张恒才、倪俊龙、王宗伟、臧晨东、潘涛、唐国新、张玉红

起草单位:国家纺织机械质量监督检验中心、常州市同和纺织机械制造有限公司等

归口单位:全国纺织机械与附件标准化技术委员会纺纱、染整机械分技术委员会(SAC/TC 215/SC 1)

提出单位:中国纺织工业联合会

发布部门:中华人民共和国工业和信息化部

主管部门:全国纺织机械与附件标准化技术委员会纺纱、染整机械分技术委员会(SAC/TC 215/SC 1)

标准简介

本标准规定了棉纺环锭细纱机牵伸下罗拉的分类、参数与标记、要求、试验方法、检验规则和标志、包装、运输、贮存。 本标准适用于棉纺环锭细纱机牵伸装置中具有沟槽或滚花形状的下罗拉(集聚纺纱用下罗拉亦可参照执行)。
本标准按照GB/T1.1—2009给出的规则起草。
本标准代替FZ/T92019—2004《棉纺环锭细纱机牵伸下罗拉》。
本标准与FZ/T92019—2004相比,主要变化如下:
———范围中增加了“(集聚纺纱用下罗拉亦可参照执行)”(见第1章);
———删除了“罗拉的结构型式”,增加了分类和标记(见第3章,2004年版的第3章);
———原表1中注释移入分类,增加了锭距、锭数项目,增加了螺纹、内螺纹长度的参数及表的注释和脚注(见3.1.2,3.2表1,2004年版的表1);
———表2中沟槽数z,由数值表示改为以数值范围表示,并有拓展(见3.2表2,2004年版的表2);
———增加了产品标记(见3.3);
———要求中沟槽罗拉改为喂入下罗拉,滚花罗拉改为中下罗拉,增加了输出下罗拉(见第4章,2004年版的第4章);
———拓宽了使用材料的范围(见4.1,2004年版的4.1);
———增加了表面镀层厚度的要求(见4.3);
———提高了下罗拉镶接端面表面粗糙度、长度公差、导柱外圆和导孔内圆圆跳动及镶接圆跳动的要求(见4.5、4.6、4.8、4.11,2004版的4.3、4.5、4.6、4.9);
———将“公差”改为“宽度差”,并改为对输出下罗拉的要求(见4.10,2004年版的4.8);
———增加了对中下罗拉镶接后外圆径向圆跳动的要求(见4.11);
———增加了材料、硬度差、圆度和镶接跳动的试验方法(见5.1、5.2、5.7、5.11);
———修改了抽样方法(见6.3,2004年版的6.3);
———修改了原标准的图及图号(见第4章和第5章,2004年版的第4章和第5章)。
本标准由中国纺织工业联合会提出。
本标准由全国纺织机械与附件标准化技术委员会纺纱、染整机械分技术委员会(SAC/TC215/SC1)归口。
本标准主要起草单位:国家纺织机械质量监督检验中心、常州市同和纺织机械制造有限公司、山西经纬纺织机械专件有限公司、安徽华茂纺织股份有限公司、上海良纺纺织机械专件有限公司、江阴市东杰纺机专件有限公司、东台市润生纺机专件有限公司。
本标准主要起草人:李瑞芬、崔桂生、张恒才、倪俊龙、王宗伟、臧晨东、潘涛、唐国新、张玉红。
本标准所代替标准的历次版本发布情况为:
———FJ/JQ1—1982、FZ/T92019—1992、FZ/T92019—2004。
下列文件对于本文件的应用是必不可少的。凡是注日期的引用文件,仅注日期的版本适用于本文件。凡是不注日期的引用文件,其最新版本(包括所有的修改单)适用于本文件。
GB/T191 包装储运图示标志
GB/T699 优质碳素结构钢
GB/T5459—2003 纺织机械与附件 环锭细纱机和环锭捻线机 锭距(ISO94:1982,IDT)
GB/T6002.1—2004 纺织机械术语 第1部分:纺部机械牵伸装置
FZ/T90001 纺织机械产品包装

标准图片预览

FZ/T 92019-2012棉纺环锭细纱机牵伸下罗拉
FZ/T 92019-2012棉纺环锭细纱机牵伸下罗拉
FZ/T 92019-2012棉纺环锭细纱机牵伸下罗拉
FZ/T 92019-2012棉纺环锭细纱机牵伸下罗拉
FZ/T 92019-2012棉纺环锭细纱机牵伸下罗拉

标准内容

ICS59.120.10
中华人民共和国纺织行业标准
FZ/T92019—2012下载标准就来标准下载网
代替FZ/T92019--2004
棉纺环锭细纱机牵伸下罗拉
Bottom rollers for drafting systemsof cotton ring spinning machines2012-12-28发布
中华人民共和国工业和信息化部2013-06-01实施
中华人民共和国纺织
行业标准
棉纺环锭细纱机牵伸下罗拉
FZ/T92019-2012
中国标准出版社出版发行
北京市朝阳区和平里西街甲2号(100013)北京市西城区三里河北街16号(100045)网址www.spc.net.cn
总编室:(010)64275323
发行中心:(010)51780235
读者服务部:(010)68523946
中国标准出版社秦皇岛印刷厂印刷各地新华书店经销
开本880×1230
2013年6月第一版
印张0.75
字数17千字
2013年6月第一次印刷
书号:155066·2-24829定价
如有印装差错
由本社发行中心调换
版权专有侵权必究
举报电话:(010)68510107
本标准按照GB/T1.1—2009给出的规则起草。本标准代替FZ/T92019--2004《棉纺环锭细纱机牵伸下罗拉》。本标准与FZ/T92019—2004相比,主要变化如下:一范围中增加了“(集聚纺纱用下罗拉亦可参照执行)”(见第】章);FZ/T92019—2012
—一删除了“罗拉的结构型式”,增加了分类和标记(见第3章,2004年版的第3章);一—原表1中注释移入分类,增加了锭距、锭数项目,增加了螺纹、内螺纹长度的参数及表的注和脚注(见3.1.2,3.2表1,2004年版的表1);一一表2中沟槽数,由数值表示改为以数值范围表示,并有拓展(见3.2表2,2004年版的表2);-—-增加了产品标记(见3.3);一要求中沟槽罗拉改为喂入下罗拉,滚花罗拉改为中下罗拉,增加了输出下罗拉(见第4章,2004年版的第4章);
一一拓宽了使用材料的范围(见4.1,2004年版的4.1);——增加了表面镀层厚度的要求(见4.3);一一提高了下罗拉镶接端面表面粗糙度、长度公差、导柱外圆和导孔内圆圆跳动及镶接圆跳动的要求(见4.5、4.6、4.8、4.11,2004版的4.3、4.5、4.6、4.9);—将“公差”改为“宽度差”,并改为对输出下罗拉的要求(见4.10,2004年版的4.8);一一增加了对中下罗拉镶接后外圆径向圆跳动的要求(见4.11);—-增加了材料、硬度差、圆度和镶接跳动的试验方法(见5.1、5.2、5.7、5.11);-修改了抽样方法(见6.3,2004年版的6.3);一一修改了原标准的图及图号(见第4章和第5章,2004年版的第4章和第5章)。本标准由中国纺织工业联合会提出。本标推由全国纺织机械与附件标准化技术委员会纺纱、染整机械分技术委员会(SAC/TC215/SC1)归口。
本标准主要起草单位:国家纺织机械质量监督检验中心、常州市同和纺织机械制造有限公司、山西经纬纺织机械专件有限公司、安徽华茂纺织股份有限公司、上海良纺纺织机械专件有限公司、江阴市东杰纺机专件有限公司、东台市润生纺机专件有限公司,本标准主要起草人:李瑞芬、崔桂生、张恒才、倪俊龙、王宗伟、藏晨东、潘涛、唐国新、张玉红。本标准所代替标准的历次版本发布情况为:—FJ/JQ1—1982、FZ/T92019—1992、FZ/T92019—2004。1
1范围
棉纺环锭细纱机牵伸下罗拉
FZ/T92019—2012
本标准规定了棉纺环锭细纱机牵伸下罗拉(以下简称“下罗拉”)的分类、参数与标记、要求、试验方法、检验规则和标志、包装、运输、贮存。本标准适用于棉纺环锭细纱机牵伸装置中具有沟槽或滚花形状的下罗拉(集聚纺纱用下罗拉亦可参照本标准执行)。
2规范性引用文件
下列文件对于本文件的应用是必不可少的。凡是注日期的引用文件,仅注日期的版本适用于本文件。凡是不注日期的引用文件,其最新版本(包括所有的修改单)适用于本文件。GB/T191包装储运图示标志
优质碳素结构钢
GB/T699
GB/T5459—2003纺织机械与附件环锭细纱机和环锭捻线机锭距(ISO94:1982,IDT)GB/T6002.1-2004纺织机械术语第1部分:纺部机械牵伸装置FZ/T90001纺织机械产品包装
3分类、参数与标记
3.1分类
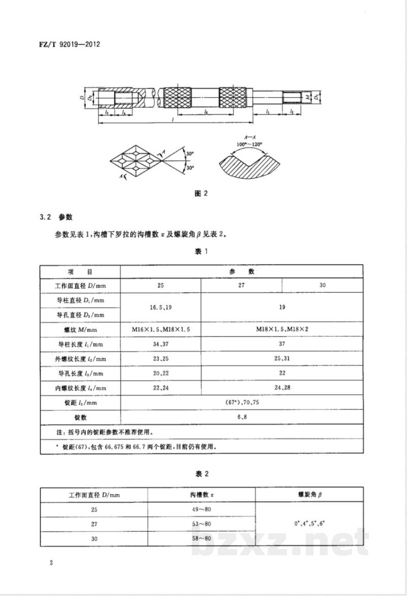
3.1.1按下罗拉的安装位置分为输出下罗拉、中下罗拉和喂入下罗拉。注:输出下罗拉、中下罗拉和暖人下罗拉参见CB/T6002.1一2004。3.1.2按下罗拉工作面的表面形状分为沟槽下罗拉(见图1)和滚花下罗拉(见图2)。注:工作面指具有沟槽或滚花形状的外圆表面。图1
FZ/T92019—2012
3.2参数
参数见表1,沟槽下罗拉的沟槽数及螺旋角β见表2。表1
工作面直径D/mm
导柱直径D,/mm
导孔直径D,/mm
螺纹M/mm
导柱长度1/mm
外螺纹长度12/mm
导孔长度la/mm
内螺纹长度l/mm
锭距ls/mm
16.5、19
M16×1.5、M18×1.5
34、37
23、25
20、22
22、24
100°1200
M18X1.5.M18X2
25、31
24、28
(67*)、70、75
注:括号内的锭距参数不推荐使用。,锭距(67),包含66.675和66.7两个锭距,目前仍有使用。表2
工作面直径D/mm
沟槽数z
49~80
螺旋角β
0°、4°5°6°
3.3标记
3.3.1标记内容
标记依次包括以下内容:
棉纺细纱下罗拉FZ/T92019—XL
a)产品名称及标准代号,棉纺细纱下罗拉FZ/T92019;b)
产品代号为大写字母“XL”;
FZ/T92019--2012
工作面直径
-安装位置
产品名称代号
产品名称及标准
安装位置,用大写字母“S”表示输出下罗拉,“Z\表示中下罗拉,“W”表示喂人下罗拉;c)
工作面直径,按表1的参数表示,单粒为毫米;e)
锭距,按表1的参数表示,单位为毫米;锭数,按表1的参数表示;
螺纹,用螺纹代号M、公称直径X螺距及旋向表示。用大写字母“R”表示右旋,“L”表示左旋。g)
注:本标记可用于技术文件、货物订单等场合;用于下罗拉非工作面作产品代码时,可省略产品名称及标准代号。3.3.2标记示例
示例1:某企业生产的下罗拉,符合FZ/T92019标准,其特征为:输出下罗拉、工作面直径25mm、锭距70mm、每节6锭、螺纹M16×1.5右旋,其标记为:棉纺细纱下罗拉FZ/T92019-XLS25706-M6X1.5R示例2;某企业生产的下罗拉,符合F2/T92019标准,其符征为:中下罗拉、工作面直径30mm,锭距66.7mm.每节8锭、螺纹M18×2左旋,其标记为:棉纺细纱下罗拉FZ/T92019-XLZ30678-M18×2L4要求
4.1下罗拉材料的机械性能应不低于含碳量0.45%的优质碳素结构钢。4.2下罗拉工作面硬度≥78HRA,输出下罗拉的同节硬度差异值≤2HRA。4.3下罗拉表面(除导孔,导柱、螺纹的表面和镶接端面外)需经镀硬铬或其他表面处理;表面镀层厚度≥0.005 mm 。
4.4下罗拉表面应光滑,无碰痕和锋利的棱边,不挂纤维4.5下罗拉表面粗糙度应符合表3的规定。FZ/T92019--2012
工作面
导柱表面
镶接端面
导孔表面
非工作面”
·非工作面指与工作面相邻的光滑圆柱表面。表3
输出下罗拉
4.6下罗拉主要部位尺寸的极限偏差应符合表4的规定。表4
输出下罗拉
工作面直径D
导柱直径D1
导孔直径D
下罗拉长度1
输出下罗拉工作面的圆度公差0.007mm。4.7
表面粗糙度Ra
极限偏差
中下罗拉
4.8下罗拉各部位的圆跳动公差(见图3),应符合表5的规定。744B
单位为微米
中下罗拉、喂人下罗拉
单位为癌米
喂人下罗拉
导柱端轴向圆跳动tt
导孔端轴向圆跳动2
导柱外圆径向圆跳动 t
导孔内圆径向圆跳动2
工作面外面径向画跳动5
非工作面外圆径向圆跳动t
输出下罗拉
中下罗拉
4.9下罗拉各工作面的中心平面对导柱端面的位置度公差1.0mm。4.10输出下罗拉单链齿顶宽宽度差≤0.040mm。注:齿项宽指沟槽下罗拉工作面法向长度。0.005
FZ/T 92019—2012
单位为膏米
喂人下罗拉
4.11任意两节下罗拉镶接并紧(不经校直),与轴承相邻的工作面对轴线的径向圆跳动公差(图4),应符合表6的规定。
5试验方法
输出下罗拉
单位为恶米
径向圆跳动公差t
中下罗拉、喂入下罗拉
5.1下罗拉的材料(4.1),查验该批产品材料的质量证书;必要时按GB/T699标准的规定检测。5.2工作面硬度(4.2),按非工作面硬度值不低于76HRA进行评定。试验时用洛氏硬度计测量同一截面上相隔180°两点的硬度,两点均不低于76HRA,判该节符合要求;两点均低于76HRA,判该节不符合要求;如有一点低于76HRA,在该点附近再测两点,两点均不低于76HRA,可判该节符合要求。5.3镀层厚度(4.3),用镀层测厚仪测量非工作面镀层的厚度。5.4外观质量(4.4),用棉纤维在下罗拉表面作轴向擦拭,检验表面是否挂纤维。5.5表面粗糙度(4.5),用粗糙度样板比对检验,必要时用粗糙度仪检测。5
FZ/T92019—2012
5.6主要部位尺寸(4.6),工作面直径用外径于分尺或专用量规检测;导柱、导孔直径用气动量仪检测;下罗拉长度用标准样棒作比较检测,必要时用测长仪检测。5.7圆度(4.7),用千分表测量(见图5),必要时用圆度仪检验。77777777777777777777777
5.8圆跳动(4.8),将下罗拉放在专用测试台上,按图6所示,用于分表和百分表检测。在测量端面圆跳动时,轴向定位支点与测点的夹角为180°,测量示值的1/2为该端面的圆跳动值。支点
5.9位置度(4.9),用万能工具显微镜检测。图6
支点/
5.10齿顶宽宽度差(4.10),用万能工具显微镜检验,必要时用轮廊仪检测。每节全锭数测量,单锭测量4个齿,其间隔约90°,取最大值与最小值之差为单锭齿顶宽宽度差。5.11镶接跳动(4.11),将任意两节下罗拉镶接,扭矩扳手的力矩为78N·m时并紧。不经校直,按图7所示,用百分表测量轴承相邻的两个工作面对轴线的径向圆跳动,调头镶接共测两次。?
080386
777777777777777777777777777777777图7
6检验规则
6.1型式检验
6.1.1在下列情况之一时,应进行型式检验:6
新产品投产鉴定时;
b)结构、工艺、材料有较大改变时;c)产品长期停产两年以上恢复生产时;d)正常生产定期或积累一定的产量时;e)第三方进行质量检验时。
6.1.2检验项目:见第4章。
6.2出厂检验
6.2.1产品由生产企业的质量检验部门检验,并附有质量合格证。6.2.2检验项目:见4.2~4.11。
抽样方法和判定规则
FZ/T92019--2012
检验样本采取随机抽样,抽取下罗拉30节,检验项目、样品数量、合格率见表7。6.3.1
检验项目
铵层厚度
表面粗糙度
主要部位尺寸
圆跳动”
位置度
齿顶宽
镶接跳动
样品数量/节
5(输出下罗拉)
2(输出下罗拉)
必要时用仪器检验的项目均抽样检验10节。单项合格率/%
项次合格率/%
6.3.2样本经检验,单项合格率、项次合格率均达到本标准的规定,则判定该样本符合标准要求。反之,判定该样本不符合标准要求。6.4其他
用户在安装、调整过程中,发现有产品不符合本标准时,由生产企业会同用户共同处理。7标志
7.1下罗拉非工作面上标识企业或产品代码的标志。7.2包装储运图示标志按GB/T191的规定。FZ/T 920192012
包装、运输和贮存
8.1产品包装按FZ/T90001的规定。8.2产品在运输过程中,按规定的起吊位置起吊,包装箱应按规定的朝向安置,不得倾倒或者改变方向。
8.3产品出厂后,在良好的防雨及通风贮存条件下,包装箱内的下罗拉防潮、防锈有效期为一年。FZIF92019-2012-棉纺环锭细机率伸下罗拉
版权专有侵权必究
155066224829
RMB:16.00
BZ002105070
书号:155066·2-24829
定价:
小提示:此标准内容仅展示完整标准里的部分截取内容,若需要完整标准请到上方自行免费下载完整标准文档。