首页 > 其他行业标准 > FZ/T 92024-2017LZ系列下罗拉轴承
FZ/T 92024-2017

基本信息

标准号: FZ/T 92024-2017

中文名称:LZ系列下罗拉轴承

标准类别:其他行业标准

英文名称:LZ series bottom roller bearings

标准状态:现行

发布日期:2017-04-12

实施日期:2017-10-01

出版语种:简体中文

下载格式:.pdf .zip

相关标签: 罗拉 轴承

标准分类号

标准ICS号:纺织和皮革技术>>纺织机械>>59.120.10纺纱、加捻和卷曲变形机械

中标分类号:纺织>>纺织机械与器具>>W93纺部机械与器具

关联标准

替代情况:替代FZ/T 92024-2006

出版信息

出版社:中国标准出版社

页数:12页

标准价格:16.0

出版日期:2017-10-01

相关单位信息

起草人:郭长健、李立平、黄立、谢军

起草单位:上海人本集团有限公司、国家纺织机械质量监督检验中心、常熟长城轴承有限公司、衡阳纺织机械有限公司

归口单位:全国纺织机械与附件标准化技术委员会纺纱、染整机械分技术委员会(SAC/TC 215/SC 1)

提出单位:中国纺织工业联合会

发布部门:中华人民共和国工业和信息化部

主管部门:全国纺织机械与附件标准化技术委员会纺纱、染整机械分技术委员会(SAC/TC 215/SC 1)

标准简介

本标准规定了LZ系列下罗拉轴承的分类、参数和标记、要求、试验方法、检验规则、标志、包装、运输和贮存。 本标准适用于纺纱准备、纺纱和并(捻)机械的下罗拉轴承,其他同类的下罗拉轴承也可参照采用。


标准图片预览

FZ/T 92024-2017LZ系列下罗拉轴承
FZ/T 92024-2017LZ系列下罗拉轴承
FZ/T 92024-2017LZ系列下罗拉轴承
FZ/T 92024-2017LZ系列下罗拉轴承
FZ/T 92024-2017LZ系列下罗拉轴承

标准内容

ICS59.120.10
中华人民共和国纺织行业标准
FZ/T92024—2017
代替FZ/T92024-2006
LZ系列下罗拉轴承
LZseriesbottomrollerbearings2017-04-21发布
中华人民共和国工业和信息化部发布
2017-10-01实施
本标准按照GB/T1.1一2009给出的规则起草。FZ/T92024—2017
本标准代替FZ/T92024—2006《LZ系列下罗拉轴承》,与FZ/T92024—2006相比主要技术变化如下:
修改了规范性引用文件(见第2章,2006年版第2章);对第3章进行了编辑性修改(见第3章,2006年版第3章);修改了成套技术要求所包含的条款(见4.1,2006年版4.4);修改了增强尼龙(尼龙)保持架的要求(见4.3,2006年版4.2);修改了对平头滚针的要求和试验方法(见4.9、5.9,2006年版4.4.8、5.8);修改了内圈两端的端面圆跳动的简图(见表6,2006年版表6);修改了轴承径向游隙的简图和试验方法(见表6,2006年版表6):增加了其余项目的试验要求(见5.10);修改了型式检验的有关条款(见6.1,2006年版6.2);修改了检验项目、样本数量、合格率(见表7,2006年版表7);一增加了包装箱上的储运图示标志的要求(见7.2)。本标准由中国纺织工业联合会提出。本标准由全国纺织机械与附件标准化技术委员会纺纱,染整机械分技术委员会(SAC/TC215/SC1)归口。
本标准起草单位:上海人本集团有限公司、国家纺织机械质量监督检验中心、常熟长城轴承有限公司、衡阳纺织机械有限公司。
本标准主要起草人:郭长健、李立平、黄立、谢军。本标准所代替标准的历次版本发布情况为:—FJ/JQ2-1982
—FZ/T92024—1993、FZ/T92024—2006。I
1范围
LZ系列下罗拉轴承
FZ/T92024—2017
本标准规定了LZ系列下罗拉轴承(以下称“轴承”)的分类、参数和标记、要求、试验方法、检验规则、标志、包装、运输和贮存。本标准适用于纺纱准备、纺纱和并(抢)机械的下罗拉轴承,其他同类的下罗拉轴承也可参照采用。2规范性引用文件
下列文件对于本文件的应用是必不可少的。凡是注日期的引用文件,仅注日期的版本适用于本文件。凡是不注日期的引用文件,其最新版本(包括所有的修改单)适用于本文件。GB/T191
包装储运图示标志
GB/T309—2000滚动轴承滚针
GB/T18254高碳铬轴承钢
滚动轴承高碳铬轴承钢零件热处理技术条件JB/T1255
JB/T7048
FZ/T90001
FZ/T90086
滚动轴承工程塑料保持架技术条件纺织机械产品包装
纺织机械与附件
牛下罗拉轴承和有关尺寸
3分类、参数和标记
3.1分类
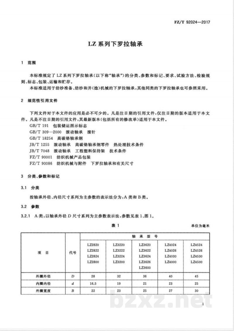
按轴承外径、内径尺寸系列为主参数的表示法分为:A类和B类。3.2参数
3.2.1A类:以轴承外径D尺寸系列为主参数表示法,参数见表1、图1。表1
LZ2820
外圈外径
内圈内径
外圈宽度
LZ2822
LZ2824
LZ2800
LZ3220
LZ3222
LZ3224
LZ3200
轴承型号
LZ3620
LZ3622
LZ3624
LZ3626
LZ3600
LZ4024
LZ4026
LZ4030
LZ4000
单位为毫米
LZ4524
LZ4526Www.bzxZ.net
LZ4530
LZ4500
FZ/T92024—2017
内圈宽度
内圈倒角
最小基本承载能力/N
LZ2820
LZ2822
LZ2824
LZ2800
表1(续)
LZ3220
LZ3222
LZ3224
LZ3200
轴承型号
LZ3620
LZ3622
LZ3624
LZ3626
LZ3600
3.2.2B类:以轴承内径d尺寸系列为主参数表示法,参数见表2、图1。表2
外圈外径
内图内径
外圈宽度
内图宽度
内图倒角
最小基本承载能力/N
注:外圈内径D,尺寸系列参见附录A。3.3标记
3.3.1A类标记
3.3.1.1标记内容
标记依次包含以下内容:
轴承型号
LZ4024
LZ4026
LZ4030
LZ4000
单位为毫米
LZ4524
LZ4526
LZ4530
LZ4500
单位为毫米
单位为毫米
轴承外径D见表1。
轴承座宽度B2见表3。
补充代号
轴承座宽度B2
轴承外径D
下罗拉轴承代号
20、22、24、(25)、26、30
与轴承尺寸无固定关系,选用时建议B2≤B(B见表2)。括号内数值尽量避免使用。
轴承座宽度B,的表示方法:
当附有中凸块轴承盖时用“00”表示;当轴承盖有侧凸块时用轴承座宽度表示。2)轴承盖及轴承座的结构型式、技术参数按照FZ/T90086的规定。补充代号的特征及表示法见表4。表4
补充代号
注:结构性能等需表达特征的内容,也可在代号内表示。3.3.1.2
标记示例
FZ/T92024-2017
单位为毫米
增强尼龙(尼龙)保持架
钢保持架
示例:轴承外径为28mm,轴承座宽度为22mm,增强尼龙保持架的下罗拉轴承,其标记为:LZ2822。3.3.2B类标记
3.3.2.1标记内容
标记依次包含以下内容:
补充代号
轴承内径d
下罗拉轴承代号
轴承内径d见表2。
b)补充代号的特征及表示法见表4。3.3.2.2
标记示例
示例:轴承内径为16.5mm,钢保持架的下罗拉轴承,其标记为:LZ16.5G。3
FZ/T92024—2017
4要求
4.1成套技术要求。
4.1.1同批成套轴承的外圈与内圈滚针保持架组件间应可以进行互换,并符合轴承的径向游隙值。4.1.2成套轴承旋转应灵活,不允许有阻滞、打顿现象。4.1.3内圈径向圆跳动公差见表5。表5
内径d
公差值
内圈两端的端面圆跳动公差不大于0.004mm。4.1.4
轴承径向游隙0.020mm~0.040mm。4.1.5
4.2轴承外圈、内圈、滚针用GCr15制造,材料应符合GB/T18254的规定。增强尼龙(尼龙)保持架,材料应符合JB/T7048的规定。4.3
外圈、内圈硬度60HRC65HRC,同一零件硬度差不大于1HRC。4.4
4.5外圈外径公差D-0.05mm。
4.6内圈内径公差d-0.01。mm。
内圈宽度公差b士0.025mm。
4.8内圈两端的平行度公差不大于0.004mm。>19
单位为毫米
4.9平头滚针的规值批直径变动量、硬度应符合GB/T309一2000的规定。平头滚针的规值批直径变动量不大于0.0025mm,平头滚针硬度60HRC~65HRC。5试验方法
5.1内圈径向圆跳动(4.1.3)、内圈两端的端面圆跳动(4.1.4)、轴承径向游隙(4.1.5),内圈两端的平行度(4.8)检测方法见表6。
内圈径向圆跳动
测试仪器
检验芯轴、专用轴
测仪、千分表(或
齿轮比较仪)
试验方法
轴承装于检验芯轴,芯轴
置于两项尖之间,测点在
外圈中间位置,固定外
图,使芯轴与内圈一同旋
转一周以上,千分表读数
差值为测量值
内圈端面圆跳动
轴承径向游隙
内圈两端面平行度
表6(续)
测试仪器
检验芯轴、专用轴
测仪、千分表(或
齿轮比较仪)
专用游隙测量仪
高度测量台架,标
准高度块、千分表
轴承外圈、内圈、滚针材料(4.2),按GB/T18254的规定检测。5.3
保持架材料(4.3),按JB/T7048的规定检测。5.4
外圈、内圈硬度(4.4),用洛氏硬度计按JB/T1255的规定检测。5.5外圈外径(4.5),用外径检查仪检测。5.6内圈内径(4.6),用内径检查仪检测。FZ/T92024-—2017
试验方法
轴承装于检验芯轴,芯轴
置于两顶尖之间,测点在
内圈端面1/2圆周平面
内,旋转芯轴1周,千分表
读数差值为测量值
水平握持芯轴一端,另一
端芯轴施加一定轴向压
力,固定轴承内圈。测点
置于外圈中间处,径向上
下加压,测量负荷F为
19.6N,内圈每转120°测
量1次,共测量3次,取其
算术平均值作为测量值
将轴承内圈端面放在平
台上,测点在1/2圆周平
面内,旋转内圈1周,千分
表读数差值为测量值
5.7内圈宽度(4.7),用专用量仪与标准件或块规作比较测量,测量时将内圈安放在平台上,测头打在另一端面,旋转一周。
5.8内圈两端的平行度(4.8),检测方法见表6。5.9平头滚针的规值批直径变动量、硬度(4.9),在现场取备装滚针,按GB/T309-2000的规定检测。5.10其余项目,感官检测。
FZ/T92024—2017
6检验规则
6.1型式检验
6.1.1在下列情况之一时,应进行型式检验:a)新产品鉴定时;
生产过程中,如结构、材料、工艺有较大改变,可能影响产品性能时;b)
正常生产时,定期或积累一定产量后,应进行一次周期性检验;d)出厂检验结果与上次型式检验有较大差异时;e)第三方进行质量检验时。
6.1.2检验项目:见第4章。
6.2出厂检验
6.2.1产品均应经生产企业检验部门检验合格,并附有合格证方能出厂。6.2.2检验项目:见4.1。
6.3抽样方法和判定规则
6.3.1检验样本采取随机抽样,检验项目、样本数量及合格率见表7。表7
检验项目
成套技术要求
轴承外圈、内圈、滚针材料
保持架材料
外图、内圈硬度
滚针的规值批直径变动量
滚针硬度
标准章条号
样本数量
>50套
≥20根
注:检查4.9滚针要求时,现场抽取批滚针样品数不小于50根(包括备用样品)。合格率/%
6.3.2样本经检验,成套和单项合格率均达到本标准的规定,则判定该样本符合标准的要求;反之,判定该样本不符合标准的要求。
6.4用户在安装调试过程中,发现有项目不符合本标准时,生产企业应会同用户协商处理。7标志
每套轴承应有产品标记和企业标志。7.1
包装箱上的储运图示标志,按GB/T191的规定。包装、运输和贮存
产品的包装,按FZ/T90001的规定。8.1
8.2产品在运输过程中,包装箱应按规定的朝向安置,不得倾斜或改变方向。8.3产品出厂后,在良好的防雨及通风贮存条件下,包装箱内的产品防潮、防锈有效期为1年。6
(资料性附录)
外圈内径D,尺寸系列
外圈内径D,尺寸
LZ2800
LZ3200
LZ3600
FZ/T92024—2017
LZ4000
LZ4500
小提示:此标准内容仅展示完整标准里的部分截取内容,若需要完整标准请到上方自行免费下载完整标准文档。