首页 > 其他行业标准 > FZ/T 92065-2006不锈钢焊接式烘筒
FZ/T 92065-2006

基本信息

标准号: FZ/T 92065-2006

中文名称:不锈钢焊接式烘筒

标准类别:其他行业标准

英文名称:Stainless steel welding cylinder

标准状态:现行

发布日期:2006-07-10

实施日期:2007-01-01

出版语种:简体中文

下载格式:.pdf .zip

相关标签: 不锈钢 焊接式

标准分类号

标准ICS号:纺织和皮革技术>>59.120纺织机械

中标分类号:纺织>>纺织机械与器具>>W93纺部机械与器具

关联标准

替代情况:替代FZ/T 92065-1998;强制性转化为推荐性标准,其文本不做任何调整;公告:中华人民共和国工业和信息化部公告 2017年(第11号)

出版信息

出版社:中国标准出版社

页数:出版社:

标准价格:14.0

出版日期:2007-01-01

相关单位信息

复审日期:2017-03-24

起草人:赵蓉贞、赵基平、胡大宛、杨建伟、陈晓云、胡健、李建龙、冯在林、李道霖

起草单位:无锡纺织机械所、黄石纺织机械厂、郑州纺织机械股份有限公司等

归口单位:全国纺织机械与附件标委会

提出单位:中国纺织工业协会

发布部门:中华人民共和国国家发展和改革委员会

主管部门:国家发展和改革委员会

标准简介

本标准规定了不锈钢焊接式烘筒的分类、要求、试验方法、检验规则、标志、包装、运输和贮存。本标准适用于平幅织物、纱线及无纺布等烘燥用的不锈钢焊接式烘筒。
本标准代替FZ92065-1998《不锈钢焊接式烘筒》。
本标准与FZ92065-1998相比的主要变化如下:
--- 提高筒体外径偏差要求;
--- 提高烘筒形位公差要求;
--- 筒体加工成形后的最小厚度按其内径尺寸分档要求;
--- 提高烘筒许用的平衡品质等级;
--- 增加了开设安装观察孔的要求。
请注意本标准的某些内容有可能涉及专利。本标准的发布机构不承担识别这些专利的责任。
本标准由中国纺织工业协会提出。
本标准由全国纺织机械与附件标准化技术委员会归口。
本标准起草单位:无锡纺织机械研究所、黄石纺织机械厂、郑州纺织机械股份有限公司、姜堰市恒丰染整设备有限公司、张家港市建业染整机械有限公司、仪征市第三纺织机械厂。
本标准主要起草人:赵蓉贞、赵基平、胡大宛、杨建伟、陈晓云、胡健、李建龙、冯在林、李道霖。
本标准所替代标准的历次版本发布情况为:
---ZBW93002-1989;
---FZ92065-1998。
GB150-1998 钢制压力容器
GB/T9239-1988 刚性转子平衡品质 许用不平衡的确定
JB4708 钢制压力容器焊接工艺评定
JB4730 压力容器无损检测
FZ/T90001 纺织机械产品包装
FZ/T90074 纺织机械产品涂装
压力容器安全技术监察规程

标准图片预览

FZ/T 92065-2006不锈钢焊接式烘筒
FZ/T 92065-2006不锈钢焊接式烘筒
FZ/T 92065-2006不锈钢焊接式烘筒
FZ/T 92065-2006不锈钢焊接式烘筒
FZ/T 92065-2006不锈钢焊接式烘筒

标准内容

ICS59.120
中华人民共和国纺织行业标准
FZ92065—2006
代替FZ92065—1998
20062318bzxZ.net
不锈钢焊接式烘筒
Stainless steel welding cylinder2006-07-10发布
中华人民共和国国家发展和改革委员会2007-01-01实施
本标准代替FZ-92065一1998《不锈钢焊接式烘筒》。本标准与FZ92065一1998相比的主要变化如下:提高筒体外径偏差要求;
提高烘筒形位公差要求;
筒体加工成形后的最小厚度按其内径尺寸分档要求;提高烘筒许用的平衡品质等级;增加了开设安装观察孔的要求。FZ92065—2006
请注意本标准的某些内容有可能涉及专利。本标准的发布机构不承担识别这些专利的责任。本标准由中国纺织工业协会提出。本标准由全国纺织机械与附件标准化技术委员会归口。本标准起草单位:无锡纺织机械研究所、黄石纺织机械厂、郑州纺织机械股份有限公司、姜堰市恒丰染整设备有限公司、张家港市建业染整机械有限公司、仪征市第三纺织机械厂本标准主要起草人:赵蓉贞、赵基平、胡大宛、杨建伟、陈晓云、胡健、李建龙、冯在林、李道霖。本标准所替代标准的历次版本发布情况为:-ZBW93002—1989;
FZ92065—1998。
建筑321-
-标准查询下载网
1范围
不锈钢焊接式烘筒
FZ92065—2006
本标准规定了不锈钢焊接式烘筒的分类、要求、试验方法、检验规则、标志、包装、运输和贮存。本标准适用于平幅织物、纱线及无纺布等烘燥用的不锈钢焊接式烘筒。5
规范性引用文件
下列文件中的条款通过本标准的引用而成为本标准的条款。凡是注日期的引用文件,其随后所有的修改单(不包括勘误的内容)或修订版均不适用于本标准,然而,鼓励根据本标准达成协议的各方研究是否可使用这些文件的最新版本。凡是不注日期的引用文件,其最新版本适用于本标准。GB150-1998钢制压力容器
GB/T9239—1988刚性转子平衡品质许用不平衡的确定JB4708钢制压力容器焊接工艺评定压力容器无损检测
JB4730:
FZ/T90001
纺织机械产品包装
FZ/T90074纺织机械产品涂装
压力容器安全技术监察规程
3分类
3.1封头结构型式
3.1.1外凸型(见图1)。
3.1.2内凹型(见图2)。
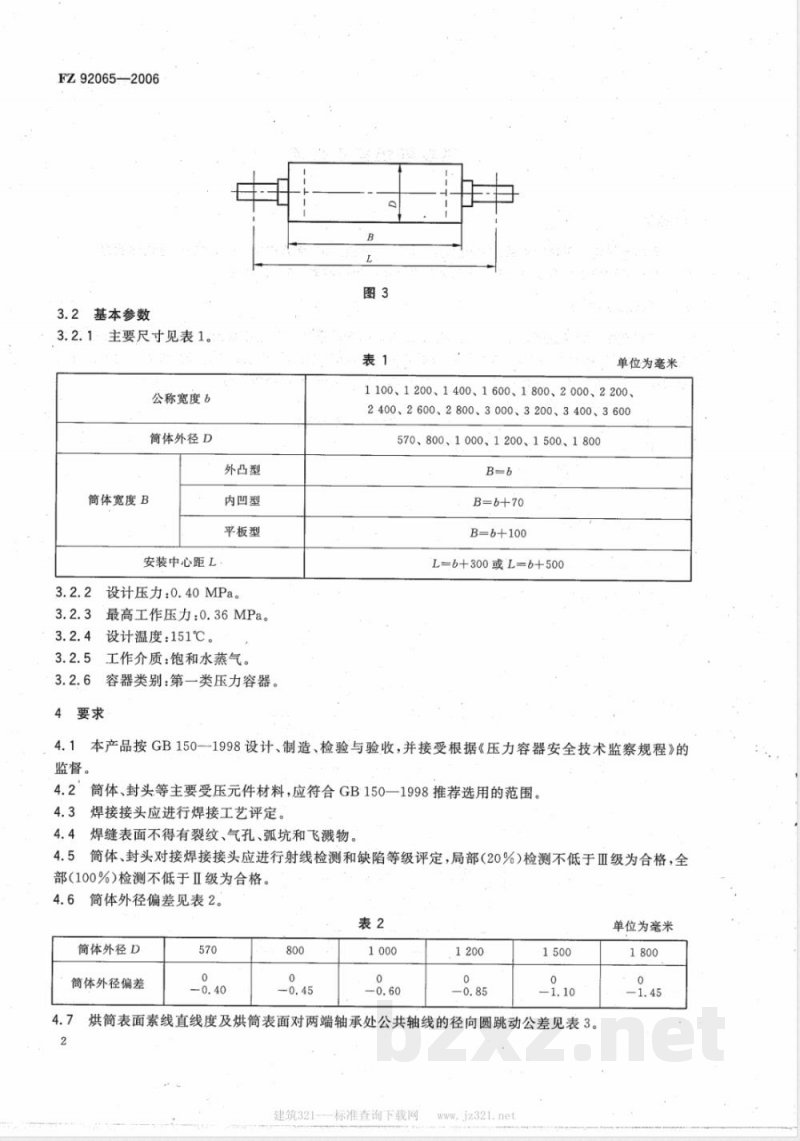
平板型(见图3)。
FZ92065-2006
3.2基本参数
3.2.1:主要尺寸见表1。
公称宽度6
简体外径D
筒体宽度B
安装中心距L
外凸型
内凹型
平板型
3.2.2设计压力:0.40MPa。
最高工作压力:0.36MPa。
设计温度:151℃。
3.2.5工作介质:饱和水蒸气。
容器类别:第一类压力容器。
4要求
单位为毫米
1100、1200、1400、1600、1800、2000、2200、2400、2600、2800、3000、3200、3400、3600570、800、1000、1200、1500、1800B=b
B=b+70
B=6+100
L=b+300或L=b+500
4.1本产品按GB150-1998设计、制造、检验与验收,并接受根据《压力容器安全技术监察规程》的监督。
筒体、封头等主要受压元件材料,应符合GB150一1998推荐选用的范围。4.2
焊接接头应进行焊接工艺评定。焊缝表面不得有裂纹、气孔、弧坑和飞溅物。4.42
4.5筒体、封头对接焊接接头应进行射线检测和缺陷等级评定,局部(20%)检测不低于Ⅲ级为合格,全部(100%)检测不低于Ⅱ级为合格。筒体外径偏差见表2。
筒体外径D
简体外径偏差
烘筒表面素线直线度及烘筒表面对两端轴承处公共轴线的径向圆跳动公差见表3。建筑321
-标准查询下载网
单位为毫米
径向圆跳动T
公称宽度
D=1000
D=1200
D=1500
D=1800
素线直线度
1100、1200、14001600、1800、20001.0
2200、2400
2600、2800
FZ92065--2006
单位为毫米
3000、3200、
3400、3600
4.8简体加工成形后的最小厚度≥2mm。其中,筒体内径<570mm,公称宽度≤2200mm时,准许其最小厚度≥1.80mm。
4.9'筒体表面粗糙度R.≤1.6μm。烘筒许用的平衡品质等级按GB/T9239—1988中G2.5级规定。4.10
烘筒须进行水压试验,试验压力按GB150-1998中3.8的规定。在封头适当的位置,开设直径≥80mm的安装观察孔。4.12
涂装按FZ/T90074的规定。
试验方法
筒体、封头等主要受压元件材料按相关标准的规定检验。焊接接头按JB4708的规定进行焊接工艺评定。焊缝表面缺陷用目测检查。
筒体、封头对接焊接接头的射线检测方法和评定,按JB4730的规定。筒体外径偏差用专用工装量具测量。径向圆跳动公差用百分表检测,其检测部位除在距烘简公称宽度两端100mm处测定外,中间部位隔500mm左右分段检测。
烘筒表面素线直线度用平尺、塞尺检测。筒体最小壁厚用相应准确度的超声波测厚仪检测。用粗糙度样板对比目测R。值。
烘筒许用不平衡试验方法按GB/T9239一1988规定。5.11·水压试验程序及要求按《压力容器安全技术监察规程》及GB150—1998的有关规定。检验规则
6.1.出广检验
6.1.1每只烘筒应经制造厂质量检验部门检验合格,并符合监检部门有关规定,方能出厂。出厂时,应附有产品质量合格证和质量证明书。6.1.2出厂检验项目:4.7~4.11、4.13。6.2型式检验
6.2.1产品在下列情况之一时,应进行型式检验:正常生产中,如结构、原材料、生产工艺有较大改变时;a)
产品停产一年以上,恢复生产时;b)
第三方检验机构有要求时。
FZ92065--2006
6.2.2型式检验项目:第4.章。
6.3判定原则
所检验的项目均符合标准的规定,可判定该样本符合标准要求,7
应设置表示烘筒旋转方向的明显标志。7.1
7.2铭牌内容应符合《压力容器安全技术监察规程》的规定。7:3·铭牌必须安装于不可拆卸的部位上。包装、运输和购存
8.1产品包装应符合FZ/T90001规定。8.2产品在运输过程中,应按规定位置起吊,不得倾倒。8.3产品出厂后,在良好的防雨及通气条件下贮存,包装箱内零件防潮、防锈有效期为一年。版权专有侵权必究
FZ92065-2006
建筑321---标准查询下载网
yww. iz321.net
书号:155066·2-17261
定价:
中华人民共和国纺织
行业标准
不锈钢焊接式烘筒
FZ92065--2006
中国标准出版社出版发行
北京复兴门外三里河北街16号
邮政编码:100045
网址www.spc.net.cn
电话:6852394668517548
中国标准出版社秦皇岛印刷厂印刷各地新华书店经销
开本880×12301/16印张0.5字数8千字2006年11月第一版·2006年11月第一次印刷*
书号:155066:2-17261定价8.00元如有印装差错由本社发行中心调换版权专有侵权必究
举报电话:(010)68533533
小提示:此标准内容仅展示完整标准里的部分截取内容,若需要完整标准请到上方自行免费下载完整标准文档。