首页 > 其他行业标准 > FZ/T 94064.2-2018喷气织机用喷嘴 第2部分:辅喷嘴
FZ/T 94064.2-2018

基本信息

标准号: FZ/T 94064.2-2018

中文名称:喷气织机用喷嘴 第2部分:辅喷嘴

标准类别:其他行业标准

英文名称:Nozzle for air-jet loom—Part 2:Sub nozzle

标准状态:现行

发布日期:2018-10-22

实施日期:2019-04-01

出版语种:简体中文

下载格式:.pdf .zip

相关标签: 喷气 织机 喷嘴

标准分类号

标准ICS号:纺织和皮革技术>>纺织机械>>59.120.30织机、织造机器

中标分类号:纺织>>纺织机械与器具>>W94织部机械与器具

关联标准

出版信息

出版社:中国标准出版社

页数:12页

标准价格:16.0

出版日期:2019-01-01

相关单位信息

起草人:付晓艳、李仲贤、刘培德、叶士强、关新、孙旭、赵玉生、李俊、高玉刚、叶枫、杨德杰、韩顺林、韩鹏

起草单位:常州捷特纺织器材有限公司、青岛天一集团红旗纺织机械有限公司、泰州市凌峰机电设备有限公司、青岛环球集团股份有限公司、国家纺织机械产品质量监督检验中心(山西)、陕西纺织器材研究所

归口单位:全国纺织机械与附件标准化技术委员会纺织器材分技术委员会(SAC/TC 215/SC 2)

提出单位:中国纺织工业联合会

发布部门:工业和信息化部

标准简介

本部分规定了喷气织机用辅喷嘴的术语和定义、分类和标记、要求、试验方法、检验规则及包装、标志、运输和贮存。 本部分适用于喷气织机气流引纬用辅喷嘴。


标准图片预览

FZ/T 94064.2-2018喷气织机用喷嘴 第2部分:辅喷嘴
FZ/T 94064.2-2018喷气织机用喷嘴 第2部分:辅喷嘴
FZ/T 94064.2-2018喷气织机用喷嘴 第2部分:辅喷嘴
FZ/T 94064.2-2018喷气织机用喷嘴 第2部分:辅喷嘴
FZ/T 94064.2-2018喷气织机用喷嘴 第2部分:辅喷嘴

标准内容

ICS59.120.30
中华人民共和国纺织行业标准Www.bzxZ.net
FZ/T94064.2—2018
喷气织机用喷嘴
第2部分:辅喷嘴
Nozzle for air-jet loomPart 2:Sub nozzle2018-10-22发布
中华人民共和国工业和信息化部发布
2019-04-01实施
FZ/T94064《喷气织机用喷嘴》分为2个部分:一第1部分:主喷嘴;
一第2部分:辅喷嘴。
本部分为FZ/T94064的第2部分。本部分按照GB/T1.1一2009给出的规则起草。本部分由中国纺织工业联合会提出。FZ/T94064.2—2018
本部分由全国纺织机械与附件标准化技术委员会纺织器材分技术委员会(SAC/TC215/SC2)归口。
本部分起草单位:常州捷特纺织器材有限公司、青岛天一集团红旗纺织机械有限公司、泰州市凌峰机电设备有限公司、青岛环球集团股份有限公司、国家纺织机械产品质量监督检验中心(山西)、陕西纺织器材研究所。
本部分主要起草人:付晓艳、李仲贤、刘培德、叶士强、关新、孙旭、赵玉生、李俊、高玉刚、叶枫、杨德杰、韩顺林、韩鹏。
1范围
第2部分:辅喷嘴
喷气织机用喷嘴
FZ/T94064.2—2018
FZ/T94064的本部分规定了喷气织机用辅喷嘴的术语和定义、分类和标记、要求、试验方法、检验规则及包装、标志、运输和储存。本部分适用于喷气织机气流引纬用辅喷嘴。2规范性引用文件
下列文件对于本文件的应用是必不可少的。凡是注日期的引用文件,仅注日期的版本适用于本文件。凡是不注日期的引用文件,其最新版本(包括所有的修改单)适用于本文件。GB/T191包装储运图示标志
GB/T2828.1计数抽样检验程序第1部分:按接收质量限(AQL)检索的逐批检验抽样计划GB/T2829周期检验计数抽样程序及表(适用于对过程稳定性的检验)GB/T4340.1金属材料维氏硬度试验第1部分:试验方法3术语和定义
下列术语和定义(如图1所示)适用于本文件。3.1
Esocket
固定管套和喷管的金属体。
管套spigot
连接喷管与管座的管状物。
喷管nozzlepipe(tube)
封闭一端、单侧分布喷孔的异形管。3.3.1
喷孔orifice
压缩空气喷出的孔。
喷射角
有sprayangle
喷孔中心线与喷管中心线垂线的夹角。注:喷射角用(°)表示。
喷向角jetangle
FZ/T94064.2—2018
安装在喷气织机工作位置的辅喷嘴喷孔中心线与水平面的夹角。注:喷向角用()表示。
4分类和标记
4.1分类
图1辅喷嘴
根据喷孔数,分为单孔辅喷嘴和多孔辅喷嘴。A向
4.1.2根据喷孔的孔型,分为圆锥形喷孔辅喷嘴和圆柱形喷孔辅喷嘴。4.2标记
辅喷嘴的标记方法:由产品名称、本标准代号和顺序号、配套织机型号、工作长度12、喷孔径d及喷孔数顺序组成。
示例1:
以符合FZ/T94064.2,配套GA708型喷气织机,工作长度l为31.5mm,喷孔径d为1.5mm的辅喷嘴,其标记为:辅喷嘴FZ/T94064.2-GA708-31.5X1.5示例2:
以符合FZ/T94064.2,配套GA708型喷气织机,工作长度lz为31.5mm,喷孔径d为0.4mm的19孔辅喷嘴,其标记为:
辅喷嘴FZ/T94064.2-GA708-31.5X×0.4-195要求
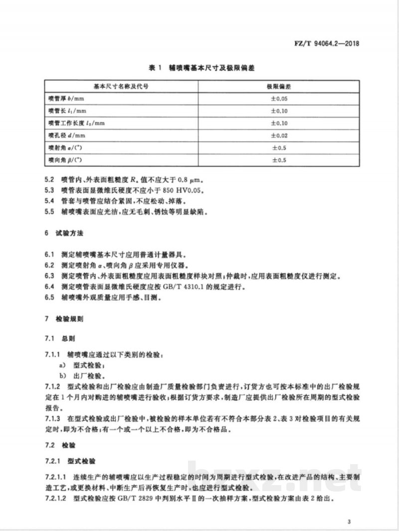
5.1辅喷嘴基本尺寸由供、订货双方商定,其极限偏差应符合表1规定。2
喷管厚b/mm
喷管长l/mm
表1辅喷嘴基本尺寸及极限偏差
基本尺寸名称及代号
喷管工作长度12/mm
喷孔径d/mm
喷射角α/()
喷向角β/()
喷管内、外表面粗糙度R,值不应大于0.8μm。5.3喷管表面显微维氏硬度不应小于850HV0.05管套与喷管应结合紧固,不应松动、掉落。5.4
辅喷嘴表面应光洁,应无毛刺、锈蚀等明显缺陷。6试验方法
测定辅喷嘴基本尺寸应用普通计量器具。测定喷射角α、喷向角β应采用专用仪器。极限偏差
FZ/T94064.2-2018
测定喷管内、外表面粗糙度应用表面粗糙度样块对照;仲裁时,应用表面粗糙度仪进行测定。6.4
测定喷管表面显微维氏硬度应按GB/T4310.1的规定进行。辅喷嘴外观质量应用手感、目测。7检验规则
辅喷嘴应通过以下类别的检验:a)型式检验;
b)出厂检验。
7.1.2型式检验和出厂检验应由制造厂质量检验部门负责进行,订货方也可按本标准中的出厂检验规定在1个月内对购进的辅喷嘴进行验收;根据订货方要求,制造厂应提供出厂检验所在周期的型式检验报告。
7.1.3在型式检验或出厂检验中,被检验的样本单位若有不符合本部分表2、表3对检验项目的有关规定时,即为不合格;有一个或一个以上不合格,即为不合格品7.2检验
型式检验
7.2.1.1连续生产的辅喷嘴应以生产过程稳定的时间为周期进行型式检验,在改进产品的结构、主要制造工艺,或更换材料、中断生产后再恢复生产时,也应进行型式检验。7.2.1.2
型式检验应按GB/T2829中判别水平Ⅱ的一次抽样方案,型式检验方案由表2给出。3
FZ/T94064.2—2018
喷管厚6
喷管长1
检验项目名称
喷管工作长度12
喷孔径d
喷射角α
喷向角β
喷管内、外表面粗糙度R,
喷管表面显微维氏硬度
外观质量
出厂检验
辅喷嘴型式检验方案
要求的章条号
试验方法的章条号
不合格质量水平
每批辅喷嘴都应进行出厂检验,经型式检验合格后方可进行出厂检验,不合格分类
每批辅喷嘴以个为样本单位进行出厂检验,出厂检验应按GB/T2828.1中一般检验水平Ⅱ的一次抽样方案,从正常检验开始,出厂检验方案由表3给出。3辅喷嘴出厂检验方案
喷管厚6
喷管长1
检验项目名称
喷管工作长度12
喷孔径d
外观质量
包装、标志、运输和储存
要求的章条号
试验方法的章条号
辅喷嘴应经检验合格并附有合格证,方可进行包装。辅喷嘴应用环保型防磕碰材料包装。辅喷嘴外包装体应采用木箱或双瓦楞纸箱。标志
产品标志
辅喷嘴包装盒上应有清晰的产品标记,其上标明:4
接收质量限
不合格分类
制造厂名或商标;
b)产品标记;
生产批号或生产日期。
包装标志
运输包装收发货标志
运输包装收发货标志上应标明:a)
制造厂名和商标;
产品标记;
数量;
)毛重;
生产批号或生产日期;
体积(长×宽×高=m)。
包装储运图示标志
“向上”“怕雨”和“易碎物品”等标志应符合GB/T191规定。8.2.2.3
标志位置
FZ/T94064.2—2018
运输包装收发货标志和包装储运图示标志应分别位于外包装体的侧面和端面。8.2.2.4标志要求
标志应用油漆、油墨等印色材料涂打或印刷,标志应清晰、耐久。3运输
搬运辅喷嘴时应轻拿轻放,外包装体应按规定朝向放置、不应倾倒,运输过程中应加盖遮蓬。8.4储存
辅喷嘴应包装完好地存放在通风干燥并无腐蚀性介质的环境中,辅喷嘴的质量在1年内应符合FZ/T94064的本部分的要求。
小提示:此标准内容仅展示完整标准里的部分截取内容,若需要完整标准请到上方自行免费下载完整标准文档。