首页 > 其他行业标准 > FZ/T 60021-2010织带产品物理机械性能试验方法
FZ/T 60021-2010

基本信息

标准号: FZ/T 60021-2010

中文名称:织带产品物理机械性能试验方法

标准类别:其他行业标准

英文名称:Test method for physical properties of belt

标准状态:已作废

发布日期:2010-08-16

实施日期:2010-12-01

作废日期:2022-02-01

出版语种:简体中文

下载格式:.pdf .zip

标准分类号

标准ICS号:纺织和皮革技术>>纺织产品>>59.080.99其他纺织产品标准

中标分类号:纺织>>纺织制品>>W58线、带、绳

关联标准

替代情况:替代FZ/T 60021-1996;被FZ/T 60021-2021代替

出版信息

出版社:中国标准出版社

页数:12页

标准价格:16.0

出版日期:2010-12-01

相关单位信息

起草人:贺美娣、唐三湘、宋玲玲、王憬义、陶勇

起草单位:上海市纺织工业技术监督所、浙江三鼎织造有限公司、上海宽紧带厂

归口单位:全国家用纺织品标准化技术委员会线带分技术委员会(SAC/TC 302/SC 2)

提出单位:中国纺织工业协会

发布部门:中华人民共和国工业和信息化部

主管部门:全国家用纺织品标准化技术委员会线带分技术委员会(SAC/TC 302/SC 2)

标准简介

本标准规定了织带的物理机械性能试验方法,包括机织带、针织带及编织带。 本标准适用于以天然纤维、化学纤维、胶丝(乳胶丝、橡胶丝)等原料交织组成的弹性和非弹性的带类产品的检测。
本标准按照GB/T1.1—2009给出的规则起草。
本标准代替FZ/T60021—1996《织带产品物理机械性能试验方法》。
本标准与FZ/T60021—1996相比主要变化如下:
———将“长度试验”和“宽度试验”两章合并;
———将原“1m 重量试验”修改为“单位长度质量试验”;
———断裂强力及伸长率试验,增加了松式夹持方法;
———增加引用两项色牢度标准;
———弹性带拉伸弹性及伸长比试验中,修改了预加张力,增加了松式夹持方法,增加了定力伸长试验方法及拉伸弹性回复率试验方法;
———粘扣带的剪切强度和剥离强度试验引用GB/T22315—2009中的试验方法。
本标准由中国纺织工业协会提出。
本标准由全国家用纺织品标准化技术委员会线带分技术委员会(SAC/TC302/SC2)归口。
本标准起草单位:上海市纺织工业技术监督所、浙江三鼎织造有限公司、上海宽紧带厂。
本标准主要起草人:贺美娣、唐三湘、宋玲玲、王憬义、陶勇。
本标准所代替标准的历次版本发布情况为:
———FZ/T60021—1996。

标准图片预览

FZ/T 60021-2010织带产品物理机械性能试验方法
FZ/T 60021-2010织带产品物理机械性能试验方法
FZ/T 60021-2010织带产品物理机械性能试验方法
FZ/T 60021-2010织带产品物理机械性能试验方法
FZ/T 60021-2010织带产品物理机械性能试验方法

标准内容

ICS 59. 080. 99
中华人民共和国纺织行业标准
FZ/T60021-2010
代替FZ/T60021-1996
织带产品物理机械性能试验方法Test method for physical properties of belt2010-08-16发布
中华人民共和国工业和信息化部2010-12-01实施
本标准按照GB/T1.1一2009给出的规则起草。本标准代替FZ/T60021一1996《织带产品物理机械性能试验方法》。本标准与FZ/T60021一1996相比主要变化如下:将“长度试验”和“宽度试验”两章合并;将原1m重量试验”修改为“单位长度质量试验”;断裂强力及伸长率试验,增加了松式夹持方法;增加引用两项色牢度标准;
FZ/T60021—2010
弹性带拉伸弹性及伸长比试验中,修改了预加张力,增加了松式夹持方法,增加了定力伸长试验方法及拉伸弹性回复率试验方法;粘扣带的剪切强度和剥离强度试验引用GB/T22315一2009中的试验方法。本标准由中国纺织工业协会提出。本标准由全国家用纺织品标准化技术委员会线带分技术委员会(SAC/TC302/SC2)归口。本标准起草单位:上海市纺织工业技术监督所、浙江三鼎织造有限公司、上海宽紧带厂。本标准主要起草人:贺美娣、唐三湘、宋玲玲、王憬义、陶勇。本标准所代替标准的历次版本发布情况为:FZ/T60021—1996。
织带产品物理机械性能试验方法本标准规定了织带的物理机械性能试验方法,包括机织带、针织带及编织带。FZ/T60021-2010
本标准适用于以天然纤维、化学纤维、胶丝(乳胶丝、橡胶丝)等原料组成的弹性和非弹性的带类产品的检测。
规范性引用文件
下列文件对于本文件的应用是必不可少的。凡是注日期的引用文件,仅注日期的版本适用于本文件。凡是不注日期的引用文件,其最新版本(包括所有的修改单)适用于本文件。GB/T3920
GB/T3921
GB/T3922
GB/T6529
GB/T8427
纺织品
纺织品
色牢度试验耐摩擦色牢度
色牢度试验耐皂洗色牢度
纺织品耐汗渍色牢度试验方法
纺织品
纺织品
GB/T23315—2009
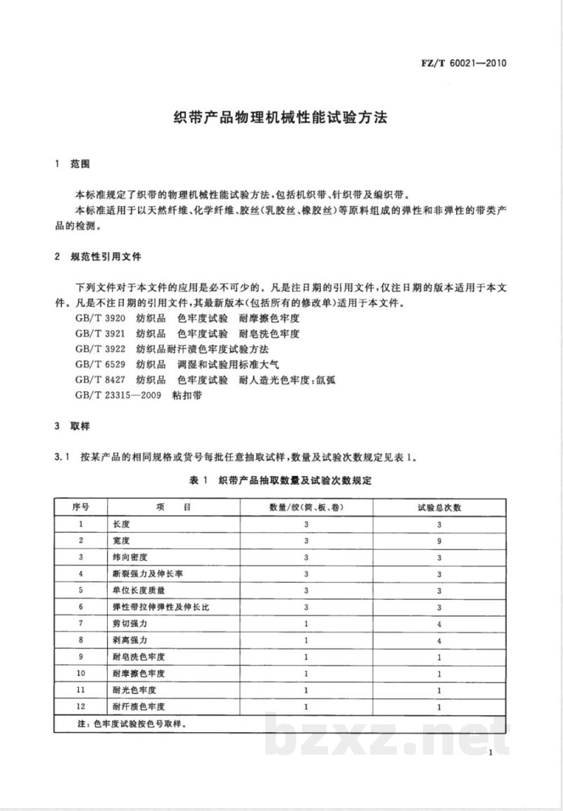
3取样
调湿和试验用标准大气
金耐人造光色牢度:氙弧
色牢度试验
粘扣带
按某产品的相同规格或货号每批任意抽取试样,数量及试验次数规定见表1。表1
织带产品抽取数量及试验次数规定序号
纬向密度
断裂强力及伸长率
单位长度质量
弹性带拉伸弹性及伸长比
剪切强力
剥离强力
耐皂洗色牢度
耐摩擦色牢度
耐光色牢度
耐汗渍色牢度
注:色牢度试验按色号取样。
数量/绞(简、板、卷)
试验总次数
FZ/T60021—2010
3.2取的每个试样应附上标签,标签上应记录下列各项:a)产品名称、规格、品种、色号。b)带卷编号。
c)取样时间。
4试验条件
4.1预调湿、调湿和试验大气应采用GB/T6529中规定的标准大气。4.2试样应在无张力状态下放置。5长度、宽度试验
5.1器具
5.1.1长度试验器具
钢直尺或钢卷尺,分度值为1mm。5.1.2宽度试验器具
5.1.2.1钢直尺,分度值为0.5mm。5.1.2.2带边呈圆形、厚度超过2mm的双层或多层组织的厚带子,用分度值为0.02mm的游标卡尺。
5.2试验步骤
5.2.1试样长度的测定
将钢直尺(钢卷尺)平放在试验桌上,从每一试样带的端点开始量取,如碰到中间有搭头(开刀),由后段端点接上继续量,记录每一试样的实际长度,共测三个试样,读数精确到1mm。5.2.2试样宽度的测定
5.2.2.1在每个试样上测量三次,分别在试样中间及距离试样两端约20cm左右的位置,共测三个试样。
5.2.2.2用钢直尺测量时,将试样平放在试验桌上,把直尺的“0点对准带边,并与带边垂直,读取其宽度数,读数精确到o.5mm。
5.2.2.3用游标卡尺测量时,一手握带、一手持尺,将带子插入钳口内再将卡尺钳口慢慢夹紧,使卡尺钳口与带边没有空隙,又使带子能在卡尺钳口自由移动,同时注意带面不能有凹凸变形现象,读取其宽度数,读数精确到0.1mm。
5.3计算结果与表达
5.3.1织带长度
织带长度用测试值的平均数表示,单位为米(m),精确至0.01m。5.3.2织带宽度
织带宽度用测试值的平均数表示,单位为毫米(mm),精确至0.5mm。6纬向密度试验
6.1测定方法
根据织物特征可任意选择下述一种方法:方法A:移动式织物密度镜法;
方法B:织物分解法。
6.2最小测量距离
按表2选定最小测量距离。
表2最小测量距离
密度/(根/cm)
最小测量距离/cm
25~40
注1:织带纬向密度可以每单位长度所含纬数表示,以一梭口纬纱来回作一纬。注2:双层组织及套带仅测量面线的纬密数。6.3方法A(移动式织物密度镜法)6.3.1仪器
移动式织物密度镜。
6.3.2试验步骤
FZ/T 60021—2010
将织物密度镜放于平摊试样上,使密度镜的放大镜中刻度线对准标尺“0”点线,并平行于纬线方向。将“0”点线放在两根纬线的中间,并移动放大镜头,同时点数纱线的根数,如终点亦在上述位置即作1根计算;如终点位于最后一根纱线上,不足0.25根的不计,0.25根~0.75根作0.5根计,0.75根以上作1根计。
6.4方法B(织物分解法)
6.4.1器具:
a)钢直尺:长度5cm~15cm,分度值为1mm;b)分析针;
c)剪刀。
6.4.2在试样中间用钢直尺测量,剪取一块长6cm的试样,拆去两头的纬线,使试样达到规定的最小测定距离2cm,允差0.5根。
6.4.3将上述准备好的试样,从边缘起逐根拆点,为便于计数,可以把纱线排列成10根一组,即可求得带子在一定长度内纬线根数。
6.5计算结果与表达
以单位长度根数表示时,将测得的一定长度内的纱线根数折算至10cm长度内所含纱线的6.5.1
FZ/T60021-—2010
根数。
6.5.2以单位长度纬数表示时,根据一纬所含纱线根数将6.5.1中10cm所含纱线根数折算至10cm长度内所含纱线的纬数。
6.5.3实际纬密数,以三次试验值的算术平均数表示,计算结果修约至0.1根/10cm(纬/10cm)。7断裂强力及伸长率试验
7.1器具
7.1.1本实验仪器采用的等速伸长(CRE)试验仪应满足下列要求:a)夹持长度:200mm士1mm。
b)夹持器拉伸速度为100mm/min,夹钳应防止试样在拉伸时在钳口滑移。7.1.2剪刀、钢直尺(分度值为1mm)各一把。7.2夹持试样
采用预张力夹持
将试样夹持在夹钳中间位置,保证拉力中心线通过夹钳的中心。试样可采用表3中的预张力夹持,如果产生的伸长率大于2%,则减小预张力值。表3断裂强力及伸长率试验预加张力单位长度质量/(g/m)
5.0及以下
15.1~30.0
30.1~60.0
60.1及以上下载标准就来标准下载网
7.2.2采用松式夹持
预加张力值/N
当采用松式夹持试样方法时,计算伸长率时所需的初始长度应为隔距长度与试样达到7.2.1采用的预张力时伸长量之和。
7.3试验步骤
7.3.1启动试验仪,拉伸试样至断脱。记录断裂强力(N)和断裂伸长率(%)数值。每个试样测试一次,共三次。
7.3.2在试验中如发生试样滑脱或断在夹钳口(离夹钳边5mm内)应另换一条重新试验,如断裂强力已达到指标要求,可以保留,但须在试验记录中说明。单位长度质量试验
8.1器具
8.1.1天平,分度值为0.01g。
8.1.2钢直尺,分度值为1mm,长度为1m。8.2试验步骤
8.2.1将试样平摊在试验台上,量取一定的长度(1m或0.5m)。FZ/T60021—2010
8.2.2在天平上称量,读数精确到0.01g,然后换算至1m的质量,结果精确至0.01g。8.2.3单位长度质量单位为克每米(g/m)。8.3计算结果与表达
单位长度质量用三次测试值的平均数表示,单位为克每米(g/m),结果精确至0.1g/m。9弹性带拉伸弹性及伸长比试验
9.1器具
9.1.1本实验仪器采用的等速伸长(CRE)试验仪应满足下列要求:a)夹持长度:100mm士1mm。
b)夹持器拉伸速度为100mm/min,夹钳应防止试样在拉伸时在钳口滑移。9.1.2剪刀、钢直尺(分度值为1mm)各把。9.2夹持试样
9.2.1采用预张力夹持
将试样夹持在夹钳中间位置,保证拉力中心线通过夹钳的中心。试样可采用表4中的预张力夹持,如果产生的伸长率大于2%,则减小预张力值。表4弹性带拉伸弹性及伸长比预加张力单位长度质量/(g/m)
15.0及以下
15.0以上
9.2.2采用松式夹持
预加张力值/N
0.3或较低值
当采用松式夹持试样方法时,计算伸长率时所需的初始长度应为隔距长度与试样达到9.2.1采用的预张力时伸长量之和。
9.3测定和计算
9.3.1定伸长力的测定
9.3.1.1启动仪器(松式夹持试样时,从达到预张力时开始计伸长),拉伸试样至定伸长值(50%或双方协议确定),读取对应力,单位为牛顿(N)。9.3.1.2测定结果以三块试样的平均值表示,修约至0.1N。9.3.2定力伸长率的测定
启动仪器,拉伸试样至定力(14.7N或双方协议确定),停置1min,读取试样长度L1。FZ/T60021—2010
9.3.2.2按式(1)计算每块试样的定力伸长率(%),测定结果以三块试样的平均值表示,修约至0.1%。
定力伸长率=()×100
L。+L
式中:
L。隔距长度,单位为毫米(mm)L—试样拉伸至定力时的长度,单位为毫米(mm);△L一一松式夹持试样时达到预张力时的伸长(预张力夹持时△L为0),单位为毫米(mm)。9.3.3定伸长弹性回复率和塑性变形率的测定9.3.3.1根据产品要求或双方协议选择定伸长。如无协议,推荐采纳30%或50%。(1)
9.3.3.2启动仪器,拉伸试样至定伸长Ls时,停置1min,以相同速度使夹钳回复至零位,停置3min。9.3.3.3再以相同速度拉伸试样至定伸长L3,并读取9.2.1预张力对应的试样长度L2。9.3.3.4按式(2)和式(3)计算每块试样的定伸长弹性回复率(%)和塑性变形率(%),测定结果以三块试样的平均值表示,修约至0.1%。L3L2
定伸长弹性回复率=L,(L)×100
定伸长塑性变形率=二(去)×100..L。+AL
式中:
L。隔距长度,单位为毫米(mm);L2
试样回复至零位停置3min后再施加预张力时的长度,单位为毫米(mm);L3试样拉伸至定伸长时的长度,单位为毫米(mm);△L—松式夹持试样时达到预张力时的伸长(预张力夹持时△L为0),单位为毫米(mm)。9.3.4定伸长反复拉伸弹性回复率和塑性变形率的测定9.3.4.1根据产品要求或双方协议选择定循环次数。如无协议,推荐采用3次、5次或10次。9.3.4.2按9.3.3.1、9.3.3.2反复拉伸至预定循环次数。9.3.4.3再以相同速度拉伸试样至定伸长L3,并读取9.2.1预张力对应的试样长度L2(2
(3)
9.3.4.4按式(2)和式(3)计算每块试样的定伸长反复拉伸弹性回复率和塑性变形率,测定结果以三块试样的平均值表示,修约至0.1%。9.3.5定力弹性回复率和塑性变形率的测定9.3.5.1根据产品要求或双方协议选择定力值。如无协议,推荐采用14.7N。9.3.5.2启动仪器,拉伸试样至定力值时,停置1min,以相同速度使夹钳回复至零位,停置3min。9.3.5.3再以相同速度拉伸试样至9.2.1规定的预张力,读取试样长度L2。9.3.5.4按式(4)和式(5)计算每块试样的弹性回复率(%)和塑性变形率(%),测定结果以三块试样的平均值表示,修药至0.1%。
定力弹性回复率=L,(L。+△L)
L, - L2
5×100
定力塑性变形率=二(4去) × 100L。+△L
式中:
L。—隔距长度,单位为毫米(mm);(4)
(5)
L试样拉伸至定力保持1min后的长度,单位为毫米(mm);FZ/T60021—2010
L2一试样回复至零位停置3min后再施加预张力时的长度,单位为毫米(mm);AL—松式夹持试样时达到预张力时的伸长(预张力夹持时△L为0),单位为毫米(mm)。9.3.6定力反复拉伸弹性回复率和塑性变形率的测定9.3.6.1根据产品要求或双方协议选择定循环次数。如无协议,建议采用3次、5次或10次。9.3.6.2按9.3.5.1、9.3.5.2反复拉伸至预定循环次数,测其长度L1。9.3.6.3再按9.3.5.3方法测其长度L2。9.3.6.4按式(4)和式(5)计算每块试样的定力反复拉伸弹性回复率和塑性变形率,测定结果以三块试样的平均值表示,修约至0.1%。9.3.7伸长比的测定
启动仪器,试样拉伸至规定长度(按产品标准或双方协议确定)不断裂,即为弹性伸长比合格。10粘扣带剪切强度试验
按GB/T23315-2009中6.1规定执行。粘扣带剥离强度试验
按GB/T23315—2009中6.2规定执行。12
耐皂洗色牢度试验
按GB/T3921规定执行。
3耐摩擦色牢度试验
按GB/T3920规定执行。
14耐光色牢度试验
按GB/T8427规定执行。
15耐汗渍色牢度试验
按GB/T3922规定执行。
6其他
用户双方可根据协议或需要选择试验项目。FZ/T60021-2010
打印日期:2010年12月14日F009中华人民共和国纺织
行业标准
织带产品物理机械性能试验方法FZ/T60021—2010
中国标准出版社出版发行
北京复兴门外三里河北街16号
邮政编码:100045
网址www.spc.net.cn
电话:6852394668517548
中国标准出版社秦皇岛印刷厂印刷各地新华书店经销
开本880×1230
2010年12月第一版
印张0.75
字数16千字
2010年12月第一次印刷
书号:155066·2-21361定价16.00元如有印装差错
由本社发行中心调换
版权专有侵权必究
举报电话:(010)68533533
小提示:此标准内容仅展示完整标准里的部分截取内容,若需要完整标准请到上方自行免费下载完整标准文档。