首页 > 其他行业标准 > FZ/T 64092-2022纺粘弹性非织造布
FZ/T 64092-2022

基本信息

标准号: FZ/T 64092-2022

中文名称:纺粘弹性非织造布

标准类别:其他行业标准

英文名称:Spunbond elastic nonwoven

标准状态:现行

发布日期:2022-04-08

实施日期:2022-10-01

出版语种:简体中文

下载格式:.pdf .zip

相关标签: 织造布

标准分类号

标准ICS号:纺织和皮革技术>>纺织产品>>59.080.30纺织物

中标分类号:纺织>>纺织制品>>W59其他纺织制品

关联标准

出版信息

出版社:中国标准出版社

页数:12页

标准价格:20.0

相关单位信息

起草人:吴锦鸿、王玉梅、陈韶娟、金利伟、李孙辉、陈健康、张国立、黄景莹、常丽、江亮

起草单位:山东恒鹏卫生用品有限公司、佛山市南海必得福无纺布有限公司、佛山市裕丰无纺布有限公司、青岛大学纺织服装学院、杭州可靠护理用品股份有限公司、浙江金三发卫生材料科技有限公司、中国产业用纺织品行业协会

归口单位:全国纺织品标准化技术委员会产业用纺织品分技术委员会(SAC/TC 209/SC 7)

提出单位:中国纺织工业联合会

发布部门:中华人民共和国工业和信息化部

主管部门:全国纺织品标准化技术委员会产业用纺织品分技术委员会(SAC/TC 209/SC 7)

标准简介

本文件规定了纺粘弹性非织造布的术语和定义、分类、要求、试验方法、检验规则、包装、标志、运输和贮存。 本文件适用于以聚烯烃共聚物弹性体和聚丙烯为主要原料,采用热轧粘合制成的纺粘弹性非织造布。


标准图片预览

FZ/T 64092-2022纺粘弹性非织造布
FZ/T 64092-2022纺粘弹性非织造布
FZ/T 64092-2022纺粘弹性非织造布
FZ/T 64092-2022纺粘弹性非织造布
FZ/T 64092-2022纺粘弹性非织造布

标准内容

ICS59.080.30
CCSW59
中华人民共和国纺织行业标
FZ/T64092—2022
纺粘弹性非织造布
Spunbondelasticnonwoven
2022-04-08发布
中华人民共和国工业和信息化部中国标准出版社
2022-10-01实施
FZ/T64092—2022
本文件按照GB/T1.1一2020《标准化工作导则第1部分:标准化文件的结构和起草规则》的规定起草。
请注意本文件的某些内容可能涉及专利。本文件的发布机构不承担识别专利的责任。本文件由中国纺织工业联合会提出。本文件由全国纺织品标准化技术委员会产业用纺织品分技术委员会(SAC/TC209/SC7)归口。本文件起草单位:山东恒鹏卫生用品有限公司、佛山市南海必得福无纺布有限公司、佛山市裕丰无纺布有限公司、青岛大学纺织服装学院、杭州可靠护理用品股份有限公司、浙江金三发卫生材料科技有限公司、中国产业用纺织品行业协会。本文件主要起草人:吴锦鸿、王玉梅、陈韶娟、金利伟、李孙辉、陈健康、张国立、黄景莹、常丽、江亮。1范围
纺粘弹性非织造布
FZ/T64092—2022
本文件规定了纺粘弹性非织造布的术语和定义、分类、要求、试验方法、检验规则、包装、标志、运输和贮存。
本文件适用于以聚烯烃共聚物弹性体和聚丙烯为主要原料,采用热轧粘合制成的纺粘弹性非织造布。
2规范性引用文件
下列文件中的内容通过文中的规范性引用而构成本文件必不可少的条款。其中,注日期的引用文件,仅该日期对应的版本适用于本文件;不注日期的引用文件,其最新版本(包括所有的修改单)适用于本文件。
GB/T250
纺织品色牢度试验评定变色用灰色样卡GB/T2912.1纺织品甲醛的测定第1部分:游离和水解的甲醛(水萃取法)纺织品织物长度和幅宽的测定
GB/T4666
GB/T6529
GB/T7573
纺织品调湿和试验用标准大气
纺织品水萃取液pH值的测定
GB/T16825.1
静力单轴试验机的检验第1部分:拉力和(或)压力试验机测力系统的检验与GB/T19022测量管理体系测量过程和测量设备的要求GB/T24218.14
纺织品非织造布试验方法第1部分:单位面积质量的测定GB/T24218.3纺织品非织造布试验方法第3部分:断裂强力和断裂伸长率的测定(条样法)FZ/T01137—2016纺织品荧光增白剂的测定FZ/T01153非织造布疵点的描述术语3术语和定义
FZ/T01153界定的术语和定义适用于本文件。4分类
纺粘弹性非织造布按照弹性方向永久变形率高低可分为低弹型和高弹型。永久变形率>30%且≤60%的为低弹型纺粘弹性非织造布,永久变形率≤30%为高弹型纺粘弹性非织造布。
5要求
5.1外观要求
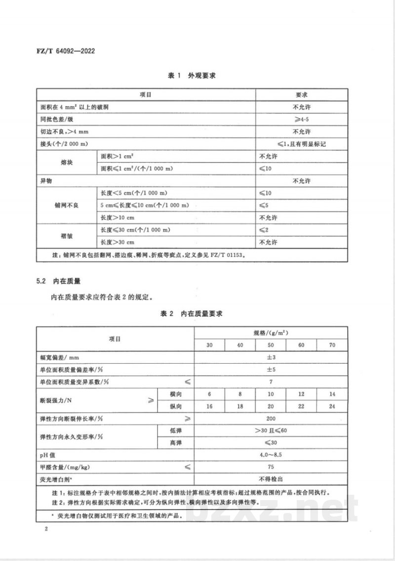
外观要求应符合表1的规定。
FZ/T64092—2022
面积在4mm2以上的破洞
同批色差/级
切边不良,>4mm
接头(个/2000m)
铺网不良
面积>1cm2
表1外观要求
面积≤1cm/(个/1000m)
长度<5cm(个/1000m)
5cm≤长度≤10cm(个/1000m)
长度>10cm
长度≤30cm(个/1000m)
长度>30cm
注:铺网不良包括翻网、搭边痕、稀网、折痕等疵点,定义参见FZ/T01153。5.2
内在质量
内在质量要求应符合表2的规定。表2
幅宽偏差/mm
单位面积质量偏差率/%
单位面积质量变异系数/%
断裂强力/N
弹性方向断裂伸长率/%
弹性方向永久变形率/%
甲醛含量/(mg/kg)
荧光增白剂”
内在质量要求
不允许
≥4-5
不允许
≤1,且有明显标记
不允许
不允许
不允许
不允许
规格/(g/m2)
>30且≤60
不得检出
注1:标注规格介于表中相邻规格之间时,按内插法计算相应考核指标;超过规格范围的产品,按合同执行。注2:弹性方向根据实际需求确定,可分为纵向弹性、横向弹性以及多向弹性等。:荧光增白物仅测试用于医疗和卫生领域的产品。2
6试验方法
6.1色差
按GB/T250规定执行。
6.2外观项目
FZ/T64092—2022
用精度为1mm的钢直尺,采用目测方法检验。检验光线以正常北光为准,如以日光灯照明时,照度不低于4001x。
6.3幅宽偏差
幅宽的测定按GB/T4666规定执行,计算与标称值的偏差值。6.4单位面积质量偏差率和变异系数单位面积质量和变异系数的测定按GB/T24218.1规定执行。单位面积质量偏差率按式(1)计算,结果保留一位小数。
G-G。
×100%
式中:
一单位面积质量偏差率,%;
G——单位面积质量平均值,单位为克每平方米(g/m\);G。一—单位面积质量标称值,单位为克每平方米(g/m2)。6.5断裂强力和弹性方向断裂伸长率断裂强力和断裂伸长率按GB/T24218.3规定执行。6.6弹性方向永久变形率
按附录A规定执行。
按GB/T7573规定执行。
6.8甲醛含量
按GB/T2912.1规定执行。
6.9荧光增白剂
·(1)
将试样置于波长为254nm和365nm的紫外灯下观察,若无任何荧光现象直接判断未检出;若有可见明显荧光现象或有异议,则按FZ/T01137一2016规定进一步测试,检测结果低于FZ/T01137一2016中附录B的检出低限则判定为未检出,否则判定为检出。3
FZ/T64092—2022
7检验规则
分批规定
按交货批号的同一品种、同一规格的产品作为检验批。7.2抽样
7.2.1外观质量
从检验批中按表3规定随机抽取相应数量的卷数。表3抽样方案
一批的件数/卷
26~150
≥151
7.2.2内在质量
抽样最小件数/卷
从检验批中随机抽取一卷,距卷头至少2m剪取样品,样品尺寸应满足所有内在质量性能试验需求。
7.3结果判定
7.3.1外观质量
外观质量的检验按表1要求对样品卷进行评定,如果所有样品卷均符合表1的要求,则判定该批产品外观质量合格。如果出现不合格卷时,则从该批中按7.2.1规定重新抽样进行复检,若复检结果全部符合表1要求,则判定该批产品外观质量合格;如果复检结果仍有不符合,则判定该批产品外观质量不合格。
7.3.2内在质量
内在质量检测结果全部符合表2要求,则判定该批产品的内在质量合格。如果出现不合格项目,则从该批中按7.2.2规定重新抽样,对不符合的项目复检,如果复检结果符合表2要求,则判定该批产品的内在质量合格;如果复检结果仍不符合,则判定该批产品的内在质量不合格。7.3.3结果判定
按7.3.1和7.3.2判定均合格,则该批产品合格。8包装、标志、运输、贮存
8.1产品包装的长度根据协议或合同规定。8.2每个包装单元的明显部位应附有标志,包含下列内容:a)生产企业名称和地址;
产品名称;免费标准bzxz.net
执行标准代号;
单位面积质量(g/m2)、弹性方向及产品类型(低弹型、高弹型);幅宽(mm);
*卷长(m)或卷重(kg);
生产批号;
生产日期;
检验合格证。
产品在运输、贮存中,应保证不破损、不沾污、不受潮、防雨淋,不得长期暴晒。FZ/T64092—2022
FZ/T64092—2022
A.1试验原理
附录A
(规范性)
永久变形率测试方法
在规定条件下对试样进行定伸长率拉伸,使试样产生形变,经规定时间后除去外力,使其回复一段时间,测量试样尺寸变化,并计算出永久变形率。A.2试验仪器和工具
A.2.1等速伸长(CRE)试验仪
等速伸长(CRE)试验仪的计量确认体系应符合GB/T19022规定。等速伸长(CRE)试验仪应具有以下的一般特性。
a)应具有自动记录施加于试样上的力和相应试样伸长的装置。仪器精度应符合GB/T16825.1规定的1级要求。在仪器全量程内的任意点,强力示值最大误差不超过1%,伸长示值最大误差不超过1%。
夹持器能牢固夹持试样的整个宽度且不损伤试样,仪器能设定200mm的隔距长度,精度为b)
±1mm。
仪器能设定移动的恒定速度为5mm/min~300mm/min,精确度为士10%。d)仪器两夹钳的中心点应处于拉力轴线上,夹钳的钳口线应与拉力线垂直,夹持面应在同一平面上。夹持试样的夹持器应防止试样拉伸时在钳口滑移。仪器能够设置预加张力,具备定力保持功能。e)
钢尺:精度为1mm。
合适的裁剪工具。
A.3取样
取样应具有代表性,所裁取的试样距布边100mm以上且均匀分布,确保所取样品没有明显的缺陷和褶皱等。每个样品至少沿标称弹性方向分别裁剪5块试样,试样长度应满足隔距长度200mm,宽度应满足有效宽度50mm。
A.4调湿和试验用标准大气
试样按GB/T6529规定的标准大气环境中调湿至平衡,并在此环境下进行试验。A.5程序
A.5.1试验仪设置
a)试验前,对试验仪的伸长示值和力示值进行调零。b)调整夹持器隔距长度L。为200mm,检查钳口准确的对正和平行,以保证施加的力不产生角度偏移。
c)设置试验仪恒定伸长速率为200mm/min。注:可分段设置拉伸速度,设置试验第一次和最后一次到达预加张力时的速度为10mm/min,达到预加张力后的拉伸速度为200mm/min。
d)设置试验仪预加张力为0.1N。A.5.2夹持试样
FZ/T64092—2022
采用松式夹持方式夹持试样,夹具中间位置夹持好试样,保证拉力中心线通过试样中心,夹持试样时不施加预加张力。
A.5.3测定
测定方法如下:
启动试验仪,以恒定拉伸速度拉伸试样到100%伸长率,停置1min,以相同速度返回到夹具初a)
始隔距,停置3min;
重复a)步骤一次后,读取到达0.1N预加张力下的试样长度L1;b)
重复程序测试其他4个试样。
A.6结果与表示
按式(A.1)计算每块试样的永久变形率,试验结果以5块试样的平均值表示,修约至0.1%。B
式中:
永久变形率,%;
Li-L。
一试样回复至零位停置预定时间后再施加预张力时的长度,单位为毫米(mm);隔距长度,单位为毫米(mm)。(A.1)
小提示:此标准内容仅展示完整标准里的部分截取内容,若需要完整标准请到上方自行免费下载完整标准文档。