首页 > 其他行业标准 > FZ/T 66106-1995特种工业用纱布
FZ/T 66106-1995

基本信息

标准号: FZ/T 66106-1995

中文名称:特种工业用纱布

标准类别:其他行业标准

标准状态:现行

发布日期:1995-12-01

实施日期:1996-07-01

出版语种:简体中文

下载格式:.pdf .zip

标准分类号

标准ICS号:纺织和皮革技术>>59.080纺织产品

中标分类号:纺织>>纺织制品>>W59其他纺织制品

关联标准

替代情况:FZ 334-1985;强制性转化为推荐性标准,其文本不做任何调整;公告:中华人民共和国工业和信息化部公告 2017年(第11号)

出版信息

出版社:中国标准出版社

页数:5页

标准价格:8.0

相关单位信息

复审日期:2017-03-24

起草人:朱锦兰、于沁

起草单位:陕西省纺织工业总公司

归口单位:上海纺织标准计量研究所

提出单位:中国纺织总会

发布部门:中国纺织总会

标准简介

本标准适用于鉴定特种工业用纱布的品质。


标准图片预览

FZ/T 66106-1995特种工业用纱布
FZ/T 66106-1995特种工业用纱布
FZ/T 66106-1995特种工业用纱布
FZ/T 66106-1995特种工业用纱布
FZ/T 66106-1995特种工业用纱布

标准内容

中华人民共和国纺织行业标准
FZ66106-1995
特种工业用纱布
1995-12-01发布
中国纺织总会
1996-07-01实施
本标准在FZ334-85基础上进行修订。本标准根据GB/T1.1-1993《标准化工作导则标准编写的基本规定》进行编写,在技术内容上与FZ334一85基本一致,本标准中的所有计量单位都使用法定计量单位。
本标准进行修订时,保留了原专业标准中所有品种,符合供需双方生产实际情况。本标准从1996年7月1日起实施。本标准从生效之日起,同时代替FZ334一85。本标准由中国纺织总会提出,上海纺织标准计量研究所归口。本.标准起草单位:上海市纺织工业局本标准协助起草单位:陕西省纺织工业总公司本标准主要起草人,朱锦兰于业中102
1范围
中华人民共和国纺织行业标准
特种工业用纱布
FZ66106-1995
代替FZ334-85
本标准规定了特种工业用纱布的技术要求、外观疵点检验、试验方法、检验规则、标志、包装。本标准适用于鉴定特种工业用纱布的品质。引用标准
下列标准包含的条文.通过在本标准中引用而构成为本标准的条文。在标准出版时.所示版本均为有效。所有标准都会被修订.使用本标准的各方应探讨使用下列标准最新版本的可能性。FZ65001-1995
FZ65004-1995
FZ65006-1995
FZ65008-1995
3技术要求
待种工业用织物物理机械性能试验方法特种工业用纺织品化学性能试验方法特种工业用纺织品
特种工业用纺织品
3.1物理机械及化学性能指标见表1。3.2外观疵点
3.2.1外观疵点的标症疵范围见表2。3.2.2约定匹长、允许标疵个数见表3。4试验方法
标志和包装
检验规则
物理机械性能试验按FZ65001的规定进行.化学性能试验按FZ326的规定进行。5检验规则
检验规则按FZ65008的规定进行。6标志、包装
标志、包装按FZ65006的规定进行。中国纺织总会1995-10-15批准
1996-07-01实施
游离氟
酸碱度
重重华
0午89
安海国堂
疵点名称
边不良
色纱布Www.bzxZ.net
原色纱布
上浆纱布
FZ66106-1995
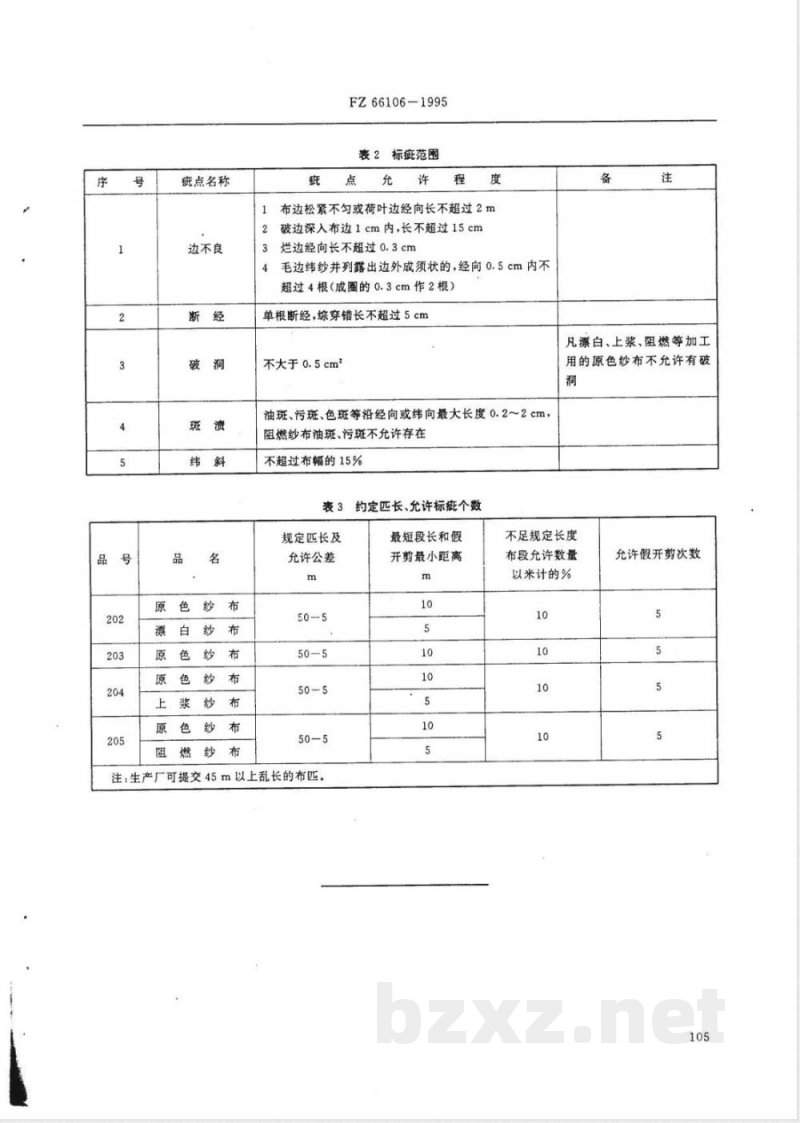
表2标疵范围
点允许程度
布边松紧不匀或荷叶边经向长不超过2m2
破边深入布边1cm内,长不超过15cm烂边经向长不超过0.3cm
毛边纬纱并列露出边外成须状的,经向0.5cm内不超过4根(成图的0.3cm作2根)
单根断经,综穿错长不超过5cm
不大于0.5cm2
油斑、污斑、色斑等沿经向或纬向最大长度0.2~2cm,阻燃纱布油斑、污斑不允许存在不超过布幅的15%
约定匹长、允许标疵个数
规定匹长及
允许公差
注:生产厂可提交45m以上乱长的布匹。最短段长和假
开剪最小距离
凡漂白、上浆、阻燃等加工
用的原色纱布不允许有破
不足规定长度
布段允许数量
以米计的%
允许假开剪次数
小提示:此标准内容仅展示完整标准里的部分截取内容,若需要完整标准请到上方自行免费下载完整标准文档。