首页 > 其他行业标准 > FZ/T 64072-2019鞋用防穿刺高强机织布
FZ/T 64072-2019

基本信息

标准号: FZ/T 64072-2019

中文名称:鞋用防穿刺高强机织布

标准类别:其他行业标准

英文名称:Penetration-resistant high-tenacity woven fabrics for shoes

标准状态:现行

发布日期:2019-11-11

实施日期:2020-04-01

出版语种:简体中文

下载格式:.pdf .zip

相关标签: 穿刺 高强 织布

标准分类号

标准ICS号:纺织和皮革技术>>纺织产品>>59.080.30纺织物

中标分类号:纺织>>纺织制品>>W59其他纺织制品

关联标准

出版信息

出版社:中国标准出版社

页数:12页

标准价格:16.0

出版日期:2019-12-01

相关单位信息

起草人:李雪冰、李月嫦、江海华、刘飞飞、刘永传、赵瑾瑜

起草单位:江门市新会区工业用布厂有限公司、中国产业用纺织品行业协会、中纺标检验认证股份有限公司

归口单位:全国纺织品标准化技术委员会产业用纺织品分技术委员会(SAC/TC 209/SC 7)

提出单位:中国纺织工业联合会

发布部门:中华人民共和国工业和信息化部

主管部门:工业和信息化部

标准简介

本标准规定了鞋用防穿刺高强机织布的术语和定义、技术要求、试验方法、检验规则、标志、包装、运输与贮存。 本标准适用于以高强合成纤维为原料加工而成的鞋用防穿刺高强中底用机织布。


标准图片预览

FZ/T 64072-2019鞋用防穿刺高强机织布
FZ/T 64072-2019鞋用防穿刺高强机织布
FZ/T 64072-2019鞋用防穿刺高强机织布
FZ/T 64072-2019鞋用防穿刺高强机织布
FZ/T 64072-2019鞋用防穿刺高强机织布

标准内容

ICS59.080.30
中华人民共和国纺织行业标准
FZ/T64072—2019
鞋用防穿刺高强机织布
Penetration-resistant high-tenacity woven fabrics for shoes2019-11-11发布
刮涂层
中华人民共和国工业和信息化部发布
2020-04-01实施
本标准按照GB/T1.1一2009给出的规则起草。本标准由中国纺织工业联合会提出。FZ/T64072--2019
本标准由全国纺织品标准化技术委员会产业用纺织品分技术委员会(SAC/TC209/SC7)归口。本标准起草单位:江门市新会区工业用布厂有限公司、中国产业用纺织品行业协会、中纺标检验认证股份有限公司。
本标准主要起草人:李雪冰、李月、江海华、刘飞飞、刘永传、赵瑾瑜。范围
鞋用防穿刺高强机织布
FZ/T64072—2019
本标准规定了鞋用防穿刺高强机织布的术语和定义、技术要求、试验方法、检验规则、标志、包装、运输与贮存。
本标准适用于以高强合成纤维为原料加工而成的鞋用防穿刺高强中底用机织布。规范性引用文件
下列文件对于本文件的应用是必不可少的。凡是注日期的引用文件,仅注日期的版本适用于本文件。凡是不注日期的引用文件,其最新版本(包括所有的修改单)适用于本文件。GB/T3820纺织品和纺织制品厚度的测定GB/T3923.1纺织品织物拉伸性能第1部分:断裂强力和断裂伸长率的测定(条样法)GB/T4666纺织品织物长度和幅宽的测定GB/T4668—1995机织物密度的测定GB/T4669
纺织品机织物单位长度质量和单位面积质量的测定GB/T23318—2009
纺织品刺破强力的测定
3术语和定义
下列术语和定义适用于本文件。3.1
鞋用防穿刺高强机织布penetration-resistanthigh-tenacitywovenfabricsforshoes以高强合成纤维为原料,机织工艺织造而成的一种双层或多层立体组织结构的织物,用于制作鞋的中底布,具有防穿刺的功能。此内容来自标准下载网
刺破强力anti-punctureforces
测试钉穿透试样时所需的最小力值,单位为N。4技术要求
内在质量
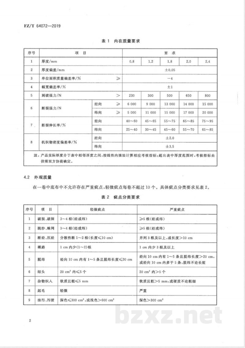
内在质量应符合表1的要求。
FZ/T64072-—2019
厚度/mm
厚度偏差/mm
单位面积质量偏差率/%
幅宽偏差率/%
刺破强力/N
断裂强力/N
断裂伸长率/%
机织物密度偏差率/%
内在质量要求
30~45
注:产品实际厚度介于表中相邻厚度之间,按线性内插法计算相应考核指标;超出表中厚度范围时,考核指标由供需双方协商确定。
4.2外观质量
在一卷中底布中不允许存在严重疵点,轻微疵点每卷不超过10个。具体疵点分类要求见表2。表2
疵点分类要求
破损、破洞
跳纱、蛛网
断经、沉经
杂物织入
油污、污渍
3~4根(经或纬)
3~4根(经或纬)
轻微疵点
分散性断1~2根(长度≤10cm)
1cm内少(1~2)根
经向10cm内有1~5条且脱纬长度≤20cm20cm2内≤5个
软质且粗<5mm
深色≤300cm,或浅色>600cm
≥5根(经或纬)
≥5根(经或纬)
严重疵点
并列3根及以上,或长度>10cm
1cm内少3根及以上
经向10cm内有1~5条且脱纬长度>20cm,或经向10cm内多于5条,脱纬不论长短20cm2内>5个
软质且粗>5mm,或硬质不论粗细严重
深色>300cm2
5试验方法
内在质量
厚度和厚度偏差
按GB/T3820规定执行。
单位面积质量偏差率
FZ/T64072—2019
按GB/T4669规定执行,其中单位面积质量偏差率按式(1)进行计算,计算结果保留一位小数:Am=
式中:
单位面积质量偏差率,%;
m标×100%
实测单位面积质量,单位为克每平方米(g/m2);标称单位面积质量,单位为克每平方米(g/m\)。5.1.3幅宽偏差率
按GB/T4666规定执行,其中幅宽偏差率按式(2)进行计算,计算结果保留一位小数:Aw
式中:
幅宽偏差率,%;
实测幅宽,单位为厘米(cm);标称幅宽,单位为厘米(cm)。刺破强力
w栋×100%
测试方法按GB/T23318—2009规定执行。测试设备和试样数量按以下要求执行:a):
压力测试装置
压力测试装置应满足以下要求:测量力值范围不小于3000N;
(10士3)mm/min的恒定位移速率。b)夹持器
(1)
·(2)
试样夹持器由两个带有直径(25.00土0.05)mm同轴中心孔的刚性夹持板组成,厚度应不小于8mm。两夹持板通过螺钉或其他适合方式固定试样(见图1)。下夹持板中心孔周围加工成圆锥形。测试时测试钉尖端需对准试样中心施力(见图1)。3
FZ/T 64072—2019
说明:
一测试布样;
一测试钉。
c)测试钉
Φ25±0.05
单位为毫米
如图2所示,测试钉直径为(4.50士0.05)mm,尖端截成平面,硬度不宜小于60HRc。测试前应检查测试钉的形状,如果与图2尺寸有偏差,则应修正或更换测试钉。单位为毫米
04.50±0.05
Φ1.00±0.02
说明:
截平的平面。
d)试样
每个样品需在随机位置裁取出10个直径为17cm的圆形试样,试样应具有代表性,试验区域应避免折叠、褶皱,并避开布边和疵点。5.1.5断裂强力和断裂伸长率
按GB/T3923.1规定执行。
5.1.6机织物密度偏差率
FZ/T64072-2019
按GB/T4668一1995中的方法A规定执行,其中密度偏差率按式(3)进行计算,计算结果保留两位小数:
n微-n标×100%
式中:
密度偏差率,%;
实测密度,单位为根每十厘米(根/10cm);标称密度,单位为根每十厘米(根/10cm)。5.2外观质量
(3)
在有充足的自然光或照度为4001x~6001x灯光下,正反两面检验。在检验外观时发现轻微疵点应在布边订蓝线作标记,用留疵退码的方法,以10cm为单元,大于10cm按实际量度并注明原来匹长和留疵退码后的匹长,再用验布机卷装。6
检验规则
6.1分批规定
按交货批号的同一品种、同一规格的产品作为检验批。6.2抽样
内在质量和外观质量的检验抽样数量应符合表3的规定。其中内在质量测定时,样品应从抽取卷的每一卷中距头端至少3m处剪取,样品尺寸应满足所有内在质量指标性能试验。表3抽样数量
50~100
6.3判定规则
6.3.1内在质量判定
内在质量抽样数
外观质量抽样数
单位为卷
按4.1要求对所抽取样品进行内在质量检验评定,符合4.1要求的,则判定内在质量合格。如果有不合格项(刺破强力除外),则按表3要求重新抽样进行复检,复检合格,则判定内在质量合格,复检仍不合格,则判定内在质量不合格。如果刺破强力不符合4.1要求,则直接判定内在质量不合格,不可以复检。
6.3.2外观质量判定
按4.2要求对所抽取的每卷产品进行外观质量检验评定,如果所有卷均符合4.2要求,则判定外观质量合格。如果有不合格卷时,则按第6章规定重新抽样进行复检,若复检卷均符合4.2要求,则判定6
FZ/T64072—2019
外观质量合格;如果复检结果仍有不合格卷,则判定外观质量不合格。6.3.3结果判定
按6.3.1和6.3.2判定均为合格,该批产品合格,否则该批产品不合格。7标志、包装、运输、贮存
7.1标志
标识应清晰、明确,至少包含以下内容:a)
检验合格证;
产品名称、规格、原长度(或重量)、留疵退码后的长度(或重量)、批号、等级及检验号;执行标准编号;
生产者名称和地址。
产品包装应保证产品质量不受损坏,便于运输。7.3运输
产品在运输过程中应加衬垫物或包装的保护,应避免与坚硬锐利物碰撞,应避光、防水、防潮、防污染、防破损和防挤压。
产品在贮存期间应保持洁净,干燥通风,防日晒或雨淋,堆叠放时应加衬垫物,避免与腐蚀性物质接触。
FZ/T64072-2019
打印日期:2019年12月27日F007中华人民共和国纺织
行业标准
鞋用防穿刺高强机织布
FZ/T64072—2019
中国标准出版社出版发行
北京市朝阳区和平里西街甲2号(100029)北京市西城区三里河北街16号(100045)网址www.spc.net.cn
总编室:(010)68533533发行中心:(010)51780238读者服务部:(010)68523946
中国标准出版社秦皇岛印刷厂印刷各地新华书店经销
开本880×12301/16印张0.75字数14千字2019年12月第一版2019年12月第一次印刷*
书号:155066·2-34663定价16.00元如有印装差错由本社发行中心调换版权专有侵权必究
举报电话:(010)68510107
小提示:此标准内容仅展示完整标准里的部分截取内容,若需要完整标准请到上方自行免费下载完整标准文档。