首页 > 其他行业标准 > FZ/T 64074-2019砂带基布
FZ/T 64074-2019

基本信息

标准号: FZ/T 64074-2019

中文名称:砂带基布

标准类别:其他行业标准

英文名称:Base fabric for abrasive belt

标准状态:现行

发布日期:2019-11-11

实施日期:2020-04-01

出版语种:简体中文

下载格式:.pdf .zip

相关标签: 基布

标准分类号

标准ICS号:纺织和皮革技术>>纺织产品>>59.080.30纺织物

中标分类号:纺织>>纺织制品>>W59其他纺织制品

关联标准

出版信息

出版社:中国标准出版社

页数:16页

标准价格:18.0

相关单位信息

起草人:郭华、董激文、李桂梅、司文员、王震、宋红林、陈远东、陈晓峰、齐守保、徐国华、刘飞飞、赵瑾瑜、季晓丹、江海华

起草单位:江苏华跃纺织新材料科技股份有限公司、江苏出入境检验检疫局纺织工业产品检测中心、苏州远东砂轮有限公司、中国机床工具工业协会涂附磨具分会、江苏三菱磨料磨具有限公司、中国产业用纺织品行业协会、中纺标检验认证股份有限公司

归口单位:全国纺织品标准化技术委员会产业用纺织品分技术委员会(SAC/TC 209/SC 7)

提出单位:中国纺织工业联合会

发布部门:中华人民共和国工业和信息化部

主管部门:工业和信息化部

标准简介

本标准规定了砂带基布的术语和定义、分类、技术要求、试验方法、检验规则、标志、包装和运输。 本标准适用于以纺织纤维为原料,以机织工艺生产的涂附磨具用基布。


标准图片预览

FZ/T 64074-2019砂带基布
FZ/T 64074-2019砂带基布
FZ/T 64074-2019砂带基布
FZ/T 64074-2019砂带基布
FZ/T 64074-2019砂带基布

标准内容

ICS_59.080.30
中华人民共和国纺织行业标准
FZ/T64074-2019
Basefabricforabrasivebelt
2019-11-11发布
中华人民共和国工业和信息化部发布
2020-04-01实施
本标准按照GB/T1.1一2009给出的规则起草。本标准由中国纺织工业联合会提出。FZ/T64074—2019
本标准由全国纺织品标准化技术委员会产业用纺织品分技术委员会(SAC/TC209/SC7)归口。本标准起草单位:江苏华跃纺织新材料科技股份有限公司、江苏出入境检验检疫局纺织工业产品检测中心、苏州远东砂轮有限公司、中国机床工具工业协会涂附磨具分会、江苏三菱磨料磨具有限公司、中国产业用纺织品行业协会、中纺标检验认证股份有限公司。本标准主要起草人:郭华、董激文、李桂梅、司文员、王震、宋红林、陈远东、陈晓峰、齐守保、徐国华、刘飞飞、赵瑾瑜、季晓丹、江海华。I
1范围
砂带基布
FZ/T64074—2019
本标准规定了砂带基布的术语和定义、分类、技术要求、试验方法、检验规则、标志、包装和运输。本标准适用于以纺织纤维为原料,以机织工艺生产的涂附磨具用基布。2规范性引用文件
下列文件对于本文件的应用是必不可少的。凡是注期的引用文件,仅注目期的版本适用于本文件。凡是不注日期的引用文件,其最新版本(包括所有的修改单)适用于本文件。GB/T406—2008棉本色布
GB/T2910(所有部分)纺织品定量化学分析GB/T3820—1997纺织品和纺织制品厚度的测定GB/T3923.1纺织品织物拉伸性能第1部分:断裂强力和断裂伸长率的测定(条样法)GB/T4666
GB/T4668
GB/T4669
GB/T6529
GB/T6682
纺织品织物长度和幅宽的测定
机织物密度的测定
纺织品机织物单位长度质量和单位面积质量的测定纺织品调湿和试验用标准大气
分析实验室用水规格和试验方法FZ/T01034一2008纺织品机织物拉伸弹性试验方法FZ/T01057(所有部分)纺织纤维鉴别试验方法3术语和定义
下列术语和定义适用于本文件。3.1
专abrasivebelts
环带状的涂附磨具。
[GB/T16458-2009,定义3.4.6]
coatedabrasive
涂附磨具
用粘结剂把磨粒粘附在可挠曲的基材上制成的蘑其。[GB/T16458—2009,定义3.4.1.1]3.3
磨具abrasiveproducts
用于磨削、研磨和抛光的工具。[GB/T16458—2009,定义3.1.1]1
FZ/T64074—2019
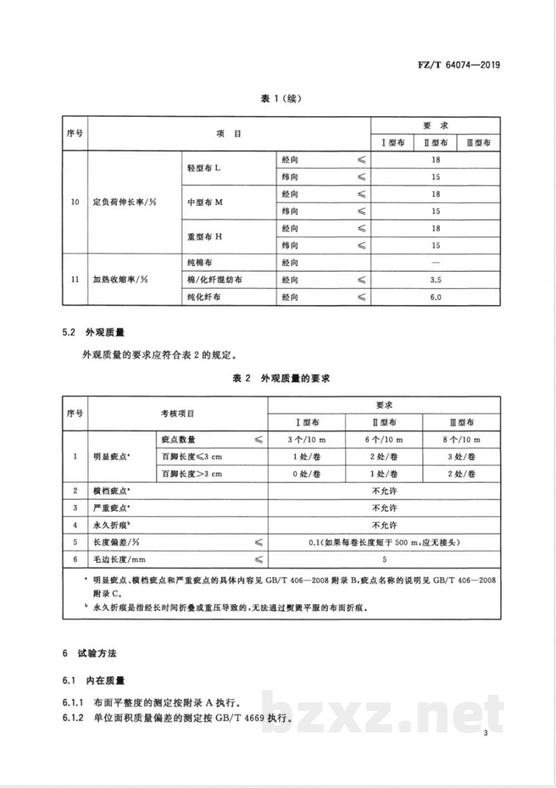
砂带基布按照砂带用途分为I型布、Ⅱ型布和Ⅲ型布。I型布为精磨用基布,满足工件表面粗糙度值Ra<0.2μm的加工要求;Ⅱ型布为普磨用基布,满足工件表面粗糙度值0.2μm内在质量
内在质量的要求应符合表1的规定。内在质量的要求
布面平整度/mm
单位面积质量偏差/%
织物密度偏差/%
厚度偏差/%
幅宽偏差/%
上浆率/%
纤维含量偏差/%
断裂强力/N
断裂伸长率/%
轻型布L
中型布M
重型布H
轻型布L
中型布M
重型布H
I型布
Ⅱ型布
血型布
定负荷伸长率/%
加热收缩率/%
外观质量
轻型布L
中型布M
重型布H
纯棉布
棉/化纤混纺布
纯化纤布
外观质量的要求应符合表2的规定,表2
明显症点”
横档疵点”
严重症点“
永久折痕
长度偏差/%
毛边长度/mm
考核项目
症点数量
百脚长度≤3cm
百脚长度>3cm
表1(续)
外观质量的要求
I型布
3个/10m
1处/卷
0处/卷
I型布
Ⅱ型布
6个/10m
2处/卷
1处/卷
不允许
不允许
不允许
FZ/T64074—2019
Ⅱ型布
亚型布
亚型布
8个/10m
3处/卷
2处/卷
0.1(如果每卷长度短于500m,应无接头)5
明显疵点、横档疵点和严重疵点的具体内容见GB/T406一2008附录B,症点名称的说明见GB/T406—2008附录C。
永久折痕是指经长时间折叠或重压导致的,无法通过熨烫平服的布面折痕。试验方法
内在质量
布面平整度的测定按附录A执行。单位面积质量偏差的测定按GB/T4669执行,3
FZ/T64074—2019
6.1.3织物密度偏差的测定按GB/T4668执行。6.1.4厚度偏差的测定按GB/T3820一1997执行,其中选择压脚面积(2000士20)mm2,加压压力(1土0.01)kPa,加压时间(10士2)s。6.1.5幅宽偏差的测定按GB/T4666执行。6.1.6上浆率的测定按附录B执行。6.1.7纤维含量偏差的测定按GB/T2910(所有部分)、FZ/T01057(所有部分)等执行,需要时,织物经向、纬向含量分开测试。
6.1.8断裂强力和断裂伸长率的测定按GB/T3923.1执行。9定负荷伸长率的测定按FZ/T01034一2008的8.3.1执行,其中定负荷为600N。6.1.9
6.1.10加热收缩率的测定按附录C执行。6.2外观质量
外观质量的检验
外观质量按布的正反两面分别检验,正反两面应分别达到5.2的要求。6.2.1.1
6.2.1.2当采用验布机检验时,验布机照度不低于7501x,光源与布面距离为1.0m~1.2m。验布机验板角度为45°,布行速度一般为5m/min~15m/min。6.2.1.3当采用检验台检验时,检验台的照度不低于4001x6.2.2
假开剪的规定
假开剪的疵点应是不可修织的疵点。如果用户允许假开剪,可实行假开剪。6.2.2.1
6.2.2.2假开剪与假开剪之间的距离应大于200m,每卷假开剪数量应不大于2个。6.2.2.31
假开剪布应作明显标记。假开剪布应另行成包,包内附假开剪段长纪录,外包注明“假开剪”字样。
7检验规则
7.1取样
按交货批号的同一品种、同一规格的产品作为检验批。7.1.2内在质量的取样:随机抽取1卷,距头端至少5m剪取样品,其尺寸应满足所有的性能试验。3外观质量的取样:按表3规定,从一批产品中随机抽取相应数量的卷数。7.1.3
表3外观质量取样表
一批的卷数
10~30
7.2质量判定
内在质量判定
抽样最少卷数
内在质量按所抽取样品的测试结果作为该批的指标,各项指标均符合表1要求,则判该批产品内在4
FZ/T64074—2019
质量合格,否则从该批中按7.1.2规定重新取样,对不符合项目进行复验。如果复验结果符合表1要求,则判该批产品的内在质量合格;如果复验结果仍不合格,则判该批产品内在质量不合格。7.2.2外观质量判定
外观质量的检验,按表2对抽取的每卷产品进行评定,如果所有卷数均符合表2要求,则判该批外观质量合格。否则从该批中按7.1.3规定重新取样进行复验。如果复验卷均符合表2要求,则判该批产品外观质量合格;如果复验结果仍有不合格卷时,则判该批产品外观质量不合格。7.3结果判定
内在质量、外观质量全部合格则判定该批产品合格,否则判定该批产品不合格。8标志、包装和运输
8.1标志
产品内包装应标志下列内容:
制造厂名、厂址;
b)产品名称;
注册商标;
产品类别、规格及数量;
材料成分;
产品执行标准号;
生产日期;
标志应明确、清晰、耐久、便于识别。2包装
内包装一般采用塑料袋进行防潮、防尘包装,或按用户要求包装。外包装用编织袋或者纸箱。
3运输
运输时应注意防潮。
FZ/T64074—2019
A.1原理
附录A
(规范性附录)
布面平整度的测定
用织物厚度仪在规定的压力下测试试样厚度,以最大值与最小值之间的差异表示布面平整度。A.2织物厚度仪
符合GB/T3820一1997中5.1要求且具有自动计时功能,其中压脚面积选用(100士1)mm。3试样准备和调湿
裁取试样长度为1m,宽度为全幅宽。将试样在GB/T6529规定的标准大气中进行调湿平衡。A.4操作步骤
在符合GB/T6529规定的标准大气条件下进行试验。A.4.2
清洁压脚,检查压脚轴的运动灵活性,并调节仪器示值为零。提升织物厚度仪压脚,将试样测量区域无张力和无变形地置于参考板上。其中试样测量区域为距试样布边至少100mm的区域。
A.4.4将压脚轻轻压放在试样上,使加压压力达到200cN,保持(10士2)s后读取厚度值,精确至0.01mm。
A.4.5重复A.4.1~A.4.4步骤,在试样测量区域内至少测试20个部位,测试部位应分布均匀A.4.6以所有测试数据中最大值与最小值的差值作为试验结果,结果保留到小数点后2位。6
B.1原理
附录B
(规范性附录)
上浆率的测定
FZ/T64074—2019
使用化学试剂分离样品上残留的浆料,通过称量试样试验前后的重量,计算上浆率。B.2
设备和材料
B.2.1氢氧化钠(NaOH):化学纯及以上。B.2.2
三级水:符合GB/T6682的要求。质量分数为2%的氢氧化钠溶液:由氢氧化钠(NaOH)(见B.2.1)和三级水(见B.2.2)进行配制。B.2.3
B.2.4500mL烧杯。
B.2.5恒温水浴锅。
5天平:至少精确至0.001g。
B.2.7玻璃棒。
表面血。
试样准备
从织物上剪取3块有代表性的试样,每块试样尺寸约为100mm×100mm,试样上应无褶皱、污渍等症疵点,去除试样上粘附或零散的纱线或短纤维。B.4操作步骤
B.4.1将3块试样放人105℃烘箱中烘至恒重,称其重量记作G1,精确至0.01g。B.4.2将3块试样放入500mL烧杯中,加人250mL~300mL的溶液(见B.2.3),用玻璃棒使试样充分润湿后,将烧杯盖上表面血,在60℃士3℃的恒温水浴锅中放置30min,期间用玻璃棒搅拌一次。结束后用流动的自来水将试样彻底冲洗,挤干后平铺在105℃烘箱中烘至恒重。注:试样在烧杯中搅拌以及被水冲洗过程中可能会散落纱线,倒液体时可用高密度的筛网收集散落纱线,与试样一起烘干称重作为退浆后试样质量的一部分。3将烘干的3块试样称重,重量记作G2,精确至0.01g。B.4.3
B.4.4上浆率按式(B.1)计算,结果保留到小数点后1位。J =GG × 100%
式中:
J—上浆率,%;
G1——退浆前试样重量,单位为克(g);G2——退浆后试样重量,单位为克(g)。(B.1)
FZ/T64074—2019
C.1原理
附录C
(规范性附录)
加热收缩率的测定
将试样悬挂在一定温度的烘箱内,其下端施加码,加热一定时间后测量试样长度的变化并计算加热收缩率。
C.2设备和材料
C.2.1热循环烘箱:附有恒温控制装置,满足室温200℃要求,允许误差士2.0℃。烘箱内腔高度应能够保证试样悬挂于烘箱内时,距烘箱底部至少50mm。C.2.2金属杆:金属材质,置于烘箱内部顶端,直径5mm~6mm,可以在烘箱内固定放置。C.2.3码挂杆:金属材质,重量小于10g,用于悬挂码,其长度略长于试样宽度。C.2.4码:重量为500g。
C.2.5钢直尺,以毫米为刻度。
秒表:精确至1s。
C.3试样的准备和调湿
在距离布边至少150mm处剪取3块试样,试样尺寸为300mm×50mm,其长度方向与织物经向平行,在试样上下两端分别缝制一个筒边,方便穿人金属杆(C.2.2)和码挂杆(C.2.3),在试样下端筒边的中间部位剪一个裂口,用于悬挂码。将试样在GB/T6529规定的标准大气中调湿平衡后,在试样长度方向上的中间部位作间隔200mm的一对标记线。C.4操作步骤
C.4.1将金属杆(C.2.2)穿入试样上端,将码挂杆(C.2.3)穿入试样下端,挂上码(C.2.4)。C.4.2先将烘箱预热至设定温度180℃,将试样悬挂放人烘箱(见图C.1)。待烘箱温度再次到达设定温度180℃时开始计时
C.4.310min后将试样从烘箱内取出,取下磁码,并将试样在GB/T6529规定的标准大气中调湿平衡。将试样平铺在测量平台上,测量标记线间的距离,记作H,精确至1mm。C.4.4加热收缩率按式(C.1)计算,结果保留到小数点后1位。以3块试样测试数据的平均值作为试验结果,结果保留到整数位。
R=202=H×100%
式中:
R加热收缩率,%;
H一一加热后试样标记线间的距离,单位为毫米(mm)。8bzxz.net
(c.1)
说明:
热循环烘箱;
金属杆;
3—试样;
磁码挂杆;
5———500g码。
加热收缩率测定示意图
FZ/T64074—2019
小提示:此标准内容仅展示完整标准里的部分截取内容,若需要完整标准请到上方自行免费下载完整标准文档。