首页 > 其他行业标准 > FZ/T 92057-2010卷布装置通用技术条件
FZ/T 92057-2010

基本信息

标准号: FZ/T 92057-2010

中文名称:卷布装置通用技术条件

标准类别:其他行业标准

英文名称:General specification for batchers device

标准状态:现行

发布日期:2011-01-21

实施日期:2011-04-01

出版语种:简体中文

下载格式:.pdf .zip

相关标签: 装置 通用 技术

标准分类号

标准ICS号:纺织和皮革技术>>纺织机械>>59.120.50印染和整理机械设备

中标分类号:纺织>>纺织机械与器具>>W95染整机械与器具

关联标准

替代情况:替代FZ/T 92057-1998

出版信息

出版社:中国标准出版社

页数:8页

标准价格:14.0

出版日期:2011-04-01

相关单位信息

起草人:陈丽洁、柯清松、张翼、李立平

起草单位:江苏海大印染机械有限公司、晋江市佶龙机械工业有限公司、江苏红旗印染机械有限公司、无锡纺织机械研究所

归口单位:全国纺织机械与附件标准化技术委员会

提出单位:中国纺织工业协会

发布部门:工业和信息化部

主管部门:全国纺织机械与附件标准化技术委员会

标准简介

本标准规定了卷布装置的分类、参数、要求和试验方法。 本标准适用于将织物卷绕成卷的染整机械通用装置。
本标准代替FZ/T92057—1998《卷布装置通用技术条件》。
本标准与FZ/T92057—1998相比主要变化如下:
———调整了分类和参数。
本标准由中国纺织工业协会提出。
本标准由全国纺织机械与附件标准化技术委员会归口。
本标准起草单位:江苏海大印染机械有限公司、晋江市佶龙机械工业有限公司、江苏红旗印染机械有限公司、无锡纺织机械研究所。
本标准主要起草人:陈丽洁、柯清松、张翼、李立平。
本标准所代替标准的历次版本发布情况为:
———FZ/T92057—1998。
下列文件中的条款通过本标准的引用而成为本标准的条款。凡是注日期的引用文件,其随后所有的修改单(不包括勘误的内容)或修订版均不适用于本标准,然而,鼓励根据本标准达成协议的各方研究是否可使用这些文件的最新版本。凡是不注日期的引用文件,其最新版本适用于本标准。
GB/T531.1 硫化橡胶或热塑性橡胶 压入硬度试验方法 第1部分:邵氏硬度计法(邵尔硬度)
GB/T9239.1—2006 机械振动 恒态(刚性)转子平衡品质要求 第1部分:规范与平衡允差的检验
GB/T22801 纺织机械 染整机器导布辊 主要尺寸及要求
FZ/T90074 纺织机械产品涂装
FZ/T92059 扩幅装置
FZ/T92060 吸边器

标准图片预览

FZ/T 92057-2010卷布装置通用技术条件
FZ/T 92057-2010卷布装置通用技术条件
FZ/T 92057-2010卷布装置通用技术条件
FZ/T 92057-2010卷布装置通用技术条件
FZ/T 92057-2010卷布装置通用技术条件

标准内容

ICS59.120.50
中华人民共和国纺织行业标准
FZ/T92057—2010
代替FZ/T920571998
卷布装置通用技术条件
General specificationforbatchers device2010-12-29发布
中华人民共和国工业和信息化部2011-04-01实施
本标准代替FZ/T92057—1998《卷布装置通用技术条件》。本标准与FZ/T92057—1998相比主要变化如下:调整了分类和参数。
本标准由中国纺织工业协会提出。本标准由全国纺织机械与附件标准化技术委员会归口。FZ/T92057—2010
本标准起草单位:江苏海大印染机械有限公司、晋江市估龙机械工业有限公司、江苏红旗印染机械有限公司、无锡纺织机械研究所。本标准主要起草人:陈丽洁、柯清松、张翼、李立平。本标准所代替标准的历次版本发布情况为:-FZ/T92057—1998。
1范围
卷布装置通用技术条件
本标准规定了卷布装置的分类、参数、要求和试验方法。本标准适用于将织物卷绕成卷的染整机械通用装置。2规范性引用文件
FZ/T92057-2010
下列文件中的条款通过本标准的引用而成为本标准的条款。凡是注日期的引用文件,其随后所有的修改单(不包括勘误的内容)或修订版均不适用于本标准,然而,鼓励根据本标准达成协议的各方研究是否可使用这些文件的最新版本。凡是不注日期的引用文件,其最新版本适用于本标准。GB/T531.1硫化橡胶或热塑性橡胶压人硬度试验方法第1部分:邵氏硬度计法(邵尔硬度)GB/T9239.1一2006机械振动恒态(刚性)转子平衡品质要求第1部分:规范与平衡允差的检验
GB/T22801
FZ/T90074
纺织机械染整机器导布辊主要尺寸及要求纺织机械产品涂装
FZ/T92059
9扩幅装置
FZ/T92060
3分类与参数
3.1分类
吸边器
按卷布型式:主动中心卷布、表面传动卷布。3.2参数
见表1。
公称宽度(B)/mm
安装中心距(L)/mm
最大成卷直径/mm
卷绕速度/(m/min)
1400、1600、1800、2000、2200、2400、2600、2800、3000、3200、3.400、3600L=B+200、300、500
680、1000、1200、1500、1800
4.1机架立柱中心线对安装基线的偏差≤1mm。机架立柱的垂直度公差1/1000(基准为水平面)。4.2
4.3卷布辊、压布辊、导布辊表面的水平度公差0.5/1000。4.4
各辊表面对安装基线的平行度公差1mm。4.5导布辊应符合GB/T22801的规定。.4.6:扩幅装置应符合FZ/T92059.的规定4.7
吸边器应符合FZ/T92060的规定。4.8压布辊
FZ/T92057—2010
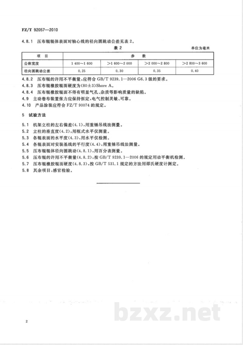
4.8.1压布辊辊体表面对轴心线的径向圆跳动公差见表2。表2
公称宽度
径向圆跳动公差
1400~1600
>1600~2000
>2000~2800
4.8.2压布辊的许用不平衡量,应符合GB/T9239.1一2006G6.3级的要求。4.8.3压布辑橡胶辊面硬度为(80土3)ShoreA,4.8.4压布辊橡胶辊面不得有明显气孔、杂质等影响质量的缺陷。4.9主动卷布装置张力应保持恒定,电气控制灵敏、可靠。4.10产品涂装应符合FZ/T90074的规定。5试验方法
机架立柱的左右偏差(4.1),用重锤吊线法测量。5.2
立柱的垂直度(4.2),用框式水平仪测量。各辊表面的水平度(4.3),用水平仪检测。5.3
各辊表面对安装基线的平行度(4.4),用重锤吊线法测量。5.5
压布辊辊体径向圆跳动(4.8.1),用百分表测量。单位为毫米
>2800~3600
压布辊的许用不平衡量(4.8.2),按GB/T9239.1一2006的规定用动平衡机检测。5.6
压布辊橡胶辊面硬度(4.8.3),按GB/T531.1规定的方法用邵氏硬度计测定。5.8
其余项目,感官检验。
FZ/T92057-2010
打印日期:2011年4月8日F008
中华人民共和国纺织
行业标准
卷布装置通用技术条件
FZ/T92057—2010
中国标准出版社出版发行
北京复兴门外三里河北街16号
邮政编码:100045
网址www.spc.net.cn
电话:6852394668517548
中国标准出版社秦皇岛印刷厂印刷各地新华书店经销免费标准bzxz.net
开本880×12301/16印张0.5字数4千字2011年2月第一版2011年2月第一次印刷*
书号:155066·2-21561定价14.00元如有印装差错由本社发行中心调换版权专有侵权必究
举报电话:(010)68533533
小提示:此标准内容仅展示完整标准里的部分截取内容,若需要完整标准请到上方自行免费下载完整标准文档。