首页 > 其他行业标准 > FZ/T 62044-2021抗菌清洁巾
FZ/T 62044-2021

基本信息

标准号: FZ/T 62044-2021

中文名称:抗菌清洁巾

标准类别:其他行业标准

英文名称:Antibacterial cleaning wipes

标准状态:现行

发布日期:2021-08-21

实施日期:2022-02-01

出版语种:简体中文

下载格式:.pdf .zip

相关标签: 抗菌 清洁

标准分类号

标准ICS号:家用和商用设备、文娱、体育>>97.160家用织物、亚麻织物

中标分类号:纺织>>纺织制品>>W57纺织复制品

关联标准

出版信息

出版社:中国标准出版社

页数:12页

标准价格:16.0

出版日期:2022-01-01

相关单位信息

起草人:张越、邹练锋、谢小保、王建国、陆万宏、张在成、潘行星、江林峰、孙婷婷、牛利芳、阮航

起草单位:江苏省纺织产品质量监督检验研究院、深圳市北岳海威化工有限公司、广东省微生物分析检测中心、江苏斯得福纺织股份有限公司、江苏金太阳纺织科技股份有限公司、孚日集团股份有限公司、福建省纤维检验中心、国家市场监督管理总局国家标准技术审评中心、中国家用纺织品行业协会

归口单位:全国家用纺织品标准化技术委员会(SAC/TC 302)

提出单位:中国纺织工业联合会

发布部门:中华人民共和国工业和信息化部

标准简介

本文件规定了抗菌清洁巾的术语和定义、要求、试验方法、检验规则及标志、包装、运输和贮存。 本文件适用于以纺织纤维制成的,用于洗擦、清洁的,可重复洗涤使用的抗菌清洁巾(不包括一次性卫生用品)。


标准图片预览

FZ/T 62044-2021抗菌清洁巾
FZ/T 62044-2021抗菌清洁巾
FZ/T 62044-2021抗菌清洁巾
FZ/T 62044-2021抗菌清洁巾
FZ/T 62044-2021抗菌清洁巾

标准内容

ICS97.160
CCSW57
中华人民共和国纺织行业标准
FZ/T62044-2021
抗菌清洁巾
Antibacterial cleaning wipes2021-08-21发布
中华人民共和国工业和信息化部发布
2022-02-01实施
FZ/T62044—2021
第1部分:标准化文件的结构和起草规则》的规定本文件按照GB/T1.12020《标准化工作导则起草。
本文件由中国纺织工业联合会提出。本文件由全国家用纺织品标准化技术委员会(SAC/TC302)归口。本文件起草单位:江苏省纺织产品质量监督检验研究院、深圳市北岳海威化工有限公司、广东省微生物分析检测中心、江苏斯得福纺织股份有限公司、江苏金太阳纺织科技股份有限公司、孚日集团股份有限公司、福建省纤维检验中心、国家市场监督管理总局国家标准技术审评中心、中国家用纺织品行业协会。
本文件主要起草人:张越、邹练锋、谢小保、王建国、陆万宏、张在成、潘行星、江林峰、孙婷婷、牛利芳、阮航。
1范围
抗菌清洁巾
FZ/T62044—2021
本文件规定了抗菌清洁巾的术语和定义、要求、试验方法、检验规则及标志、包装、运输和贮存。本文件适用于以纺织纤维制成的,用于洗擦、清洁的,可重复洗涤使用的抗菌清洁巾(不包括一次性卫生用品)。
2规范性引用文件
下列文件中的内容通过文中的规范性引用而构成本文件必不可少的条款。其中,注日期的引用文件,仅该日期对应的版本适用于本文件;不注日期的引用文件,其最新版本(包括所有的修改单)适用于本文件。
GB/T250纺织品色牢度试验评定变色用灰色样卡GB/T3920纺织品色牢度试验耐摩擦色牢度GB/T3921一2008纺织品色牢度试验耐皂洗色牢度GB/T3923.1纺织品织物拉伸性能第1部分:断裂强力和断裂伸长率的测定(条样法)GB/T5296.4消费品使用说明第4部分:纺织品和服装GB/T7069纺织品色牢度试验耐次氯酸盐漂白色牢度GB18401国家纺织产品基本安全技术规范GB/T20944.3纺织品抗菌性能的评价第3部分:振荡法GB/T22864—2020毛巾
GB/T29862纺织品纤维含量的标识GB31701婴幼儿及儿童纺织产品安全技术规范GB/T31713—2015抗菌纺织品安全性卫生要求FZ/T62015—2009抗菌毛巾
FZ/T73023—2006抗菌针织品
3术语和定义
下列术语和定义适用于本文件。3.1
清洁巾cleaningwipes
以纺织纤维制成的用于洗擦、清洁功能的清洁用品。3.2
hantibacterial cleaningwipes抗菌清洁市
具有抑制细菌在其上面生长、繁殖和使细菌失去活性功能的清洁用品。3.3
抑菌率therateofbacterialinhibition试验样品接种细菌,定时恒温振荡培养后,对照样与试样烧瓶内活菌浓度的差值与对照样烧瓶内活FZ/T62044—2021
菌浓度之比的百分率。
「来源:FZ/T62015—2009,3.24要求
4.1产品分类
产品按结构不同,分为纱网类抗菌清洁巾和非纱网类抗菌清洁巾。4.2抗菌清洁币的要求
分为内在质量、抗菌效果、安全性要求及外观质量4个方面。4.3内在质量
应符合表1相应的要求。
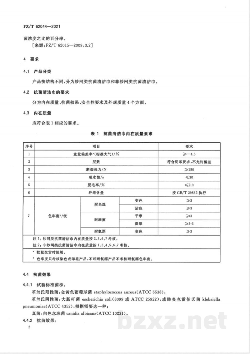
表1抗菌清洁巾内在质量要求
色牢度/级
重量偏差率*(标准大气)/%
断裂强力/N
吸水性/s
脱毛率/%
纤维含量
耐皂洗
耐摩擦
耐氯漂
注1:纱网类抗菌清洁巾内在质量按2、3、6、7考核。注2:非纱网类抗菌清洁巾内在质量按1、3、4、5、6、7考核,。批量交货时使用。
b色牢度只考核染色或印花产品,不可耐氯漂产品不考核耐氯漂色牢度。4.4抗菌效果
4.4.1试验标准菌株:
革兰氏阳性菌:金黄色葡萄球菌staphylococcusaureus(ATCC6538);要求
符合明示要求,不允许偏差
≥180
按GB/T29862执行
≥2-3
革兰氏阴性菌:大肠杆菌escherichiacoli(8099或ATCC25922),或肺炎克雷伯氏菌klebsiellapneumoniae(ATCC4352),根据需要选一种;真菌:白色念珠菌canidiaalbicans(ATCC10231)。4.4.2抗菌效果:
FZ/T62044-—2021
抗菌清洁巾按耐水洗次数及考核菌种的不同分为AA级、AAA级两个抗菌级别,对测试菌种的抑菌率指标应符合表2相应要求。
表2抗菌清洁巾的抑菌率指标
抗菌级别
AAA级
水洗次数
金黄色葡萄球菌
抑菌率/%
大肠杆菌/肺炎克雷伯氏菌
白色念珠菌
根据产品用途可增加或采用另外的测试菌种,由供需双方另行商定抑菌率指标,但在报告书中4.4.3
应注明试验方法。
安全性
4.5.1抗菌清洁巾所应用的抗菌物质必须经相关部门批准;具有有资质单位的检测报告(抗菌物质化学含量检测方法、急性口服毒性、皮肤刺激性、眼刺激性、致突变性以及与其产品要求相对应的试验报告);抗菌物质生产厂家应提供使用说明,并出示相应的检测报告。4.5.2抗菌清洁巾安全性能应符合GB18401的要求,其中儿童产品的安全性能应符合GB31701要求。
4.5.3抗菌清洁巾所应用的抗菌物质的溶出性指标:抗菌清洁巾洗涤一次后,抑菌圈宽度D≤5mm。4.6外观质量
纱网类抗菌清洁巾外观质量应符合表3相应的要求。4.6.1
表3纱网类抗菌清洁巾外观质量要求考核项目
规格尺寸偏差/cm
织造疵
印染疵
缝制质量
色花色差/级
印花效果
明显油污、色渍
缝纫质量
缝边包缝针密度/(针/5cm)
缝边平缝针密度/(针/5cm)
跳针、断线
注:油污、色渍低于GB/T250色卡3-4级者为明显。要求
≤1根
不允许
不影响外观
不允许
缝纫线线迹顺直
≥>14
≥>12
≤1针/条
4.6.2非纱网类抗菌清洁巾外观质量应符合GB/T22864一2020合格品的要求。3
FZ/T62044—2021
5试验方法
5.1内在质量检验
5.1.1纱网类抗菌清洁巾
5.1.1.1层数检验取样品一条,剪开缝线并数其层数。5.1.1.2断裂强力按GB/T3923.1规定测试。若产品为多层结构时,整体测试。5.1.1.3耐皂洗色牢度按GB/T3921一2008中的C(3)方法规定测试。5.1.1.4耐摩擦色牢度按GB/T3920规定测试。5.1.1.5耐氯漂色牢度产品的耐氯漂色牢度按GB/T7069的规定测试。5.1.2非纱网类抗菌清洁巾
非纱网类抗菌清洁币的内在质量检验按照GB/T22864一2020执行。5.2抗菌效果检验
5.2.1产品的洗涤方法按FZ/T73023一2006附录C的规定执行。5.2.2产品检验所使用的标准洗涤剂、标准空白样按FZ/T73023一2006附录A和附录B执行。5.2.3产品的抗菌效果按GB/T20944.3中的规定测试。5.3安全性检验
抗菌物质的溶出性检验按GB/T31713一2015附录A执行,纱网类产品整体测试。5.4外观质量检验
5.4.1纱网类抗菌清洁巾
5.4.1.1在有充足的自然光或光照度不低于6001x灯光下,产品平铺于检验台,检验人员的双目距产品表面60cm左右,以目测逐条进行检验。5.4.1.2色花、色差采用GB/T250评定。5.4.1.3规格偏差的测定:将样品平铺在检验台上,使样品呈自然平服状态,用钢直尺或钢卷尺在整条样品长、宽方向的四分之三处测量的长度或宽度L1,精确到0.1cm。规格尺寸偏差计算见公式(1):P=L。-L
式中:
P规格尺寸偏差,cm;
L。样品设计规格尺寸,cm;
L1—样品实测规格尺寸,cm。
5.4.1.4缝纫质量的测定:将样品平铺在检验台上,使样品呈自然平服状态,目测。5.4.1.5针距密度在成品缝纫线迹上任取5cm测量(厚薄部位除外)。5.4.2非纱网类抗菌清洁巾
非纱网类抗菌清洁巾的外观质量检验按照GB/T22864一2020执行。4
.(1)
6抽样
6.1内在质量检验抽样方案按表4规定执行。表4内在质量检验抽样方案
批量范围N
2~1200
1201~3200
3201~10000
>10 000
样本大小n
6.2内在质量检验样品应从检验批中随机抽取6.3
外观质量检验抽样方案按表5规定执行。合格判定数Ac
表5外观质量检验抽样方案
批量范围N
20~1200
1201~10000
10001~35000
>35000
样本大小n
合格判定数Ac
外观质量检验样本应从检验批中随机抽取,外包装应完整。6.4
实施抽样时,当样本大小n大于批量N时,实施全检,合格判定数Ac为O。6.6
抽样方案另有规定和合同协议的,按有关规定和合同协议执行。6.7
FZ/T62044—2021
不合格判定数Re
不合格判定数Re
随机抽取不少于200g抗菌样品用于抗菌物质的溶出性检测及抗菌效果检测。检验规则
内在质量和外观质量的判定bZxz.net
7.1.1内在质量批判定按抽样检查表4执行,外观质量批判定按抽样检查表5执行。7.1.2抽样检验后,不合格数小于或等于Ac,则判该批合格;不合格数大于或等于Re,则判该批不合格。
7.2抗菌效果的判定
抗菌效果应符合表2规定的抑菌率指标。安全性要求的判定
安全性要求各项指标全部合格判定为合格。7.4综合判定
按7.1、7.2和7.3判定均为合格,则该批产品合格;否则,该批产品为不合格。5
FZ/T62044—2021
标志、包装、运输和贮存
8.1产品标识按GB/T5296.4执行,并标注抗菌等级。纱网类抗菌清洁巾产品应标明层数。2产品应分类包装,包装材料应确保产品不易散落、破损、沾污、受潮,或按供需双方协商确定。8.2
产品运输应防潮、防火、防污染。4产品应放在阴凉、通风、干燥、清洁库房内,并防蛀、防霉。8.4
小提示:此标准内容仅展示完整标准里的部分截取内容,若需要完整标准请到上方自行免费下载完整标准文档。