首页 >  其他行业标准 >  FZ/T 63021-2013聚酰胺复丝绳索

基本信息

标准号: FZ/T 63021-2013

中文名称:聚酰胺复丝绳索

标准类别:其他行业标准

英文名称:Polyamide multiflament ropes

标准状态:已作废

发布日期:2013-10-17

实施日期:2014-03-01

作废日期:2024-07-01

出版语种:简体中文

下载格式:.pdf .zip

下载大小:2.50 MB

相关标签: 聚酰胺 复丝 绳索

标准分类号

标准ICS号:纺织和皮革技术>>纺织产品>>59.080.50绳

中标分类号:纺织>>纺织制品>>W58线、带、绳

关联标准

替代情况:被FZ/T 63021-2023代替

出版信息

出版社:中国标准出版社

页数:16页

标准价格:18.0

出版日期:2014-03-01

相关单位信息

起草人:沈明、贺美娣、许秀萍、李茂巨

起草单位:泰安鲁普耐特塑料有限公司、上海市纺织工业技术监督所、浙江四兄绳业有限公司

归口单位:全国家用纺织品标准化技术委员会线带分技术委员会(SAC/TC 302/SC 2)

提出单位:中国纺织工业联合会

发布部门:中华人民共和国工业和信息化部

主管部门:全国家用纺织品标准化技术委员会线带分技术委员会(SAC/TC 302/SC 2)

标准简介

本标准规定了三股、四股、八股、十二股聚酰胺复丝绳索的分类与标记、要求、试验方法、检验规则、标识及包装、运输和贮存。 本标准适用于直径代号为4~160、线密度为9.87 ktex~15 800 ktex的聚酰胺复丝绳索。
本标准按照GB/T1.1—2009给出的规则起草。
本标准由中国纺织工业联合会提出。
本标准由全国家用纺织品标准化技术委员会线带分技术委员会(SAC/TC302/SC2)归口。
本标准起草单位:泰安鲁普耐特塑料有限公司、上海市纺织工业技术监督所、浙江四兄绳业有限公司。
本标准主要起草人:沈明、贺美娣、许秀萍、李茂巨。
下列文件对于本文件的应用是必不可少的。凡是注日期的引用文件,仅注日期的版本适用于本文件。凡是不注日期的引用文件,其最新版本(包括所有的修改单)适用于本文件。
GB/T8170 数值修约规则与极限数值的表示和判定
GB/T8834 绳索 有关物理和机械性能的测定

标准内容

ICS 59.080.50
中华人民共和国纺织行业标准
FZ/T63021--2013
聚酰胺复丝绳索
Polyamidemultiflamentropes
2013-10-17发布
中华人民共和国工业和信息化部发布
2014-03-01实施
本标准按照GB/T1.12009给出的规则起草。本标准由中国纺织工业联合会提出。FZ/T63021--2013
本标准由全国家用纺织品标准化技术委员会线带分技术委员会(SAC/TC302/SC2)归口。本标准起草单位:泰安鲁普耐特塑料有限公司、上海市纺织工业技术监督所、浙江四兄绳业有限公司。
本标准主要起草人:沈明、贺美娣、许秀葬、李茂巨。1
1范围
聚酰胺复丝绳索
FZ/T63021—2013
本标准规定了三股、四股、八股、十二股聚酰胺复丝绳索的分类与标记、要求、试验方法、检验规则、标识及包装、运输和贮存。
本标准适用于直径代号为4~160、线密度为9.87ktex~15800ktex的聚酰胺复丝绳索。2规范性引用文件
下列文件对于本文件的应用是必不可少的。凡是注日期的引用文件,仅注日期的版本适用于本文件。凡是不注日期的引用文件,其最新版本(包括所有的修改单)适用于本文件。GB/T8170数值修约规则与极限数值的表示和判定GB/T8834绳索有关物理和机械性能的测定3分类与标记
3.1分类
聚酰胺复丝绳索分为以下四种类型:a)A型:三股绳索,见图1。
图1三股绳索(A型)的形态图
b)B型:四股绳索,见图2。bzxz.net
图2四股绳索(B型)的形态图
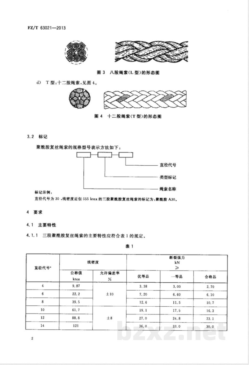
c)L型:八股绳索,见图3。
FZ/T63021—2013
图3八股绳索(L型)的形态图
d)T型:十二股绳索,见图4。
图4十二股绳索(T型)的形态图
3.2标记
聚酰胺复丝绳索的规格型号表示方法如下:直径代号
类型标记
标记示例:
绳索名称
直径代号为30,线密度近似555ktex的三股聚酰胺复丝绳索的标记为:聚酰胺A30。4要求
4.1主要特性
三股聚酰胺复丝绳索的主要特性应符合表1的规定。表1
线密度
直径代号·
公称值
充许偏差率
优等品
断裂强力
一等品
合格品
直径代号:
公称值
线密度
表1(续)
允许偏差率
,直径代号相当于其以毫米计的近似直径。4.1.2
优等品
四股聚酰胺复丝绳索的主要特性应符合表2的规定。表2
线密度
直径代号·
公称值
允许偏差率
优等品
断裂强力
一等品
断裂强力
一等品
FZ/T63021-2013
合格品
合格品
FZ/T63021—2013
直径代号:
公称值
12 800
线密度
表2(续)
允许偏差率
,直径代号相当于其以毫米计的近似直径,优等品
3八股、十二股聚酰胺复丝绳索的主要特性应符合表3的规定。4.1.3
断裂强力
一等品
合格品
直径代号*
公称值
12 800
线密度
允许偏差率
,直径代号相当于其以毫米计的近似直径。4.1.4
优等品
断裂强力
一等品
FZ/T63021—2013
合格品
表1、表2和表3中未表示规格的绳索的线密度和断裂强力可用插值法按附录A求得。4.2其他特性
4.2.1绳索和绳股应是连续无捻接的。4.2.2直径代号大于等于36的绳索,每股中绳纱数允许有微小的差异,其差异为一股内绳纱数平均值的±2.5%,
4.2.3除非双方之间另有协议规定,三股、四股绳索应该是“Z”捻,而其绳股本身是“S”捻。八股(编绞)绳索由四对绳股所组成,即由两对“S”捻与两对“Z”捻的绳股依次编绞而成。十二股编绞绳由三对“Z”抢和三对“S”抢的绳股构成,该六对绳股则由连续六股进行“S”抢和连续六股进行“Z”捻而构成,绳5
FZ/T63021—2013
纱的捻向与绳股的捻向相反。
4.2.4绳索应保证结构稳定性,-般不予浸溃或进行涂层处理。5试验方法
5.1取样和调湿
按GB/T8834的规定执行。
2线密度
按GB/T8834的规定检验。
3断裂强力
按GB/T8834的规定检验。
预加张力
在进行绳索的线密度测试时所需施加的预加张力按表4的规定执行。表4
预加张力
直径代号
公称值
允许偏差
直径代号
注1:表中未表示规格的绳索的预加张力f。可按附录B求得。注2:直径代号相当于其以毫米计的近似直径。6
公称值
预加张力
允许偏差
6检验规则
6.1出厂检验
FZ/T63021—-2013
每批产品出厂时,应按本标准的要求检验合格后方能出厂,并附检验合格证。6.1.2出厂检验项目应包括线密度和断裂强力。6.2型式检验
6.2.1有下列情况之一应进行型式检验:新产品试制定型鉴定或老产品转换生产时;原材料和工艺有重大改变,可能影响产品性能时;国家质量技术监督部门提出型式检验要求时。6.2.2型式检验项目应包括本标准第4章的全部项目。6.3抽样及判定
6.3.1以相同工艺、相同材料制造的同一类型、相同规格的产品为一批。6.3.2除另有协议外,在同一批产品中随机取样的样品数量S按式(1)计算,计算结果应按GB/T8170数值修约规则修约成不小于1的整数。S=0.4VN
式中:
S样品数量,单位为件;
N同一批产品的数量,单位为件。·(1)
6.3.3当S=1时,在该样品绳中按项目要求取一个样品长度;S≥2时,在每个样品绳中取一个试样。
6.3.4抽样时,可从样品绳的任意一端截取,也可在样品准备割断时从样品中部截取。取样时应采取必要的措施,以避免试样的退捻。如有必要,可舍弃已经稍微退捻的端部。6.3.5判定规则如下:
一在检验结果中,若检验项目符合本标准第4章的要求,则判该批产品合格。一在检验结果中,若有一项不符合本标准第4章的要求,则判该批产品不合格。7标识
7.1标志
绳索应将一根浅绿色绳纱编人其中一绳股内(另有协议除外),以标明该聚酰胺复丝绳索的材料、性质和来源与本标准符合。该标志在使用中应能保持可以识别。7.2标签
每件绳索应附有产品合格证明作为标签,合格证明上应标明产品的标记、商标、交货长度、生产企业名称和地址、生产日期、检验标志和执行标准编号、产品等级。7
FZ/T63021-2013
8包装、运输和存
8.1包装
8.1.1绳索的包装形式可以是:卷、箱、袋等。绳索应卷绕整齐,捆扎牢固,并在储运中不受损伤。当绳索以毛重交货时,包装材料的质最一般不得超过绳索毛重的1.5%。2交货长度,正常情况应是零张力下测得的长度。当绳索交货长度的总质量不小于线密度最低值8.1.2
与理论交货长度的乘积时,绳索交货长度的允许偏差:-绳索直径代号小于等于8时为士8%;一绳索直径代号大于8至14时为士5%;一绳索直径代号大于14时为土3%。8.2运输和贮存
8.2.1产品运输时应严密遮盖,防潮、防暴晒,文明运输。2产品应贮存在远离热源、无阳光直射、通风干燥、无腐蚀性化学物质的场所。8.2.2
9其他
用户对产品有特殊要求的由供需双方另订协议。8
A.1线密度计算方法
附录A
(资料性附录)
绳索线密度、断裂强力计算方法FZ/T63021—2013
不同规格绳索的线密度可用插值法按式(A.1)进行计算(计算值保留三位有效数字)。P=Prl+()
d?-d,?
d,2-d,2
式中:
所求规格绳索的线密度,单位为于特(ktex):Pn1pr2-相邻两个规格绳索的线密度(pl.所求规格绳索的直径,单位为毫米(mm);di,d2相邻两个规格绳索的直径(di....(A.1)
不同规格绳索的断裂强力可用插值法按式(A.2)进行计算(计算值保留三位有效数字)。Fa=Fan(Faz —Fa)
式中:
d,2 -d,2
所求绳索的最低断裂强力,单位为千牛(kN);相邻两个规格绳索的最低断裂强力(Fal
小提示:此标准内容仅展示完整标准里的部分截取内容,若需要完整标准请到上方自行免费下载完整标准文档。

标准图片预览

FZ/T 63021-2013聚酰胺复丝绳索 FZ/T 63021-2013聚酰胺复丝绳索 FZ/T 63021-2013聚酰胺复丝绳索 FZ/T 63021-2013聚酰胺复丝绳索 FZ/T 63021-2013聚酰胺复丝绳索