首页 > 其他行业标准 > FZ/T 63027-2015涤纶长丝邦迪缝纫线
FZ/T 63027-2015

基本信息

标准号: FZ/T 63027-2015

中文名称:涤纶长丝邦迪缝纫线

标准类别:其他行业标准

英文名称:Polyester filament bonded sewing thread

标准状态:现行

发布日期:2015-07-14

实施日期:2016-01-01

出版语种:简体中文

下载格式:.pdf .zip

相关标签: 涤纶 缝纫线

标准分类号

标准ICS号:纺织和皮革技术>>纺织产品>>59.080.20纱线

中标分类号:纺织>>纺织制品>>W58线、带、绳

关联标准

出版信息

出版社:中国标准出版社

页数:12页

标准价格:16.0

出版日期:2016-01-01

相关单位信息

起草人:朱卫忠、唐映华、吴金星、楼红霞、王憬义、夏尧军

起草单位:沪江线业有限公司、石狮市飞轮线带织造有限公司、浙江沪江线业有限公司、上海市纺织工业技术监督所、余姚市制线厂(普通合伙)

归口单位:全国家用纺织品标准化技术委员会线带分技术委员会(SAC/TC 302/SC 2)

提出单位:中国纺织工业联合会

发布部门:中华人民共和国工业和信息化部

主管部门:全国家用纺织品标准化技术委员会线带分技术委员会(SAC/TC 302/SC 2)

标准简介

本标准规定了涤纶长丝邦迪缝纫线的术语和定义、要求、分等规定、试验方法、验收规则、标志、包装、运输和贮存。 本标准适用于涤纶长丝邦迪缝纫线(包括内邦和外邦涤纶长丝缝纫线)。
本标准按照GB/T1.1—2009给出的规则起草。
本标准由中国纺织工业联合会提出。
本标准由全国家用纺织品标准化技术委员会线带分技术委员会(SAC/TC302/SC2)归口。
本标准起草单位:沪江线业有限公司、石狮市飞轮线带织造有限公司、浙江沪江线业有限公司、上海市纺织工业技术监督所、余姚市制线厂(普通合伙)。
本标准主要起草人:朱卫忠、唐映华、吴金星、楼红霞、王憬义、夏尧军。
下列文件对于本文件的应用是必不可少的。凡是注日期的引用文件,仅注日期的版本适用于本文件。凡是不注日期的引用文件,其最新版本(包括所有的修改单)适用于本文件。
GB/T250 纺织品 色牢度试验 评定变色用灰色样卡
GB/T251 纺织品 色牢度试验 评定沾色用灰色样卡
GB/T3916 纺织品 卷装纱 单根纱线断裂强力和断裂伸长率的测定(CRE法)
GB/T3920 纺织品 色牢度试验 耐摩擦色牢度
GB/T3921—2008 纺织品 色牢度试验 耐皂洗色牢度
GB/T4743—2009 纺织品 卷装纱 绞纱法线密度的测定
GB/T4856 针棉织品包装
GB5296.4 消费品使用说明 第4部分:纺织品和服装
GB/T5718—1997 纺织品 色牢度试验 耐干热(热压除外)色牢度
GB/T8427—2008 纺织品 色牢度试验 耐人造光色牢度:氙弧
GB18401 国家纺织产品基本安全技术规范

标准图片预览

FZ/T 63027-2015涤纶长丝邦迪缝纫线
FZ/T 63027-2015涤纶长丝邦迪缝纫线
FZ/T 63027-2015涤纶长丝邦迪缝纫线
FZ/T 63027-2015涤纶长丝邦迪缝纫线
FZ/T 63027-2015涤纶长丝邦迪缝纫线

标准内容

ICS59.080.20
中华人民共和国纺织行业标准
FZ/T63027—2015
涤纶长丝邦迪缝纫线
Polyester filament bonded sewing thread2015-07-14发布
中华人民共和国工业和信息化部发布
2016-01-01实施
本标准按照GB/T1.1一2009给出的规则起草。本标准由中国纺织工业联合会提出。FZ/T63027—2015
本标准由全国家用纺织品标准化技术委员会线带分技术委员会(SAC/TC302/SC2)归口。本标准起草单位:沪江线业有限公司、石狮市飞轮线带织造有限公司、浙江沪江线业有限公司、上海市纺织工业技术监督所、余姚市制线厂(普通合伙)。本标准主要起草人:朱卫忠、唐映华、吴金星、楼红霞、王憬义、夏尧军。I
1范围
涤纶长丝邦迪缝纫线
FZ/T63027—2015
本标准规定了涤纶长丝邦迪缝纫线的术语和定义、要求、分等规定、试验方法、验收规则、标志、包装、运输和贮存。
本标准适用于涤纶长丝邦迪缝纫线(包括内邦和外邦涤纶长丝缝纫线)。2规范性引用文件
下列文件对于本文件的应用是必不可少的。凡是注日期的引用文件,仅注日期的版本适用于本文件。凡是不注日期的引用文件,其最新版本(包括所有的修改单)适用于本文件。GB/T250纺织品色牢度试验评定变色用灰色样卡GB/T251
GB/T3916
色牢度试验评定沾色用灰色样卡纺织品
纺织品
GB/T3920
纺织品
卷装纱单根纱线断裂强力和断裂伸长率的测定(CRE法)色牢度试验耐摩擦色牢度
GB/T3921—2008
纺织品
色牵度试验耐皂洗色牵度
纺织品
GB/T4743—2009
卷装纱绞纱法线密度的测定
GB/T4856
针棉织品包装
消费品使用说明
1第4部分:纺织品和服装
GB/T5718—1997
色牢度试验耐干热(热压除外)色牢度纺织品
GB/T8427—2008
纺织品
色牢度试验耐人造光色牢度:氙弧GB18401
国家纺织产品基本安全技术规范3术语和定义
下列术语和定义适用于本文件。3.1
涤纶长丝邦迪缝纫线polyesterfilamentbondedsewingthread涤纶长丝经合股粘合定型、染色和上油卷绕等工艺制成的缝纫线。其按粘合方式不同,分为内邦和外邦涤纶长丝缝纫线。内邦:通过特殊工艺抢合纱线时直接进行内部粘合、定型而成;外邦:成品线经过熔化的邦迪胶而达到外部粘合。注:邦迪为英文单词“bonded”音译名4要求
4.1项目
涤纶长丝邦迪缝纫线的技术要求分为内在质量和外观质量。内在质量要求包括:单线断裂强力、单线断裂强力变异系数、线密度允许偏差率、结头个数、长度允许偏差率、耐皂洗色牢度、耐摩擦色牢度、耐干热色牢度、耐光色牢度。外观质量要求包括:表面结头、麻解线、蛛网、污渍、色差、色花和散股、起毛。1
FZ/T63027—2015
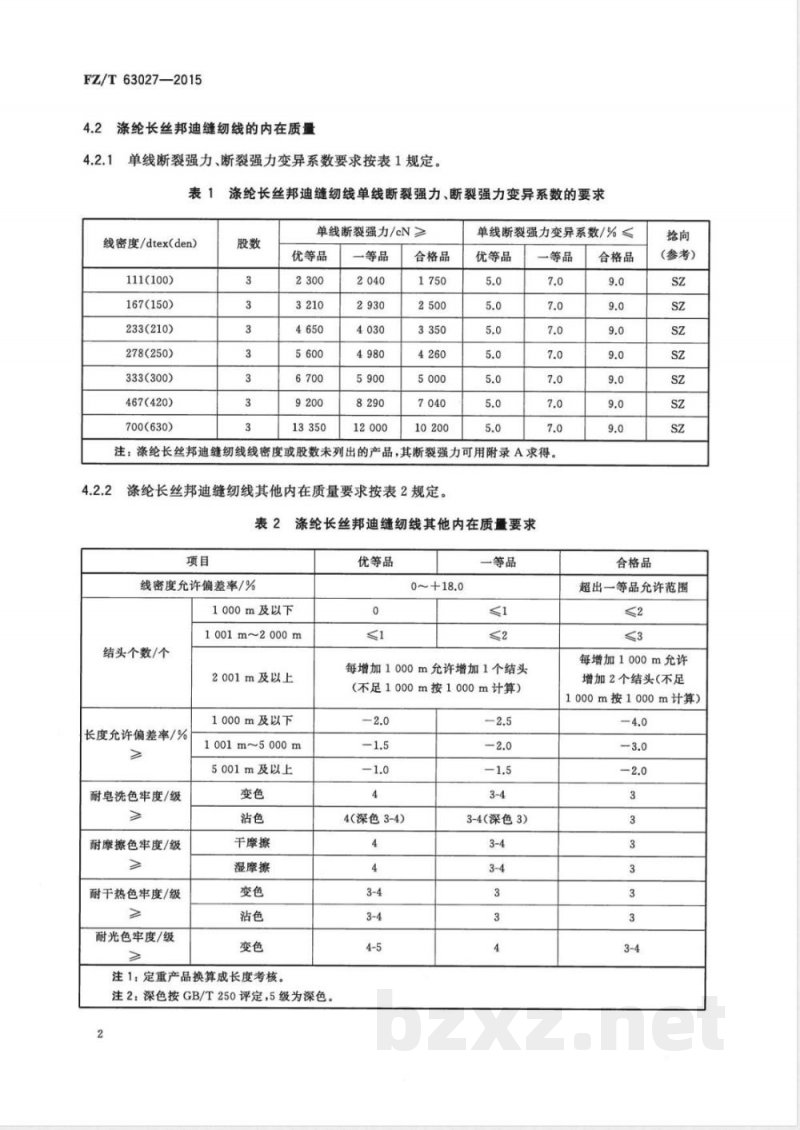
涤纶长丝邦迪缝纫线的内在质量单线断裂强力、断裂强力变异系数要求按表1规定。涤纶长丝邦迪缝纫线单线断裂强力、断裂强力变异系数的要求表1
线密度/dtex(den)
111(100)
167(150)
233(210)
278(250)
333(300)
467(420)
700(630)
单线断裂强力/cN≥
优等品wwW.bzxz.Net
一等品
合格品
单线断裂强力变异系数/%≤
优等品
一等品
注:涤纶长丝邦迪缝纫线线密度或股数未列出的产品,其断裂强力可用附录A求得。4.2.2
涤纶长丝邦迪缝纫线其他内在质量要求按表2规定。表2
涤纶长丝邦迪缝纫线其他内在质量要求项目
线密度允许偏差率/%
1000m及以下
1001m~2000m
结头个数/个
2001m及以上
长度允许偏差率/%
耐皂洗色牢度/级
耐摩擦色牢度/级
耐干热色牢度/级
耐光色牢度/级
1000m及以下
1001m~5000m
5001m及以上
千摩擦
湿摩擦
注1:定重产品换算成长度考核。注2:深色按GB/T250评定,5级为深色。2
优等品
一等品
每增加1000m允许增加1个结头
(不足1000m按1000m计算)
合格品
合格品
(参考)
超出一等品允许范围
每增加1000m允许
增加2个结头(不足
1000m按1000m计算)
4(深色3-4)
3-4(深色3)
4.3涤纶长丝邦迪缝纫线的外观质量涤纶长丝邦迪缝纫线的外观质量要求按表3规定。表3涤纶长丝邦迪缝纫线的外观质量要求项目
表面结头
按色卡或来样
盒内个与个之间
散股、起毛
4.4产品安全性能
优等品
不允许
不允许
≥4级
≥4-5级
应符合GB18401的要求。
5分等规定
5.1成品质量分等
一等品
不允许
轻微者允许
宝塔线小头允许跳线2根,每根跳线长度不超过半圈,大头不允许跳线
4级及以上,面积不超过1cm2或
单根线不超过4cm
≥3-4级
≥4级
不允许
不允许
涤纶长丝邦迪缝纫线的成品质量分为优等品、一等品和合格品。5.2评等规定
FZ/T63027—2015
合格品
较明显
宝塔线小头允许跳线4根,每根跳线长度不超过半圈,大头不允许跳线3级以上,面积不超过1cm2或单根线不超过8cm,
3级以下面积不超过0.5cm2或单根线不超过5cm
5.2.1涤纶长丝邦迪缝纫线产品,其内在质量按批评定,并以其中最低的一项评等;外观质量按个评定,并以其中最低的一项评等。5.2.2涤纶长丝邦迪缝纫线最终等级由内在质量等级和外观质量等级综合评定,按最低的一项评定。6试验方法
试验条件
各项试验应在各方法标准规定的标准条件下进行。6.2取样
内在质量每批抽取试样数量及试验次数的规定按表4规定。3
FZ/T63027—2015
单线断裂强力
表4内在质量每批抽取试样数量及试验次数的规定每批取样数量/个(筒)
单线断裂强力变异系数
线密度
耐干热色牢度
耐光色牢度
耐皂洗色牢度
耐摩擦色牢度
长度、结头
≤2000m/个(筒)
>2000m/个(筒)
线密度试验
按GB/T4743一2009中程序3执行,线密度偏差率按式(1)计算。T.- T。×100%
式中:
线密度偏差率;
一涤纶长丝邦迪缝纫线的实际线密度,单位为特克斯(tex);Tt
T。——涤纶长丝邦迪缝纫线的公称线密度,单位为特克斯(tex)。6.4
单线断裂强力和单线断裂强力变异系数的试验按GB/T3916执行。
5长度试验
6.5.1长度试验用测长器应符合GB/T4743—2009规定。测试长度时,单线预加张力为(0.5士0.1)cN/tex。6.5.2
总试验次数
6.5.3样品在测长器上每摇满100m(线密度大于100tex时,每摇满10m)后更换一个卷绕位置,依此类推,直至全部摇完为止,不足1m长的线单独测量。6.5.4实测长度应以该试样的全部试验值的算术平均值表示,计算结果修约至一位小数。6.6结头试验
6.6.1将全部试样在测长器上摇成绞线(可与长度试验用同一份试样),计点全部绞线上实际结头个数。
6.6.2单纱和初抢(即二次加捻线的第一次加捻)的结头不作结头计。6.6.3结头个数以该试样全部试验值的算术平均值表示,修约至个位。6.7耐皂洗色牢度试验
按GB/T3921一2008执行,采用单纤维贴衬,试验条件为C(3)。4
6.8耐摩擦色牢度试验
按GB/T3920执行。
6.9耐光色牢度试验
按GB/T8427—2008中方法3规定执行。6.10耐干热色牢度
按GB/T5718—1997(150±2)C执行。6.11外观质量检验
6.11.1外观质量检验条件
FZ/T63027—2015
采用室内北向自然光源,如光源不足,光照度低于6001x时,可用近似40W正常青光日光灯在(70士10)cm距离间补足照度,色差、色花检验采用Ds5标准光源。6.11.2外观质量检验规定
外观质量检验中,污渍的深度按GB/T251评定,色差、色花按GB/T250评定,其余内容按目测评定。
7验收规则
7.1内在质量验收
按4.2进行验收,验收方法按6.1~6.10执行,若收货方对内在质量项目进行抽验,其结果达不到标准规定时,可由双方共同重新抽取相同数量的产品进行复验,复验结果为该批产品的最终结果。7.2外观质量验收
7.2.1外观质量按4.3进行验收,验收方法按6.11规定执行。7.2.2抽样规定按表5规定。
表5外观质量检验取样数量规定
每批数量
(最小包装)
取样数量
(最小包装)
50及以下
51~100
101~500
501~1000
1001~2000
2001及以上
7.2.3外观质量不符品等率在5%及以内者,其不符品等的产品应当调换。如不符品等率超过5%不超过7%允许复验一次,如复验后又超过5%,则该批成品应重新整理,经复验合格方可出厂。如不符品等率超过7%,作退货处理。
8标志、包装、运输和贮存
8.1标志、包装
8.1.1包装标识应明确、清晰、项目齐全,便于识别,按GB5296.4相关要求标识。8.1.2包装要求应符合GB/T4856规定。5
FZ/T63027—2015
如有特殊要求,供需双方另定协议。运输、贮存
1在运输、贮存、保管过程中,应有严密遮盖,不能受雨、受潮、曝晒和高温烘焙,以防变质。8.2.1
涤纶长丝邦迪缝纫线应堆放在干燥仓库,并做好通风散湿工作,以防受潮。6
附录A
(资料性附录)
涤纶长丝邦迪缝纫线断裂强力计算公式FZ/T63027—2015
A.1涤纶长丝邦迪缝纫线的单纱线密度或股数在表1未列出时,其断裂强力可按式(A.1)、式(A.2)计算,计算结果修约到三位有效数字。A.2单纱线密度相同,股数不同时,该规格的单线断裂强力计算见式(A.1):Fixn
式中:
F—所求单纱股数为n股的单线断裂强力,单位为厘牛顿(cN);F1—某一单纱股数为3股的单线断裂强力,单位为厘牛顿(cN);n股数。
示例1:规格为单纱线密度为111dtex,股数为4股的单线断裂强力(一等品)的计算:2.040×4
A.3单纱股数相同,线密度不同时,该规格的单线断裂强力计算见式(A.2):『F3
(F3-F)D/-D2
(33)
D3-D2-
式中:
所求单纱股数为n股的单线断裂强力,单位为厘牛顿(cN);...(A.1)
.(A.2)
-相邻的两个线密度,且股数为3股的单线断裂强力(F.>F),单位为厘牛顿(cN);相邻两个线密度(Dz>D,),单位为分特克斯(dtex);所求产品的线密度,单位为分特克斯(dtex);股数。
示例2:规格为单纱线密度为256dtex,股数为3股的单线断裂强力(一等品)的计算:10-(4.980_4030)×256278×3
233-278
FZ/T63027-2015
中华人民共和国纺织
行业标准
涤纶长丝邦迪缝纫线
FZ/T63027—2015
中国标准出版社出版发行
北京市朝阳区和平里西街甲2号(100029)北京市西城区三里河北街16号(100045)网址www.spc.net.cn
总编室:(010)68533533发行中心:(010)51780238读者服务部:(010)68523946
中国标准出版社秦皇岛印刷厂印刷各地新华书店经销
开本880×12301/16
2015年10月第一版
印张0.75字数16千字
2015年10月第一次印刷
书号:155066·2-28942定价16.00元如有印装差错
由本社发行中心调换
版权专有侵权必究
举报电话:(010)68510107
小提示:此标准内容仅展示完整标准里的部分截取内容,若需要完整标准请到上方自行免费下载完整标准文档。