首页 > 其他行业标准 > FZ/T 63029-2015涤纶金银丝织带
FZ/T 63029-2015

基本信息

标准号: FZ/T 63029-2015

中文名称:涤纶金银丝织带

标准类别:其他行业标准

英文名称:Polyester metallic film ribbon

标准状态:现行

发布日期:2015-07-14

实施日期:2016-01-01

出版语种:简体中文

下载格式:.pdf .zip

相关标签: 涤纶 丝织

标准分类号

标准ICS号:纺织和皮革技术>>纺织产品>>59.080.99其他纺织产品标准

中标分类号:纺织>>纺织制品>>W58线、带、绳

关联标准

出版信息

出版社:中国标准出版社

页数:12页

标准价格:16.0

出版日期:2016-01-01

相关单位信息

起草人:唐三湘、贺美娣、丁军民、龚旭波、蔡雯嫣

起草单位:浙江三鼎织造有限公司、上海市纺织工业技术监督所

归口单位:全国家用纺织品标准化技术委员会线带分技术委员会(SAC/TC 302/SC 2)

提出单位:中国纺织工业联合会

发布部门:中华人民共和国工业和信息化部

主管部门:全国家用纺织品标准化技术委员会线带分技术委员会(SAC/TC 302/SC 2)

标准简介

本标准规定了涤纶金银丝织带的术语和定义、要求、分等规定、试验方法、检验规则、包装标志和运输贮存。 本标准适用于织带机生产的宽度范围3 mm~130 mm之间的民用涤纶金银丝织带。
本标准按照GB/T1.1—2009给出的规则起草。
本标准由中国纺织工业联合会提出。
本标准由全国家用纺织品标准化技术委员会线带分技术委员会(SAC/TC302/SC2)归口。
本标准起草单位:浙江三鼎织造有限公司、上海市纺织工业技术监督所。
本标准主要起草人:唐三湘、贺美娣、丁军民、龚旭波、蔡雯嫣。
下列文件对于本文件的应用是必不可少的。凡是注日期的引用文件,仅注日期的版本适用于本文件。凡是不注日期的引用文件,其最新版本(包括所有的修改单)适用于本文件。
GB/T250 纺织品 色牢度试验 评定变色用灰色样卡
GB/T251 纺织品 色牢度试验 评定沾色用灰色样卡
GB/T2828.1—2012 计数抽样检验程序 第1部分:按接收质量限(AQL)检索的逐批检验抽样计划
GB/T3920 纺织品 色牢度试验 耐摩擦色牢度
GB/T3921—2008 纺织品 色牢度试验 耐皂洗色牢度
GB5296.4 消费品使用说明 第4部分:纺织品和服装
GB/T8427—2008 纺织品 色牢度试验 耐人造光色牢度:氙弧
GB/T8628 纺织品 测定尺寸变化的试验中织物试样和服装的准备、标记及测量
GB/T8629—2001 纺织品 试验用家庭洗涤和干燥程序
GB/T8630 纺织品 洗涤和干燥后尺寸变化的测定
GB18401 国家纺织产品基本安全技术规范
GB/T24250 机织物 疵点的描述 术语
FZ/T60021—2010 织带产品物理机械性能试验方法

标准图片预览

FZ/T 63029-2015涤纶金银丝织带
FZ/T 63029-2015涤纶金银丝织带
FZ/T 63029-2015涤纶金银丝织带
FZ/T 63029-2015涤纶金银丝织带
FZ/T 63029-2015涤纶金银丝织带

标准内容

ICS59.080.99
中华人民共和国纺织行业标准
FZ/T63029—2015
涤纶金银丝织带
Polyestermetallicfilmribbon
2015-07-14发布
中华人民共和国工业和信息化部发布
2016-01-01实施
本标准按照GB/T1.1一2009给出的规则起草。本标准由中国纺织工业联合会提出。FZ/T63029—2015
本标准由全国家用纺织品标准化技术委员会线带分技术委员会(SAC/TC302/SC2)归口。本标准起草单位:浙江三鼎织造有限公司、上海市纺织工业技术监督所。本标准主要起草人:唐三湘、贺美娣、丁军民、龚旭波、蔡雯嫣。I
1范围
涤纶金银丝织带
FZ/T63029—2015
本标准规定了涤纶金银丝织带的术语和定义、要求、分等规定、试验方法、检验规则、包装标志和运输贮存。
本标准适用于织带机生产的宽度范围3mm~130mm的民用涤纶金银丝织带。2规范性引用文件
下列文件对于本文件的应用是必不可少的。凡是注日期的引用文件,仅注日期的版本适用于本文件。凡是不注日期的引用文件,其最新版本(包括所有的修改单)适用于本文件。GB/T250纺织品色牢度试验评定变色用灰色样卡纺织品色牢度试验评定沾色用灰色样卡GB/T251
GB/T2828.1—2012
2计数抽样检验程序第1部分:按接收质量限(AQL)检索的逐批检验抽样计划bzxz.net
GB/T3920
纺织品色牢度试验耐摩擦色牢度纺织品色牢度试验耐皂洗色牢度GB/T3921—2008
消费品使用说明第4部分:纺织品和服装GB/T8427—2008纺织品色牢度试验耐人造光色牢度:氙弧GB/T8628
纺织品测定尺寸变化的试验中织物试样和服装的准备、标记及测量GB/T86292001纺织品试验用家庭洗涤和干燥程序纺织品洗涤和干燥后尺寸变化的测定GB/T8630
国家纺织产品基本安全技术规范GB18401
机织物疵点的描述术语
GB/T24250
FZ/T60021一2010织带产品物理机械性能试验方法3术语和定义
GB/T24250界定的以及下列术语和定义适用于本文件。3.1
涤纶金银丝(线)polyestermetallicyarn以涤纶薄膜为原料,经真空镀金属层和涂布树脂保护层,再进行分切和微细纵向切割成横截面为长方形的扁平状金银丝,以及再通过与其他纱线组合加工而制成的金银线。3.2
涤纶金银丝织带polyestermetallicfilmribbon以金银丝(线)为主要原料,经织造、印染整理生产的机织带,用于服装辅料、礼品包装、玩具、工艺饰品、发饰等方面。
凹凸边concaveconvexedge
织物边缘呈起伏波浪凹凸状。
FZ/T63029—2015
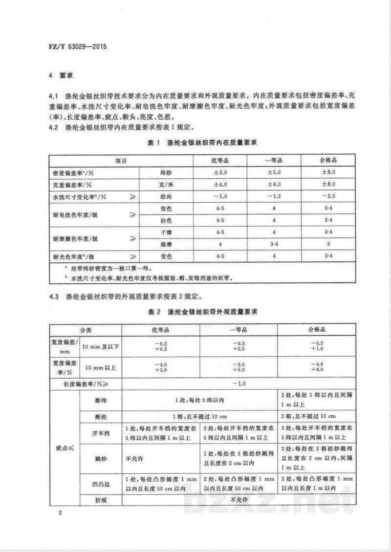
4要求
4.1涤纶金银丝织带技术要求分为内在质量要求和外观质量要求。内在质量要求包括密度偏差率、克重偏差率、水洗尺寸变化率、耐皂洗色牢度、耐摩擦色牢度、耐光色牢度;外观质量要求包括宽度偏差(率)、长度偏差率、疵点、断头、亮度、色差。4.2涤纶金银丝织带内在质量要求按表1规定。表1涤纶金银丝织带内在质量要求项目
密度偏差率/%
克重偏差率/%
水洗尺寸变化率/%
耐皂洗色牢度/级
耐摩擦色牢度/级
耐光色牢度/级
。丝带纬纱密度为一梭口算一纬。纬纱
克/米
优等品
b水洗尺寸变化率、耐光色牢度仅考核服装、帽、发饰用途的织带。4.3
涤纶金银丝织带的外观质量要求按表2规定。表2
涤纶金银丝织带外观质量要求
宽度偏差/
宽度偏差
10mm及以下
10mm以上
长度偏差率/%≥
开车档
凹凸边
优等品
1处,每处5纬以内
1根,且不超过10cm
1处,每处开车档的宽度在
5纬以内且间隔1m以上
不允许
1处,每处凸形幅度1mm
以内且长度50cm以内
一等品
一等品
合格品
合格品
2处,每处5纬以内且间隔
1m以上
2根,且不超过10cm
2处,每处开车档的宽度在
5纬以内且间隔1m以上
1处,每处在3根经纱跳纬
且长度在2cm以内
2处,每处凸形幅度1mm
以内且长度50cm以内
不允许
3处,每处开车档的宽度在
5纬以内且间隔1m以上
2处,每处在3根经纱跳纬
且长度在2cm以内,间隔
1m以上
2处,每处凸形幅度1mm
以内且长度1m以内
断头/个
色差/级
幅宽≤10mm
幅宽>10mm
按色卡或来样
卷(筒)与卷
(筒)之间
优等品
1处,长度在10cm以内
表2(续)
一等品
2处,长度在20cm以内且
间隔1m以上
3处,每处深度4级及以上
的面积不超过8mm2
4处,每处深度3级以上的
面积不超过8mm2
符合来样要求
FZ/T63029—2015
合格品
4处,长度在30cm以内且
间隔1m以上
5处,每处深度3级以上的
面积不超过8mm
注1:织带疵点、断头以每卷(筒)91.4m为单位长度进行评等,超出时进行相应折算。注2:两断头间隔不少于3m,断头接头距卷端不少于3m。注3:凡未列人本标准的外观疵点可参照本标准中的外观疵点类似项目评定。4.4应用于服装、帽、玩具、发饰的涤纶金银丝织带产品安全性能应符合GB18401的要求。5分等规定
5.1产品分为优等品、一等品、合格品。5.2涤纶金银丝织带单卷(筒)产品,其内在质量按表1最低一项评等;外观质量按表2最低一项评等。5.3在单卷(筒)产品中,优等品只允许两种同等级的极限外观疵点,超过者顺降一个等级。5.4涤纶金银丝织带单卷(筒)产品最终等级由内在质量的等级与外观质量的等级综合评定。按最低的一项评定。
6试验方法
试验条件
各项试验应在各方法标准规定的条件下进行。6.2密度试验方法
按FZ/T60021一2010中的第6章的方法A执行。6.3克重(单位长度质量)试验方法按FZ/T60021—2010中的第8章规定执行。6.4水洗尺寸变化率试验方法
按GB/T8628、GB/T8630和GB/T8629—2001中的洗涤程序5A和干燥程序C执行。3
FZ/T63029—2015
6.5耐皂洗色牢度试验方法
按GB/T3921一2008规定执行,采用单纤维贴衬,试验条件为A(1)。6.6耐摩擦色牢度试验方法
按GB/T3920规定执行。
6.7耐光色牢度试验方法
按GB/T8427—2008方法3执行。
6.8长度、宽度试验方法
按FZ/T60021—2010中的第5章规定执行。6.9外观质量检验
6.9.1外观质量检验条件
采用室内北向自然光源,如光源不足,光照度低于6001x时,可用近似40W正常青光日光灯在(70士10)cm距离间补足照度,色差检验采用Dss标准光源。6.9.2外观质量检验规定
6.9.2.1织带疵点长度以疵点最大长度量计。6.9.2.2外观质量检验中,色差按GB/T250评定,色渍的深度按GB/T251评定,其余内容按目测评定。
检验规则
取样规定
、同一品种、原料、规格及同一工艺生产的产品作为一个检验批,各项指标检测样本均应从检验批7.1.1
中随机抽取。
7.1.2内在质量批及长、宽度按检验批随机抽样,抽样数及试验次数按表3规定。表3内在质量及长、宽度检验每批抽取试样数量及试验次数的规定项目
纬纱密度
克重(单位长度质量)
水洗尺寸变化率
耐皂洗色牢度
耐摩擦色牢度
耐光色牢度
数量(卷、筒)
总次数
FZ/T63029—2015
7.1.3外观质量抽样数量按照GB/T2828.1一2012正常一次抽样方案,一般检验水平I,接收质量限(AQL)为4.0规定抽样,具体抽样方案按表4规定。表4外观质量检验抽样方案
批量范围N
91~280
281~500
501~1200
1201~3200
320110000
注1:卷(筒)约定长度为91.4m。样本大小n
注2:当批量范围小于样本量时,全数检验。验收结果的判定
批产品内在质量的验收
合格判定数Ac
单位为卷(筒)
不合格判定数Re
批产品内在质量按4.2进行验收,验收方法按6.1~6.7执行,检验结果以全批抽验样品合格作为全批合格。
7.2.2批产品外观质量的验收
批产品外观质量按4.3进行验收,结果判定按表4执行,不合格数小于或等于Ac,则判检验批合格;不合格数大于或等于Re,则判检验批不合格。7.2.3综合质量批的验收
综合质量批判定按内在质量抽样检验和外观质量抽样检验中最低品等评定。7.3复验
7.3.1如供需双方对检验结果或质量有异议时,在规定期限内,可由双方重新抽取相同数量的产品进行复验。
7.3.2复验结果的判定同7.2。
复验以一次为准,凡判定合格的应作全批合格,判定不合格的应作全批不合格。8包装、标志、运输、贮存
包装、标志
按GB5296.4相关要求执行。
2内包装依据不同长度打成卷,外包装纸箱产品要符合质量要求,箱底箱盖封口严密、牢固。8.2运输、贮存
产品应按批堆放,堆放不宜过高,禁止倒置、侧压,以免产品受损。贮存、运输时应防潮、防霉、5
FZ/T63029—2015
防高温。
用户对本标准有特殊要求,供需双方另定协议。6
FZ/T63029-2015
打印日期:2015年10月3日F009
中华人民共和国纺织
行业标准
涤纶金银丝织带
FZ/T63029—2015
中国标准出版社出版发行
北京市朝阳区和平里西街甲2号(100029)北京市西城区三里河北街16号(100045)网址www.spc.net.cn
总编室:(010)68533533发行中心:(010)51780238读者服务部:(010)68523946
中国标准出版社秦皇岛印刷厂印刷各地新华书店经销
开本880×12301/16印张0.75字数14千字2015年9月第一次印刷
2015年9月第一版
书号:155066·2-28977定价16.00元如有印装差错由本社发行中心调换版权专有侵权必究
举报电话:(010)68510107
小提示:此标准内容仅展示完整标准里的部分截取内容,若需要完整标准请到上方自行免费下载完整标准文档。