首页 > 其他行业标准 > QB/T 4120-2010箱包手袋用聚氨酯合成革
QB/T 4120-2010

基本信息

标准号: QB/T 4120-2010

中文名称:箱包手袋用聚氨酯合成革

标准类别:其他行业标准

英文名称:Polyurethane Synthetic Leather for Luggage and Handbag

标准状态:现行

发布日期:2011-01-21

实施日期:2011-04-01

出版语种:简体中文

下载格式:.pdf .zip

相关标签: 箱包 聚氨酯 合成革

标准分类号

标准ICS号:59.080.40;59.140.99

中标分类号:轻工、文化与生活用品>>皮革加工与制品>>Y47人造革、合成革

关联标准

出版信息

出版社:中国轻工业出版社

标准价格:0.0

出版日期:2011-04-01

相关单位信息

起草单位:安徽安利合成革股份有限公司、无锡双象超纤材料股份有限公司

归口单位:全国塑料制品标准化技术委员会

发布部门:工业和信息化部

标准简介

本标准规定了箱包手袋用聚氨酯合成革的分类、要求、试验方法、检验规则及标志、包装、运输和贮存。 本标准适用于以非织造布基、机织布基、针织布基为底基,经干法、湿法涂层及后整饰工艺制造的用于箱包手袋的聚氨酯合成革。


标准图片预览

QB/T 4120-2010箱包手袋用聚氨酯合成革
QB/T 4120-2010箱包手袋用聚氨酯合成革
QB/T 4120-2010箱包手袋用聚氨酯合成革
QB/T 4120-2010箱包手袋用聚氨酯合成革
QB/T 4120-2010箱包手袋用聚氨酯合成革

标准内容

ICS59.080.40
分类号:Y47
备案号:31069-2011
中华人民共和国轻工行业标准
QB/T4120-2010
箱包手袋用聚氨酯合成革
Polyurethane synthetic leather for luggage and handbag2010-12-29发布wwW.bzxz.Net
中华人民共和国工业和信息化部发布
2011-04-01实施
QB/T4120-2010
本标准的某些内容可能涉及专利。本标准发布机构不应承担识别这些专利的责任本标准由中国轻工业联合会提出。本标准由全国塑料制品标准化技术委员会归口。本标准起草单位:安徽安利合成革股份有限公司负责起草。本标准参与起草单位:无锡双象超纤材料股份有限公司、浙江禾欣实业集团股份有限公司、昆山协孚人造皮有限公司。
本标准起草人:姚和平、王义峰、贾义松。1范围
箱包手袋用聚氨酯合成革
QB/T4120-2010
本标准规定了箱包手袋用聚氨酯合成革的分类、要求、试验方法、检验规则及标志、包装、运输、贮存。
本标准适用于以非织造布基、机织布基、针织布基为底基,经干法、湿法涂层及后整饰工艺制造的用于箱包手袋的聚氨酯合成革。2规范性引用文件
下列文件对于本文件的应用是必不可少的。凡是注日期的引用文件,仅注日期的版本适用于本文件。凡是不注日期的引用文件,其最新版本(包括所有的修改单)适用于本文件。GB/T251-2008评定沾色用灰色卡样(eqV,ISO105/A02:1993)GB/T1040.1一2006塑料拉伸性能的测定第1部分:总则(idtISO527-1:1993)GB/T2828.1一2003计数抽样检验程序第1部分:按接收质量(AQL)检索的逐批检验抽样计划(idt,ISO2859-1:1999)
GB/T2918-1998塑料试样状态调节和试验的标准环境(idt,ISO291-1997)GB/T3903.42一2008鞋类帮面、衬里和内垫试验方法颜色迁移性(idt,SO17701:2003)GB/T3920-2008
纺织品色牢度试验耐摩擦色牢度(eqV,ISO105/X12:1993)GB/T3978一2008标准照明体和几何条件GB/T3979-2008
GB/T8949—2008
物体色的测量方法
聚氨酯干法人造革
GB/T19941-2005
GB/T19942—2005
GB/T22807—2008
GB/T22808—2008
GB/T22930—2008
GB/T23344—2009
QB/T1514-1992
QB/T16462007
QB/T2714—2005
QB/T2726-2005
QB/T2888-2007
3分类
皮革和毛皮化学试验
皮革和毛皮
化学试验
皮革和毛皮化学试验
皮革和毛皮
化学试验
皮革和毛皮化学试验
甲醛含量的测定
禁用偶氮染料的测定
六价铬含量的测定
五氯苯酚含量的测定
重金属含量的测定
纺织品4-氨基偶氮苯的测定
家用缝纫机机针
聚氨酯合成革
皮革物理和机械试验耐折牢度的测定皮革物理和机械性试验耐磨性能的测定聚氨酯束状超细纤维合成革
产品按布基编织方法分类见表1。QB/T4120-2010
4要求
4.1规格
表1产品分类
布基品种
非织造布
机织布
针织布
产品厚度及极限偏差、产品宽度及极限偏差应符合表2规定。4.1.1
表2产品厚度及极限偏差、宽度及极限偏差类别
厚度及极限偏差
极限偏差
注:其他厚度和宽度由供需双方协商确定。4.1.2
每卷段数和最小段长应符合表3规定。表3每卷段数和最小段长
卷长度/(m/卷)
30~40
每卷段数/段
宽度及极限偏差
单位为毫米
极限偏差
最小段长/m
4.1.3长度偏差不充许负偏差。
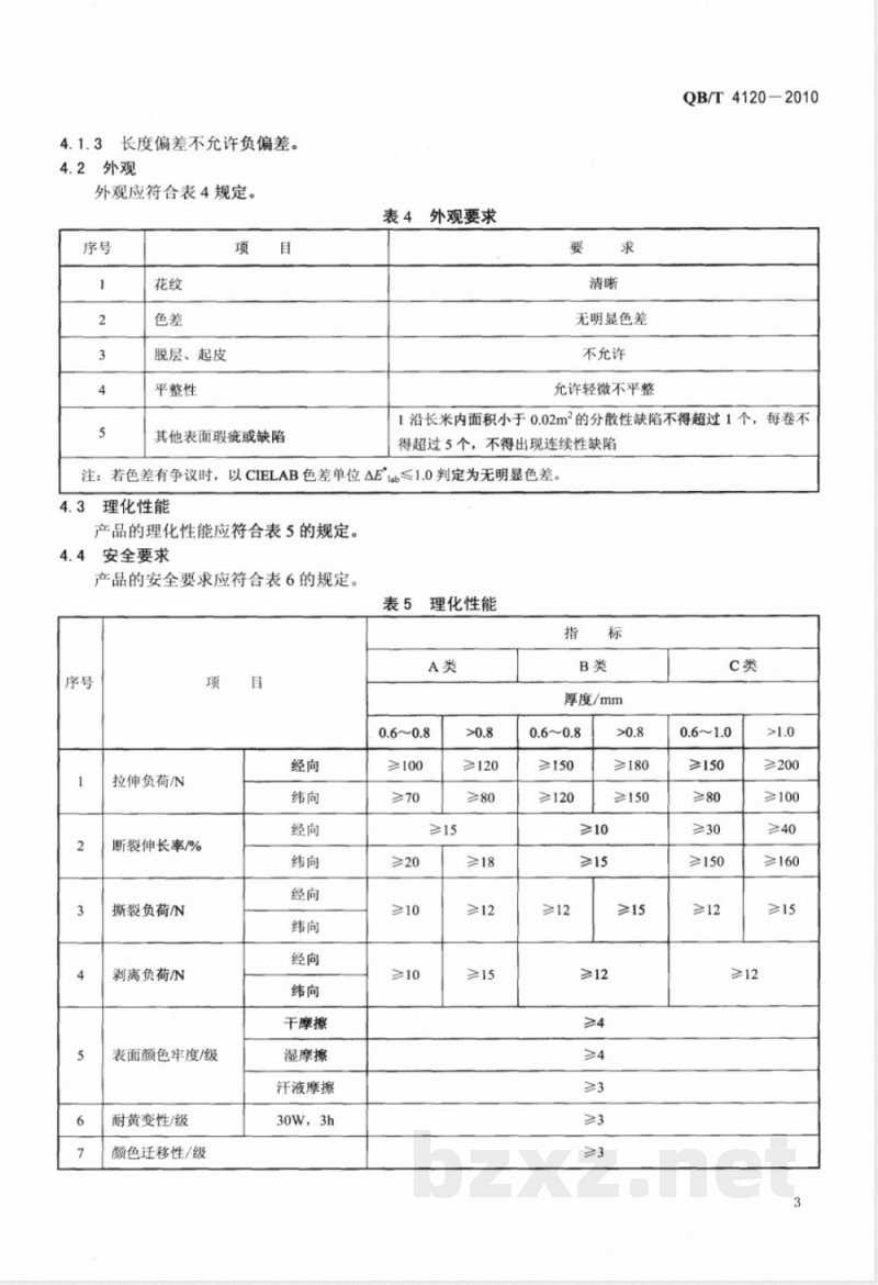
4.2外观
外观应符合表4规定。
脱层、起皮
平整性
其他表面瑕疵或缺陷
表4外观要求
无明显色差
不允许
允许轻微不平整
QB/T4120-2010
1沿长米内面积小于0.02m的分散性缺陷不得超过1个,每卷不得超过5个,不得出现连续性缺陷注:若色差有争议时,以CIELAB色差单位AE\1ab≤1.0判定为无明显色差。4.3
理化性能
产品的理化性能应符合表5的规定。安全要求
产品的安全要求应符合表6的规定。表5理化性能
拉伸负荷/N
断裂伸长率/%
撕裂负荷/N
剥离负荷/N
表面颜色牢度/级
耐黄变性/级
颜色迁移性/级
干摩擦
湿摩擦
汗液摩擦
30W,3h
≥100
≥120
厚度/mm
≥150
≥120
≥180
≥150
≥150
≥150
≥>12
≥200
≥100
≥160
QB/T4120-2010
缝合强力/N
耐磨性
耐水解性
耐折牢度
200转, 500g, H-18
70℃,相对湿度
95%,120h
23℃,2万次
注1:A类纵向为经向,横向为纬向。注2:缝合强力撕不开时为合格。序号
甲醛/(mg/kg)
可分解出致癌芳香胺的染料/(mg/kg)六价铬(可萃取量)/(mg/kg)汞(可萃取量)/(mg/kg)
总铅/(mg/kg)
总镉/(mg/kg)
五氯苯酚/(mg/kg)
表5(续)
≥100
厚度/mm
≥100
≥120
≥100
表面不开裂、不粉化、不褪色
无裂纹
表6安全要求
不得检出
注1:若客户对产品的生态性能有其他特殊要求时,具体指标由供、需双方协商确定。注2:致癌芳香胺名称见附录A,以现有检测技术,检出含量≤30(mg/kg)可视为合格。5
试验方法
试样的裁取
每批产品沿经向裁取0.8m作为物理力学性能试验的样品,同时取0.2m作为安全要求试验的样品。样品纬向两端各除去宽50mm后制备试样,试样尺寸及数量见表7。5.2试验条件和环境
按照GB/T2918一1998规定的(23土2)℃/(50土10)%相对湿度的标准环境进行,试样状态调节时间不少于4h,并在此条件下进行试验。5.3规格
5.3.1厚度
厚度的测量按GB/T8949一2008中5.3的规定进行试验。5.3.2宽度
用精度为1mm的钢卷尺或仪表沿长度方向任意测量3处。4
5.3.3长度
用合适的量其或仪表测量,结果精确至1em。表7试样尺寸及数量
试样名称
拉伸负荷及断裂伸长率
撕裂负荷
剥离负荷
黄变性
表面颜色牢度
耐磨性
颜色迁移性
缝合强度
水解性
耐折牢度
5.4外观检验
5.4,1外观要求
干摩擦
湿摩擦
汗液摩擦
试样尺寸(长×宽)/(mm×mm)200×30
200×30
200×30
200×30
200X30
200×30
120×40
220×60
外圆100mm内孔8mm
60×60
见附录B
10×10
70×45
在自然光下或色温D65的标准日光灯光源下自测。QB/T4120-2010
数量/片
5.4.2按GB/T3978一2008和GB/T3979-2008,采用积分球式分光光度计,选用漫射/垂直的D65光源,测试试样与标准样品的AElab(CIELab)值。5.5拉伸负荷和断裂伸长率
试验及试验结果按GB/T8949一2008中5.7的规定进行。5.6撕裂负荷的测试
试验及试验结果按GB/T8949一2008中5.8的规定进行。5.7剥离负荷
试验及试验结果按GB/T8949一2008中5.9的规定进行5.8表面颜色牢度
5.8.1干摩擦
按GB/T3920—2008的规定测定。5.8.2湿摩擦
将白棉布浸入蒸馏水中10min后,按GB/T3920一2008的规定测定。5.8.3汗液磨擦
QB/T4120-2010
按QB/T1646一2007汗液配制方法,将白棉布浸入人造汗液中10min后,:按GB/T3920一2008的规定进行。
5.9缝合强力
试验及试验结果按附录B的规定测定。5.10耐黄变性
试验及试验结果按QB/T2888一2007中附录B的规定进行。其中试验箱温度为23土2)℃,照射时间为3h。
5.11耐磨性
按QB/T2726一2005的规定进行试验,其中荷重为500g,选用H-18磨头,旋转次数设定为200转,试验后以2块试样的最差结果为判定结果。5.12颜色迁移性
按GB/T3903.42一2008规定的方式,裁同类型的不同颜色试样各1块,尺寸为60mm×60mm,面对面叠合后放置在平板玻璃上,然后加上质量为3kg的码,放入(50土2)℃的烘箱中12h,取出试样与空白样对比,查看最深颜色迁移的部位,试验结果按GB/T251一2008的规定评定等级。5.13耐水解性
按QB/T2888一2007中附录A的A.1规定进行,观察产品表面状态。5.14耐折牢度
按QB/T2714~2005的规定进行。
5.15安全要求
5.15.1甲醛
按GB/T19941-2005的规定测定。5.15.2禁用偶氮染料
按GB/T19942—2005和GB/T233442009的规定测定。5.15.3六价铬
按GB/T22807一2008的规定测定。5.15.4汞(可萃取量)
按GB/T22930一2008的规定测定。5.15.5总铅
按GB/T22930一2008的规定测定。5.15.6总镐
按GB/T22930一2008的规定测定。5.15.7五氟苯酚
按GB/T22808一2008的规定测定。6检验规则
产品以批为单位进行验收,同一原料,同一配方,同一工艺生产的产品为一批,每批不超过15000m。6.2出厂检验
检验项目为4.1、4.2、和4.3中的1、2、3、4、5、6、7、11项目。6.3型式检验
型式检验项目为第4章中的全部项目。有下列情况之一时应进行型式检验。a)新产品或老产品转厂生产的试制鉴定;b)正常生产24个月时;
c)停产六个月再生产;
d)出厂检验结果与上次型式检验较大差异时;e)正式生产后,材料、工艺有较大改变时。6.4抽样
QB/T4120-2010
规格和外观的检验采用GB/T2828.1一2003中的一般检验水平I,一次正常抽样方案,接收质量限AQL为6.5,具体见表8。
表8抽样表
批量范围/卷
16~25
26~50
51~90
91~150
151~280
281~500
6.5判定规则
6.5.1样本单位和项目判定
样本大小/卷
接收质量限AQL=6.5
接收数 Ac
单位为卷
拒收数Re
规格及外观以卷为样本单位,分别按4.1和4.2的规定进行检验,检验结果如符合6.4的规定,则判规格和外观为合格。
在规格及外观合格的样本中任取一卷用于理化性能和安全要求检验,若有不合格项,应在原批中重新双倍取样,对不合格项进行复检,复检结果若全部合格,则判合格。6.5.2合格批次的判定
检验结果全部项目合格,则判该批产品合格。若有不合格项,则判该批产品为不合格。7标志、包装、运输、购存
7.1标志
每卷产品包装物上应有标志,标志应有下列内容:a)制造厂名称、地址;
b)产品名称、类别及本标准编号;c)产品规格(厚度、宽度、长度)、颜色、花纹等;d)生产日期及生产批号:
e)商标;
f)检验员代号和合格证;
g)防压、防潮等标志。
7.2包装
产品一般用卷芯卷成整齐圆卷,用塑料包装袋或收缩膜或纸制包装物包装。7.3运输
QB/T41202010
产品运输中需防潮、防尖利器物损伤、防暴晒;轻装轻放,保持包装完整。7. 4购存
产品应贮存在库房内,应防潮、防霉、远离热源、防止挤压。产品自生产之日起,贮存期为不超过12 个月。
24种被禁芳香胺名称见表A.1。
(规范性附录)
24种被禁芳香胺
124种被禁芳香胺名称
4-氨基联苯(4-Aminodiphenyl)联苯胺(Benzidine)
芳香胺名称
4-氯邻甲苯胺(4-Chloro-0-toluidine)2-萘胺(2-Naphthylamine)
邻氨基偶氮甲苯(o-Aminoazotoluene)2-氨基-4-硝基甲苯(2-Amino-4-nitrotolucne)对氛苯胺(p-Chloroaniline)
2,4-二氨基苯甲醚(2,4-Diaminoanisole)4,4'-二氨基二苯甲烷(4,4'-Diaminodiphenylmethane)3,3'-二氯联苯胺(3,3'-Dichlorobenzidine)3,3'-二甲氧基联苯胺(3,3-Dimethoxybenzidine)3,3-二甲基联苯胺(3,3\-Dimethylbenzidine)3,3'-二甲基-4,4'-二氨基二苯甲烷(3,3'-Dimethyl-4,4'-Diaminodiphenylmethane)3-氨基对甲苯甲醚(p-克利)(p-Cresidine)4,4'-次甲基-双-(2-氯苯胺)(4,4'-Methylene-bis-(2-Chloroaniline))4,4'-二氨基二苯醚(4,4'-Oxydianiline)4,4'-二氨基二苯硫醚(4,4'-Thiodianiline)邻甲苯胺(2-Toluidine)
2,4-二氨基甲苯(2,4-Toluylenediamine)2,4,5-三甲基苯胺(2,4,5-Trimethylaniline)邻甲氧基苯胺(邻氨基苯甲醚)(o-Anisidine)2,4-二甲基苯胺(2,4-Xylidine)2,6-二甲基苯胺(2,6-Xylidine)4-氨基偶氨苯(p-aminoazobenzene)QB/T 4120-2010
化学文摘编号
92-67-1
92-87-5
95-69-2
91-59-8
97-56-3
99-55-8
106-47-8
615-05-4
101-77-9
91-94-1
119-90-4
119-93-7
838-88-0
120-71-8
101-14-4
101-80-4
139-65-1
95-53-4
95-80-7
137-17-7
90-04-0
95-68-1
87-62-7
60-09-3
小提示:此标准内容仅展示完整标准里的部分截取内容,若需要完整标准请到上方自行免费下载完整标准文档。