首页 > 其他行业标准 > QB/T 4195-2011运动鞋用聚氨酯合成革
QB/T 4195-2011

基本信息

标准号: QB/T 4195-2011

中文名称:运动鞋用聚氨酯合成革

标准类别:其他行业标准

英文名称:Polyurethane synthetic leather for sports shoes

标准状态:现行

发布日期:2011-06-15

实施日期:2011-10-01

出版语种:简体中文

下载格式:.pdf .zip

相关标签: 运动鞋 聚氨酯 合成革

标准分类号

标准ICS号:纺织和皮革技术>>纺织产品>>59.080.40涂覆织物

中标分类号:轻工、文化与生活用品>>皮革加工与制品>>Y47人造革、合成革

关联标准

出版信息

出版社:中国轻工业出版社

页数:12页

标准价格:16.0

出版日期:2011-10-01

相关单位信息

起草单位:晋江市天守服装织造有限公司

归口单位:全国塑料制品标准化技术委员会

发布部门:中华人民共和国工业和信息化部

标准简介

本标准规定了运动鞋用聚氨酯合成革的分类、要求、试验方法、检验规则以及标志、包装、运输、贮存。 本标准适用于以布基、聚氨酯树脂等为主要原料,经湿法、干法加工而制成的运动鞋用聚氨酯合成革。


标准图片预览

QB/T 4195-2011运动鞋用聚氨酯合成革
QB/T 4195-2011运动鞋用聚氨酯合成革
QB/T 4195-2011运动鞋用聚氨酯合成革
QB/T 4195-2011运动鞋用聚氨酯合成革
QB/T 4195-2011运动鞋用聚氨酯合成革

标准内容

ICS59.080.40
分类号:Y47
备案号:32262-2011
中华人民共和国轻工行业标准
QB/T4195-2011
运动鞋用聚氨酯合成革
Polyurethane synthetic leather for sports shoes2011-06-15发布
中华人民共和国工业和信息化部发布
2011-10-01实施
本标准由中国轻工业联合会提出。前言
本标准由全国塑料制品标准化技术委员会归口。QB/T4195-2011
本标准起草单位:普江天守服装织造有限公司、福建兰峰制革有限公司、安徽安利合成革股份有限公司、福建大帝实业有限公司、浙江禾欣实业集团股份有限公司、无锡双象超纤材料股份有限公司、昆山协孚人造皮有限公司、泉州万华世旺超纤有限公司。本标准主要起草人:黄振添、施建平、赖友河、周文赞。1范围
运动鞋用聚氨酯合成革
QB/T4195-2011
本标准规定了运动鞋用聚氨酯合成革的分类、要求、试验方法、检验规则及标志、包装、运输、贮存。
本标准适用于以布基、聚氮酯树脂等为主要原料,经湿法、干法加工而制成的运动鞋用聚氨酯合成革。
2规范性引用文件
下列文件对于本文件的应用是必不可少的。凡是注日期的引用文件,仅注日期的版本适用于本文件。凡是不注日期的引用文件,其最新版本(包括所有的修改单)适用于本文件。GB/T250一2008纺织品色牢度试验评定变色用灰色样卡GB/T251一2008纺织品色牢度试验评定沾色用灰色样卡GB/T2828.1一2003计数抽样检验程序第1部分:按接受质量限(AQL)检索的逐批检验抽样计划
GB/T2918—1998
GB/T8949—2008
GB/T3920—2008
QB/T1646-2007
QB/T2888—2007
QB/T2710-2005
QB/T2726-2005
HG/T3689-2001
3分类
塑料试样状态调节和试验的标准环境聚氨酯干法人造革
纺织品色牢度试验耐摩擦色牢度聚氨酯合成革
聚氨酯束状超细纤维合成革
皮革物理和机械试验抗张强度和伸长率的测定皮革物理和机械试验耐磨性能的测定鞋类耐黄变试验方法B法
产品按用途共分二类,见表1。
表1产品分类
4要求
4.1产品厚度及极限偏差、宽度及极限偏差应符合表2规定,
普通鞋面用
高剥离艳面用
高刹离耐水解鞋面用
鞋舌、反口领用
QB/T4195-2011
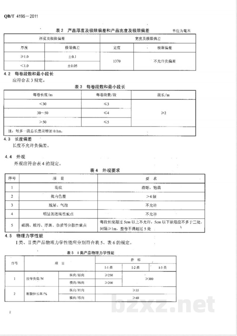
表2产品厚度及极限偏差和产品宽度及极限偏差厚度及极限偏差
极限偏差
每卷段数和最小段长
应符合表3规定。
表3每卷段数和最小段长
每卷长度/m
注:每多段总长度应增加0.1m。4.3长度偏差
长度不允许负偏差。
4.4外观
外观应符合表4的规定。
批内色差
脱层、气泡
明显的连续性瓶点
被洞、赃污、浮斑、杂质等分散性疵点物理力学性能
每卷段数/段
表4外观要求
宽度及极限偏差
单位为毫米
极限偏差
不允许负偏差
段长/m
清晰,泡满
不允许
不允许
每段长度超过5cm以上不允许,5cm以下缺陷应不多于三处,间隔≥1,整卷不得超过5处
I类、Ⅱ类产品物理力学性能应分别符合表5、表6的规定,表5【类产品物理力学性能
拉伸负荷/N
断裂长率/%
纵向/经向
横向/纬向
纵向/经向
横向/纬向
I-1类
I-2类
1-3类
撕裂负荷/N
剥离负荷/N
项破强度/MPa
耐折牢度
耐摩擦色年度/级
耐黄变性/级
耐磨耗性
耐皱褶性/级
透水气性/(mg/cm2-h)
柔软度/mm
耐热黏着性/级
耐水解性-水解后剥
离强度/(N/3cm)
表5(续)
纵向/经向
横向/纬向
纵向/经向
横向/纬向
23℃,20万次
-15℃,6万次
干摩擦
湿摩擦
纵向/经向
横向/纬向
注1.耐黄变性只考核白色产品,浅色产品由供需双方协商决定。注2.绒面产品耐磨擦色牢度由供需双方协商决定。注3.镜面产品耐黄变由供需双方协商决定。I-1类
表6川类产品物理力学性能
鞋舌用
定负荷伸长率/%
渐裂负核/N
项破强度/MPa
耐折牢度
纵向/经向
横向/纬向
纵向/经向
横向/纬向
-15℃,4万次
耐水解性-水解后表面状态
无裂纹
1-2类
无裂口
≥3~4
无裂口
QB/T4195-2011免费标准下载网bzxz
I-3类
淤层未磨穿
反口领用
表面无龟裂不脱层
QB/T4195-2011
耐磨耗性
柔软度/mm
耐摩擦色牢度/级
耐黄变/级
干摩擦
湿摩擦
非镜面产品
镜面产品
表6(续)
鞋舌用
注:耐黄变性只考核白色产品,浅色产品部由供需双方协商决定。5试验方法
5.1试样的裁取
涂层未磨穿
≥3~4
≥>3~4
≥3~4
反口领用
从产品上沿纵向裁取1m作为物理力学性能的样品,样品横向两端各除去宽50mm后制备试样,试样尺寸及数量见表7。
表7试样尺寸及数量
试样名称
拉伸负荷及断裂伸长率
定负荷伸长率
撕裂负荷
剥离负荷
顶破强度
耐折牢度
耐摩擦色牢度
耐黄变性
耐磨耗性
耐皱褶性
纵向/经向
横向/纬向
纵向/经向
纵向/经向
横向/纬向
纵向/经向
横向/纬向
纵向/经向
横向/纬向
试样尺寸(长×宽)/(mmxmm)200x30
200×30
110x25
110×25
150×30
150×30
150×30
150×30
100×100
70×45
70×45
140×50
140×50
62×12
外径108mm内径412mm
70×65
70×65
数量/片
透水气性
柔软度
耐热黏着性
耐水解性
试样名称
5.2试样状态调节和试验的环境
表7(续)
试样尺寸(长×宽)/(mm×mm)57mm
100×100
60×60
100x30
QB/T4195-2011
数量/片
按照GB/T2918一1998的规定,在温度(23土2)℃、相对湿度(50土10)%的标准环境与一般偏差范围进行试样状态调节,时间不少于4h,并在此条件下进行试验。5.3规格
5.3.1厚度
按GB/T8949一2008中5.3的规定进行试验。5.3.2宽度
按GB/T8949--2008中5.4的规定进行试验。5.3.3长度
按GB/T8949--2008中5.5的规定进行试验。5.4外观(外观质量、花纹和颜色)在自然光下或乳白色荧光灯下进行目测,其中色差按GB/T250一2008的规定执行。5.5拉伸负荷及断裂伸长率
拉伸负荷及断裂伸长率按GB/T8949一2008中5.7的规定进行试验。5.6定负荷伸长率
定负荷伸长率按QB/T2710一2005中6.3的规定进行试验,规定负荷为20N;取三个试样结果的算术平均值。
5.7撕裂负荷
撕裂负荷按GB/T8949一2008中5.8的规定进行试验。5.8剥离负荷
剥离负荷按GB/T8949-2008中5.9规定进行试验。5.9顶破强度
按GB/T8949一2008中的5.15规定进行试验。5.10耐折牢度
按QB/T1646一2007的规定进行试验。分别将两组试样在(23土2)℃折叠20万次和(-15±1)折叠6万次,然后观察受折部位表、里两部分的变化情况。5.11耐摩擦色牢度
耐摩擦色牢度干摩擦、湿摩擦按GB/T3920-2008规定进行试验。按GB/T251一2008判定色差等级。
5.12耐黄变性
按HG/T3689-2001中方法B的规定进行试验,照射试验时间为3h,按GBT250一2008判定等级。5.13耐磨耗性
5.13.1类产品耐磨耗性
按QB/T2726-2005的规定进行试验,其中荷重为1kg、选择H-22.磨轮、转数400转,试验后观察产品表面涂层是否磨穿而露出布基。5
QB/T4195-2011
5.13.2II类产品耐磨耗性
按QB/T_2726--2005的规定进行试验,其中荷重为500g、选择H-18磨轮、转数100转速度60,试验后观察产品表面涂层是否磨穿而露出布基。5.14耐皱褶性
5.14.1试验仪器
出若干对V形夹具组成,每对夹具的轴线在同一直线上。每个V形夹具的夹角为40°土1°,其顶端是半径为:(6.4土0.5)mm的圆弧形。每对夹具中的一个能进行往复运动(见图1),常温条件下的往复频率为(5士0.5)Hz,-5℃低温时的往复频率为(1.5土0.2)Hz。每对夹具在分开时相距(28.5土2.5)mm,靠近时相距(9.5土1.0)mm。动夹具的行程为(19土1.5)mm。说明:
1——静夹具;
动来具:
试样。
图1耐折装置示意图
5.14.2试验步骤
a)裁取尺寸大小为70mmx65mm的试样纵、横向各2片:b)将届挠仪的夹具调到距离最大位置,然后将试片装在夹具里夹紧。试片外层要朝外对称定位试片的长度方向要平行于夹具轴线,试片两半部的边缘要在同一水平面上;c)采用手动微调耐折机让对应夹具合拢,检查每个试片折叠时是否有一条向单对称的横跨试片的皱褶,且该皱褶被一个由四条向外的折皱形成的菱形所环绕。装配完毕后关闭机箱;d)调整仪器试验温度23℃±2℃,设定屈挠次数为5000次,并将计数器清零,启动仪器开始试验。5.14.31试验结果的判定
1级:无褶痕。
,略有褶痕,但不明显。
轻微褶痕。
有较深褶痕。
褶痕严重。
5.15透水气性
按QB/T1646一2007中5.12的规定进行试验。5.16柔软度
5.16.1试验仪器
5.16.1.1测试仪如图2所示,包括如下部分:1)圆孔A:吉径(35.0±0.1)mms2)测试环:能够适应孔A,并可选择直径为(25.0士0.1)mm测试环:QB/T4195-2011
3)夹盘B:能够使试样在负荷针被释放前保持稳定性,当达到最小力量时,剩下的部分通过孔自由移动:
4)圆柱负荷针C:直径(4.9士0.1)mm,长(11.5±0.1)mm,中牢地固定在圆柱形D上,负荷针和圆柱的总质量应在(530土10)g范围内;5)负荷针的定向:要让负荷针垂直于皮革表面,并且负荷针的垂直行程应限制在(11.5士0.1)mm;6)压下负荷针的方法:负荷针在(1.5±0.1)s内到移动到最大位移(11.5土0.1)mm;7)仪表:精确到0.1mm,通过仪表指针直接测量出皮革的膨胀程度。5.16.1.2圆形零位较推圆片:最小直径为60mm。5.16.1.3秒表。
A—圆孔:B—夹盘:C-圆柱负荷图2柔软度测试仪示意图
5.16.2步骤
a)裁取100mm×100mm试样3片;b)采用直径为2.5mm的测试环:c)将圆形金属片置于圆型效准盘上,先用左手压下前端操作杆,再用石手压下主体横杆,然后松开右手,左手以平稳的速度松开,使指针平稳地压在圆型金属片上,随后将仪表指针归零;d)将试样正面朝上置于夹盘上,使指针平稳地压在试样表面上10s时读取仪表指针读数。5.16.3试验结果
记录柔软度,精确至0.1mm,取3个试样的算术平均值。5.17耐热黏着性
按GB/T8949-2008中5.11的规定进行试验。5.18耐水解性
5.18.11类产品耐水解性-水解后剥离强度按QB/T2888-2007附录A中A.2的规定进行试验,试验后按5.8规定进行产品剥离负荷试验。5.18.2I1类产品耐水解性-水解后表面状态按QB/T2888一2007附录A中A.2的规定进行试验:试验后观察产品表面有无龟裂和脱层现象。7
QB/T4195-2011
6检验规则
6.1组批
产品以批为单位进行验收,同原料、同配方、同工艺、同类别、同厚度连续生产的不超过10000m产品为一批。
6.2出厂检验
出厂检验项目为表2、表3、表4、表6的全部项目及除表5中的10、11、13以外的全部项目。6.3型式检验
型式检验项目为第4章的全部技术要求。有下列情况之一时,应进行型式检验。a)新产品或老产品转厂生产的试制鉴定;b)正式生产后,结构、材料、工艺有重大改变,可能影响产品性能时;c)正常生产六个月以上时;
d)停产六个月再生产,恢复生产时:e)出厂检验结果与上此次型式检验较大差异时。6.4抽样
规格和外观的检验采用GB/T2828.1一2003中规定的一般检查水平I,次正常抽样方案,物理力学性能检验以批为单位,在每批中随机抽取一卷进行检验。表8抽样表
批量范围/卷
91~150
151~280
281~500
6.5判定规则
6.5.1合格项的判定
样本大小/卷
接收数 Ac
接收质量限AQL=6.5
拒收数Re
6.5.1.1规格、外观以卷为样本单位,分别按4.1、4.2的规定进行检验,样本单位的检验结果若符合表8的规定,则判规格、外观合格。6.5.1.2从6.5.1.1检验合格的样品中随机抽取一卷检验物理力学性能,结果中若有不合格项,在原批中重新双倍取样,对不合格项进行复验,复验结果若全部合格,则判物理力学性能合格。6.5.2合格批的判定
检验结果若全部项目合格,则判该批产品合格。若有不合格项,则判该批产品为不合格。7标志、包装、运输、存
7.1标志
每卷产品应有合格标志,包装上应有下列标志:a)生产厂名称及地址;
b)产品名称及本标准编号:
C)产品类别规格(厚度、宽度、长度、颜色、花纹等);d)商标:
e)检验员代号:
f)生产日期及生产批号:
g)防压、防潮等标志:
h)保质期或购存期。
7.2包装
用塑料袋、热收缩膜或根据用户要求包装。7.3运输
产品运输中要轻装轻放,勿日晒雨淋,保持包装完整。7.4贮存
QB/T4195-2011
产品贮存在空气流通的库房内,应防潮、防晒、防挤压、防莓、远离热源。产品自生产之日起,存期不超过12个月。
小提示:此标准内容仅展示完整标准里的部分截取内容,若需要完整标准请到上方自行免费下载完整标准文档。