首页 > 其他行业标准 > FZ/T 52032-2014导电锦纶短纤维
FZ/T 52032-2014

基本信息

标准号: FZ/T 52032-2014

中文名称:导电锦纶短纤维

标准类别:其他行业标准

英文名称:conductive polyamide staple fiber

标准状态:现行

发布日期:2014-05-06

实施日期:2014-10-01

出版语种:简体中文

下载格式:.pdf .zip

相关标签: 导电 锦纶 短纤维

标准分类号

标准ICS号:纺织和皮革技术>>纺织纤维>>59.060.20人造纤维

中标分类号:纺织>>化学纤维>>W52化学纤维

关联标准

出版信息

出版社:中国标准出版社

页数:16页

标准价格:18.0

出版日期:2014-10-01

相关单位信息

起草人:许志强、王春梅、周祯德、焦红娟

起草单位:凯泰特种纤维科技有限公司、上海市纺织工业技术监督所、北京中纺优丝特种纤维科技有限公司

归口单位:上海市纺织工业技术监督所

提出单位:中国纺织工业联合会

发布部门:中华人民共和国工业和信息化部

主管部门:上海市纺织工业技术监督所

标准简介

本标准规定了导电锦纶6短纤维的产品分类、技术要求、试验方法、检验规则和包装、标志、运输和储存要求。 本标准适用于线密度为2.8dtex~5.6dtex的圆形截面、黑色的碳黑导电锦纶6短纤维其它规格及类型的导电锦纶短纤维可参照使用。
本标准按照GB/T1.1—2009给出的规则起草。
本标准由中国纺织工业联合会提出。
本标准由上海市纺织工业技术监督所归口。
本标准起草单位:凯泰特种纤维科技有限公司、上海市纺织工业技术监督所、北京中纺优丝特种纤维科技有限公司。
本标准主要起草人:许志强、王春梅、周祯德、焦红娟。
下列文件对于本文件的应用是必不可少的。凡是注日期的引用文件,仅注日期的版本适用于本文件。凡是不注日期的引用文件,其最新版本(包括所有的修改单)适用于本文件。
GB/T3291.1 纺织 纺织材料性能和试验术语 第1部分:纤维和纱线
GB/T3291.3 纺织 纺织材料性能和试验术语 第3部分:通用
GB/T4146.1 纺织品 化学纤维 第1部分:属名
GB/T4146.3 纺织品 化学纤维 第3部分:检验术语
GB/T6503 化学纤维 回潮率试验方法
GB/T6504 化学纤维 含油率试验方法
GB/T8170 数值修约规则与极限数值的表示和判定
GB/T14334 化学纤维 短纤维取样方法
GB/T14335 化学纤维 短纤维线密度试验方法
GB/T14336 化学纤维 短纤维长度试验方法
GB/T14337 化学纤维 短纤维拉伸性能试验方法
GB/T14338 化学纤维 短纤维卷曲性能试验方法
GB/T14339 化学纤维 短纤维疵点试验方法

标准图片预览

FZ/T 52032-2014导电锦纶短纤维
FZ/T 52032-2014导电锦纶短纤维
FZ/T 52032-2014导电锦纶短纤维
FZ/T 52032-2014导电锦纶短纤维
FZ/T 52032-2014导电锦纶短纤维

标准内容

ICS59.060.20
中华人民共和国纺织行业标准
FZ/T52032—2014
导电锦纶短纤维
conductivepolyamidestaplefiber2014-05-06发布
中华人民共和国工业和信息化部发布
2014-10-01实施
本标准按照GB/T1.1---2009给出的规则起草。本标准由中国纺织工业联合会提出本标准由上海市纺织工业技术监督所归口。FZ/T52032—2014
本标准起草单位:凯泰特种纤维科技有限公司、上海市纺织工业技术监督所、北京中纺优丝特种纤维科技有限公司。
本标准主要起草人:许志强、王春梅、周祯德、焦红娟。1范围
导电锦纶短纤维
FZ/T52032—2014
本标准规定了导电锦纶6短纤维的术语和定义、产品标识、技术要求、试验方法、检验规则和标志、包装、运输、贮存的要求。
本标准适用于线密度为2.8dtex~5.6dtex的圆形截面、碳黑导电锦纶6短纤维。其他类型的导电短纤维可参照使用。
2规范性引用文件
下列文件对于本文件的应用是必不可少的。凡是注日期的引用文件,仅注日期的版本适用于本文件。凡是不注日期的引用文件,其最新版本(包括所有的修改单)适用于本文件。GB/T3291.1纺织纺织材料性能和试验术语第1部分:纤维和纱线GB/T3291.3
GB/T4146.1
GB/T4146.3
GB/T6503
GB/T6504
GB/T8170
GB/T14334
GB/T14335
GB/T14336
GB/T14337
GB/T14338
GB/T14339
3术语和定义
纺织材料性能和试验术语第3部分:通用纺织
纺织品
纺织品
化学纤维
化学纤维
化学纤维第1部分:属名
化学纤维第3部分:检验术语
回潮率试验方法
含油率试验方法
数值修约规则与极限数值的表示和判定化学纤维
化学纤维
化学纤维
化学纤维
化学纤维
化学纤维
短纤维取样方法
短纤维线密度试验方法
短纤维长度试验方法
短纤维拉伸性能试验方法
短纤维卷曲性能试验方法
短纤维疵点试验方法
GB/T3291.1、GB/T3291.3、GB/T4146.1和GB/T4146.3界定的以及下列术语和定义适用于本文件。
表面电阻
surfaceresistance
在试样的表面上的两电极间所加电压与在规定的电化时间里流过两电极间的电流之比,在两电极上可能形成的极化忽略不计。
表面电阻率surfaceresistivity在试样的表面层里的直流电场强度与线电流密度之比,即单位面积内的表面电阻。3.3
conductivepolyamide6stablefiber导电锦纶6短纤维
以聚已内酰胺为基材与碳黑导电性材料复合纺丝制成的短纤维FZ/T52032—2014
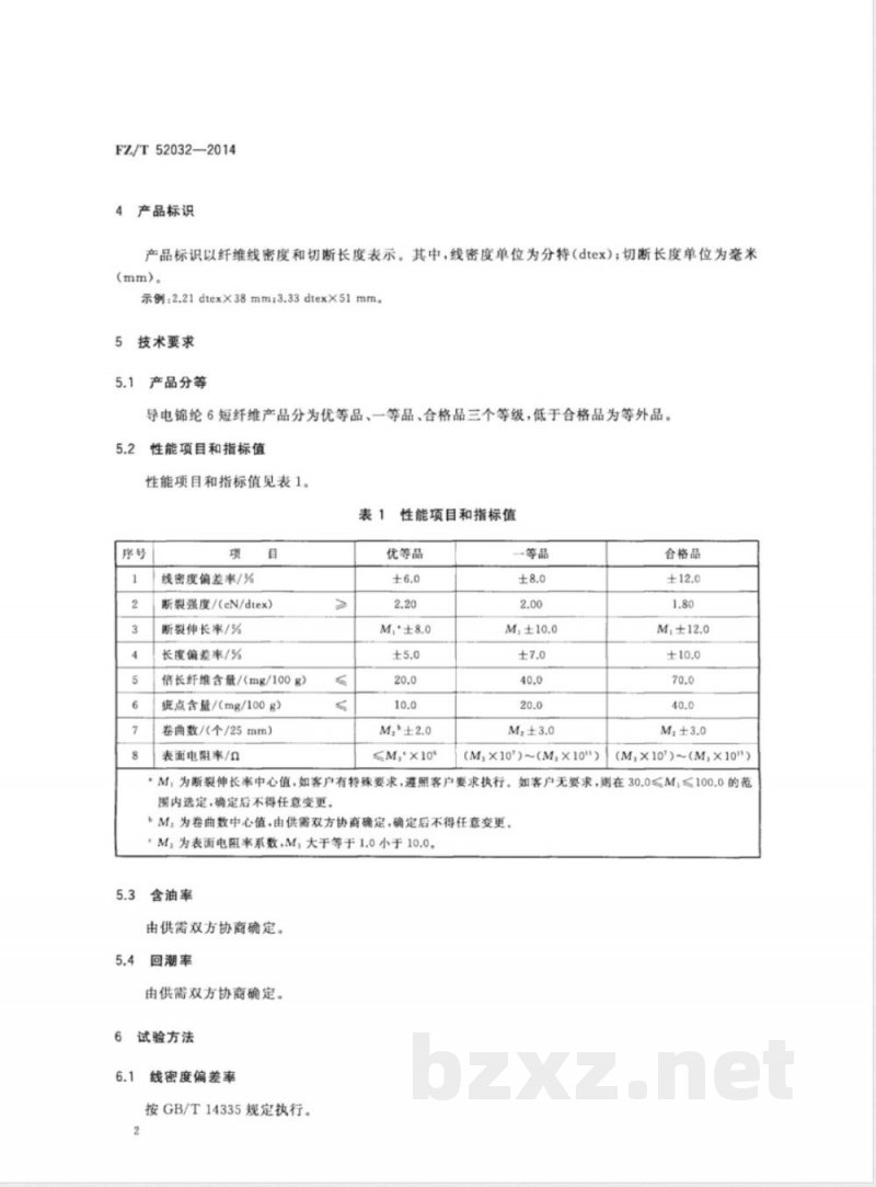
产品标识
产品标识以纤维线密度和切断长度表示。其中,线密度单位为分特(dtex);切断长度单位为毫米(mm)。
示例:2.21dtexX38mm;3.33dtexX51mm。5
技术要求
产品分等
导电锦纶6短纤维产品分为优等品、一等品、合格品三个等级,低于合格品为等外品。5.2
性能项目和指标值
性能项目和指标值见表1。
线密度偏差率/%
断裂强度/(cN/dtex)
断裂伸长率/%
长度偏差率/%
倍长纤维含量/(mg/100g)
瓶点含量/(mg/100g)
卷曲数/(个/25mm)
表面电阻率/n
性能项目和指标值
优等品
M,·±8.0bzxz.net
≤MX105
一等品
(MX10\)~(M,X10\)
合格品
(M,X10°)~(M,X10\)
·M,为断裂伸长率中心值,如客户有特殊要求,遵照客户要求执行。如客户无要求,则在30.0≤M,≤100.0的范围内选定,确定后不得任意变更。bM,为卷曲数中心值,由供需双方协商确定,确定后不得任意变更。M,为表面电阻率系数,M,大于等于1.0小于10.0。5.3
含油率
由供需双方协商确定。
回潮率
由供需双方协商确定。
试验方法
线密度偏差率
按GB/T14335规定执行。
2拉伸性能
断裂强度、断裂伸长率按GB/T14337规定执行。6.3长度
长度偏差率、倍长纤维含量按GB/T14336规定执行。症点含量
按GB/T14339规定执行。
卷曲数
仪器法
按GB/T14338规定执行。
手工法
照布镜(放大倍数3~5倍,测量距离25.4mm)、镊子、绒板等。6.5.2.2
试验条件
温度:(20士2)℃,相对湿度:(65士5)%。6.5.2.3
试验步骤
6.5.2.3.1按GB/T14334规定取出实验室样品。FZ/T52032—2014
2用镊子在实验室样品中,随机取出一根纤维,在不损伤卷曲的情况下将纤维平放在绒板上6.5.2.3.2
(绒板与纤维颜色成对比色),再把照布镜放到纤维上,使照布镜两边线与纤维轴向垂直。6.5.2.3.3通过放大镜读取25.4mm内的全部卷曲峰和卷曲谷个数。重复6.5.2.3.2~6.5.2.3.3,测试20根纤维。6.5.2.3.4
结果计算
卷曲数按式(1)计算,并按GB/T8170修约至一位小数。J。=
式中:
卷曲数,单位为个每二十五毫米(个/25mm);J,—
J,—各根纤维在25.4mm内的全部卷曲峰和卷曲谷个数。6.6表面电阻率
按附录A规定执行。
6.7含油率
按GB/T6504规定执行。
FZ/T52032-2014
回潮率
按GB/T6503规定执行。
质量差异的测定
6.9.1将批样品按GB/T14334规定得到包装件的净质量。6.9.2将实验室样品按GB/T6503规定得到实测回潮率。6.9.3对N个包装件质量差异的计算公式见式(2)~式(5):m,
1+R。
m=m,×
式中:
包装件平均净质量,单位为千克(kg);每个包装件净质量,单位为千克(kg);包装件数量;
包装件公定质量,单位为千克(kg);锦纶短纤维的公定回潮率,其值为4.5%;实测回潮率,%;
包装件平均净质量和公定质量的偏差率,%;包装件名义净质量和公定质量的偏差率,%;包装件名义质量,单位为千克(kg)。检验规则
检验项目
表1中所有项目均为考核项目,并按第6章规定的试验方法进行检验。组批规则
(5)
在一定范围内采用周期性取样组成检验批。一个生产批可由一个检验批或由若干个检验批组成。取样规定
性能项目的取样按GB/T14334中产品取样方法规定进行。综合评定
性能项目的测定值或计算值按GB/T8170中修约值比较法与表1中的极限值比较,逐项判定等4
级,以各项质量指标中最低的等级判定该批产品的等级。7.5
复验规则
7.5.1通则
FZ/T52032—2014
批产品到需方时应及时检查包装件的外包装、件数、质量与货单是否相符,如因运输、保管等原因影响品质时,应查明责任,由责任方负责。一批产品到收货方三个月内,对产品质量有异议时可提交复验。若该批产品的数量使用了三分之一以上时,不应申请复验。复验可在双方同意的任何一方进行,必要时可请仲裁检验机构按本标准要求取样、检验、仲裁。由于该批产品品质影响了后加工产品品质,并造成严重损失时,供需双方应分析原因、明确责任、协商处理。7.5.2
检验项目
同7.1。
取样规定
7.5.3.1性能项目试验按GB/T14334中包装件取样方法规定抽样检验,不得抽取在运输途中意外受潮、污染、擦伤或包装已经打开的包装件。7.5.3.2倍长纤维含量、疵点含量的试样量增加一倍。7.5.4组批规定
按原生产批组批。
7.5.5复验评定
产品综合等级的评定,按7.4评定,高于或等于原等级则判为符合,低于原等级则判为不符合。7.5.5.1
包装件平均净质量与公定质量的偏差率超过土0.5%,由供需双方协商确定。7.5.5.2
包装件名义质量与公定质量的偏差率超过士1%,由供需双方协商确定8标志、包装、运输、存
8.1标志
8.1.1包装件上应按规定的分类和命名标明产品名称、规格、等级、批号、净质量、生产日期、商标、产品标准编号、生产企业名称、地址以及产品防护、搬运的警示标志。8.1.2产品印刷标志应明显且不褪色,防止油、色渗人包内污染纤维。8.2包装
产品包装保持包型完整,纤维不外露。包装的质量应保证纤维不受损伤。8.2.2不同规格、批号、类别的导电锦纶短纤维应分别包装。3产品包装应用塑料带、钢带或其他具有一定强度的打包带紧固。8.2.3
非定重产品每包装件质量与同批定重产品名义质量的差异建议不超过土5%。FZ/T52032—2014
运输和装卸时应按产品警示标志规定执行,采取相应防范措施,防止产品受潮、曦晒、污染和受损,严禁抛挪。
8.4贮存
包装件按批堆放,贮存在通风、干燥、清洁的仓库内,不应靠近火源、热源,避免阳光直射。6
A.1范围
附录A
(规范性附录)
导电锦纶短纤维表面电阻率试验方法本附录规定了导电锦纶6短纤维表面电阻率试验方法。本附录适用于导电锦纶6短纤维。其他类型的导电短纤维可参照使用。A.2
2原理
FZ/T52032—2014
通过测量流经试样表面层的稳定直流电流(I)和试样两端的电压(U),根据欧姆定律即R=U/I,得到试样的表面电阻,计算出试样的表面电阻率。A.3
仪器及装置
超高阻、微电流测量仪
A.3.1.1.1
A.3.1.1.2
屏蔽罩;
三个独立的电极(见图1):
圆柱形测量电极;
圆环电极;
圆盘电极。
应有稳定的直流电压源。可用蓄电池或一个整流稳压的电源来提供。最常用的电压是100V,500V,1000V。在测试时可以选择测试电压,但在测试报告中应注明。A.3.1.3技术指标
A.3.1.3.1电阻测量范围:1×10*α~1×10*2。2电流测量范围:2×10-4A~1×10-16A。A.3.1.3.2
3测量精度:电阻≤10°Q时,为5%;电阻≤101°2时,为12%;电阻≤10\4Q时,为15%。A.3.1.3.3
分度值0.01g。
FZ/T52032—2014
说明:
圆柱形测量电极;
圆环电极;
试样;
圆盘电极;
圆柱测量电极直径;
圆环电极内径;
圆环电极外径;
圆盘电极直径;
电极间隙;
试样厚度。
调湿与试验大气条件
图1三电极装置示意图
调湿和试验用大气的环境条件为:温度(20士2)℃,相对湿度(35士5)%。注:如果在非规定的温湿度条件下测试,应在报告中注明。A.5
测试步骤
按GB/T14334规定,取出实验室试验样品。A.5.1
按A.4对试验样品进行调湿处理。从已平衡调湿的样品中,随机称取2.5g纤维(精确到0.01g)各五份,备作测试用。仲裁时,试A.5.3
样数量加倍,取十份。
FZ/T52032—2014
A.5.4将2.5g纤维经手工开松,制成厚度均匀的一定尺寸的试样饼,尺寸略大于圆环电极直径。A.5.5将超高阻、微电流测量仪电压开关置于选择的施加电压档位,打开仪器电源,看电流示值是否为零。如示值不为零,小心旋动调零旋钮使示值归零,关掉电源。A.5.6将试样饼置于屏蔽罩内的圆盘电极上,在试样饼中间压上圆柱电极、圆环电极,圆柱电极与圆环电极应同心。按图2所示方法接线(夹上接线夹),盖上屏蔽箱上盖。③
说明:
①——圆柱形测量电极(被保护电极);②-圆环电极(不保护电极);
③—圆盘电极(保护电极)。
图2使用保护电极测量表面电阻的基本线路A.5.7打开电源,调整电阻量程旋钮档位直至出现有效电阻示值,电化1min后读数记录,该数值即为纤维的表面电阻。
A.5.8打开屏蔽箱上盖,将电阻量程旋钮驳回最低档,取下接线夹至电阻示值为零。A.5.9关闭电源。
重复A.5.4~A.5.9,测试余下四块试样饼。A.6
结果计算
A.6.1表面电阻率按式(A.1)计算:P,=R,×
P=(d,+g)
式中:
P,——表面电阻率,单位为欧姆(α);R,—A.5.7测得的表面电阻,单位为欧姆(αQ);P---被保护电极的有效周长,单位为米(m);g——两电极之间的距离,单位为米(m);d,-一圆柱测量电极直径,单位为米(m)。(A.1)
..(A.2)
A.6.2计算五块试样饼表面电阻率的算术平均值作为最终结果。最终试验结果用a×10的形式表示,其中1.0A.6.3试验报告
试验报告应包括下列内容:
a)标准编号;
小提示:此标准内容仅展示完整标准里的部分截取内容,若需要完整标准请到上方自行免费下载完整标准文档。