首页 > 其他行业标准 > FZ/T 52035-2014抗菌涤纶短纤维
FZ/T 52035-2014

基本信息

标准号: FZ/T 52035-2014

中文名称:抗菌涤纶短纤维

标准类别:其他行业标准

英文名称:Antibacterial polyester staple fiber

标准状态:现行

发布日期:2014-07-09

实施日期:2014-11-01

出版语种:简体中文

下载格式:.pdf .zip

相关标签: 抗菌 涤纶 短纤维

标准分类号

标准ICS号:纺织和皮革技术>>纺织纤维>>59.060.20人造纤维

中标分类号:纺织>>化学纤维>>W52化学纤维

关联标准

出版信息

出版社:中国标准出版社

页数:12页

标准价格:16.0

出版日期:2014-11-01

相关单位信息

起草人:冯忠耀、孔彩珍、王丽莉、赵付平、陈培

起草单位:上海德福伦化纤有限公司、上海市纺织工业技术监督所、中国石化仪征化纤股份有限公司

归口单位:上海市纺织工业技术监督所

提出单位:中国纺织工业联合会

发布部门:中华人民共和国国家质量监督检验检疫总局 中国国家标准化管理委员会

标准简介

本标准规定了抗菌涤纶短纤维产品的术语和定义、分类和标识、技术要求、试验方法、检验规则和标志、包装、运输和贮存的要求。 本标准适用于添加以银离子为主要抗菌成分的抗菌剂,名义线密度 0.9 dtex~3.2 dtex,圆形截面、十字异形截面,半消光,本色,非填充用抗菌涤纶短纤维。其它抗菌剂、规格或类型的抗菌涤纶短纤维可参照使用。
本标准按照 GB/T1.1—2009给出的规则起草。
本标准由中国纺织工业联合会提出。
本标准由上海市纺织工业技术监督所归口。
本标准起草单位:上海德福伦化纤有限公司、上海市纺织工业技术监督所、中国石化仪征化纤股份有限公司。
本标准主要起草人:冯忠耀、孔彩珍、王丽莉、赵付平、陈培。
下列文件对于本文件的应用是必不可少的。凡是注日期的引用文件,仅注日期的版本适用于本文件。凡是不注日期的引用文件,其最新版本(包括所有的修改单)适用于本文件。
GB/T3291.1 纺织 纺织材料性能和试验术语 第1部分:纤维和纱线
GB/T3291.3 纺织 纺织材料性能和试验术语 第3部分:通用
GB/T4146.1 纺织品 化学纤维 第1部分:属名
GB/T4146.3 纺织品 化学纤维 第3部分:检验术语
GB/T6503 化学纤维 回潮率试验方法
GB/T6504 化学纤维 含油率试验方法
GB/T8170 数值修约规则与极限数值的表示和判定
GB/T14190 纤维级聚酯切片(PET)试验方法
GB/T14334 化学纤维 短纤维取样方法
GB/T14335 化学纤维 短纤维线密度试验方法
GB/T14336 化学纤维 短纤维长度试验方法
GB/T14337 化学纤维 短纤维拉伸性能试验方法
GB/T14338 化学纤维 短纤维卷曲性能试验方法
GB/T14339 化学纤维 短纤维疵点试验方法
GB/T14342 合成短纤维比电阻试验方法
GB/T20944.3 纺织品 抗菌性能的评价 第3部分:振荡法
FZ/T50002 化学纤维异形度试验方法
FZ/T50004 涤纶短纤维干热收缩率试验方法

标准图片预览

FZ/T 52035-2014抗菌涤纶短纤维
FZ/T 52035-2014抗菌涤纶短纤维
FZ/T 52035-2014抗菌涤纶短纤维
FZ/T 52035-2014抗菌涤纶短纤维
FZ/T 52035-2014抗菌涤纶短纤维

标准内容

ICS 59.060.20
中华人民共和国纺织行业标准
FZ/T52035—2014
抗菌涤纶短纤维wwW.bzxz.Net
Antibacterial polyester staple fiber2014-07-09发布
中华人民共和国工业和信息化部发布
2014-11-01实施
本标准按照GB/T1.1一2009给出的规则起草本标准由中国纺织工业联合会提出本标准由上海市纺织工业技术监督所归口,FZ/T52035—2014
本标准起草单位:上海德福伦化纤有限公司、上海市纺织工业技术监督所、中国石化仪征化纤股份有限公司。
本标准主要起草人:冯忠耀、孔彩珍、王丽莉、赵付平、陈培。1范围
抗菌涤纶短纤维
FZ/T52035—2014
本标准规定了抗菌涤纶短纤维产品的术语和定义、分类和标识、技术要求、试验方法、检验规则和标志、包装、运输、贮存的要求。本标准适用于添加以银离子为主要抗菌成分的抗菌剂,名义线密度0.9dtex~3.2dtex,圆形截面、十字异形截面,半消光,本色,非填充用抗菌涤纶短纤维。其他抗菌剂、规格或类型的抗菌涤纶短纤维可参照使用。
规范性引用文件
下列文件对于本文件的应用是必不可少的。凡是注日期的引用文件,仅注日期的版本适用于本文件。凡是不注日期的引用文件,其最新版本(包括所有的修改单)适用于本文件。GB/T3291.1
GB/T3291.3
GB/T 4146.1
GB/T4146.3
GB/T6503
GB/T6504
GB/T 8170
GB/T14190
GB/T14334
GB/T14335
GB/T14336
GB/T14337
GB/T14338
GB/T14339
GB/T14342
纺织纺织材料性能和试验术语第1部分:纤维和纱线纺织材料性能和试验术语第3部分:通用纺织
纺织品
纺织品
化学纤维
化学纤维
化学纤维第1部分:属名
化学纤维第3部分:检验术语
回潮率试验方法
含油率试验方法
数值修约规则与极限数值的表示和判定纤维级聚酯切片(PET)试验方法化学纤维
短纤维取样方法
化学纤维
化学纤维
短纤维线密度试验方法
短纤维长度试验方法
化学纤维
短纤维拉伸性能试验方法
化学纤维
短纤维卷曲性能试验方法
短纤维疵点试验方法
化学纤维
合成短纤维比电阻试验方法
GB/T20944.3
FZ/T50002
FZ/T50004
3术语和定义
纺织品抗菌性能的评价第3部分:振荡法化学纤维异形度试验方法
涤纶短纤维干热收缩率试验方法GB/T3291.1、GB/T3291.3、GB/T4146.1和GB/T4146.3界定的以及下列术语和定义适用于本文件。
抗菌涤纶短纤维
Eantibacterialpolyesterstaplefiber在聚合或纺丝过程中添加抗菌物质,纺制而成的涤纶短纤维。1
FZ/T52035—2014
成形度
degreeoffiberforming
观察若干纤维的截面,其中符合规定形状的纤维所占的比例。区
分类和标识
产品分类
抗菌涤纶短纤维按截面形状和名义线密度,分成如下类别:圆形抗菌涤纶短纤维:0.9dtex~2.1dtex;十字形抗菌涤纶短纤维:1.4dtex~<2.2dtex;2.2dtex~3.2dtex。4.2产品标识
4.2.1产品规格以纤维的名义线密度、名义切断长度表示。线密度单位为分特(dtex);切断长度单位为毫米(mm)。
示例:1.11dtex×38mm,其中1.11dtex表示名义线密度、38mm表示名义切断长度。4.2.2产品按产品规格、截面形状(圆形截面时可省略)和光泽来标识。示例:1.56dtex×38mm十字形半消光抗菌涤纶短纤维。5
技术要求
产品分等
产品分为优等品、一等品、合格品三个等级,低于合格品等级的产品为等外品。性能项目和指标
见表1、表2。
断裂强度/(cN/dtex)
断裂伸长率/%
线密度偏差率/%
长度偏差率/%
超长纤维率/%
圆形半消光抗菌涤纶短纤维性能项目和指标项
倍长纤维含量/(mg/100g)
疵点含量/(mg/100g)
卷曲数/(个/25mm)
卷曲率/%
180℃干热收缩率/%
比电阻/(2·cm)
优等品
M,×10
0.9 dtex~2.1 dtex
一等品
合格品
M,×109
10%定伸长强度/(cN/dtex)
抑菌率/%
表1(续)
金黄色葡萄球菌(ATCC6538)
大肠杆菌(ATCC8739)
优等品
FZ/T52035—2014
0.9 dtex~2.1 dtex
一等品
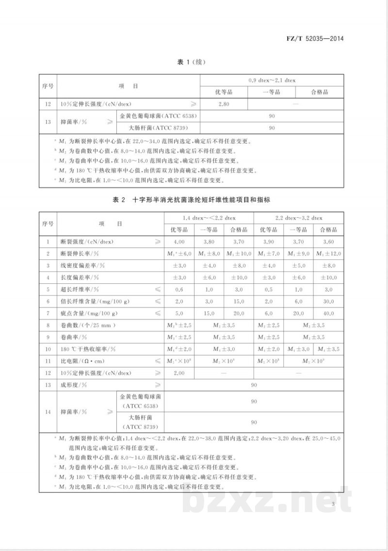
M1为断裂伸长率中心值,在22.0~34.0范围内选定,确定后不得任意变更。M2为卷曲数中心值,在8.0~14.0范围内选定,确定后不得任意变更。°M;为卷曲率中心值,在10.0~16.0范围内选定,确定后不得任意变更dM。为180℃干热收缩率中心值,由供需双方协商确定,确定后不得任意变更eM为比电阻,在1.0~<10.0范围内选定,确定后不得任意变更。表2十字形半消光抗菌涤纶短纤维性能项目和指标序号
断裂强度/(cN/dtex)
断裂伸长率/%
线密度偏差率/%
长度偏差率/%
超长纤维率/%
倍长纤维含量/(mg/100g)
症疵点含量/(mg/100g)
卷曲数/(个/25mm)
卷曲率/%
180℃干热收缩率/%
比电阻/(α2·cm)
10%定伸长强度/(cN/dtex)
成形度/%
金黄色葡萄球菌
抑菌率/%
(ATCC6538)
大肠杆菌
(ATCC8739)
1.4 dtex~<2.2 dtex
优等品
M.°±6.0
M3°±2.5
M,×108
一等品
合格品
M,×109
合格品
2.2 dtex~3.2 dtex
优等品
M,X105
合格品
Ms×10%
M,为断裂伸长率中心值;1.4dtex~<2.2dtex,在22.0~38.0范围内选定;2.2dtex~3.20dtex,在25.0~45.0范围内选定;确定后不得任意变更。bM2为卷曲数中心值,在8.0~14.0范围内选定,确定后不得任意变更。°M:为卷曲率中心值,在10.0~16.0范围内选定,确定后不得任意变更dM。为180℃干热收缩率中心值,由供需双方协商确定,确定后不得任意变更。M;为比电阻,在1.0~<10.0范围内选定,确定后不得任意变更。3
FZ/T52035—2014
3含油率
由供需双方协商确定。
截面形状和异形度
由供需双方协商确定
5质量差异
包装件平均净质量和公定质量的偏差率不超过士0.5%。包装件名义净质量和公定质量的偏差率不超过士1%,非定重产品可参照使用。6
试验方法
拉伸性能
断裂强度、断裂伸长率、10%定伸长强度按GB/T14337规定执行。6.2
线密度偏差率
按GB/T14335规定执行,
长度偏差率、超长纤维率、倍长纤维含量按GB/T14336规定执行。
疵点含量
按GB/T14339规定执行。
卷曲数、卷曲率
按GB/T14338规定执行。
6180℃干热收缩率
按FZ/T50004规定执行。
比电阻
按GB/T14342规定执行。
6.8含油率
按GB/T6504规定执行。
9二氧化钛含量试验
按GB/T14190规定执行。
6.10截面形状和成形度
从试样中随机抽取约100根纤维,整理成若干小束。将每一束伸直平行的纤维,分别穿入特制的试样板孔中,切去两端露出的纤维,形成一薄片。运用显微测量装置放大每束纤维的截面图像至清晰。记4
FZ/T52035—2014
录每束纤维的根数和其中不符合规定截面形状的纤维根数,并累计。按照式(1)计算纤维的成形度:K
式中:
成形度,%;
纤维的总根数;
不符合规定截面形状的纤维总根数。按照GB/T8170规定修约到整数位。6.11异形度
按FZ/T50002规定执行。
抑菌率
按GB/T20944.3规定执行。
6.13质量差异的测定
6.13.1将批样品按GB/T14334规定得到包装件的净质量。6.13.2将实验室样品按GB/T6503规定得到实测回潮率。对N个包装件质量差异的计算公式见式(2)~式(5):6.13.3
1+R。
式中:
检验规则
包装件平均净质量,单位为千克(kg);每个包装件净质量,单位为千克(kg);包装件数量;
包装件公定质量,单位为千克(kg);X100
涤纶短纤维的公定回潮率,其值为0.4%;实测回潮率,%;
包装件平均净质量和公定质量的偏差率,%;包装件名义净质量和公定质量的偏差率,%;包装件名义质量,单位为千克(kg)。检验项目
检验类型分为型式检验和出厂检验。..(1)
(3)
.(5)
FZ/T52035—2014
当下列情况之一时,应进行型式检验:a)规定的周期性检验时;
b)工艺、原料有较大改变,可能影响产品性能时:c)产品长期停产后,恢复生产时;d)出厂检验结果与上次型式检验结果有较大差异时;用户提出进行型式检验要求时;e)
国家质量监督机构提出进行型式检验要求时。f)
检验项目
7.2.1表1和表2中所有项目以及含油率、截面形状和异形度均为型式检验项目。7.2.2除抑菌率和成形度之外,表1和表2中其他项目均为出厂检验项目。7.3组批规则
在一定范围内采用周期性取样组成检验批。一个生产批可由一个检验批或由若干个检验批组成。7.4取样规定
性能项目的取样按GB/T14334中产品取样方法规定进行。5综合评定
各性能项目的测定值或计算值按GB/T8170中修约值比较法与表1、表2中规定项目指标的极限值比较,逐项判定等级,以各项性能指标中最低的等级定为该批产品的等级7.6复验规则
7.6.1通则
批产品到需方时应及时检查包装件的外包装、件数、质量与货单是否相符,如因运输、保管等原因影响品质时,应查明责任,由责任方负责。一批产品到收货方三个月内,对产品品质有异议时可提交复验。若该批产品的数量使用了三分之一以上时,不应申请复验。复验可在双方同意的任何一方进行,必要时可请仲裁检验机构按本标准要求取样、检验、仲裁。由于该批产品品质影响了后加工产品品质,并造成严重损失时,供需双方应分析原因、明确责任、协商处理。7.6.2复验项目
同7.2。
7.6.3复验取样规定
7.6.3.1性能项目试验按GB/T14334中包装件取样方法规定抽样检验,不得抽取在运输途中意外受潮、污染、擦伤或包装已经打开的包装件7.6.3.2倍长纤维含量、疵点含量的试样量增加一倍。7.6.4组批规定
按原生产批组批。
7.6.5复验评定
7.6.5.1按7.5进行等级评定,高于或等于原等级则判为符合,低于原等级则判为不符合。6
FZ/T52035—2014
2包装件平均净质量与公定质量的偏差率超过土0.5%,由供需双方协商确定7.6.5.2
3包装件名义质量与公定质量的偏差率超过土1%,由供需双方协商确定。7.6.5.3
标志、包装、运输、购存
8.1标志
8.1.1包装件上应按规定的分类和命名标明产品名称、规格、等级、批号、净重、毛重、包装日期、商标、产品标准编号、生产企业名称、详细地址等相关信息以及产品防护、搬运等警示标志。8.1.2产品印刷标志应明显且不褪色,防止油、色渗人包内污染纤维。8.2包装
产品包装应保持包型完整,纤维不外露。包装应保证纤维不受损伤。不同规格、批号、等级的抗菌涤纶短纤维应分别包装。8.2.2
8.2.3产品包装应用塑料带、钢带或其他具有一定强度的打包带紧固。8.2.4非定重产品每包装件质量与同批定重产品名义质量的差异建议不超过士5%。8.3运输
运输和装卸时应按产品警示标志规定执行,采取相应防范措施,防止产品受潮、曝晒、污染和受损,严禁抛掷。
8.4购存
包装件按批存放,贮存在通风、干燥、清洁的仓库内,不应靠近火源、热源,避免阳光直射。FZ/T52035-2014
中华人民共和国纺织
行业标准
抗菌涤纶短纤维
FZ/T52035—2014
中国标准出版社出版发行
北京市朝阳区和平里西街甲2号(100029)北京市西城区三里河北街16号(100045)网址:www.gb168.cn
服务热线:400-168-0010
010-68522006
2014年9月第一版
书号:155066·2-27251
版权专有
侵权必究
小提示:此标准内容仅展示完整标准里的部分截取内容,若需要完整标准请到上方自行免费下载完整标准文档。