首页 > 其他行业标准 > FZ/T 52053-2018洁净水刺涤纶短纤维
FZ/T 52053-2018

基本信息

标准号: FZ/T 52053-2018

中文名称:洁净水刺涤纶短纤维

标准类别:其他行业标准

英文名称:Clean spotless polyester staple fiber for spunlace

标准状态:现行

发布日期:2018-10-22

实施日期:2019-04-01

出版语种:简体中文

下载格式:.pdf .zip

相关标签: 洁净 涤纶 短纤维

标准分类号

标准ICS号:纺织和皮革技术>>纺织纤维>>59.060.20人造纤维

中标分类号:纺织>>化学纤维>>W52化学纤维

关联标准

出版信息

出版社:中国标准出版社

页数:16页

标准价格:18.0

出版日期:2019-03-01

相关单位信息

起草人:陈玉新、赵建化、王宏、陆云芳、张玉梅、孔小明、王丽莉

起草单位:江苏华西村股份有限公司特种化纤厂、厦门翔鹭化纤股份有限公司、中国石化仪征化纤有限责任公司、滁州安兴环保彩纤有限公司、江苏新苏化纤有限公司、上海市纺织工业技术监督所

归口单位:上海市纺织工业技术监督所

提出单位:中国纺织工业联合会

发布部门:工业和信息化部

主管部门:工业和信息化部

标准简介

本标准规定了洁净水刺涤纶短纤维的术语和定义、产品标识、技术要求、试验方法、检验规则和标志、包装、运输、贮存的要求。 本标准适用于线密度0.8 dtex~4.4 dtex,圆形截面,有光、半消光的卫生用水刺法非织造用途的涤纶短纤维。其他医疗卫生用水刺涤纶短纤维可参照使用。


标准图片预览

FZ/T 52053-2018洁净水刺涤纶短纤维
FZ/T 52053-2018洁净水刺涤纶短纤维
FZ/T 52053-2018洁净水刺涤纶短纤维
FZ/T 52053-2018洁净水刺涤纶短纤维
FZ/T 52053-2018洁净水刺涤纶短纤维

标准内容

ICS_59.060.20
中华人民共和国纺织行业标准
FZ/T 52053—2018
洁净水刺涤纶短纤维
Clean spotless polyester staple fiber for spunlace2018-10-22发布
中华人民共和国工业和信息化部发布
2019-04-01实施
本标准按照GB/T1.1一2009给出的规则起草。本标准由中国纺织工业联合会提出。本标准由上海市纺织工业技术监督所归口。FZ/T52053—2018
本标准起草单位:江苏华西村股份有限公司特种化纤厂、厦门翔鹭化纤股份有限公司、中国石化仪征化纤有限责任公司、滁州安兴环保彩纤有限公司、江苏新苏化纤有限公司、上海市纺织工业技术监督所。
本标准主要起草人:陈玉新、赵建化、王宏、陆云芳、张玉梅、孔小明、王丽莉。1范围
洁净水刺涤纶短纤维
FZ/T 52053—2018
本标准规定了洁净水刺涤纶短纤维的术语和定义、产品标识、技术要求、试验方法、检验规则和标志、包装、运输、贮存的要求。本标准适用于线密度0.8dtex~4.4dtex,圆形截面,有光、半消光的卫生用水刺法非织造用途的涤纶短纤维。其他医疗卫生用水刺涤纶短纤维可参照使用。2规范性引用文件
下列文件对于本文件的应用是必不可少的。凡是注日期的引用文件,仅注日期的版本适用于本文件。凡是不注日期的引用文件,其最新版本(包括所有的修改单)适用于本文件。GB/T3291.1
纺织材料性能和试验术语第1部分:纤维和纱线3291.3
纺织材料性能和试验术语第3部分:通用GB/T4146
(所有部分)
纺织品化学纤维
GB/T14334
GB/T14339
GB/T14342
GB15979
化学纤维
化学纤维
纺织品
回潮率试验方法
含油率试验方法
调湿和试验用标准大气
分析实验室用水规格和试验方法纺织品
水萃取液pH值的测定
数值修约规则与极限数值的表示和判定化学纤维
化学纤维
化学纤维
化学纤维
化学纤维
化学纤维
短纤维取样方法
短纤维线密度试验方法
短纤维长度试验方法
短纤维拉伸性能试验方法
短纤维卷曲性能试验方法
短纤维疵点试验方法
化学纤维
短纤维比电阻试验方法
一次性使用卫生用品卫生标准
FZ/T50004
涤纶短纤维干热收缩率试验方法FZ/T52027—2012非织造用涤纶短纤维FZ/T50040
3术语和定义
化学纤维短纤维亲水性能试验方法GB/T3291.1、GB/T3291.3、GB/T4146(所有部分)界定的术语和定义适用于本文件。4产品标识
4.1产品规格以纤维名义线密度、名义切断长度表示。线密度单位为分特(dtex);切断长度单位为毫1
52053—2018
例如:1.56dtexx38
米(mm)。
mm,其中1.56dtex表示线密度、38mm表示切断长度。4.2产品标识应包含:产品规格、产品名称或批号等信息,可以有效区分。6bZxz.net
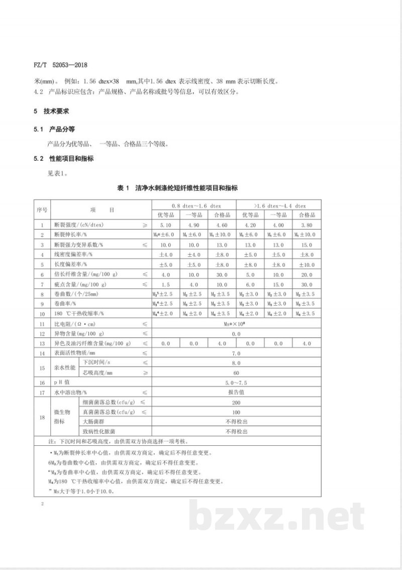
技术要求
5.1产品分等
产品分为优等品、一等品、合格品三个等级。5.2
性能项目和指标
见表1。
表1洁净水刺涤纶短纤维性能项目和指标序号
断裂强度/(cN/dtex)
断裂伸长率/%
断裂强力变异系数/%
线密度偏差率/%
长度偏差率/%
倍长纤维含量/(mg/100g)
症点含量/(mg/100g)
卷曲数/(个/25mm)
卷曲率/%
180℃干热收缩率/%
比电阻/(α·cm)
异物含量(mg/100g)
异色及油污纤维含量(mg/100g)表面活性物质/mm
亲水性能
下沉时间/s
芯吸高度/mm
水中溶出物/%
细菌菌落总数(cfu/g)
微生物
真菌菌落总数(cfu/g)
大肠菌群
致病性化脓菌
0.8 dtex~1.6 dtex
优等品
一等品
注:下沉时间和芯吸高度,由供需双方协商选择一项考核合格品
M ±10. 0
>1.6 dtex~4.4 dtex
优等品
Ms*×108
报告值
不得检出
不得检出
·M为断裂伸长率中心值,由供需双方商定,确定后不得任意变更。6M2为卷曲数中心值,由供需双方商定,确定后不得任意变更。“M为卷曲率中心值,由供需双方商定,确定后不得任意变更M4为180C干热收缩率中心值,由供需双方商定,确定后不得任意变更。”Ms大于等于1.0小于10.0。
一等品
合格品
5.3含油率
由供需双方协商确定。
5.4质量差异
包装件平均净质量和公定质量的偏差率不超过土0.5%。FZ/T52053—2018
定重产品的包装件名义质量与公定质量的偏差率不超过士1%,且批总体平均质量不小于名义质量;非定重产品的包装件名义质量与公定质量的偏差率不超过土5%。6
试验方法
6.1断裂强度、断裂伸长率、断裂强力变异系数按GB/T14337
6.2线密度偏差率
按GB/T14335
规定执行。
规定执行,仲裁时采用束纤维中段称量法。6.3
长度偏差率、倍长纤维含量
按GB/T14336
6.4症点含量
按GB/T14339
规定执行。
规定执行。
6.5卷曲数、卷曲率
按GB/T14338
规定执行。
6.6180℃干热收缩率
按FZ/T50004规定执行。
6.7比电阻
按GB/T14342
规定执行。
6.8异物含量、异色及油污纤维含量按FZ/T52027—2012附录A规定执行。6.9pH值
按GB/T7573
规定执行,萃取介质采用0.1mol/L的氯化钾溶液。6.10
表面活性物质
按附录A规定执行。
6.11水中溶出物
按附录B规定执行。
FZ/T52053—2018
6.12下沉时间、芯吸高度
按FZ/T50040规定执行。
6.13含油率
按GB/T6504规定执行。
6.14微生物检测
按GB15979规定执行。
6.15质量差异的测定
6.15.1将批样品按GB/T14334规定得到包装件的净质量。6.15.2将实验室样品按GB/T6503规定得到实测回潮率。6.15.3对N个包装件质量差异的计算公式见式(1)~式(4):N
1+R。
× 100
式中:
包装件平均净质量,单位为千克(kg);每个包装件净质量,单位为千克(kg);包装件数量;
包装件公定质量,单位为千克(kg);涤纶的公定回潮率,其值为0.40%;实测回潮率,%;
包装件平均净质量和公定质量的偏差率,%;包装件名义净质量和公定质量的偏差率,%。包装件名义质量,单位为千克(kg)。检验规则
7.1检验项目
表1中所有项目,均为考核项目。7.2组批规则
在一定范围内采用周期性取样组成检验批。7.3取样规定
一个生产批可由一个检验批或由若干个检验批组成7.3.1性能项目的取样按GB/T14334中产品取样方法规定进行。7.3.2微生物检测的取样按GB15979中产品取样方法规定进行。7.4综合评定
FZ/T 52053—2018
)与表1中的极限数值比较,逐项判定等级,以检验批性性能项目的测定值或计算值按GB/T8170能项目指标中最低项的等级定为该批产品的等级。7.5复验规则
7.5.1通则
批产品到需方时应及时检查包装件的外包装、件数、质量与货单是否相符。如因运输、保管等原因影响品质时,应查明责任,由责任方负责。一批产品到收货方三个月内,对产品品质有异议时可提交复验。若该批产品的数量使用了三分之一以上时,不应申请复验。复验可在双方同意的任何一方进行,必要时可请仲裁检验机构按本标准要求取样、检验、仲裁。由于该批产品品质影响了后加工产品品质,并造成严重损失时,供需双方应分析原因、明确责任、协商处理。7.5.2复验项目
同7.1。
7.5.3复验取样规定
7.5.3.1性能项目试验按GB/T14334中包装件取样方法规定抽样检验,不得抽取在运输途中意外受潮、污染、擦伤或包装已经打开的包装件。7.5.3.2倍长纤维含量、疵点含量的试样量增加一倍。7.5.4组批规定
按原生产批组批,但生产日期间隔超过90天的产品不能按同一批号组批。7.5.5复验评定
7.5.5.1按7.4进行等级评定,高于或等于原等级则判为符合,低于原等级则判为不符合。7.5.5.2包装件平均净质量与公定质量的偏差率超过土0.5%,由供需双方协商确定。7.5.5.3定重产品的包装件名义质量与公定质量的偏差率超过土1%、定重产品的批总体平均质量小于名义质量、非定重产品的包装件名义质量与公定质量的偏差率超过士5%时,由供需双方协商确定。8标志、包装、运输、购存
8.1标志
8.1.1包装件上应按规定的分类和命名标明产品名称、规格、等级、批号、净质量、生产日期、商标、产品标准编号、生产企业名称、地址以及产品防护、搬运的警示标志。8.1.2产品印刷标志应明显且不褪色,防止油、色渗入包内污染纤维,8.2包装
8.2.1产品包装必须保持包装完整,纤维不外露。包装的质量应保证包装在运输、贮存中不易损坏。8.2.2不同规格、批号、类别的洁净水刺涤纶短纤维应分别包装。8.2.3产品包装应用塑料带或其他具有一定强度的打包带紧固,5
FZ/T 52053—2018
非定重产品每包装件质量与同批定重产品名义质量的差异建议不超过土5%。8.2.4
8.3运输
运输和装卸时应按产品警示标志规定执行,采取相应防范措施,防止产品受潮、曝晒、污染和受损严禁抛掷。
8.4贮存
包装件按批堆放,贮存在通风、干燥、清洁的仓库内,不应靠近火源、热源,避免阳光直射A.1原理
附录A
(规范性附录)
表面活性物质的试验方法
FZ/T52053—2018
纤维在水中长时间浸泡,纤维上附着的盐类、油剂等物质能部分溶解于水中,成为低浓度乳液。乳液经剧烈摇晃后,表面出现泡沫。测定泡沫高度,表征纤维的表面活性物质含量。A.2试剂
蒸馏水:符合GB/T
设备和仪器
6682三级水规定,水温为20℃~22℃。天平:最小分度值为0.1g。
带盖烧杯:200mL,洁净并干燥,圆底具塞玻璃管:容量为25mL,外径为(20土2)mm,洁净并干燥。移液管:25mL。
秒表。
直尺:最小刻度值为0.5mm。
4试验用标准大气
按GB/T
6529规定执行。
试验步骤
称取(15.0土0.1)g纤维试样放入烧杯内,加入150mL蒸馏水。盖上盖子,密闭静置2h。A.5.2移取10mL浸泡溶液入圆底玻璃管,盖上玻璃塞。将玻璃管直立握持,10s内用力连续上下振荡30次,静置1min。
A.5.3按A.5.2再次振荡,静置5min。用直尺测量泡沫高度,计算泡沫边缘与顶点的平均高度,精确到1mm,
结果表示
测定结果以3次平行试验的平均值表示,精确到小数点后一位,FZ/T52053—2018
B.1原理
附录B
(规范性附录)
水中溶出物的试验方法
纤维上附着的盐类、油剂等物质,通过煮沸溶于水中。蒸发过滤后的水浸液,得到残留物。将残留物质量与试样质量相比,计算水中溶出物,以百分比表示。B.2试剂
蒸馏水:符合GB/T6682
三级水规定。
设备和仪器
天平:最小分度值为0.1mg。
加热装置:可调节温度。
通风式烘箱:温度精度为土3℃。干燥器:通用,装有变色硅胶。烧杯:1000mL,洁净并干燥。
蒸发血:洁净并干燥。
布氏漏斗:直径为100mm。
锥形瓶:1000mL,洁净并干燥。滤纸:孔径为100μm,
玻璃棒。
B.4试验步骤
干燥蒸发皿至恒重(即前后二次称量差异在0.5mg以内),记录质量为W1。称取7.0g纤维试样(精确至0.1g)放入烧杯内,加入700mL蒸馏水,3调节加热装置的温度,使烧杯内液体沸腾30min。煮沸过程中不断搅动,并补充损耗的水分。B.4.3
B.4.4将液体转移入另一烧杯内,用玻璃棒将纤维中残留液体挤压出来,合并至液体中。B.4.5趁热将液体全部倒入布氏漏斗中,经滤纸过滤于锥形瓶中,得到水浸液。水浸液中不可含有纤维等杂质。
B.4.6水浸液定容至700mL。
B.4.7移取400mL水浸液,放入已恒重的蒸发血中,在加热装置上蒸干。B.4.8将蒸干的蒸发皿,经连续重复烘燥(温度为105℃土3℃)、冷却、称量的操作,直至恒重(即前后二次称量差异在0.5mg以内),记录质量为W2。5结果的计算和表示
水中溶出物按照式(B.1)计算:
式中:
X——试样的水中溶出物;
×100%
W2——灰渣和蒸发血的质量,单位为克(g);W1——蒸发血的质量,单位为克(g);W——试样质量的4/7,单位为克(g)。测定结果以3次平行试验的平均值表示,精确到小数点后一位。FZ/T
520532018
...(B.1)
小提示:此标准内容仅展示完整标准里的部分截取内容,若需要完整标准请到上方自行免费下载完整标准文档。