首页 > 其他行业标准 > FZ/T 54125-2020低熔点涤纶牵伸丝
FZ/T 54125-2020

基本信息

标准号: FZ/T 54125-2020

中文名称:低熔点涤纶牵伸丝

标准类别:其他行业标准

英文名称:Low melting point polyester drawn yarns

标准状态:现行

发布日期:2020-12-09

实施日期:2021-04-01

出版语种:简体中文

下载格式:.pdf .zip

下载大小:1820155

标准分类号

标准ICS号:纺织和皮革技术>>纺织纤维>>59.060.20人造纤维

中标分类号:纺织>>化学纤维>>W52化学纤维

关联标准

出版信息

出版社:中国标准出版社

页数:12页

标准价格:16.0

出版日期:2021-01-01

相关单位信息

起草人:刘龙敏、余庆峰、李顺希、杨新华、郭桥生、朱兴荣、路敏、查全亮、彭建国、李蓉、李国平、刘玲玲、付文静、胡念

起草单位:厦门翔鹭化纤股份有限公司、凯泰特种纤维科技有限公司、苏州扬昇纺织科技有限公司、浙江昊能科技有限公司、扬州富威尔复合材料有限公司、辽宁际华新材料制造有限公司等

归口单位:中国纺织工业联合会

提出单位:中国纺织工业联合会

发布部门:中华人民共和国工业和信息化部

标准简介

本标准规定了低熔点涤纶牵伸丝的术语和定义、产品标识、技术要求、试验方法、检验规则和标志、包装、运输、贮存的要求。 本标准适用于总线密度83 dtex~333 dtex,单丝线密度2.3 dtex~5.0 dtex,单一组份的、本色有光低熔点涤纶牵伸丝,其他类型低熔点涤纶牵伸丝可参照使用。


标准图片预览

FZ/T 54125-2020低熔点涤纶牵伸丝
FZ/T 54125-2020低熔点涤纶牵伸丝
FZ/T 54125-2020低熔点涤纶牵伸丝
FZ/T 54125-2020低熔点涤纶牵伸丝
FZ/T 54125-2020低熔点涤纶牵伸丝

标准内容

ICS_59.060.20免费标准下载网bzxz
中华人民共和国纺织行业标准
FZ/T54125-2020
低熔点涤纶牵伸丝
Lowmelting point polyester drawnyarns2020-12-09发布
中华人民共和国工业和信息化部2021-04-01实施
本标准按照GB/T1.1一2009给出的规则起草。本标准由中国纺织工业联合会提出并归口。FZ/T54125—2020
本标准起草单位:厦门翔鹭化纤股份有限公司、凯泰特种纤维科技有限公司、苏州扬昇纺织科技有限公司、浙江昊能科技有限公司、扬州富威尔复合材料有限公司、辽宁际华新材料制造有限公司、绍兴九洲化纤有限公司、浙江恒优化纤有限公司、浙江古纤道股份有限公司、新凤鸣集团股份有限公司、上海市纺织工业技术监督所、中国化学纤维工业协会、上海纺织集团检测标准有限公司。本标准主要起草人:刘龙敏、余庆峰、李顺希、杨新华、郭桥生、朱兴荣、路敏、查全亮、彭建国、李蓉李国平、刘玲玲、付文静、胡念。I
1范围
低熔点涤纶牵伸丝
FZ/T54125—2020
本标准规定了低熔点涤纶牵伸丝的术语和定义、产品标识、技术要求、试验方法、检验规则和标志、包装、运输、贮存的要求。
本标准适用于总线密度为83dtex~333dtex,单丝线密度为2.3dtex~5.0dtex,单一组分的、本色有光低熔点涤纶牵伸丝,其他类型低熔点涤纶牵伸丝可参照使用。2规范性引用文件
下列文件对于本文件的应用是必不可少的。凡是注日期的引用文件,仅注日期的版本适用于本文件。凡是不注日期的引用文件,其最新版本(包括所有的修改单)适用于本文件。GB/T2828.1一2012计数抽样检验程序第1部分:按接收质量限(AQL)检索的逐批检验抽样计划
GB/T3291.1纯
纺织纺织材料性能和试验术语第1部分:纤维和纱线GB/T3291.3纺织纺织材料性能和试验术语第3部分:通用GB/T4146(所有部分)纺织品化学纤维GB/T6502
化学纤维
GB/T6504—2017
GB/T6505—2017
GB/T8170—2008
GB/T14343
长丝取样方法
化学纤维含油率试验方法
化学纤维长丝热收缩率试验方法(处理后)数值修约规则与极限数值的表示和判定化学纤维长丝线密度试验方法
化学纤维长丝拉伸性能试验方法GB/T14344
FZ/T50038—2017
3术语和定义
低熔点聚酯(PET)复合纤维
粘结温度试验方法
GB/T3291.1、GB/T3291.3、GB/T4146(所有部分)界定的以及下列术语和定义适用于本文件。3.1
粘结温度bondingtemperature
纤维经过一定诱导结晶处理后的熔融峰温度。4产品标识
4.1产品规格以总线密度(dtex)、单丝根数(f)表示。例如:总线密度为111dtex,单丝根数为48根的低熔点涤纶牵伸丝,其产品规格为111dtex/48f。4.2产品标识应包含:产品名称、产品规格、批号等信息,可以有效区分。1
FZ/T54125—2020
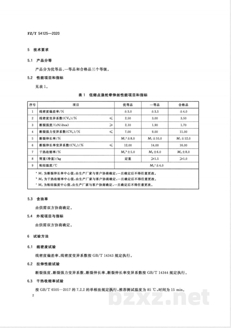
5技术要求
产品分等
产品分为优等品、一等品和合格品三个等级。5.2
性能项目和指标
见表1。
低熔点涤纶牵伸丝性能项目和指标序号
线密度偏差率/%
线密度变异系数(CV,)/%
断裂强度/(cN/dtex)
断裂强力变异系数(CVs)/%
断裂伸长率/%
断裂伸长率变异系数(CV,)/%
干热收缩率/%
筒重(净重)/kg
粘结温度/℃
优等品
一等品
Ms°±4.0
,M为断裂伸长率中心值,由生产厂家与客户协商确定,一旦确定后不得任意更改。bM2为干热收缩率中心值,由生产厂家与客户协商确定,一且确定后不得任意更改。“M:为粘结温度中心值,由生产厂家与客户协商确定,一且确定后不得任意更改。含油率
由供需双方协商确定。
外观项目与指标
由供需双方协商确定。
试验方法
线密度试验
线密度偏差率、线密度变异系数按GB/T14343规定执行。拉伸性能试验
合格品
断裂强度、断裂强力变异系数、断裂伸长率、断裂伸长率变异系数按GB/T14344规定执行。干热收缩率试验
按GB/T6505一2017的7.2.2的单根法规定执行,推荐测试温度为85℃,时间为15min6.4筒重试验
FZ/T54125—2020
用检定分度值小于等于卷装质量0.1%的磅秤、电子秤等衡器称取卷装的质量,扣除已知的皮质量,该净质量即为筒重,精确至筒重质量的0.5%,并记录。6.5
粘结温度试验
按FZ/T50038一2017规定执行。热处理前先将样品作打结处理,热处理时间为4h,取热处理后打结处样品测试。
含油率试验
按GB/T6504—2017中附录C快速挤压法规定执行。6.7外观检验
6.7.1设备
可采用移动光源、固定光源或分级台进行外观检验:移动光源:要求照度大于或等于6001x,无强烈的其他干扰光源;注:移动光源根据实际情况选用,可以是充电灯或手电或其他能达到照度要求的任意一种。—以平行排列的两支40W普通荧光灯,悬挂于离地面高度为180cm~200cm处,丝车在正下方能轻松观察到卷装上面积≥0.5cm2的淡黄色油污为宜;分级台:黑色台面,高度为75cm~80cm,上面平行挂二支D65高显色荧光灯(或40W普通荧光灯),周围环境应无其他散射光和反射光,被观察点的照度大于或等于6001x。2检验步骤
6.7.2.1仔细观察卷装的二个端面和一个柱表面。6.7.2.2对每个被检卷装进行外观检验,并记录。7
检验规则
1检验类型
检验类型分为型式检验和出厂检验。当出现下列情况之一时须进行型式检验:a)规定的周期性检验时;
b)正式生产过程中,生产设计、工艺或原料有变化,可能影响产品质量时;出厂检验的结果与上次型式检验有较大差异时;c)
生产装置检修,恢复生产时;
国家检验机构要求进行型式检验时。2检验项目
7.2.1表1中所有项目为型式检验项目,表1中序号1~8项目为出厂检验项目。7.2.2外观检验项目按5.4规定。3组批规定
每批产品必须是原料、工艺条件和产品规格相同,同一规格产品原则上以分机台型号连续生产量分3
FZ/T54125—2020
为一批。
7.4取样规定
7.4.1表1中各性能项目的实验室样品按GB/T6502规定取样。其中筒重,宜逐筒取样。7.4.2外观检验,逐筒检验。
7.5判定规则
性能项目的测定值或计算值按GB/T8170一2008中4.3.3修约值比较法与表1性能指标的极限7.5.1
数值比较,评定等级。
7.5.2外观检验按5.4规定,逐筒评定等级。7.5.3产品综合等级的评定,以检验批中性能指标和外观指标最低项的等级定为该批产品的等级。7.6复验规则
7.6.1通则
批产品到收货方3个月内,作为验收或对品质有异议时可提请复验。若该批产品的数量使用了三分之一以上时,不得申请复验。但如果收货方可以出示相关证据证明该批产品确实影响到后加工产品的品质,并造成严重损失时,应分析原因,明确双方责任、协商处理。7.6.2检验项目
同7.2。
7.6.3组批规定
按原生产批号组批,但生产日期间隔超过90天的产品不能按同一批号组批。7.6.4取样规定
7.6.4.1表1中除筒重外的性能项目的实验室样品,按GB/T6502规定取样。7.6.4.2筒重、外观为抽样检验。根据批量范围按GB/T2828.1一2012表1中一般检验水平Ⅱ规定确定样本大小(字码)。
7.6.5复验结果的评定
7.6.5.1表1中除筒重外的性能项目的测定值或计算值按GB/T8170-2008中4.3.3修约值比较法与表1性能指标的极限数值比较,评定等级。7.6.5.2筒重、外观项目,按7.6.4.2样本大小,根据GB/T2828.1一2012表2-A中正常检验一次抽样方案AQL值为4.0,确定接收数Ac和拒收数Re,并按供需双方合同指标评定,当不合格的卷装数Ac时为原等级,当不合格的卷装数≥Re时,则判为不符合原等级。7.6.5.3产品综合等级的评定,按7.5.3评定,高于或等于原等级则判为符合,低于原等级则判为不符合。
8标志、包装、运输、贮存
8.1标志
包装箱上应标明产品名称、规格、等级、批号、净重、毛重、卷装个数、包装日期、产品标准编号、商标、4
生产企业名称、详细地址等相关信息和防潮、小心轻放等警示标志。8.2
FZ/T54125—2020
8.2.1每个卷装都应套一个塑料袋后放入包装箱。包装箱内对有支撑的卷装应定位固定,无支撑的卷装应保证其不受损伤。
8.2.2每个包装箱内的卷装大小宜均匀。不同品种、规格、批号、等级要分别装箱,严禁混装。8.2.3每批产品应附品质检验单。3运输
运输过程中避免损坏包装箱、受潮、曝晒。贮存
包装箱按批堆放,贮存在干燥、清洁、通风且无日光直晒的场所。5
小提示:此标准内容仅展示完整标准里的部分截取内容,若需要完整标准请到上方自行免费下载完整标准文档。