首页 > 其他行业标准 > QB/T 2405-2010钟表宝石元件
QB/T 2405-2010

基本信息

标准号: QB/T 2405-2010

中文名称:钟表宝石元件

标准类别:其他行业标准

英文名称:Horolgical jewel

标准状态:已作废

发布日期:2011-01-21

实施日期:2011-04-01

作废日期:2021-01-01

出版语种:简体中文

下载格式:.pdf .zip

下载大小:5114147

标准分类号

标准ICS号:精密机械、珠宝>>钟表学>>39.040.01钟表学综合

中标分类号:轻工、文化与生活用品>>钟表、自行车、缝纫机>>Y11钟表

关联标准

替代情况:替代QB/T 2405-1998;被QB/T 2405-2020代替

出版信息

出版社:中国轻工业出版社

页数:24页

标准价格:30.0

出版日期:2011-04-01

相关单位信息

起草单位:上海关勒铭有限公司、轻工业钟表研究所

归口单位:全国钟表标准化中心

发布部门:工业和信息化部

标准简介

本标准规定了钟表宝石元件的分类、要求、试验方法、检验规则及标志、包装。 本标准适用于安装在钟表机心上的钟表功能宝石元件,也适用于安装在仪表及各种装置上的功能宝石元件。


标准图片预览

QB/T 2405-2010钟表宝石元件
QB/T 2405-2010钟表宝石元件
QB/T 2405-2010钟表宝石元件
QB/T 2405-2010钟表宝石元件
QB/T 2405-2010钟表宝石元件

标准内容

ICS39.040.10
分类号:Y11
备案号:31060-2011
中华人民共和国轻工行业标准
QB/T2405-2010
代替QB/T2405-1998
钟表宝石元件
Horological jewel
2010-12-29发布
中华人民共和国工业和信息化部发布
2011-04-01实施
本标准是对QB/T2405一1998《钟表宝石元件》的修订。本标准与QB/T2405一1998相比,主要变化如下:-标准内容及格式的编排发生较大改变增加了宝石元件圆度和圆柱度要求(见5.4.3):标准中技术参数表述做了规范性修正。本标准由中国轻工业联合会提出。本标准由全国钟表标准化中心归口。本标准由上海关勒铭有限公司、轻工业钟表研究所起草。本标准主要起草人:钟慧敏、杨建敏、徐年寿。QB/T2405—2010
本标准自实施之日起,代替原轻工行业标准QB/T2405一1998《钟表宝石元件》。本标准所代替标准的历次版本发布情况为:GB/T4039-1983,QB/T2405-1998;GB/T9818-1988,QB/T2405-1998。1范围
钟表宝石元件
QB/T2405—2010
本标准规定了钟表宝石元件(以下简称“宝石元件”)的分类、要求、试验方法、检验规则及标志、包装。
本标准适用于安装在钟表机心上的钟表功能宝石元件,也适用于安装在仪表及各种装置上的功能宝石元件。
2规范性引用文件
下列文件对于本文件的应用是必不可少的。凡是注日期的引用文件,仅注日期的版本适用于本文件。凡是不注日期的引用文件,其最新版本(包括所有的修改单)适用于本文件。GB/T1031产品几何技术规范(GPS)表面结构轮廊法表面粗糙度参数及其数值GB/T2828.1一2003计数抽样检验程序第1部分:按接收质量限(AQL)检索的逐批检验抽样计划(GB/T2828.1—2003,ISO2859-1:1999,IDT)GB/T2829一2002周期检验计数抽样程序及表(适用于对过程稳定性的检验)3术语和定义
下列术语和定义适用于本文件。3.1
功能宝石horologicaljewel
用于改善计时仪器元件接触面磨擦稳定性和减少磨损的钟表宝石,通常使用红色人造刚玉。注:改写QB/T2541-2002,定义3.2。3.2
钻 jewel
钟表宝石的通称,本标准特指各种安装在钟表机心内部的功能宝石。4分类和名称
4.1分类
宝石元件的品种、代号、表示图形及所属类型见表1。表1品种、图形、代号
通孔钻
平面直孔钻
平面弧孔钻
球面弧孔钻
QB/T2405-2010
通孔钻
无孔钻
4.2各部位名称
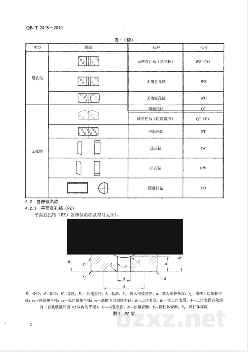
4.2.1平面直孔钻(PZ)
表1(续)
平面直孔钻(PZ)各部位名称及符号见图1。E
无槽直孔钻(单导棱)
无槽直孔钻
无槽弧孔钻
球面托钻
球面托钻(防震器用)
平面托钻
进瓦钻
出瓦钻
圆盘钉钻
QT (F)
D—外径;d孔径;H-厚度;D—油槽直径;h—孔高:h—装入倒棱高度;α—装入倒棱角度;r2—油槽上口倒棱半径;r3-外倒棱半径;r4-孔口倒棱半径;rs—油槽下口倒棱半径;B—工作表面;Bt—非工作表面;4—工作表面有效部分(自孔壁至外圆1/2以内的平面);G一内孔表面:N—油槽表面;E—圆柱体表面;hz—圆柱体厚度图1PZ型
4.2.2平面弧孔钻(PH)
平面弧孔钻(PH)各部位名称及符号见图2。D一外径;d
B-工作
C弧孔
4.2.3球面弧孔钻
球面弧孔钻(Q
QB/T2405-2010
hi—装入倒棱高度:α一装入倒棱角度:外倒棱半径;h2—圆柱体厚度:分(自孔壁至外圆1/2以内的平面);表面);N一油槽表面;E-
柱体表面
D—外径;d—孔径;H—厚度;D—油槽直径;h—孔高;R—球面曲率半径;ri—弧孔曲率半径:r2—油槽上口倒棱半径;r6—球面倒棱半径;r—平面倒棱半径;h2—圆柱体厚度;Q—球面;B1—非工作表面;C—弧孔表面有效部分(在弧孔中部孔高1/2的内孔表面);N一油槽表面;E—一圆柱体表面图3QH型
QB/T24052010
4.2.4无槽直孔钻[WZ(D)、WZ]、无槽弧孔钻(WH)无槽直孔钻[WZ(D)、WZ]、无槽弧孔钻(WH)各部位名称及符号见图4。c)WH型
D外径;d—孔径;H-厚度;h—装入倒棱高度;α—装入倒棱角度;r3—外倒棱半径;r4—孔口倒棱半径;r—非工作表面孔口倒棱半径;B—工作表面;B—非工作表面;A-工作表面有效部分(自孔壁至外圆1/2以内的平面);G—内孔表面;E—圆柱体表面;r1—弧孔曲率半径;hz-圆柱体厚度图4WZ(D)、WZ、WH型
QB/T2405-2010
体表面
D—外径;H-厚度;r—平面倒棱半径;B—工作表面;E—圆柱体表面;h2—圆柱体厚度图6PT型
QB/T2405-2010
4.2.7进、出瓦钻(JW、CW)
进、出瓦钻(JW、CW)各部位名称及符号见图7。b)cw型
b—宽度;H-厚度;al—瓦倾角;β—引入角;rg—前棱半径;r1o—后棱半径;r1l—端棱半径;W一锁面有效部分(即自前棱开始的0.15mm以内的锁面);V-冲面;j—引入面长度;M—侧面;F-基面;T引入面;P端面图7JW、CW型
4.2.8圆盘钉钻(YD)
圆盘钉钻(YD)各部位名称及符号见图8。QB/T2405—2010
P—端面;E弓形面有效部分(即自弦平面开始的1/2厚度以内的弓形面);S—弦平面图8YD型
5要求
5.1尺寸范围
通孔钻和无孔钻中球面托钻、平面托钻的相关尺寸范围见表2,无孔钻中进、出瓦钻和圆盘钉钻的相关尺寸范围见表3。
表2通孔钻和无孔钻中球面托钻、平面托钻的尺寸范围符号
油槽直径/mm
弧孔曲率半径/mm
油槽上口倒棱半径/mm
外倒棱半径/mm
孔口倒棱半径/mm
油槽下口倒棱半径/mm
球面倒棱半径/mm
平面倒棱半径/mm
非工作表面孔口倒棱半径/mm
球面曲率半径/mm
对应宝石元件代号
PZ、PH、QH
PH、QH、WH
PZ、PH、QH
PZ、PH、WZ(D)
WZ(D)、WZ
QT(F)、QT
QT(F)、QT、PT
QT(F)、QT
尺寸范围
(0.50~0.70)D
0.005~0.04
0.005~0.06
0.02~0.06
0.01~0.05
0.02~0.08
0.01~0.05
0.04~0.10
QB/T2405-2010
圆柱体厚度/mm
孔高/mm
装入倒棱高度/mm
装入倒棱角度/0
引入面长度/mm
前棱半径/mm
后棱半径/mm
端棱半径/mm
端面倒棱半径/mm
侧面倒棱半径/mm
引入角/
瓦倾角/°
极限偏差
表2(续)
对应宝石元件代号
PZ、PH、WZ(D)、WZ、WH、PT
QH、QT(F)、QT
PZ、PHQH
PZ、PH、WZ(D)、WZ、WH
PZ、PH、WZ(D)、WZ、WH
无孔钻中进、出瓦钻和圆盘钉钻的尺寸范围对应宝石元件代号
JW、CW
JW、CW
JW、CW
JW、CW
尺寸范围
≥1/3H
≥1/4H
(0.50~0.70)H
(1/3~1/5)H
25°~45°
尺寸范围
0.10~0.30
>0~0.02
0.01~0.06
0.02~0.04
0.01~0.03
5°~13°
通孔钻和无孔钻中球面托钻、平面托钻的尺寸极限偏差应符合表4规定。表4通孔钻和无孔钻中球面托钻、平面托钻的极限偏差名称
对应宝石元件代号
PZ、PH、QH
WZ(D)、WZ、
QT (F)、QT
极限偏差
单位为毫米
油槽直径
装入倒棱高度
工作部位高度
表4(续)
对应宝石元件代号
PZ、PH
WZ(D)、WZ、
0.50>D<1.00
PZ、PH、QH
PZ、PH、QH、WZ(D)、WZ、WH、PT
QT(F)、QT
PZ、PH
PZ、PH、WZ(D)、WZ、WH
QT (F)
a当d为非工作表面时极限偏差为do.025。b装入倒棱高度不均匀性为高度极限偏差的1/2。5.2.2
无孔钻中进、出瓦钻和圆盘钉钻的尺寸极限偏差应符合表5规定。表5·无孔钻中进、出瓦钻和圆盘钉钻的极限偏差名称
外径/mm
厚度/mm
宽度/mm
长度/mm
瓦倾角/。
5.3形位公差
对应宝石元件代号
JW、CW、YD
JW、CW
JW、CW
JW、CW
垂直度及同轴度
平行度、
宝石元件各相关部位的平行度、垂直度和同轴度应符合表6规定。QB/T2405-2010
极限偏差此内容来自标准下载网
±0.020 b
极限偏差
小提示:此标准内容仅展示完整标准里的部分截取内容,若需要完整标准请到上方自行免费下载完整标准文档。