首页 > 国家标准(GB) > GB/T 4372.2-2001 直接法氧化锌化学分析方法 原子吸收光谱法测定氧化铅量
GB/T 4372.2-2001

基本信息

标准号: GB/T 4372.2-2001

中文名称:直接法氧化锌化学分析方法 原子吸收光谱法测定氧化铅量

标准类别:国家标准(GB)

英文名称: Direct chemical analysis of zinc oxide - Determination of lead oxide content by atomic absorption spectrometry

标准状态:现行

发布日期:2001-07-01

实施日期:2001-01-02

出版语种:简体中文

下载格式:.rar.pdf

下载大小:87581

相关标签: 直接 氧化锌 化学分析 方法 原子 吸收光谱

标准分类号

标准ICS号:冶金>>有色金属>>77.120.60铅、锌、锡及其合金

中标分类号:冶金>>金属化学分析方法>>H13重金属极其合金分析方法

关联标准

替代情况:GB/T 4372.2-1984

出版信息

出版社:中国标准出版社

页数:4页

标准价格:8.0 元

相关单位信息

首发日期:1984-04-30

复审日期:2004-10-14

起草单位:湖南水口山矿务局

归口单位:全国有色金属标准化技术委员会

发布部门:中华人民共和国国家质量监督检验检疫总局

主管部门:中国有色金属工业协会

标准简介

本标准规定了直接法氧化锌中氧化铅含量的测定方法。本标准适用于直接法氧化锌中氧化铅含量的测定。测定范围:0.01~1.0%。 GB/T 4372.2-2001 直接法氧化锌化学分析方法 原子吸收光谱法测定氧化铅量 GB/T4372.2-2001 标准下载解压密码:www.bzxz.net

标准图片预览

GB/T 4372.2-2001 直接法氧化锌化学分析方法 原子吸收光谱法测定氧化铅量
GB/T 4372.2-2001 直接法氧化锌化学分析方法 原子吸收光谱法测定氧化铅量
GB/T 4372.2-2001 直接法氧化锌化学分析方法 原子吸收光谱法测定氧化铅量
GB/T 4372.2-2001 直接法氧化锌化学分析方法 原子吸收光谱法测定氧化铅量

标准内容

GB/T 4372. 2—2001
本标准是对GB/T4372.2—1984《氧化锌(直接法)化学分析方法磷酸底液极谱法测定氧化铅与氧化量》的修订。修订的主要内容是采用原子吸收光谱法测定氧化铅量。本标准遵守:
GB/T1467—1978
冶金产品化学分析方法标准的总则及一般规定GB/T 7728--1987
冶金产品化学分析火焰原子吸收光谱法通则GB/T17433—1998治金产品化学分析基础术语本标准从实施之日起,同时代替GB/T4372.2--1984。本标准的附录 A是提示的附录。本标准由中国有色金属工业协会提出。本标准由中国有色金属工业标准计量质量研究所归口。本标准由水口山矿务局负责起草。本标准主要起草人:匡海燕、姚晓红、毛艳玲、平生。本标准委托全国有色金属标准化技术委员会负责解释。115
1范围
中华人民共和国国家标准
直接法氧化锌化学分析方法
原子吸收光谱法测定氧化铅
Methods for chemical analysis of zincoxide produced by direct process-Determination of lead oxide content-Atomic absorption spectrometry method本标准规定了直接法氧化锌中氧化铅含量的测定方法GB/T 4372.2--2001
代替GB/T4372.2—1984
本标准适用于直接法氧化锌中氧化铅含量的测定。测定范围:0.01%~~1.0%。2方法提要wwW.bzxz.Net
试料用硝酸溶解,在稀硝酸(5+95)介质中,使用空气-乙炔火焰,于原子吸收光谱仪波长283.3nm处测量铅的吸光度,以标准曲线法计算氧化铅的含量。3试剂
3.1硝酸(1+1)。
3.2铅标准溶液:称取0.1000g高纯铅于300mL的烧杯中,加人10mL.硝酸(3.1),微热溶解,取下冷却,移人1000mL容量瓶中,以水洗烧杯合并于容量瓶中,用水稀释至刻度,混匀。此溶液1mL含100 μg铅。
4仪器
原子吸收光谱仪,附铅空心阴极灯。在仪器最佳工作条件下,凡能达到下列指标者均可使用。灵敏度:在与测量样品溶液基体相一致的溶液中,铅的特征浓度应不大于0.3μg/mL。精密度:用最高浓度的标准溶液测量10次吸光度,其标准偏差应不超过平均吸光度的1.0%;用最低浓度的标准溶液(不是零标准溶液)测量10次吸光度,其标准偏差应不超过最高浓度标准溶液平均吸光度的0.5%。
工作曲线线性:将工作曲线按浓度等分成五段,最高段的吸光度差值与最低段的吸光度差值之比,应不小于0.7。
仪器工作条件见附录A(提示的附录)。5分析步骤
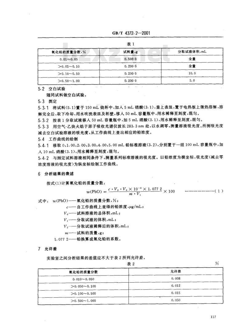
5.1试料
按表1称取试样,精确至0.0001g。中华人民共和国国家质量监督检验检疫总局2001-07-10批准116
2001-12-01实施
氧化铅的质量分数,%
0. 01~0. 05
>0. 05~0.10
>0.10-~0.50
>0. 50~1. 00
5.2空白试验
随同试料做空白试验。
GB/T 4372. 2-—2001
试料量
分取试液体积,mL
5.3測定
5.3.1将试料(5.1)置于150mL烧杯中,加人5mL硝酸(3.1),盖上表皿,置于电热板上微热溶解,溶解完全后,取下冷却,用水吹洗表皿及杯壁,移人50mL容量瓶中,用水稀释至刻度,混勾。5.3.2按表1分取试液移入50mL容量瓶中,加5mL硝酸(3.1),用水稀释至刻度,混匀。5.3.3用空气-乙炔火焰于原子吸收光谱仪波长283.3nm处,以水调零,测量溶液吸光度。所测吸光度减去空白试验溶液的吸光度,从工作曲线上查出相应的铅浓度。5.4工作曲线的绘制
5.4.1移取0,1.00,2.00,3.00,4.00,5.00mL铅标准溶液(3.2),分别置于一组100mL容量瓶中,加人10mL硝酸(3.1),用水稀释至刻度,混勾。5.4.2与测定试料溶液相同条件下,测量系列标准溶液的吸光度。以铅浓度为横坐标,吸光度(减去零浓度溶液的吸光度)为纵坐标绘制工作曲线。6
分析结果的表述
按式(1)计算氧化铅的质量分数:w(bo) -c:V.X10×1. 0772 × 100m.V
式中: w(PbO)一
一氧化铅的质量分数,%;
一自工作曲线上查得的铅浓度,pg/mL;V。—--试料溶液的总体积,mL,V,-分取试液的体积,mL;
V,—分取试液稀释后的体积,mL,—试料的质量,;
1. 077 2--
7允许差
铅换算成氧化铅的系数。
实验室之间分析结果的差值应不大于表2所列允许差。表2
氧化铅的质分数
0. 010~0. 050
>0. 050~0.100
>0. 100~0.500
>0. 500~1. 000
充许差
(1)
GB/T4372.2—2001
附录A
(提示的附录)
仪器工作条件
使用GGX-5型原子吸收光谐仪的参考工作条件如表A1:表A1
波长nm
灯电流,mA
色器通带,nm
空气流量,L/min
乙炔流量,L/min
小提示:此标准内容仅展示完整标准里的部分截取内容,若需要完整标准请到上方自行免费下载完整标准文档。